Програмное обеспечение
Мы разработали служебное программное обеспечение для более быстрого определения значений компонентов для быстрого прототипирования блока питания на основе MC34063. Программа написана с использованием HTML и JavaScript и может быть встроена в систему с установленным PHP. Он работает в среде разработки PHP. HTML – это интерфейсное программное обеспечение, тогда как PHP – это фоновое программное обеспечение. Файл JavaScript проверяет наличие пустых полей в HTML-форме. PHP встроен в веб-сервер. Таким образом, несколько пользователей в сети, например в лаборатории или колледже, могут использовать это программное обеспечение одновременно. Программа разработана с использованием среды IDE NetBeans для PHP.
Скачать исходный код.
Установка программы.
1. Загрузите WampServer (для разработки на локальном хосте) с www. wampserver.com/en/ и IDE NetBeans с сайта https://netbeans.org/features/php/. Установите их на свой ПК с Windows. Установите соответствующее расширение Visual C ++ (здесь VC ++ 2012) перед установкой WampServer, чтобы получить все необходимые файлы dll для бесперебойной работы среды IDE и сервера Apache.
2. WampServer работает в фоновом режиме с опцией в онлайн-режиме. Убедитесь, что значок WampServer на панели задач становится зеленым.
3. Создайте папку, скажем, HighVoltage, в папке C: wamp www. Скопируйте файлы изображений HVBoostCalculator.html, HVDesign.js и HVcircuit.jpg в папку проекта.
4
Создайте новый проект PHP в NetBeans. Выберите «Приложение PHP» и нажмите «Далее». Папка проекта будет создана автоматически. Обратите внимание, что ваша папка HighVoltage находится в этой папке проекта. . 5. Под окном «Run Configuration» выберите опцию «local server» в поле «Run As:». Затем нажмите «ОК», чтобы продолжить. HVBoostCalculator.html – это HTML-скрипт, а его ассоциированное изображение – HVcircuit.jpg. HVDesign.js – это скрипт Javascript. Запустите HVBoost Calculator.html, чтобы получить страницу, как показано на рис
6. Рис. 6: Снимок экрана с выводом программы для источника питания HVDC
5. Под окном «Run Configuration» выберите опцию «local server» в поле «Run As:». Затем нажмите «ОК», чтобы продолжить. HVBoostCalculator.html – это HTML-скрипт, а его ассоциированное изображение – HVcircuit.jpg. HVDesign.js – это скрипт Javascript. Запустите HVBoost Calculator.html, чтобы получить страницу, как показано на рис. 6. 
Сначала необходимо подать на вход постоянного тока 9-12 В и допуск напряжения в зависимости от используемого источника питания; как правило, допуск по напряжению составляет 1%. Затем укажите требуемое выходное напряжение и ток в соответствующих полях формы. (Для более высоких выходных напряжений, пожалуйста, используйте транзистор T1 с более высокими характеристиками напряжения и тока.)
Используя таблицу данных силового транзистора T1, найдите его значение насыщения Vce и поместите в поле формы. Также получите прямое падение напряжения на диоде D1 из его таблицы данных в поле формы. Эти параметры очень важны для расчета значений компонентов. После того, как все значения были заполнены в соответствующих полях, нажмите кнопку «Найти значения компонента». Форма проверяется на наличие пустых полей, а расчет производится для компонентов. Вы получите значения R1 через R3, R6, L1, C1 и C2, а также параметры схемы, такие как рабочий цикл, частота переключения и выходная мощность.
Как показано на скриншоте программы, спроектируйте схему для входного напряжения 12 В постоянного тока, выходного напряжения 500 В постоянного тока, выходного тока 2 мА и синхронизирующего конденсатора 4,4 нФ. На выходе программы вы получаете значения выходного конденсатора 8,20 мкФ, чувствительного резистора R6 1,59 кОм (ближайшее значение 1,50 кОм) и индуктивности L1 6,8 мГн. Полная принципиальная схема этой конструкции показана на рис. 3. чувствительный резистор R6 равен 1,59 Ом (ближайшее значение 1,50 Ом), а индуктор L1 равен 6,8 мГн. Полная принципиальная схема этой конструкции показана на рис. 3. чувствительный резистор R6 равен 1,59 Ом (ближайшее значение 1,50 Ом), а индуктор L1 равен 6,8 мГн. Полная принципиальная схема этой конструкции показана на рис. 3.
Работа стабилизаторов тока
Схема стабилизатора напряжения 220в своими руками
Минимальное количество функциональных элементов в схемах этой категории подразумевает разумную стоимость. При выборе такого варианта нетрудно изучить рабочие режимы, особенности настройки.
Особенности полевых структур
В радиотехнических приборах этого типа p-n переходы расположены особым образом. Для регулировки прохождения тока через центральный канал изменяются напряжение и соответствующее электромагнитное поле. Разницу потенциалов создают на стоке и затворе.
На рисунке показаны принципиальные отличия, по сравнению с биполярным транзистором. При использовании полевой структуры управляющий ток отсутствует, а входное сопротивление становится значительно больше. При такой схеме прибор потребляет минимум энергии, но не способен обеспечить усиление сигнала. Впрочем, для решения обозначенной задачи (стабилизации) увеличивать напряжение не нужно.
Принцип управления переходом
В области между зонами р типа формируется канал. Для прохождения тока создается разница потенциалов «сток-исток». Управляют переходом изменением напряжения «затвор-исток» – Uзи.
Переделка блока
Прежде чем начинать переделку БП, необходимо выбрать выходную мощность тока. От этого показателя зависит степень модернизации системы. Если мощность будет находиться в пределах 20-30 Вт, не понадобятся глубокие изменения в схеме. Если же запланирована мощность свыше 50 Вт, модернизация нужна более системная.
Обратите внимание! На выходе из БП будет постоянное напряжение. Получение переменного напряжения на частоте 50 Гц не представляется возможным
Определение мощности
Вычисление мощности осуществляется согласно формуле:
В качестве примера рассмотрим ситуацию с блоком питания, имеющим следующие характеристики:
- напряжение — 12 В;
- сила тока — 2 А.
Вычисляем мощность:
P = 2 × 12 = 24 Вт.
Конечный параметр мощности будет больше — примерно 26 Вт, что позволяет учесть возможные перегрузки. Таким образом, для создания блока питания потребуется достаточно незначительное вмешательство в схему стандартной эконом-лампы на 25 Вт.
Советуем изучить Что такое шлицевая отвёртка
Новые компоненты
На схеме, представленной далее, показан порядок добавления новых деталей. Все они обозначены красным цветом.
В число новых электронных компонентов входят:
- диодный мост VD14-VD17;
- 2 конденсатора C9 и C10;
- обмотка на балластном дросселе (L5), количество витков которой определяется эмпирически.
Дополнительная обмотка выполняет еще одну важную функцию — является разделяющим трансформатором и защищает от проникновения напряжения на выходы ИБП.
Чтобы вычислить нужное количество витков в дополнительной обмотке, выполняются такие действия:
- Временно наносим обмотку на дроссель (приблизительно 10 витков провода).
- Стыкуем обмотку с сопротивлением нагрузки (мощность от 30 Вт и сопротивление 5-6 Ом).
- Подключаемся к сети и делаем замер напряжения при нагрузочном сопротивлении.
- Полученный результат делим на число витков и узнаем, сколько вольт приходится на каждый виток.
- Выясняем нужное количество витков для постоянной обмотки.
Более подробно порядок расчета показан ниже.
Для вычисления нужного количества витков планируемое напряжение для блока делим на напряжение одного витка. В результате получаем число витков. К итоговому результату рекомендуется прибавить 5-10 %, что позволит иметь определенный запас.
Не стоит забывать, что оригинальная дроссельная обмотка находится под сетевым напряжением. Если нужно намотать на нее новый слой обмотки, позаботьтесь о межобмоточном изоляционном слое
Особенно важно соблюдать данное правило, когда наносится провод типа ПЭЛ в эмалевой изоляции. В качестве межобмоточного изоляционного слоя подойдет политетрафторэтиленовая лента (толщина 0,2 миллиметра), которая позволит повысить плотность резьбовых соединений. Такую ленту используют сантехники
Такую ленту используют сантехники.
Обратите внимание! Мощность в блоке ограничивается габаритной мощностью задействованного трансформатора, а также максимально возможным током транзисторов
Характеристики микросхемы
Как показывает практика использования представленной микросхемы, она является достаточно мощной, потому что судя по datasheet uln2003ag технические характеристики позволяют коммутировать достаточно большой ток до 500 мА. Но не стоит давать работать ей на пределе, потому что выходной транзистор хоть и защищен обратным диодом, он может пострадать из-за банального перегрева.
Чтобы этого не происходило, правильно подходите к расчету потребляемой и рассеиваемой мощности. В данном случае при максимальном напряжении на CE равном 50 В максимальная мощность выходного транзистора составит не более 25 Вт, при этом он будет очень сильно греться. Поэтому номинальный коммутационный ток лучше поддерживать не более 300-400 мА. В таком режиме микросхема будет работать долго и стабильно.
Структурная схема микросхемы до боли проста и состоит всего из 7 ячеек стандартной ТТЛ-логики И-НЕ с подключенным обратным диодом на общий вывод питания COM . С топологией устройства также все просто, каждый вход расположен напротив выхода, что не даст спутать выводы при проектировании каких-либо устройств. Главное запомнить, что первый вывод является прямым входом.
Что касается характеристик, то они представлены для микросхем с ТТЛ-логикой, при котором управляющий сигнал не превышает 5 В. Но также выпускаются аналоги КМОП, которые могут работать от более низкого порога около 2 В до 9 В.
Вторая схема
Схема устройства, показанная на рис. 2, лишена такого недостатка . Это позволяет применять его практически в любой аппаратуре: как в различных цифровых, так и в звуковоспроизводящих и радиоприемных устройствах.
Стабилизатор содержит коммутирующий составной транзистор VT1, VT2, коммутирующий диод VD2 и дроссель L1. В узел управления входят опорный элемент на транзисторе ѴТЗ и компаратор DA1.
На выходе стабилизатора включен транзисторный фильтр ѴТ4, ѴТ5. Основа узла управления — компаратор DA1 на ОУ типа К140УД12. К его инвертирующему входу подключен микромощный опорный элемент, выполненный на обратносмещенном эмиттерном переходе транзистора ѴТЗ. Напряжение его стабилизации (лавинного пробоя) 7…7,5 В обеспечивается при токе 20…30 мкА.

Рис. 2. Схема экономичного импульсного стабилизатора напряжения.
На неинвертирующий вход ОУ подается сигнал с резистивного делителя R5 — R7. Выходное напряжение регулируется потенциометром R6.
Конденсатор C3 увеличивает фазовый сдвиг сигнала обратной связи, что необходимо для циклического характера работы устройства. Он же определяет рабочую частоту и в значительной мере влияет на величину пульсаций.
Выход компаратора подключен к базе составного транзистора (VT1, VT2) через резистор R3, задающий ток управления, и стабилитрон VD1, который обеспечивает отсечку управляющего тока и надежное закрывание коммутирующего транзистора во всем интервале входного напряжения. Конденсатор С2 подавляет высокочастотные помехи.
На выходе стабилизатора включен не традиционный LC-фильтр, а транзисторный, что позволяет улучшить динамические характеристики устройства и подавить пульсации не менее чем на 40 дБ.
У транзисторного фильтра есть еще одно преимущество — «мягкое» включение стабилизатора: его выходное напряжение плавно нарастает в течение 2…4 с. Негативным моментом использования транзисторного фильтра является снижение КПД стабилизатора на 6…8%.
Дроссель L1 содержит 28 витков провода ПЭВ-2 0,57, намотанного на броневом магнитопроводе Б14 из феррита 2000НМ. Немагнитный зазор 0,2 мм в магнитопроводе обеспечен прокладкой из бумаги.
Транзисторы устройства при номинальном токе не требуют теплоотвода. Если стабилизатор предполагают эксплуатировать при токе нагрузки более 50 мА, то транзистор ѴТ1 должен быть типа КТ81х и его следует установить на теплоотвод площадью 10… 15 смг. Допустимо использовать транзисторы КТ639, КТ644, тогда выходной ток стабилизатора можно увеличить до 0,5 А.
Корпуса микросхем LM383 (TDA2003)
Т0220 с пятью выводами. Обе ИС специально разработаны для автомобильной звуковой аппаратуры, где при нормальном рабочем напряжении 14,4 Вольт они имеют выходную мощность 5,5 Ватт на нагрузке 4 Ом или 8,6 Вт на нагрузке 2 Ом. ИС LM383 может отдавать в нагрузку ток до 3,5 А, обе ИС имеют функцию ограничения тока нагрузки и термозащиту выходного каскада.
Интегральная схема LM383 (или TDA2003) проста в применении. На рисунке показана практическая схема (с цепочкой, увеличивающей высокочастотную стабильность), предназначенная для простого звукового автомобильного усилителя мощностью 5.5 Ватт. В этой схеме усиление определяется отношением резисторов цепочки отрицательной обратной связи 220 Ом/2,2 Ом и составляет 100;
ИС работает в не инвертирующем режиме, входной сигнал подастся на вывод 1 через электролитический конденсатор емкостью 10 мкФ. На рисунке представлена схема усилителя для автомобиля, в которой для получения выходной мощности 16 Вт используется пара ИС LM383 или унч на TDA2003. Подстроенный резистор RV1 необходим в этой схеме для регулировки баланса выходных напряжений покоя обеих ИС и тем самым обеспечивает минимальный ток покоя схемы.
16-ваттный мостовой усилитель на ИС LM383 (TDA2003) для автомобиля.
TDA2003 является монофоническим усилителем мощности низкой частоты (отечественный аналог К174УН14). Микросхема развивает мощность 10Вт при сопротивлении нагрузки 2Ом. Усилитель обладает широким диапазоном воспроизводимых частот от 30Гц до 30КГц. Маломощный усилитель не оснащен защитой от переполюсовки, обязательно при подключении к источнику питания стоит соблюдать полярность.
TDA2003 устанавливается на теплоотвод (радиатор) площадью не менее 100кв². Ток покоя микросхемы составляет 44мА. Напряжение питания от 8В до 18В. На вход микросхемы не рекомендуется подавать сигнал с амплитудой более 1Вольт.
Усилитель мощности звуковой частоты превосходно работает с любыми предварительными усилителями, которые соответствуют всеми техническими параметрами микросхемы. Усилитель широко применяется в зарубежных автомагнитолах, а также в портативной бытовой технике, телевизорах, видеомагнитофонах и т.д.
Условия при постоянном токе
При рассмотрении коэффициента усиления по постоянному току помните, что цепь обратной связи схемы операционного усилителя со следящим питанием работает так же, как и любая другая схема усиления с операционным усилителем. Усиление схемы на Рисунке 1 просто AV = VOUT / VIN = 1 + RF / RG. В конфигурациях, в которых VCC — VEE меньше, чем удвоенное значение VCO — VEO, можно запускать схему с любым усилением, включая усиление с инвертированием. Но при больших напряжениях питания системы и для достижения больших диапазонов выходных напряжений необходимо использовать неинвертирующую конфигурацию и тщательно выбирать усиление. Если установить усиление слишком высоким, диапазон синфазного входного напряжения операционного усилителя будет превышен, что, вероятно, приведёт к защёлкиванию цепи управления питанием. Усиление больше показанного на Рисунке 2 привело бы к тому, что VCO на своём пике превысило VCM, и VCO превысит VCM на отрицательной стороне сигнала. Эта ситуация явно выходит за диапазон допустимых синфазных напряжений входа операционного усилителя, поскольку оба источника питания находятся дальше от земли, чем его вход. К счастью, этого состояния можно легко избежать. При достаточно низком усилении выходной каскад насыщается быстрее входного каскада, и напряжения на шинах питания прекращают увеличиваться до того, как они превысят входное напряжение (Рисунок 3).
Рисунок 3. Если усиление выбрано правильно, выход усилителя будет насыщен до того, как его допустимый диапазон входного синфазного напряжения будет превышен.
Предполагая наличие симметричной системы с положительным усилением (в которой RG «заземлён» на полпути между VCC и VEE, чтобы избежать вышеописанной ситуации достаточно соблюдения следующих двух условий:
(VCC — 0.6)
AV ≤ ————————————————————————————— (10)
(VCC — 0.6) — (VCO — VEO) + VIHRL
и
(VEE + 0.6)
AV ≤ ————————————————————————————— (11)
(VCC + 0.6) + (VCO — VEO) + VIHRL
VIHRH — это запас по входному напряжению операционного усилителя на верхней стороне, разность между его положительным напряжением питания и его результирующим максимальным синфазным входным напряжением, а VIHRL — запас по входному напряжению на нижней стороне питания.
Каскадированием можно добиться больших усилений, чем те, которые позволяют приведённые выше уравнения. В качестве альтернативы можно сконфигурировать один каскад для работы с более высоким усилением используя описанный ниже метод.
Мощная электронная нагрузка своими руками
Максимальное входное напряжение до 60В, можно и больше, все зависит от напряжения транзисторов.
Также электронная нагрузка имеет защиту от переполюсовки. Максимальная рассеиваемая мощность составляет порядка 1500-1600Вт
Такое устройство способно нагрузить практически любые источники питания, даже сварочные инверторы ему под силу, но тут важно не превысить максимальную мощность, а она тут, как уже было сказано выше, составляет 1600Вт. При этом стоит отметить, что все 1600Вт в данном случае пойдут на нагрев, так что это достаточно серьезный обогреватель
Думаю, вы согласны с тем, что вышеприведенные характеристики действительно внушительные для линейной нагрузки. Токовые нагрузки с похожими параметрами стоят не мало, естественно наша версия будет без особых наворотов.
Внимание! Стоит сразу отметить несколько моментов во избежание дополнительных вопросов. Во-первых, схемы получилась довольно большой и скорее всего некоторые мелкие детали не будут видны
Схему в хорошем качестве вы найдете в архиве проекта. Также ссылка на скачивание архива находится в описании под оригинальным видеороликом автора.
Во-вторых, номиналы некоторых элементов схемы могут отличаться от тех что установлены на плате, но устройство будет работать в обоих случаях.
В-третьих, в схеме были применены наиболее предпочтительные транзисторы TIP142 , это составные ключи, которыми просто управлять и драйвер при этом нагреваться почти не будет, но общая мощность нагрузки с указанными на схеме ключами будет меньше, чем в данном случае, так как транзисторы тут применены гораздо более мощные.
Чем меньше значение данного сопротивления, тем больше ток. Указанный резистор необходимо подбирать.Автор провел многочисленные эксперименты с получившимся устройством, чтобы выяснить какую мощность может рассеять транзистор в таком корпусе, максимальный ток коллектора, и как сильно будет нагружен управляющий драйвер при различных значениях тока на силовом транзисторе.
Испытания прошли успешно, ни один транзистор при этом не пострадал. Опытным путем стало ясно, что заявленные производителем 32А транзисторы держат. Корпус способен рассеять 150Вт, а при наличии вентилятора и все 200Вт.
Значение 200Вт с каждого транзистора, согласитесь, весьма неплохо. И того на каждый радиатор автор прикрутил, используя термопасту, 4 ключа. Таких радиаторов в данном случае 2 штуки.
Стоит отметить, что приведенная схема работает в линейном режиме, поэтому транзисторы в процессе открыты или закрыты частично, это зависит от выходного напряжения операционного усилителя.
Чем больше открыт силовой транзистор, тем больше ток в цепи и наоборот. Как уже было сказано выше, вся мощность выделяется в виде тепла на силовых транзисторах и датчиках тока, поэтому, если захотите повторить данный проект, в первую очередь позаботьтесь о хорошем охлаждении данных компонентов схемы. Автор использовал достаточно хорошие алюминиевые радиаторы в виде бруска.
Первый переменник используется для грубой регулировки, второй соответственно для более плавной. Плата управления нуждается в маломощном источнике питания. Например, ее можно запитать от батареек или аккумуляторов. Такое решение сделает нагрузку полностью автономной.
Силовые диоды, о которых упоминалось в начале статьи, установлены на входе нагрузки. На них выполнена защита от переполюсовки. Обратное напряжение и ток диода стоит подбирать с двойным запасом. В дальнейшем автор планирует изменить защиту на другую, скорее всего на полевых транзисторах.
Вот так родился на свет еще один монстр, придумать другое название этому зверю довольно трудно, конские радиаторы и силовые ключи, зверская мощность, что ещё нужно для полного счастья. На сегодня это все
Благодарю за внимание. До новых встреч!
Видеоролик автора:
https://youtube.com/watch?v=mpNd-Ri6DXI
Преобразователь тока в напряжение для незаземленного источника
Такой преобразователь отличается наличием второго токочувствительного резистора в цепи прохождения сигнального тока, который заземлен. Схема симметричного преобразователя ток-напряжение это подобие дифференциального усилителя.
В следствии падения напряжения так же и на заземленном резисторе, потенциал входа ОУ падает ниже потенциала земли, а на выходе устанавливается напряжение:
Uвых = −2 × iвх × R
Симметричный преобразователь тока в напряжение — пример операционной схемы, которой необходим незаземленный (плавающий) источник сигнала. Таким источником может послужить все тот же фотодиод. При этом фотодиод может быть вынесен за пределы платы. Для еще большей минимизации помех, желательно использовать экранированный кабель, экран которого должен быть соединен с землей.
Влияние напряжения питания устройства
Интуитивно понятно, что при следящем питании для получения большого размаха сигнала лучше всего устанавливать напряжение питания операционного усилителя, VCO — VEO, около его максимального допустимого рабочего напряжения. Но чтобы явно показать, как напряжение питания устройства влияет на параметры, рассмотрим следующие конфигурации. Обе имеют системные питания ± 60 В и обе требуют усиления 10. Однако в одном случае питание устройства составляет 30 В, а в другом — 10 В (см. Таблицы 2 и 3 соответственно). Проектируя эти две схемы для получения желаемого напряжения питания устройства выбираем R1 и R2 используя уравнение 9. Затем выбираем RF и RG, чтобы получить максимально возможное усиление от VCM к VOUT и выполнить условия уравнений 14 и 15. Для этого примера предположим, что в обоих случаях запас по входу для усилителя составляет 1 В для каждой шины. Тогда уравнение 17 даёт нам отношение RIN/RB, которое приведёт к усилению 10 от VIN к VOUT, и расчёт двух схем завершён. Чтобы определить шумовое усиление каждой из них, используем значения компонентов в уравнении 21. Результаты этого упражнения показывают, что при уменьшении на треть напряжения питания устройства, выходная ошибка возрастает почти в четыре раза.
|
Таблица 2. Ключевые параметры для разработки конфигурации с 30 В устройством |
Таблица 3. Ключевые параметры для разработки конфигурации с 10 В устройством |
|||||||||||||||||||||||||||||||||||||||||||||
|
|
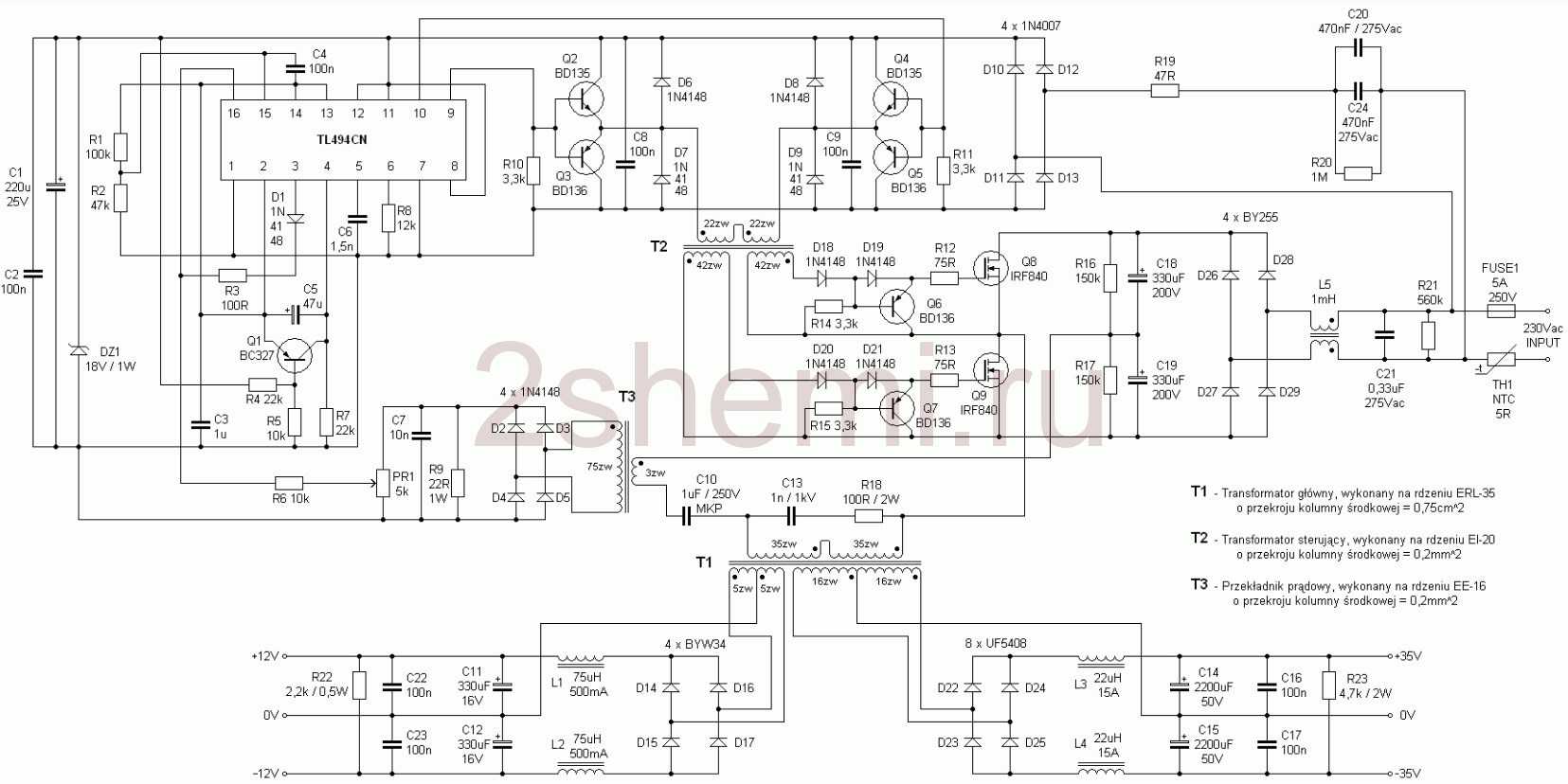
Импульсный БП для усилителя — схема

Преобразователь выполнен в соответствии с этой схемой. Размеры платы 150×100 мм.


Инвертор состоит из нескольких базовых модулей, присутствующих в большинстве похожих БП, таких как блок питания ATX. Предохранитель, термистор и сетевой фильтр, состоящий из C21, R21 и L5, идут к источнику питания переменного тока 220 В. Затем выпрямительный мост D26-D29, входные конденсаторы инвертора C18 и C19 и силовые транзисторы Q8 и Q9 для переключения напряжения на трансформаторе. Силовые транзисторы управляются с помощью дополнительного трансформатора T2 одним из самых популярных ШИМ-контроллеров — TL494 (KA7500). Трансформатор тока Т3 для измерения выходной мощности последовательно соединен с первичной обмоткой. Трансформатор T1 имеет две разделенные вторичные обмотки. Одна из них формирует напряжение 2×35 В, а другая 2×12 В. На каждой из обмоток есть фаст диоды D14-D17 и D22-D25, которые в общей сложности образуют 2 выпрямительных моста.
После нагрузки линии +/- 34 В резистором 14 Ом, напряжение падает до +/- 31 В. Это довольно хороший результат для такого небольшого ферритового сердечника. Через 5 минут диоды D22-D25, основной трансформатор и MOSFET нагревались до температуры порядка 50C, что вполне безопасно. После подключения двух каналов TDA7294 напряжение упало до +/- 30 В. Инверторные элементы нагревались подобно резистивной нагрузке. После экспериментов выходная цепь оснащена конденсаторами 2200uF и дросселями 22uH / 14A. Падение напряжения немного выше, чем в случае с 6.8uH, однако их использование явно уменьшает нагрев МОП-транзисторов.
Выходное напряжение под нагрузкой обоих выходов с лампочками мощностью 20 Вт:

Схема номер 2

В новой схеме также присутствует трёхвыводной эл. компонент (но это уже не транзистор) постоянный и переменный резисторы, светодиод со своим ограничителем. Добавлено только два электролитических конденсатора. Обычно на типовых схемах указаны минимальные значения C1 и C2 (С1=0,1 мкФ и С2=1 мкФ) которые необходимы для устойчивой работы стабилизатора. На практике значения емкостей составляют от десятков до сотен микрофарад. Ёмкости должны располагаться как можно ближе к микросхеме. При больших емкостях обязательно условие C1>>C2. Если ёмкость конденсатора на выходе будет превышать ёмкость конденсатора на входе, то возникает ситуация при которой выходное напряжение превышает входное, что приводит к порче микросхемы стабилизатора. Для её исключения устанавливают защитный диод VD1.

У этой схемы уже совсем другие возможности. Входное напряжение от 5 до 40 вольт, выходное 1,2 – 37 вольт. Да, имеется падение напряжения вход – выход равное примерно 3,5 вольтам, однако роз без шипов не бывает. Зато микросхема КР142ЕН12А именуемая линейным регулируемым стабилизатором напряжения имеет неплохую защиту по превышению тока нагрузки и кратковременную защиту от короткого замыкания на выходе. Её рабочая температура до + 70 градусов по Цельсию, работает с внешним делителем напряжения. Выходной ток нагрузки до 1 А при длительной работе и 1,5 А при непродолжительной. Максимально допустимая мощность при работе без теплоотвода 1 Вт, если микросхему установить на радиатор достаточного размера (100 см.кв.) то Р макс. = 10 Вт.
Защитные резисторы
Каждому радиолюбителю наверняка знаком запах горелого резистора. Это запах горящего лака, эпоксидной смолы и… денег. Между тем, дешёвый резистор может спасти ваш усилитель!
Автор при первом включении усилителя в цепях питания вместо предохранителей устанавливает низкоомные (47-100 Ом) резисторы, которые в несколько раз дешевле предохранителей. Это не раз спасало дорогие элементы усилителя от ошибок в монтаже, неправильно выставленного тока покоя (регулятор поставили на максимум вместо минимума), перепутанной полярности питания и так далее.
На фото показан усилитель, где монтажник перепутал транзисторы TIP3055 с TIP2955.
Транзисторы в итоге не пострадали. Все закончилось хорошо, но не для резисторов, и комнату проветривать пришлось.

























































