Вред люстры дома
В процессе работы ионизатор заряжает частицы пыли, и они начинают притягиваться к самому прибору или окружающим предметам. Это означает, что вокруг лампы скапливается пыль, которую надо регулярно вытирать (лучше всего проводить влажную уборку до и после использования). Если в помещении находится человек, пыль может попасть в его дыхательные пути. Кроме того, люстра Чижевского убивает бактерии, но не трогает вирусы — они в ионизированном воздухе, наоборот, распространяются быстрее.
Из-за люстры Чижевского в помещении оседает много пыли
Данное устройство — довольно сильный ионизатор, и, по мнению многих специалистов, такое количество отрицательных ионов всё-таки не очень хорошо сказывается на здоровье, например, становится причиной возникновения рака и роста опухолей.
Кроме того, считается, что любой ионизатор нанесёт лишь вред людям с такими проблемами со здоровьем:
- общее ослабление организма: болезни, диеты, сильные физические нагрузки;
- бронхиальная астма или похожее на неё состояние;
- нарушение работы сердца, в частности — развитие сердечной недостаточности I и II степени;
- спазмы сосудов и атеросклероз;
- озена.
Если у вас есть дети, то пользоваться лампой не запрещено, просто нужно особенно тщательно убираться после использования.
Так нужна ли эта люстра в квартире на самом деле? Специалисты считают, что униполярные (производящие только отрицательные частицы) ионизаторы лучше оставить для заводов и медицинских учреждений, так как очищение от них более жёсткое. Если вы озабочены чистотой воздуха в квартире, остановитесь на биполярном ионизаторе, атмосфера от него ближе к естественной. Но в целом острой необходимости в лампе нет, обычной семье (даже с детьми) достаточно проветриваний и регулярной уборки.
Люстра Чижевского своими руками
В данной статье будет рассмотрена простая конструкция ионизатора, которую можно собрать своими руками в домашних условиях.
Люстра Чижевского состоит из двух частей – собственно из самой люстры и схемы преобразователя высокого напряжения.
Люстра Чижевского представляет собой алюминиевый обруч имеющий диаметр до 1 метра. На него крепят обслуженные медные провода диаметром до 1 мм и с шагом 35 – 45 мм взаимно-перпендикулярно. Полученная сетка должна провисать на расстоянии 60 – 90 мм. На пересечении проводов припаиваются металлические иголки длинной до 40 мм.
Желательно что бы они были максимально острыми, так как от этого зависит эффективность работы всей конструкции. К обручу на равном расстоянии ( через каждые 120 гр.) необходимо прикрепить три медных провода диаметром до 1 мм., которые другими концами спаиваются вместе над обручем. К этой точке затем подсоединяется сам высоковольтный генератор.
Для эффективной работы люстры Чижевского, необходимо высоковольтное напряжение не менее 25кВ. Для помещения примерно в 50 кв. м необходимо порядка от 30кВ до 40кВ. Этого можно добиться путем добавления в схему ионизатора необходимое количество каскадов умножителя. Ниже приведена простая электрическая схема высоковольтного генератора для ионизатора, которая прошла почти тридцатипятилетнюю проверку и доказала свою эффективность.

Паяльная станция 2 в 1 с ЖК-дисплеем
Мощность: 800 Вт, температура: 100…480 градусов, поток возду…
Подробнее
Лечение болезней при помощи аэроионизации
Чижевский утверждал, что отрицательные аэроионы способны производить благотворное воздействие самого различного характера. Говорилось, что они могут уничтожать бактерии, выводить токсины, улучшая психическое состояние, очищать воздух. В 2013 году специалисты из Чикагского центра эпидемиологии, биостатистики и вычислительной биологии проанализировали 33 научных работы, изучавших лечение психических расстройств посредством ионизаторов воздуха.
Выяснилось, что эффекта они не оказывают почти никакого. В 1970-е было высказано предположение, что ионизация способна повлиять на выделение серотонина, но эксперименты на крысах опровергли его. Аналогично не было доказано и влияние ионизаторов на артериальное давление и общий обмен веществ.
Люстра Чижевского своими руками
Примерный результат
Умельцам-электротехникам можно попробовать сделать лампу Чижевского самостоятельно. Без навыков и знаний электротехники не стоит заниматься экспериментами самостоятельно. Для лампы, аналогичной первой разработке самого ученого, понадобятся:
- металлический обруч, диаметром менее 1 м;
- медная проволока;
- острые иглы;
- генератор.
На обруч намотать и закрепить провода в виде сетки на расстоянии 40-50 мм. В местах пересечения проволоки закрепить иголки. Надежно закрепить три провода к обручу одним концом, свободные концы скрепить друг с другом над обручем. Подключить генератор к конструкции.
Более подробно смотрите на видео:
Принцип действия и устройство ионизатора
В ионизаторе имеется открытый электрод. Этот электрод может быть оформлен самыми разными способами. У меня, например, это металлическая сосна. Но в любом случае электрод содержит много острых окончаний. Считается, что с заостренных кромок заряд стекает лучше.
На открытый электрод прибор подает высокое (30 — 45 кВ) напряжение отрицательной полярности. Более низкое напряжение показало свою неэффективность. От электрода отрицательные заряды стекают в воздух. Положительные заряды отводятся на заземление. Заземление может быть выполнено отдельным проводом. Но чаще всего заземление выполняется прямо на сетевой провод. Для такого высокого напряжения сетевой провод — все равно, что земля
Внимание!!! Если у люстры Чижевского предусмотрено заземление, например, сетевая вилка с заземлением или специальный вывод, то использовать ее без заземления нельзя. Она не будет правильно работать
Можно подключить заземление к трубе отопления.
Высокое напряжение на ионизаторе не опасно для человека и домашних животных, так как максимальная сила тока, которую дает прибор, не может причинить вреда. В случае случайного прикосновения к электроду, Вы получите чувствительный удар, не более того. Но использование прибора может быть опасным людям с кардиостимуляторами, так как высокое напряжение или удар даже небольшим током может сломать кардиостимулятор. Люди, страдающие сердечными заболеваниями в стадии обострения или начального восстановления тоже должны избегать любых ударов электрическим током, даже незначительных.
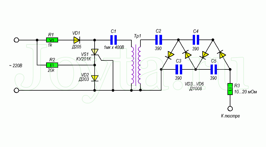
Как самостоятельно собрать ионизатор воздуха
Многие интернет-сайты предлагают разнообразные схемы и руководства по изготовлению простого ионизатора из подручных предметов. На самом деле с подобными самоделками вы не просто рискуете здоровьем, они могут нести опасность нанесения ожога или поражения электротоком. В нашем описании мы представляем для вас схему аппарата, который прошел тестирование на практике и выпускается серийно.
Для сборки ионизатора мы должны подготовить такие элементы конструкции: — металлический корпус – для этого можно взять старый компьютерный блок питания; — вентилятор – компьютерный кулер; — силовой трансформатор – на 220/18–20 В, повышающий – ТВС 90П4 или ТВС 90ПЦ10; к последнему добавляем две обмотки из провода ПЭВ-0,35 по 25 — витков в каждой; — стеклотекстолитовая плата, толщина: 2,5–3 мм; — провода для соединений, крепежные детали.
Помимо этого, нужно купить набор радиодеталей, список которых мы можем составить по изображению, на котором показана схема воздушного ионизатора:
Мы рекомендуем подбирать следующие радиодетали и их аналоги: — транзисторы – вместо КТ315, что на схеме, подойдут другие с аналогичной мощностью, КТ816Б являются взаимозаменяемыми с КТ646 с любой буквой; — стабилитроны – Д815 меняем на похожий со стабилизационным напряжением 15 В; варианты стабилитрона VD4 – КС512А, Д815Д; — готовые диодные мосты заменяем наборами из отдельных диодов; следим за тем, чтобы напряжение диодов составляло 400 В, а ток – минимум 0,5 А.
Сделанная своими руками модель ионизатора воздуха, которую мы рассматриваем, работает по следующему принципу. При помощи мультивибратора, который собран на транзисторах малой мощности КТ315 (V1,2), происходит генерирование начальных импульсов. Резистор R7 регулирует частоту этих импульсов в диапазоне 30–60 кГц. Затем с помощью транзисторов КТ816 (VT3,4) происходит усиление сгенерированных импульсов, которые после поступают на обмотки I и II повышающего трансформатора Т2. С обмотки III снимается напряжение около 2,5 кВ, и, проходя через умножитель, увеличивается до 15 кВ. Затем напряжение подается на рабочие электроды.
Для самостоятельного изготовления ионизирующих электродов берем многожильный медный провод, снимаем с него изоляцию, и изгибаем жилы во все стороны под прямым углом в виде зонтика. Устанавливаем этот зонтик на таком расстоянии от корпуса, при котором ионы будут вырабатываться в нужном количестве – это делается путем дополнительной настройки.
Чтобы сквозь электроды «зонта» постоянно проходил воздух, внутрь корпуса на штатное место нужно установить компьютерный вентилятор. Для его питания задействуется силовой трансформатор и выпрямительный блок со стабилизацией, соответственно схеме. Если мы правильно собрали ионизатор, используя рекомендованные детали, то он сразу будет работать.
Воздушный ионизатор изготовить своими силами весьма просто, при этом его можно установить не только у себя дома, но и в автомобиле. С этим устройством вы сможете лучше себя чувствовать и дышать свежим, чистым воздухом.
https://youtube.com/watch?v=8mOiTcvMDIQ
Источник
Как это работает
Люстра Чижевского является достаточно простым прибором. В его основе — электрод, который под влиянием напряжения может влиять на ускорение процессов по выработке электронов, заряжающих воздух.
Использовать люстру Чижевского очень просто: для этого необходимо предварительно проветрить комнату, где находится приспособление, после чего, закрыв все окна и двери, включить люстру на 15 минут.
В комнате, где происходит очищение воздуха, люди находиться не должны.
По истечении 15 минут можно зайти в комнату, выключить люстру и дышать чистым воздухом в течение получаса. Постепенно пребывание в ионизированной комнате следует увеличивать до 3 часов в сутки.
Необходимо также учитывать тот факт, что сквозняк может очень быстро унести воздух, заряженный ионами, поэтому на протяжении всего сеанса необходимо, чтобы двери и окна были плотно закрыты.
Терпеть головную боль не стоит: чтобы ваше самочувствие не ухудшилось, просто уменьшите время нахождения в комнате с ионизированным воздухом.
Особенности процесса ионизации воздуха
Чтобы разобраться, зачем нужна ионизация в комнатном увлажнителе воздуха и что это вообще такое, стоит изучить особенности процесса. Так, в природе ионизация осуществляется естественным путем. В природе процесс ионизации связан с мощными разрядами электричества (грозами), а также космическим излучением. Особенно остро она чувствуется в горах, на морском побережье, в хвойном лесу.
По сути, ионизация – это процесс выбивания отдельных электронов из молекул газов. По окончании реакции из двух нейтральных молекул получаются две заряженные (отрицательная и положительная).
Наряду с ионизаторами воздуха в продаже также есть универсальные приборы, к примеру, увлажнители воздуха, оснащенные ионизатором. Они способны обеспечить необходимую влажность, очистку воздуха в помещении.
Разбираясь, когда нужно использовать функцию ионизации в комнатном увлажнителе, учтите, что ионизированный воздух помогает предупредить развитие сердечно-сосудистых заболеваний. Благодаря избытку кислорода активизируются обменные процессы, укрепляются стенки сосудов, снижается вероятность образования тромбов.
Еще один важный плюс, который обеспечивает ионизация в домашнем увлажнителе, это осаждение пыли. Его сложно отследить визуально, однако, каждый понимает, что намного проще протереть пол и вытереть пыль с поверхности мебели, чем бороться с последствиями ее попадания в легкие.
В соответствии с информацией из открытых источников, увлажнители с функцией ионизации воздуха, обеспечат ряд несомненных плюсов:
- улучшение качества сна – здоровый, полноценный отдых существенно повышает общее качество жизни;
- ускорение метаболизма – позволяет превосходно выглядеть, облегчает протекание различных заболеваний, несколько облегчает симптомы;
- повышение работоспособности, концентрации внимания;
- оптимизация работы иммунной системы;
- полноценный отдых – позволяет повысить общее эмоциональное состояние, уровень жизненной энергии, что помогает в борьбе с депрессиями, неврозом.
При некоторых заболеваниях иногда рекомендуют проводить ионизацию воздуха в помещении.
Показания для использования функции ионизации
Воздух, содержащий большое количество отрицательных ионов, показан в перечисленных ниже случаях.
При бронхиальной астме у пользователя, спровоцированной аллергенами, воздух, наполненный частицами с отрицательным зарядом, позволяет отметить улучшение уже после первой ионизации.
В некоторых ситуациях лучший эффект обеспечивают положительно заряженные частицы. Серьезное улучшение отмечается после 12 процедуры ионизации.
При неврозах увеличение количества ионов в воздухе способствует общему улучшению состояния больного. Также отмечено повышение скорости заживления ран при высокой концентрации аэроионов.
Когда ионизация противопоказана?
Несмотря на множество несомненных плюсов, есть и противопоказания.
Медики не рекомендуют использовать функцию ионизации при наличии перечисленных ниже заболеваний:
- Ускорение обмена веществ может привести к обострению хронических заболеваний, вялотекущих инфекций. Не рекомендуется проводить ионизацию в комнате, где проживает больной онкологией.
- Ионизированный воздух может нанести вред больному с высокой температурой. Она может еще больше повыситься.
- Существует индивидуальная непереносимость большого количества аэроионов в воздухе, повышенная чувствительность к ним.
Используя дополнительные функции в увлажнителе, важно прислушиваться к своему самочувствию. Если в процессе эксплуатации прибора появляется головная боль, прочие неприятные ощущения, от ионизации лучше отказаться
Польза аэроионов для организма
Согласно данным из открытых источников, насыщенный аэроионами воздух полезен для человеческого организма сразу по нескольким причинам. Прежде всего он активизирует работу эритроцитов, повышая газообмен в легких. Это в свою очередь приводит к появлению других эффектов, среди которых:
- Улучшение качества сна. Он становится более глубоким и здоровым.
- Повышение концентрации внимания, улучшение общего самочувствия.
- Ускорение метаболизма, что позволяет облегчить течение заболеваний.
- Отрицательно заряженные ионы могут притягивать к себе вредные частицы, очищая воздух от пыли.
Однако, при ионизации воздуха в квартире следует опасаться и обратной стороны процесса. В частности, ионизированный воздух может навредить людям при простудных и вирусных заболеваниях, а также при высокой температуре. Ионизация противопоказана при онкологии и усложняет протекание бронхиальной астмы за счет дополнительной нагрузки на дыхательную систему. Стоит учитывать и индивидуальную непереносимость аэроионов. В конечном счете вышеперечисленные положительные эффекты от ионизации в домашних условиях наблюдаются спустя несколько месяцев, поэтому мгновенного результата ждать не стоит.

Инструкция по применению
Важно, как используется лампа Чижевского – польза от прибора обеспечивается только при соблюдении нескольких рекомендаций:
- Эффективно работают только приборы, в которых подается напряжение на электроды от 20 до 30 кВ. Если оно ниже минимума, то образование аэроионов будет намного ниже, чем требуется для насыщения воздуха. А если напряжение выше максимального значения, то периодически появляются искровые разряды, из-за которых образуется озон и другие вредные соединения.
- Не стоит использовать модели с защитным кожухом. Под ним также периодически пробивают искровые разряды, что нежелательно. Рабочая часть должна быть открытой, это обеспечит идеальные условия работы устройства.
- Высокое напряжение не создает опасности жизни и здоровью человека из-за небольшой силы тока. Но из-за особенностей работы на приборе всегда накапливается статический заряд, поэтому трогать включенный ионизатор не рекомендуется. Тем более нельзя одновременно браться за прибор и большую конструкцию из металла или другую бытовую технику.
- Не стоит включать прибор надолго. Если он раньше не использовался, то в первый день лучше дать ему поработать не больше четверти часа. Далее можно постепенно увеличивать время на 5-10 минут в день и довести его до 4 часов.
- При работе ионизатора не открывать окна или форточки, в комнате не допускаются сквозняки.
- Если при продолжительной работе прибора у человека начинается головокружение, то нужно выключить его и подбирать такой рабочий период, который не провоцирует проблем. Это похоже на эффект соснового леса, когда у многих жителей больших городов начинает кружиться голова из-за воздуха, насыщенного кислородом.
- Располагать прибор нужно на удалении от бытовой техники и больших металлических конструкций. Минимальный отступ – 150 см, но по возможности его стоит сделать больше.
Один из вариантов конструкции, устанавливаемый на потолке.
Разница между увлажнителями и ионизаторами
Многочисленные положительные отзывы о работе ионизатора влекут возникновения большого количества вопросов. Некоторые желающие приобрести себе в дом какой-либо прибор для улучшения качества воздуха не могут в точности определиться, а что лучше: ионизатор или увлажнитель воздуха?
В этом вопросе можно разобраться только с помощью мнения и советов специалистов и производителей. К примеру, можно обратиться к определению и предназначению каждого прибора в целом:
1.Увлажнитель воздуха – прибор, насыщающий воздух в помещении дополнительными водными микрочастицами, что способствует общему увеличению показателя влажности.
Подобное действие необходимо в отопительный сезон в квартире, а также летом в зной и жару.
2.Ионизатор воздуха – прибор, действие которого направлено на своеобразное очищение воздуха в помещении.
Благодаря заряду и выработке ионов воздух очищается от грязи, пыли, грибков и прочих бактерий.
В результате получается, что каждый прибор хорош по-своему, а главное, он предназначен для решения совершенно различных задач. Этот факт и приводит к возникновению трудностей в выборе между ионизатором и увлажнителем.
Чтобы избавить потенциальных покупателей от представленных сложностей, устройства – увлажнитель и ионизатор воздуха в одном. Благодаря своим функциям, он избавляет пользователей от большинства проблем.
Так, увлажнитель в первую очередь предназначен для непосредственного увлажнения микроклимата в помещении. Однако встроенные функции помогают справиться и с выработкой ионов. Происходит это путем попадания воды на пластину с электрическим зарядом и вибрацией с большой частотой.
Путем воздействия на водные частицы, расщепленные молекулы заряжаются и поступают в помещение с помощью работы вентилятора. Принцип действия больше напоминает выработку «холодного пара».
Инструкция по эксплуатации люстры Чижевского
Ионизатор
Российский ГОСТ регулирует параметры прибора. В частности, концентрация положительных аэроионов нормируется в диапазоне от 400 до 50000 ионов/см3, а отрицательных – от 600 до 5000 ионов/см3.
Регулируется и напряжение, поступающее на электрод. Оно должно составлять 20-30 кВ. При напряжении менее 20 кВ аэроионы не будут образовываться в достаточном количестве. А свыше 30 кВ могут возникнуть искровые разряды, которые приведут к появлению вредных соединений, например, озона. Кстати, искровые микроразряды могут возникать в люстрах с защитным кожухом. Поэтому не стоит использовать такие устройства.
Несмотря на высокое напряжение, люстра Чижевского безопасна для человека, так как ограничивается сила тока. Не стоит трогать включенный прибор – это приведет к статическому разряду. Крайне опасно трогать одновременно работающий ионизатор и большой металлический предмет (например, другую бытовую технику).
Время работы прибора постепенно увеличивают от 15 минут в день до 3-4 часов. В комнате не должно быть сквозняков.
Если при использовании наблюдается головокружение, то стоит снизить время работы. Такой эффект может наблюдаться у жителей крупных городов с загрязненным воздухом. Явление подобно прогулке в чистом сосновом бору – от чистого воздуха начнет кружиться голова.
Ионизатор должен располагаться на расстоянии свыше 1,5 м от электронных приборов и массивных металлических предметов.
Инструкция по использованию
Люстра Чижевского будет оказывать положительное влияние на организм только в том случае, если использовать правильно, строго по инструкции. Главное – запомнить, что как только вы принесли конструкцию в дом, необходимо правильно провести первый «сеанс», а также монтаж конструкции:
- Включить аппарат на 30 минут. Не более!
- Каждый день постепенно увеличивать длительность сеанса, пока его продолжительность не дойдет до 3-4-х часов в сутки.
Если вы живете в городе, и ранее никогда не пользовались ионизаторами воздуха, то после запуска лампы Чижевского можете почувствовать головную боль или даже тошноту. Если это произошло – не беспокойтесь, так как это нормальная реакция организма на непривычный воздух в помещении. Вам нужно лишь сократить сеансы, и увеличивать их с меньшим интервалом.
Немаловажно также и грамотно установить устройство:
- Потолки помещения должны иметь не менее 2,5 м. в высоту;
- Влажность воздуха в комнате должна держаться на уровне до 75%;
- В воздухе не должны находиться какие-либо химические вещества;
- Лампа должна располагаться на расстоянии минимум 2,5 м. от техники.
Ионизаторы воздуха
Бытовые ионизирующие устройства предназначаются для
домашнего использования. Как правило, такие устройства принято включать в
качестве дополнительной функции к увлажнителю либо очистителю воздуха.
Производительность таких «включенных» устройств довольно низка. Они по большому
счету просто дополняют благотворную климатическую картину помещения (в связи с
этим их характеристики не афишируются). Для эксплуатации в больших рабочих
помещениях такие приборы никак не приспособлены. Тут уже требуются такие
ионизаторы, которые создаются в виде отдельно стоящих приборов.
При выборе подобного устройства необходимо обратить внимание
на такие факторы, как:
-
концентрация ионов,
-
напряжение на излучение,
-
дополнительные опции,
-
дизайн,
-
цены.
Концентрация ионов
Данный параметр показывает число содержащихся ионов в
кубическом сантиметре воздуха в одном метре от ионизатора. Здесь вполне
достаточно пяти-двухсот тысяч ионов/см3. Более точное значение этого параметра
подбирают исходя из предполагаемого периода времени использования устройства.
Так, устройства с более высокой концентрацией активизируют на более короткий
период времени. Чтобы определить точный промежуток времени активизации
конкретной модели необходимо изучить инструкцию изготовителя.
Напряжение на излучателе
Данный параметр должен находиться в диапазоне от 20кВ до
30кВ. Если уровень напряжения не указан, значит, он составляет меньше 20кВ.
Подобные устройства лучше не приобретать, поскольку от них пользы будет очень
мало. Чтобы нормально генерировать ионы, уровень напряжения на излучателе должен
составлять более 20кВ. Однако показатели в 30кВ также следует обходить стороной,
поскольку в небольшом помещении такой прибор будет электроопасным.
Дополнительные функции
Корпус ионизирующего прибора может быть оснащен фильтрами,
которые избавляют воздух от мелких частиц пыли и неприятных запахов. Кроме того,
прибор дополнительно может быть оснащен электронным блоком, предполагающим смену
различных режимов работы, световой индикацией работы и пультом дистанционного
управления. Если говорить о вентиляторе в ионизаторе, то он здесь должен
присутствовать обязательно. В противном случае такие полезные ионы просто не
смогут достигнуть человека.
Средний уровень потребления мощности прибора составляет
обычно 5Вт-10Вт.
Дизайн

-
подвесные,
-
настольные (напольные) модели.
Подвесные модели крепят к потолку. Как правило, они обладают
довольно большими габаритами. Такие устройства не будут отнимать полезного
пространства. Вам лишь понадобится провести на потолок электропроводку и
закрепить в нем крючок для закрепления прибора.
Если говорить о настольных моделях, то они обычно имеют
небольшие габариты. Это позволят им легко вписаться в любой интерьер помещения.
Кроме того, к подобным моделям гораздо проще подвести электропитание. Но такие
ионизаторы синтезируют меньшую концентрацию ионов. Чтобы компенсировать этот
недостаток, следует установить несколько приборов в разных частях комнаты.
Потолочные устройства целесообразно устанавливать в тех
помещениях, где люди постоянно перемещаются. Если же человек большую часть
времени проводит в одной части помещения (к примеру, за рабочим столом либо на
кровати), тогда аэроионы лучше создавать локально, используя для этого напольные
модели ионизаторов.
Стоимость
Разброс цен на обычные настольные аппараты находится в
пределах 50$-100$ за изделие. Если вам нужна потолочная модель, то за нее
придется заплатить около 200$. Промышленные модели, предназначенные для
значительных площадей (около 200м2), обойдутся вам в 2000$. Аппараты для
автомобилей стоят от 30$ до 100$.
Как правильно пользоваться люстрой
Чтобы извлечь максимальную пользу от лампы Чижевского и нивелировать возможное вредное воздействие, необходимо придерживаться прилагаемой инструкции. Некоторые правила обязательны перед началом эксплуатации, другие имеют рекомендательный характер.
При размещении ионизирующего прибора в комнате следует заземлить все крупные металлические и электрические приборы (компьютер, телевизор). Бытовая техника вследствие накопления заряда может выйти из строя.
Расстояние от ионизатора Чижевского до электроприборов в идеале должно быть не менее 1,5 метров. Минимальное безопасное расстояние составляет 30 см.
Перед включением в помещении необходимо сделать влажную уборку, чтобы уменьшить количество пыли на поверхности предметов и в воздухе.
Чтобы уменьшить количество заряженных пылевидных частиц, следует включать прибор на непродолжительное время, как указано в инструкции
В этом случае легкие частицы воздуха, в том числе кислород, успеют получить «минус», в то время как тяжелые частицы пыли не успеют ионизироваться и останутся нейтральными.
Предварительно помещение следует проветрить, а во время работы люстры Чижевского важно не создавать сквозняков, так как в этом случае целебный воздух будет выветриваться. Нежелательно также находиться в комнате во время ионизации.
Не стоит держать излучатель рядом с аквариумом и лежанкой домашнего питомца (кошки или собаки)
Постоянное воздействие ионизированного потока может вызвать дискомфорт у животных.
ЛАМПА ЧИЖЕВСКОГО ИНСТРУКЦИЯ ПО ПРИМЕНЕНИЮ
Ионизатор очень прост в использовании, достаточно проветрить комнату и включить его на 15 минут. В это время рекомендуется выйти из помещения. Во время первого сеанса желательно провести под воздействием лампы не более 30 минут, постепенно время можно увеличивать, пока оно не достигнет 3-4 часов в день. Во время первой процедуры Вы можете заметить появление головной боли или головокружение, это состояние является нормой, так как часто появляется у жителей мегаполисов во время долгого пребывания на свежем воздухе, стоит просто немного уменьшить время сеанса
При эксплуатации важно следовать всем рекомендациям, описанным в инструкции к прибору. Он работает от сети, блок питания люстры Чижевского создает постоянное напряжение отрицательной полярности
Виды ионизаторов
Высокоэффективные приборы, которые управляются с помощью ПУ
Значение анионов для здоровья и жизни человека очень велико. Потому применение приборов, вырабатывающих отрицательно заряженные частицы, способных бороться с всевозможными вирусами, бактериями, плесенью, пылевыми клещами имеет колоссальное значение. Они делятся на 4 большие группы:
- Распространенная и многочисленная – бытовые приборы, которые используют в квартирах и домах. Различаются мощностью, формами, размерами. Кроме того, кроме ионизации, могут выполнять функции очищения, увлажнения.
- Менее распространенная – автоионизаторы. Имеют большое значение для поддержания нормального микроклимата в автомобиле. Снижают отрицательное воздействие на водителя выхлопных и угарных газов.
- Ионизатоы для обуви не только просушивают, избавляя от влаги, неприятного запаха, но и уничтожают болезнетворные бактерии.
- Ионизатор для холодильника. Это автономное устройство располагают в холодильной камере, где в течение нескольких месяцев оно призвано препятствовать возникновению неприятных запахов. Сроки хранения продуктов увеличиваются. Прибор работает от батареек.
Инструкция по эксплуатации люстры Чижевского
Ионизатор
Российский ГОСТ регулирует параметры прибора. В частности, концентрация положительных аэроионов нормируется в диапазоне от 400 до 50000 ионов/см3, а отрицательных – от 600 до 5000 ионов/см3.
Регулируется и напряжение, поступающее на электрод. Оно должно составлять 20-30 кВ. При напряжении менее 20 кВ аэроионы не будут образовываться в достаточном количестве. А свыше 30 кВ могут возникнуть искровые разряды, которые приведут к появлению вредных соединений, например, озона. Кстати, искровые микроразряды могут возникать в люстрах с защитным кожухом. Поэтому не стоит использовать такие устройства.
Несмотря на высокое напряжение, люстра Чижевского безопасна для человека, так как ограничивается сила тока. Не стоит трогать включенный прибор – это приведет к статическому разряду. Крайне опасно трогать одновременно работающий ионизатор и большой металлический предмет (например, другую бытовую технику).
Время работы прибора постепенно увеличивают от 15 минут в день до 3-4 часов. В комнате не должно быть сквозняков.
Если при использовании наблюдается головокружение, то стоит снизить время работы. Такой эффект может наблюдаться у жителей крупных городов с загрязненным воздухом. Явление подобно прогулке в чистом сосновом бору – от чистого воздуха начнет кружиться голова.
Ионизатор должен располагаться на расстоянии свыше 1,5 м от электронных приборов и массивных металлических предметов.
Вопросы
Как проверить конструкционную работоспособность?

Как проводить ионотерапию?
Следует запомнить, что люстра Чижевского, отзывы о которой часто свидетельствует о ее благотворном воздействии на человеческий организм, обязательно должна находиться на расстоянии не меньше 1.5 метра от человека. Сеансы следует провести в течение 45 минут максимум, и лучше всего проводить это перед сном, когда свежий и ионизированный воздух помогает снимать напряжение и зарядиться силами для дальнейшего рабочего дня. Еще помните о том, что спертый и душный и спертый воздух ионизировать бесполезно. Если в комнате только углекислый газ, то пользы от этого не будет никакой. Кстати, ионизатор можно эффективно применять в южных регионах, где огромной проблемой будет сильное запыление воздуха. В этом плане люстры, отзывы о которой это подтверждают, может осаждать пыль даже при низком уровне влажности.
Где можно ее использовать?
Впрочем, эти устройства можно с успехом применять в роли очистителя помещения от пыли в воздухе, которая будет просто осаждаться. В конце концов, это ионизатор воздуха, а не продвинутый очиститель. Для этой цели лучше всего применять простой кондиционер. Но запомните еще и то, что любые принципиальные конструкционные изменения, которая была предложена еще самим Чижевским, строго противопоказаны. Если вы не разбираетесь в физиологии и электротехники, то эксперименты приведут только к уменьшению коэффициента полезного действия устройства, а еще к выработке им малого количества ионов. Вы только понапрасну будете жечь электричество, и ровным счетом ничего не получите. В целом, люстра своими руками даст возможность сэкономить средства на дорогостоящем медицинском оборудовании, а еще сделать свою жизнь здоровее.
https://youtube.com/watch?v=t5QPro31WPs
https://youtube.com/watch?v=sdbwOeELWQ8


































































