Настройка и детали
Подстроечным резистором R5 можно подобрать нужную громкость_звучания.
Постоянные резисторы — МЛТ-0,125, подстроечный—СПЗ-1Б, конденсаторы С1—СЗ — К50-6. Логические микросхемы К155ЛАЗ можно заменить на КІЗЗЛАЗ, К158ЛАЗ, транзистор КТ603В — на,КТ608 с любым буквенным индексом. Источником питания служат четыре последовательно соединенных аккумулятора Д-0,1, батарея «3336Л или стабилизированный выпрямитель на 5 В.
Сирена используется для подачи мощного и сильного звукового сигнала для привлечения внимания людей и применяется в системах пожарной сигнализации и автоматики, а также в сочетании с устройствами сигнализации на различных охраняемых объектах.
Генераторы в схеме отмечены желтой рамкой. Первый Г1 задаёт частоту изменения тона, а второй Г2 собственно сам тон, который плавно меняется на транзисторе VT1 включенного последовательно ссопротивлением R2. Для выбора требуемого звучания можно вместо сопротивлений R1, R2 использовать подстроечные резисторы тех же значений.
При включение напряжения питания, звукоизлучатель начинает генерировать тональный акустический сигнал, высота тона меняется с высокого на низкий и обратно. Сигнал звучит непрерывно, изменяется только тон звука, который переключаются с частотой 3-4 Гц.
В схеме сирены применены два мультивибратора на элементах D1.1 и D1.2 микросхемы К561ЛН2, управляющий тоном, и мультивибратор на элементах D1.3 и D1.4 этой же микросхемы, генерирующий тональные сигналы. Частота импульсов, генерируемая первым мультивибратором на элементах D1.3 и D1.4 зависит от элементов C2, R2 и C3, R4. Изменять частоту следования импульсов, а значит и тона звукового сигнала можно как сопротивлениями, так и емкостями.
Предположим, в начальный момент на выходе мультивибратора на элементах D1.1 и D1.2 имеется уровень логической единицы. Так как на катоды диодов VD1 и VD2 поступает плюс, то диоды будут запертыми. Сопротивления R4 и R5, в работе схемы не участвуют и частота на выходе мультивибратора минимальна, звучит низкотональный сигнал.
Как только на выходе этих элементов установится логический ноль диоды VD1 и VD2 откроются и подсоединят сопротивления R4 и R5. В результатечастота навыходе мультивибратора возрастет.
Используемые в схеме транзисторы КТ815 можно заменить на КТ817, а КТ814на КТ816. Диоды — КД521, КД522, КД503, КД102.
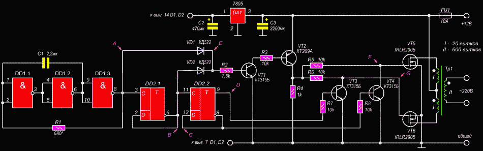
Следующее устройство может быть использовано в качестве аварийного сигнализатора или звукового сигнала для горного велосипеда. Оно представляет собой двухтональную сирену и состоит из тактового генератора на элементах DD1.1-DD1.3, двух тональных генераторов (первого на элементах DD2.1, DD2.2 и второго на элементах DD2.3, DD2.4), согласующего каскада с усилителем мощности на элементе DD1.4 и транзисторе VT1.
Схема состоит из двух генераторов. Первый используется для генерации тона, второй для изменения и модулирования.
Для максимального уровня громкости, необходимо, чтобы на пьезоэлемент поступала частота эквивалентная его резонансной частоте по мостовой схеме.
Основа конструкции мощный мультивибратор 4047, работающий в нестабильном режиме. Все это управляется мощным полевым MOSFET-транзистором VТ1, которым управляет таймер NE555, посредством генерации соответствующих прямоугольных импульсов низкой частоты, в результате чего осуществляется пожарной сирены. Переключение режимов работы непрерывно или прерывисто устанавливается с помощью тумблера.

Выводы 10 и 11 микросборки 4047 выдают противофазные, сигналы с которых управляют мостом на четырех MOSFET. Для получения максимальной громкости, то есть установки резонансной частоту пьезоэлемента, в конструкцию добавлен подстроечное сопротивление R6.
Эта схема составлена из сочетания музыкального синтезатора на микросхеме УМС-8-08 с мощным выходным каскадом электронной сирены. Для запуска схемы применено реле, обмотка которого имеет гальваническую развязку от остальной части схемы.
Микросхема УМС имеет стандартную схему подключения. Три кнопочных выключателя S1-S3 дают возможность настроить микросхему на исполнение одной из мелодий. При нажатии на первую кнопку начинается воспроизведение мелодии, а нажимая на третью можно перебрать мелодии и выбрать нужную.
Подборка нескольких схем сирен на микроконтроллерах PIC
Данная схема представляет собой простую многотональную сирену на основе микросборки UM3561
В схеме использован динамик на 8 Ом, мощностью 0,5 Вт. С помощью двух переключателей осуществляется выбор и воспроизведения различных тонов звучания тревожного сигнала. Каждая позиция генерирует свой собственный звуковой эффект.
Применение шаговых двигателей. Простые схемы
Шаговые двигателя в настоящее время широко применяются в качестве приводов в принтерах, сканерах, DVD-проигрывателях и многих других . В случае выхода из строя такого прибора, из него можно извлечь некоторые полезные узлы и, если они работоспособны, использовать по другому подходящему назначению. Статья предназначена для любителей делать что-нибудь своими руками и не претендует на оригинальность, но содержит некоторые сведения, которые могут быть полезны.
Во-первых, все эти приборы имеют в своём составе блок питания, как правило — импульсный, на несколько напряжений. В основном это выходы с постоянными напряжениями +5, +12 и +24 … 36 вольт с токами до 2 … 3 ампер. Такие блоки питания можно использовать, например, для зарядных устройств, питания светодиодных лент или электроинструмента небольшой мощности. Но в данной статье будут даны примеры использования шаговых двигателей из подобных аппаратов.
Для питания и управления шаговым двигателем, конечно, требуется специальная схема-драйвер, это обеспечит его полную функциональность. Но если вам нужен «просто двигатель» без управления частотой вращения и шагом поворота вала, то вполне можно обойтись простейшей схемой питания с применением конденсатора:
— эта схема предполагает использование двигателей с двумя обмотками и отводами от их середины (всего 6 проводов). Обмотка 1 имеет выводы красного и белого цвета, обмотка 2 — синего и жёлтого. Средние выводы (коричневого цвета) здесь не используются. В зависимости от напряжения питания и мощности двигателя может потребоваться подбор элементов С* и R*.
При использовании такой схемы нельзя будет менять частоту (скорость) вращения, но можно менять его направление — при помощи переключателя S1. Вместо трансформатора и выпрямительного моста в схеме можно использовать как раз «родной» блок питания, который стоял в аппаратуре, где использовался этот двигатель.
Другой вариант использования шагового двигателя — в качестве генератора. При вращении вала такого двигателя на его обмотках наводится напряжение, которое можно использовать, например, для питания низковольтной лампы или светодиодов. В интернете можно найти множество схем-вариантов автономных фонариков с использованием шагового двигателя в качестве генератора энергии. Ниже приводятся их простейшие примеры :
При использовании ламп вместо светодиодов (маломощных на 3 . 12 вольт) их можно подключать к обмоткам напрямую, без использования выпрямителей.
Для увеличения мощности такого фонарика можно использовать все имеющиеся в нём обмотки, используя суммирование их мощностей на выходе (параллельное включение):
Конденсатор на выходе служит для сглаживания колебаний напряжения при неравномерной скорости вращения вала двигателя. Также на выходе можно включить аккумулятор (например от сотового телефона), который будет подзаряжаться при вращении вала двигателя . А вращать вал можно любым удобным и подходящим способом — с помощью надетого на него шкива с ручкой, привода от ветряной или гидро-«вертушки» и т. д…
В статье приведён минимум необходимой информации и простейшие примеры. Более сложные схемы включения с реализацией всех возможностей шаговых двигателей ( с возможностью полноценного управления) можно найти на специализированных сайтах в интернете или справочной литературе.
Благодарю за уделённое время.
Прошу поставить «палец-вверх», если статья была полезна
Описание работы одновибратора на логических элементах
Одновибратор состоит из двух логических элементов микросхемы К155ЛА3: первый из них применен в роли 2И-НЕ элемента, второй подключен как инвертор. Подача входного сигнала осуществляется посредством кнопки SA1. Кнопка в данной схеме применяется только в качестве имитации входного сигнала. В действующих же устройствах на данный вход обычно поступает сигнал с каких-либо узлов схемы.
Для наглядности работы одновибратора, к его выходу можно подключить светодиод через токоограничивающий резистор. Чтобы видеть свечение светодиода, нужно чтобы выходной импульс был достаточно продолжительный, поэтому выберем конденсатор емкостью 500 мкф.
Подадим питание и замерим стрелочным вольтметром напряжение на выводах логических элементов DD1.1 и DD1.2 микросхемы К155ЛА3. На выходе логического элемента DD1.1 микросхемы К155ЛА3 должен быть логический ноль (не более 0,4 вольта) и единица (более 2,4 вольта) на его входе 2. Так же на выходе 6 логического элемента DD1.2 будет единица и соответственно единица на выводе 1 на DD1.1.
Одновременно с этим процессом загорится и светодиод, подсказывая нам, что на выходе одновибратора появился одиночный импульс высокого уровня. Если параллельно конденсатору С1 подключить конденсатор такой же емкости, то мы заметим, что продолжительность импульса возросла вдвое. Так же изменяя сопротивление резистора R1 можно добиться изменения длительности импульса.
Подведем итог: Чем выше емкость конденсатора C1 и сопротивление R1, тем продолжительнее выходной импульс вырабатываемый одновибратором на К155ЛА3.
В данной схеме одновибратора сопротивление R1 и емкость Cl представляют собой времязадающую RC цепь. При малых значениях C1 и R1 длительность импульса будет настолько короткой, что визуально обнаружить его с помощью вольтметра или светодиода не реально. В этом случае наличие импульса можно зафиксировать с помощью осциллографа или логического пробника.
В ждущем состоянии вывод 2 микросхемы К155ЛА3 никуда не подсоединен, поскольку контакты SA1 еще незамкнуты. По сути, на входе находится единица. Зачастую вход в таком случае соединяют с плюсом питания через сопротивление 1 кОм.
Из-за подключенного сопротивления R1, на входе логического элемента DD1.2 находится лог. 0, а на его выходе лог. 1. Поскольку на обоих выводах конденсатора лог. 0, он полностью разряжен.
В момент нажатия SA1, на вход 2 логического элемента DD1.1 поступает электрический сигнал низкого уровня. Поэтому на выводе 3 логического элемента DD1.1 единица. Положительный фронт через C1 подается на вход DD1.2. Соответственно с выхода его логический 0 поступит на вход DD1.1 и он будет присутствовать там даже после отпускания кнопки.
Одновременно через резистор происходит заряд конденсатора. И по окончании заряда напряжение на резисторе упадет и это переведет выход элемента DD1.2 в лог. 1. Одновибратор вернется в исходное состояние — в ждущий режим.
Следует заметить, то входной сигнал (нажатие кнопки) должен быть меньше по продолжительности, чем выходной иначе выходных импульсов не будет.
Источник
(К)1ЛБ551, 1ЛБ551А, К155ЛА1
|
Вполне обычные микросхемы (два элемента 4И-НЕ); паспорт Самая ранняя дата выпуска микросхем этой серии, известная мне на сегодня — октябрь 1969 года. Эти выпуски еще могли разбраковываться по быстродействию/нагрузочной способности, |
а вот эта микросхема интересна тем, что на лицевой |
Управление шаговым двигателем с реверсом на микросхемах серии к155.
С помощью простого устройства выполненного на микросхемах серии к155,можно управлять или проверять униполярный шаговый двигатель,изменять его частоту вращения с функцией реверса.
На микросхеме к155ла3 выполнен генератор,частоту которого можно изменять переменным резистором и соответственно обороты двигателя.Сигнал с буферного каскада на DD2.4 поступает на вход микросхемы к155тм2. На ней реализован кольцевой двухразрядный счетчик,который вырабатывает четыре сигнала сдвинутые по фазе для управления шаговым двигателем.Эти сигналы поступают на транзисторные ключи,которые реализованы на микросхеме к1109кт23,ее полный аналог ULN2003.Эти ключи коммутируют обмотки двигателя.На микросхеме к155лп5 собран инвертор счетчика,который при нажатии кнопки SA1 изменяет направление вращения двигателя(вправо-влево).
Шаговый двигатель применил из старого флоппи дисковода.Желтый вывод подключен к плюсу питания,остальные четыре к выходам ключей.
При емкости конденсатора С1 470мкФ,двигатель будет вращаться медленно небольшими шагами.При емкости в 10мкФ,вращение будет уже быстрее.
На фото представлены осциллограммы сигнала с различных точек.Если нет осциллографа,эти сигналы можно услышать динамиком.Один вывод динамика подключен к плюсу питания,а другой через электролитический конденсатор подключают к точкам.Из динамика будет слышен сигнал с определенной частотой и мощностью звука.
По фото видно,что сигнал с генератора частотой 409.8 Гц счетчик поделил на четыре.Теперь частота каждого из четырех сигналов с выхода счетчика составляет 102.4 Гц
Схема гератора прямоугольных импульсов на К155ЛА3.
Очень легко собирается на К155ЛА3 генератор прямоугольных импульсов. Для этого можно использовать любые два ее
элемента. Схема может выглядеть вот так.
Импульсы снимаются между 6 и 7(минус питания) выводами микросхемы.
Для этого генератора частоту(f) в герцах можно расчитать по формуле f= 1/2(R1 *C1).
Значения подставляются в Омах и Фарадах.
Использование каких — либо материалов этой страницы,
допускается при наличии ссылки на сайт
Главная особенность этой схемы радиожука
так это то что в ней в качестве генератора несущей частоты применена цифровая микросхема К155ЛА3
.
Схема состоит из простого микрофонного усилителя на транзисторе КТ135 (можно в принципе любой импортный с похожими параметрами. Да, кстати, у нас на сайте программа справочник имеется по транзисторам! Причем совершенно бесплатная! Если кому интересно, то подробности ), далее идет модулятор-генератор собранный по схеме логического мультивибратора , ну, и сама антенна- кусок провода скрученный в спираль для компактности.
Интересная особенность данной схемы: в модуляторе (мультивибраторе на логической микросхеме) отсутствует частотозадающий конденсатор. Вся особенность в том что элементы микросхемы имеют свою собственную задержку срабатывания которая и является частотозадающей. При введении конденсатора мы потеряем максимальную частоту генерации (а при напряжении питания 5V она будет порядка 100 мГц).Однако здесь есть интересный минус: по мере разряда батареи частота модулятора будет снижаться: расплата, так сказать, за простоту.Но зато есть и существенный «плюс»- в схеме нет ни одной катушки!
Дальность работы передатчика может быть по-разному, но по отзывам до 50 метров он работает стабильно.Рабочая частота в районе 88…100 мГц, так что подойдет любое радиоприемное устройство работающее в FM диапазоне- китайский радиоприемник, автомагнитола, мобильный телефон и даже китайский радиосканер.
Напоследок: рассуждая логически, для компактности вместо микросхемы К155ЛА3 можно было-бы установить микросхему К133ЛА3 в SMD корпусе, но какой будет результат сказать сложно пока не попробуешь… Так что если есть желающие по-экспериментировать- можете сообщить об этом у нас на ФОРУМЕ , будет интересно узнать что из этого вышло…
Микросхема К155ЛА3
является, по сути, базовым элементом 155-ой серии интегральных микросхем. Внешне по исполнению она выполнена в 14 выводном DIP корпусе, на внешней стороне которого выполнена маркировка и ключ, позволяющий определить начало нумерации выводов (при виде сверху — от точки и против часовой стрелки).
В функциональной структуре микросхемы К155ЛА3 имеется 4 самостоятельных логических элементов . Одно лишь их объединяет, а это линии питания (общий вывод — 7, вывод 14 – положительный полюс питания) Как правило, контакты питания микросхем не изображаются на принципиальных схемах.
Каждый отдельный 2И-НЕ элемент микросхемы К155ЛА3
на схеме обозначают DD1.1, DD1.2, DD1.3, DD1.4. По правую сторону элементов находятся выходы, по левую сторону входы. Аналогом отечественной микросхемы К155ЛА3 является зарубежная микросхема SN7400, а все серия К155 аналогична зарубежной SN74.
Параметры К155ЛА3.
1 Номинальное напряжение питания 5 В
2 Выходное напряжение низкого уровня не более 0,4 В
3 Выходное напряжение высокого уровня не менее 2,4 В
4 Входной ток низкого уровня не более -1,6 мА
5 Входной ток высокого уровня не более 0,04 мА
6 Входной пробивной ток не более 1 мА
7 Ток короткого замыкания -18…-55 мА
8 Ток потребления при низком уровне выходного напряжения не более 22 мА
9 Ток потребления при высоком уровне выходного напряжения не более 8 мА
10 Потребляемая статическая мощность на один логический элемент не более 19,7 мВт
11 Время задержки распространения при включении не более 15 нс
12 Время задержки распространения при выключении не более 22 нс
Самая простая (и популярная) схема «цветомузыки» на тиристорах КУ202Н.
Это самая простая и пожалуй, самая популярная схема цветомузыкальной приставки, на тиристорах. Тридцать лет назад я впервые
увидел вблизи полноценную, работающую «светомузыку». Ее собрал мой однокласник, с помощью старшего брата. Это была именно эта схема.
Несомненным ее достоинством является простота, при достаточно явном разделение режимов работы всех трех каналов. Лампы не мигают одновременно,
красный канал низких частот устойчиво моргает в ритм с ударными, средний — зеленый откликается в диапазоне человеческого голоса, высокочастотный синий реагирует на все остальное
тонкое — звенящее и пищащее.
Недостаток один —
необходим предварительный усилитель мощности на 1-2 ватта. Моему товарищу приходилось почти «на полную» врубать свою «Электронику»
для того, что бы добиться достаточно устойчивой работы устройства.
В качестве входного трансформатора был использован понижающий тр-р от радиоточки. Вместо него можно использовать любой малогабаритный понижающий сетевой транс.
Например, с 220 до 12 вольт. Только подключать его нужно наоборот — низковольтной обмоткой на вход усилителя.
Резисторы любые, мощностью от 0,5 ватт. Конденсаторы тоже любые, вместо тиристоров КУ202Н можно взять КУ202М.
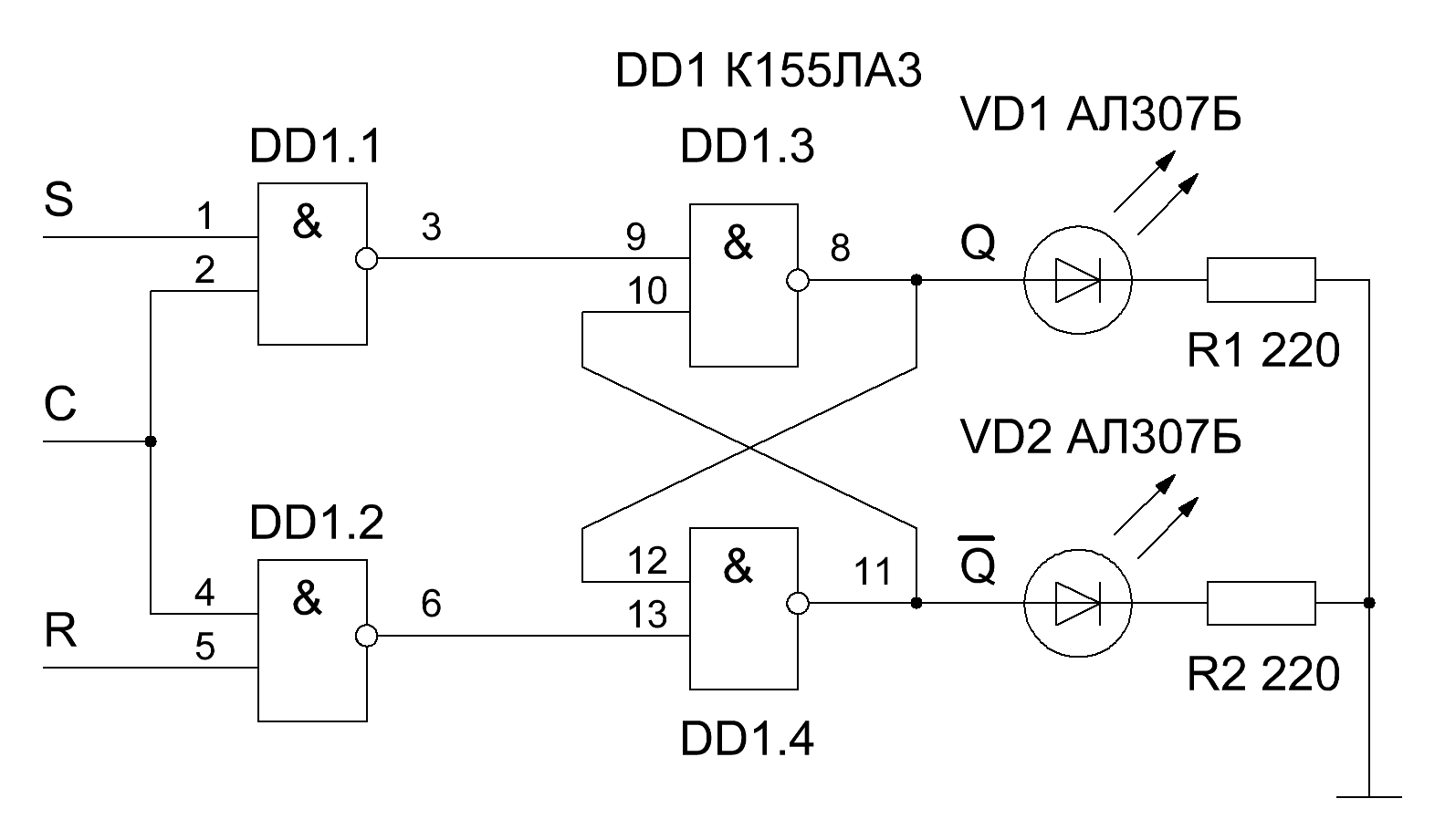
Синхронный RS-триггер
Схема асинхронного RS-триггера проста, но за это приходится заплатить целым рядом недостатков: наличие запрещенного состояния, установка 0 и 1 по отдельным линиям отсутствие синхронизации, низкая помехоустойчивость. Эти недостатки частично устраняются в синхронном RS-триггере, который представляет собой асинхронный RS-триггер к которому добавлена схема синхронизации.

В целом работа данного триггера аналогична, с той поправкой, что при наличии на входе синхронизации низкого логического уровня триггер хранит предыдущее состояние, не реагируя на сигналы по входным линиям, т.е. в этот момент он как минимум гораздо более помехоустойчив.
Опыты с микросхемой К155ЛА3
На макетную плату установите микросхему К155ЛА3 к выводам подсоедините питание (7 вывод минус, 14 вывод плюс 5 вольт). Для выполнения замеров лучше применить стрелочный вольтметр, имеющий сопротивление более 10 кОм на вольт. Спросите, почему нужно использовать стрелочный? Потому, что, по движению стрелки, можно определить наличие низкочастотных импульсов.
После подачи напряжения, измерьте напряжение на всех ножках К155ЛА3. При исправной микросхеме напряжение на выходных ножках (3, 6, 8 и 11) должно быть около 0,3 вольт, а на выводах (1, 2, 4, 5, 9, 10, 12, и 13) в районе 1,4 В.
Для исследования функционирования логического элемента 2И-НЕ микросхемы К155ЛА3 возьмем первый элемент. Как было сказано выше, его входом служат выводы 1 и 2, а выходом является 3. Сигналом логической 1 будет служить плюс источника питания через токоограничивающий резистор 1,5 кОм, а логическим 0 будем брать с минуса питания.
Опыт первый (рис.1):
Подадим на ножку 2 логический 0 (соединим ее с минусом питания), а на ножку 1 логическую единицу (плюс питания через резистор 1,5 кОм). Замерим напряжение на выходе 3, оно должно быть около 3,5 В (напряжение лог. 1)
Вывод первый
: Если на одном из входов лог.0, а на другом лог.1, то на выходе К155ЛА3 обязательно будет лог.1
Опыт второй (рис.2):
Теперь подадим лог.1 на оба входа 1 и 2 и дополнительно к одному из входов (пусть будет 2) подключим перемычку, второй конец которой будет соединен с минусом питания. Подадим питание на схему и замерим напряжение на выходе.
Оно должно быть равно лог.1. Теперь уберем перемычку, и стрелка вольтметра укажет напряжение не более 0,4 вольта, что соответствует уровню лог. 0. Устанавливая и убирая перемычку можно наблюдать как «прыгает» стрелка вольтметра указывая на изменения сигнала на выходе микросхемы К155ЛА3.
Вывод второй:
Сигнал лог. 0 на выходе элемента 2И-НЕ будет только в том случае, если на обоих его входах будет уровень лог.1
Следует отметить, что неподключенные входы элемента 2И-НЕ («висят в воздухе»), приводит к появлению низкого логического уровня на входе К155ЛА3.
Опыт третий (рис.3):
Если соединить оба входа 1 и 2, то из элемента 2И-НЕ получится логический элемент НЕ (инвертор). Подавая на вход лог.0 на выходе будет лог.1 и наоборот.
У каждого настоящего радиолюбителя имеется микросхема К155ЛА3. Но
обычно их считают сильно устаревшими и не могут найти им серьезного использования, так как во многих
радиолюбительских сайтах и журналах обычно описаны только схемы мигалок, игрушек. В рамках этой статьи постараемся расширить радиолюбительский кругозор в рамках применения схем с использованием микросхемы К155ЛА3.
Эту схему можно использовать для зарядки мобильного телефона от прикуривателя бортовой сети автомобиля.
На вход радиолюбительской конструкции можно подавать до 23 Вольт. Вместо устаревшего транзистора П213 можно использовать более современный аналог КТ814.
Вместо диодов Д9 можно применить д18, д10. Тумблеры SA1 и SA2 используются для проверки транзисторов с прямой и обратной проводимостью.
Для того чтобы исключить перегрев фар можно установить реле времени, которое будет выключать стоп-сигналы если они горят более 40-60 секунд, время можно изменить подбором конденсатора и резистора. При отпускании и следующем нажатии педали фонари снова включаются, так что на
безопасность вождения это никак не влияет
Для повышения КПД преобразователя напряжения и предотвращения сильного перегрева, в выходном
каскаде схемы инвертора применены полевые транзисторы с низким сопротивлением

Сирена используется для подачи мощного и сильного звукового сигнала для привлечения внимания людей и эффективно защищает ваш оставленный и пристегнутый на короткое время байк.
Если вы хозяин дачи, виноградника или домика в деревне, то вы знаете, какой огромный ущерб могут создать мыши, крысы и другие грызуны, и какой затратной неэффективной, а иногда и опасной является борьба с
грызунами стандартными способами
Почти все радиолюбительские самоделки и конструкции имеют в своем составе стабилизированный источник питания. А если ваша схема работает от напряжения питания 5 вольт, то лучшим вариантом будет использование трехвыводного интегрального стабилизатора 78L05
Кроме микросхемы в имеется яркий светодиод и несколько компонентов обвязки. После сборки устройство начинает работать сразу. Регулировка не требуется, кроме подстройки длительности вспышек.
Напомним, что конденсатор C1 номиналом 470 микрофарад впаиваем в схему строго с соблюдением полярности.
С помощью номинала сопротивления резистора R1 можно изменять длительность вспышки светодиода.
Исследование работы мультивибратора на К155ЛА3
Для изучения выходных сигналов желательно использовать логический пробник или стрелочный вольтметр. При тех номиналах, которые указаны на схеме, частота импульсов составит около 30 раз в минуту или примерно 0,5 Гц.
Следовательно, стрелка вольтметра, подсоединенного, к примеру, к выходу DD1.2 К155ЛА3, будет двигаться от 0 и почти до 5 вольт. Если подсоединить вольтметр к выходу DD1.1 К155ЛА3 можно увидеть точно такую же картину. Поэтому данный вид мультивибратора назван симметричным.
Теперь если к каждому конденсатору параллельно подключить еще по одному такому же, то можно заметить, что частота колебаний стрелка вольтметра снизилась примерно в 2 раза. Если теперь заменить первоначальные конденсаторы конденсаторами по 200 мкф, то сразу будет заметно увеличение частоты колебаний.
А что выйдет, если поменять емкость всего лишь одного конденсатора? К примеру, один конденсатор заменим на 100 мкф, а другой оставим как есть 500 мкф. Частота заметно возрастет, но еще плюс ко всему изменится отношение паузы и импульсов. Уменьшив емкость до 1…5 мкф, схема будет вырабатывать звуковую частоту в районе 500…1000 Гц.
Если один из постоянных резисторов убрать и на его место поставить переменный, то изменяя его сопротивление можно в небольшом диапазоне изменять частоту работы мультивибратора.
Но, бывает, что мультивибратор функционирует нестабильно или вообще не запускается. А все дело в том, что эмиттерный вход микросхем К155ЛА3 достаточно зависим от сопротивления резисторов, находящихся в его цепи. Эта специфика эмиттерного входа микросхемы К155ЛА3 состоит в следующем. Резистор на входе включен как составная часть одного из плеч мультивибратора. Из-за тока эмиттера на данном резисторе появляется напряжение, которое запирает транзистор.
Если же сопротивление данного резистора будет в диапазоне 2…2,5 кОм, то падение напряжения на нем окажется значительным, и это приведет к тому, что транзистор элементарно перестанет обрабатывать входной сигнал. И наоборот, если установить сопротивление в диапазоне 500…700 Ом, то транзистор окажется постоянно в открытом состоянии.
Цифровой мультиметр AN8009
Большой ЖК-дисплей с подсветкой, 9999 отсчетов, измерение TrueRMS…
Подробнее
В связи с этим, сопротивление данных резисторов следует подбирать в диапазоне 800…2200 Ом. Только так возможно достичь стабильной работы мультивибратора на К155ЛА3, построенный по данной схеме. Так же на работу данного мультивибратора действуют такие моменты, как нестабильность питания, температура. От того мультивибратор на К155ЛА3, построенный по такой схеме фактически используется крайне редко.
Простой металлоискатель
Металлоискатель, схема которого приведена на рисунке, можно собрать всего за несколько минут. Он состоит из двух практически идентичных LC-генераторов, выполненных на элементах DD1.1-DD1.4, детектора по схеме удвоения выпрямленного напряжения на диодах VD1. VD2 и высокоомных (2 кОм) головных телефонов BF1 изменение тональности звучания которых и свидетельствует о наличии под катушкой-антенной металлического предмета.
Генератор, собранный на элементах DD1.1 и DD1.2, само возбуждается на частоте резонанса последовательного колебательного контура L1C1, настроенного на частоту 465 кГц (использованы элементы фильтра ПЧ супергетеродинного приемника). Частота второго генератора (DD1.3, DD1.4) определяется индуктивностью катушки-антенны 12 (30 витков провода ПЭЛ 0,4 на оправке диаметром 200 мм) и емкостью конденсатора переменной емкости С2. позволяющего перед поиском настроить металлоискатель на обнаружение предметов определенной массы.
Биения, возникшие в результате смешения колебаний обоих генераторов, детектируются диодами VD1, VD2. фильтруются конденсатором С5 и поступают на головные телефоны BF1.
Все устройство собрано на небольшой печатной плате, что позволяет при питании от плоской батареи для карманного фонаря сделать его очень компактным и удобным в обращении
Janeczek A Prosty wykrywacz melali. — Radioelektromk, 1984, № 9 стр. 5.
Примечание редакции. При повторении металлоискателя можно использовать микросхему К155ЛA3, любые высокочастотные германиевые диоды н КПЕ от радиоприемника «Альпинист».
Эта же схема более подробно рассмотрена в сборнике Адаменко М.В. «Металлоискатели» М.2006 (Скачать). Далее статья из этой книги
Асинхронный RS-триггер
Самый простой тип триггера, который является основой для сборки остальных триггеров в данной лабораторной работе. Он собирается на паре логических элементов И-НЕ, хотя аналогично можно использовать ИЛИ-НЕ

Как видно на электрической принципиальной схеме данное электронное устройство обладает симметрией. Если поменять местами входы S и R, одновременно с выходами Q и Q1, то по сути мы получим туже самую схему. Таким образом то где у триггера прямой выход, а где инверсный это по сути вопрос договора.
Для практической реализации схемы используются самодельные модули для изучения микросхем. При подаче питания триггер устанавливается в случайное состояние.
Используя данное устройство можно проследить за выполнением таблицы истинности асинхронного RS-триггер.
Таблица истинности асинхронного RS-триггера

В частности, можно увидеть, что данный триггер переключается просто от прикосновения к проводам и пронаблюдать запрещенное состояние.
Одновибратор на логических элементах К155ЛА3
Одновибратором именуют генератор, вырабатывающий одиночные электрические импульсы. Алгоритм работы одновибратора таков: при поступлении на вход одновибратора электрического сигнала, схема выдает на выходе короткий импульс, продолжительность которого определяется номиналами RC цепи.
После окончания формирования выходного импульса, одновибратор вновь возвращается в свое первоначальное состояние, и процесс повторяется при поступлении нового сигнала на его входе. Поэтому данный одновибратор еще именуют ждущим мультивибратором.
На практике применяется множество разновидностей одновибраторов, таких как одновибратор на транзисторах, операционных усилителях и одновибратор на логических элементах.
Опыты с микросхемой К155ЛА3
На макетную плату установите микросхему К155ЛА3 к выводам подсоедините питание (7 вывод минус, 14 вывод плюс 5 вольт). Для выполнения замеров лучше применить стрелочный вольтметр, имеющий сопротивление более 10 кОм на вольт. Спросите, почему нужно использовать стрелочный? Потому, что, по движению стрелки, можно определить наличие низкочастотных импульсов.
После подачи напряжения, измерьте напряжение на всех ножках К155ЛА3. При исправной микросхеме напряжение на выходных ножках (3, 6, 8 и 11) должно быть около 0,3 вольт, а на выводах (1, 2, 4, 5, 9, 10, 12, и 13) в районе 1,4 В.
Для исследования функционирования логического элемента 2И-НЕ микросхемы К155ЛА3 возьмем первый элемент. Как было сказано выше, его входом служат выводы 1 и 2, а выходом является 3. Сигналом логической 1 будет служить плюс источника питания через токоограничивающий резистор 1,5 кОм, а логическим 0 будем брать с минуса питания.
Опыт первый (рис.1):
Подадим на ножку 2 логический 0 (соединим ее с минусом питания), а на ножку 1 логическую единицу (плюс питания через резистор 1,5 кОм). Замерим напряжение на выходе 3, оно должно быть около 3,5 В (напряжение лог. 1)
Вывод первый
: Если на одном из входов лог.0, а на другом лог.1, то на выходе К155ЛА3 обязательно будет лог.1
Опыт второй (рис.2):
Теперь подадим лог.1 на оба входа 1 и 2 и дополнительно к одному из входов (пусть будет 2) подключим перемычку, второй конец которой будет соединен с минусом питания. Подадим питание на схему и замерим напряжение на выходе.
Оно должно быть равно лог.1. Теперь уберем перемычку, и стрелка вольтметра укажет напряжение не более 0,4 вольта, что соответствует уровню лог. 0. Устанавливая и убирая перемычку можно наблюдать как «прыгает» стрелка вольтметра указывая на изменения сигнала на выходе микросхемы К155ЛА3.
Вывод второй:
Сигнал лог. 0 на выходе элемента 2И-НЕ будет только в том случае, если на обоих его входах будет уровень лог.1
Следует отметить, что неподключенные входы элемента 2И-НЕ («висят в воздухе»), приводит к появлению низкого логического уровня на входе К155ЛА3.
Опыт третий (рис.3):
Если соединить оба входа 1 и 2, то из элемента 2И-НЕ получится логический элемент НЕ (инвертор). Подавая на вход лог.0 на выходе будет лог.1 и наоборот.
Схема двухтонального звонка на микросхемах собран на двух микросхемах и одном транзисторе.












































































