Расчет нагрузки
Проектирование схемы необходимо начать с расчета нагрузки на электропроводку. Для этого требуется сложить мощности всех электроприборов, оборудования, освещения, использование которых планируется в квартире. Отношение полученной суммы к величине используемого напряжения, будет максимальным значением тока в электропроводке однокомнатной квартиры. Это значение используется при выборе прибора учета электроэнергии (электросчетчика) и сечения вводного кабеля.
При выборе счетчика необходимо дополнительно учесть, трехфазная или однофазная электропроводка используется для питания квартиры. Чаще используется однофазная. Сечение вводного кабеля выбирается по таблицам ПУЭ с учетом коэффициента, учитывающего неодновременность и непостоянство включения нагрузки, а также коэффициента запаса. Первый равен 0,9, второй – 1,2. Полученная величина сечения округляется до размера сечения провода, производимого промышленностью, в большую сторону.
Эксплуатация электрического щита
Эксплуатация правильно собранного щитка не составит никакого труда. Следует понимать, что придется периодически обслуживать устройство, проверяя работоспособность автоматов и подтягивая клеммы.
Если в доме есть маленькие дети, необходимо продумать замок и закрывать дверцу на ключ.
Для большего удобства следует создать маркировку и подписи для каждого из автоматов. Также рекомендуется использовать одинаковые цвета для одной группы, чтобы облегчить процесс поиска нужного выключателя. Это упрощает эксплуатацию щитка. Все жители квартиры должны без лишних вопросов понимать, как работает щиток.
Выбор кабельно-проводниковой продукции
Согласно требованиям нормативной документации ДБН, ПТЭЭП, ПУЭ и ПТБ:
- Для запитки розеточных групп, бойлера, стиральной машины, кондиционера, вытяжек необходимо монтировать кабель ВВГнг 3х2.5 мм или ПВСнг 3х2.5 мм.
- Для подключения электроплиты и духового шкафа необходим кабель ВВГнг 3х4 мм или ПВСнг 3х4 мм.
- Для цепей освещения будет достаточно ВВГнг 3х1.5 мм или ПВСнг 3х1.5 мм.
- Если выполняется замена проводки в хрущевке, вводной кабель с силового электрощита на лестничном марше в электрический распределительный щит квартиры должен быть выполнен кабелем ВВГнг (ПВСнг) 3х4 при условии, что у Вас нет электрической плиты, или кабелем ВВГнг (ПВСнг) 3х6 если на кухне установлен духовой шкаф или электроплита.
В чем различие между ПВСнг и ВВГнг
Единственное различие между данными марками — это способ исполнения. Кабель ВВГнг (например 3х2.5 мм) представляет собой 3 монолитных жили с сечением 2.5 мм, а кабель ПВС представляет собой 3 жили, которые сплетены из множества мелких медных проволок.
Что означает маркировка «нг» в названии кабеля
Приписка «нг» означает что кабель не поддерживает горение. Таким образом при возникновении короткого замыкания в электропроводке, она сама потухнет тем самым защитит вашу квартиру от пожара.
Программы для проектирования разводки электрики в квартире
Visio. Данный графический редактор является одним из самых распространенных для создания чертежей проводки. Данная программа очень проста, даже начинающий электрик с легкостью с ней разберется. Преимущество – легкость в использовании, бесплатный доступ, русский язык недостаток – довольно узкие функциональные возможности.
Компас. Данное программное обеспечение является профессиональным инструментом для создания схем проводки. В базе данных программы находятся обозначения всех элементов электрической цепи, а также их названия. Главным преимуществом является бесплатный доступ, поскольку программы такого класса, как правило, платные, также присутствует русскоязычный интерфейс, что делает программу довольно удобной. Минусы – начинающий электрик вряд ли сможет нормально работать в редакторе.
Eagle. Этот графический редактор позволяет не только составлять однолинейные чертежи проводки, но и самостоятельно создать чертеж печатной платы. Процесс черчения происходит в ручном или автоматическом режиме. На данный момент существуют две версии редактора – платная и бесплатная. В принципе, функциональных возможностей бесплатной версии вполне хватит для создания схемы проводки, но если вы хотите полный набор возможностей, то лучше приобрести полную версию.
1-2-3. Данная программа является бесплатным графическим редактором, с помощью которого легко можно создать чертеж проводки квартиры. Благодаря русскоязычному интерфейсу, редактор довольно удобно использовать, также разработчики порадовали небольшим бонусом, в виде списка обозначений, который можно распечатать и наклеить в своем электрощите на соответствующие элементы.
Autocad. Этот знаменитый графический редактор не требует представления. Данная программа является самой распространенным инженерным софтом. Существует огромное количество разных версий редактора, и для черчения схем проводки достаточно воспользоваться бесплатной версией. Редактор имеет русскоязычный и интуитивно понятный интерфейс, что делает программу очень удобной для использования.
Эльф. Данная программа была разработана специально для тех, кто занимается проектами проводки. Софт позволяет создавать чертежи любой сложности, а также имеет базу данных, которая поможет подобрать необходимый элемент. Также редактор способен автоматически рассчитать силу тока в цепи и предложить автомат с соответствующим номиналом.
Что необходимо иметь для монтажа скрытой электропроводки?
Без схемы не возможно произвести разводку электропроводки так как на схеме указывается трассы проложения провода, линии силовой и осветительной нагрузки, места соединений и расположений розеток и выключателей и т.п.
2) Строительный уровень и карандаш.
Они нужны для разметки на стене прямых линий, чтобы подготовленная штроба, а в дальнейшем и уложенный в ней провод были ровными.
3) Как уже говорилось, провода скрытой проводки прокладываются в штробе.
Проделать эти штробы можно специально предназначенным для этого – штроборезом с пылесосом либо болгаркой с алмазной насадкой или обычным перфоратором и сверлом по бетону. В народе два последних способа пользуется большей популярностью, чем первый.
4) Монтажный материал — провод, гофра (пластиковые трубы), распределительные коробки, подрезетники, изолента и т.п.
Разметка скрытой электропроводки.
Первым делом в комнате размечается место расположения распределительной коробки. Далее от нее размечаются линии к месту, где будут располагаться предполагаемые розетки и выключатели.
Разметку линий укладки провода нужно делать таким образом, чтобы они были перпендикулярно друг другу. На углах делается небольшое закругление, чтобы в процессе укладки провод не слишком перегибался. Маршрут разметки и прокладки кабеля нужно спланировать таким образом, чтобы не делать лишних штроб в стене (укладка в одной штробе двух и более проводов).
Штробление стен.
После того как разметка необходимых элементов произведена можно приступать к штроблению стен. При использовании болгарки или штробореза по размеченной линии прорезаются две полосы на расстоянии примерно 30-40 мм (ширина штробы) и глубиной равной диаметру прокладываемого провода, плюс запас 10 мм. Перегородка между прорезанными полосами сбивается обычным зубилом и молотком.
Если используется перфоратор, то в этом случае, на расстоянии примерно 5-10 мм друг от друга вдоль всей размеченной линии высверливаются отверстия. Затем при помощи молотка и зубила перегородки между отверстиями сбиваются и получается штроба.
При штроблении стен нужно не забывать про розетки, выключатели и распределительные коробки. Для их установки необходимо также проделать углубления в стене. Сделать это можно с помощью специальной алмазной коронки и перфоратора.
Если нет коронки, можно использовать сверло. В этом случае, в пределах окружности подрезетника просверливают множество отверстий и с помощью молотка и зубила выбивается все лишнее чтобы коробка свободно входила. Глубина штробления должна быть такой, чтобы коробка полностью скрывалась в стене.
Установка распределительных коробок и подрезетников.
При монтаже скрытой проводки первыми устанавливаются распределительные коробки и подрезетники (коробочки в которых устанавливаются розетки и выключатели освещения).
Фиксируются коробка в стене с помощью шпаклевки или цементной смеси. Устанавливается таким образом, чтобы ее края не выступали и были утоплены по уровню стены. От правильности установки подрезетников зависит ровно или нет, будет установлен выключатель или розетка.
Укладка провода.
После того как распределительные коробки будут надежно зафиксированы в стене можно укладывать провода. Для скрытой электропроводки используются провода ВВГ, ППВ (реже АВВГ или АППВ) .
Провод укладывают в штробу, предварительно надев на него гофру или пластиковую ПХВ трубку. Их можно и не использовать, но для этого монтаж электропроводки необходимо производить кабелем с двойной изоляцией, например ВВГ, ВВГнг, NYM.
Чтобы провода было удобно подключать и скручивать в местах установки розеток. выключателей и распредкоробок, на концах оставляют запас 10 – 15 см.
Если часть проводки будет прокладываться не в штробах, например, под потолочным каркасом или в гипсовых перегородках стен, то в таких местах провод или кабель обязательно должен прокладываться в гофре. либо пластиковой в трубке.
Когда провод будет полностью уложен, штробы можно зашпаклевывать. Перед этим необходимо окончательно убедится, что все выполнено правильно. Монтаж скрытой проводки окончен.
Схема разводки электропроводки в квартире по габаритам
Рассмотрим схемы нескольких вариантов. Их применение на практике не связано с проблемами
1 комнатная
При таких условиях приборы – в минимальном количестве. Линий подключения тоже будет меньше. Но общим принципам лучше продолжать следовать, не стоит создавать отдельные линии для помещений вроде ванной и санузла.
Совершение следующих действий помогает при составлении схем для стандартных помещений с одной комнатой:
- Выбор параметров, с которыми будет работать электрическая сеть.
- Расчёт нагрузки, подбор кабеля и подходящей модели УЗО.
- Выбор схемы подключения, с 1 или несколькими сетями.
Электрическая сеть и её параметры
Сложно заранее просчитать, в пользу каких приборов внутри квартиры сделают выбор постояльцы
Но для подсчёта суммарной мощности важно знать хотя бы о том, каким будет приблизительное количество. Не стоит забывать о местах размещения техники
Удлинители, дополнительные фильтры портят окружающий интерьер, создают проблемы для эксплуатации.
Способ прокладки кабелей выбирают отдельно. Существуют закрытые, открытые варианты. При открытом проводку укладывают поверх декоративных материалов. Тогда часть её прикрывают при помощи пластиковых коробов, а другую часть – оставляют на виду.
Такие преимущества:
- Беспроблемное подключение дополнительных линий при необходимости.
- Быстрое проведение монтажа.
- Монтаж в любой промежуток времени при ремонте.
Если проводка скрытая – то возникает необходимость в штроблении стен. Тогда провода маскируются под финишной отделкой. Вариант подвесных конструкций самый простой – в этом случае прикрытием становятся гипсокартонные короба, натяжные конструкции.
Скрытая проводка тоже отличается определёнными преимуществами:
- Сохранение целостности интерьерного оформления.
- Увеличение допусков к номинально разрешённым токам.
- Снижение требований к характеристикам, которых придерживаются во время монтажа.
Скрытая разводка – традиционный вариант для квартир, которые куплены недавно. Открытый вариант становится, скорее, исключением.
Как рассчитать нагрузку в электросети?
Для проведения окончательного расчёта во внимание принимаются такие факторы:
- Напряжение электросети.
- Номинальный ток.
- Мощность электроприёмников.
Лучше воспользоваться готовыми таблицами, хотя методов расчёта — множество.
Оптимальный вариант – обращение за помощью к инженеру, либо использование специализированных компьютерных программ. У них вероятность получения точного результата больше.
Когда сети разделяют по группам – не обойтись без подключения автомата 25 А для каждой отдельной линии. Номинальный ток в сумме учитывается при любых обстоятельствах. 16 А хватит для сетей освещения.
Какую схему стоит выбрать?
Источник питания – одна линия, либо несколько. Первый вариант для современных условий недопустим – ведь отдельная линия сейчас требуется даже для одного прибора. Каждый из них обладает достаточной мощностью.
У других схем точек подключения, линий больше.
Двухкомнатная
От количества комнат принципы при создании схемы электропроводки не меняются. Есть некоторые особенности, требующие учёта:
- Рекомендуется разделять провода на две группы, если и санузел раздельный.
- Три линии – необходимый минимум для кухни.
- По отдельным комнатам разделяется и освещение.
- Разделение у сети с розетками – по количеству комнат.
В схемы разводки включается и оборудование для охраны, ведь жильё с двумя и большим количеством комнат считается элитным.
Для них действуют те же требования и правила, что описаны выше.
Классическая схема
Сначала обратим внимание на классическую схему электропроводки в нашем типе жилья. Она представлена на рисунке ниже

Как видно из схемы, электропроводка состоит из двух ветвей. Одна из них подает ток в коридор (прихожую) и жилую комнату. Вторая ветвь питает светильники и электрические приборы в ванной и на кухне. Интересным фактом является то, что каждая линия используется как для освещения, так и для обеспечения подачи тока к электроприборам.
Конечно, такая схема не идеальна, поскольку при появлении короткого замыкания в розетке или светильнике состоится обесточивание всей комнаты. Такую ситуацию нельзя назвать очень благоприятной и позитивной.
Стоит отметить, что часто такая классическая схема дополнялась отдельной ветвью для питания электрической плиты. Как известно, плита является мощной и требует больше тока.
В результате для уменьшения нагрузки на контур, который идет в кухню, и для повышения уровня безопасности использовали отдельный кабель с большим поперечным сечением. В общем, такую схему электропроводки лучше не использовать.
Электропроводка по группам: как лучше сделать?

Стационарная бытовая техника
В кухне, на территории санузла размещается мощная техника.
Когда проводят ремонт, кухонная зона требует отдельного подключения. Если одно устройство в этом помещении сломается – проводится замена. Тогда выключают один защитный аппарат, целое помещение энергии не лишается.
Сложности возникают из-за того, что точки подключения к сети у электрических приборов часто в местах со сложным доступом. Источник неисправностей – не только приборы, но и проводка. В этом случае просто проще передвинуть один рычаг на аппарате защиты.
Выделенная линия для кухни
Линия для этой комнаты традиционно работает с самой большой нагрузкой. Даже если агрегаты не используются, постоянное подключение к сети присутствует. Это:
- Тостеры.
- Микроволновки.
- Вытяжки.
- Посудомоечные машинки.
- Варочные плиты.
- Духовые шкафы.
- Холодильники.

Включать несколько приборов одновременно можно, если использовать один кабель, отличающийся повышенной мощностью.
Водонагреватели, приборы освещения подключаются по отдельности. Иначе нагрузка для сети окажется слишком большой, и в какой-то момент всё будет отключаться.
Одна или несколько осветительных групп
Приборы допускается объединять в одну группу, если выполнены такие условия:
- Использование шестирожковой люстры для зала.
- Верхнее освещение малой мощности для спальни.
- Дополнительно используется два ночных светильника-бра.
Отдельная группа организуется для каждого помещения, если присутствует несколько источников освещения.
Помещение с повышенной влажностью

- Коробки распределения обязательны.
- Розетки для электроприборов тоже монтируются, с максимальной аккуратностью.
- Место установки выключателя подбирается с учётом требований, условий.
- Способ монтажа выбирается в скрытом варианте.
Степень защиты для каждой из розетки на уровне минимум IP44. Рекомендуется приобретать специальные устройства в комплекте с крышкой, защищающей от попадания брызг.
Рекомендуется выбирать светильники не на классические 220 В, а на 12 В.
Проводку придётся заменить на трёхжильную, если заземление отсутствует из-за устаревшей первоначальной схемы.
Многокомнатные многоэтажные квартиры

- Прямо по поверхности, в гофрированных трубах. Решение подходит при черновых стенах, которые потом покрываются штукатуркой, другими видами материалов.
- Создание штроб в стене, чтобы потом укладывать провода.
- По полу, кратчайшим путём.
Выбор определяется материалом перекрытий, свойствами основных стен.
Как подключить ЩУР
Установить и включить устройство можно своими руками, но для этого необходим проект, к примеру, однолинейная схема распределительного щита (например, РЩ-16). Паспорт устройства включает в себя схему, по которой нужно включать в работу устройство, но перед началом его установки нужно изучить требования ПУЭ к имеющейся сети.
Фото — однолинейная схема
Для каждого предприятия или жилого здания эта схема разрабатывается индивидуально. Её можно заказать в специальных конструкторских бюро. С имеющимся проектом в дальнейшем будет проще не только подключить прибор, но и собрать нужную схему.
Типы разводки
Существует три типа разводки электросети:
- С помощью распределительных коробок: электрический щиток располагают за пределами квартиры – на площадке в подъезде. На щиток ставится счетчик с несколькими автоматами. От щитка кабель идет в квартиру. В каждой комнате стоит своя распределительная коробка. Они подключены к сети последовательно. Общая схема выглядит так:
- «Звезда»– электроточка располагается на отдельной кабельной линии и подсоединена к отдельному автомату в щитке напрямую. Нерентабельна с точки зрения трудозатрат и денежных расходов на прокладку кабелей и проводов к каждому элементу, покупке более мощного считка и большого количества автоматов
- «Шлейф» – такой способ проводки схож со «звездой». Отличием является то, что на отдельном кабеле, который идет от щитка, находится не один элемент, а группа. На схеме выглядит так:
Обычно используют несколько типов проводки сразу.
План электропроводки
Допустим, у вас имеется квартира в новостройке, в которой перед заселением еще предстоит сделать ремонт.
- Обычно ремонт состоит из нескольких этапов:
- перепланировка (если необходимо);
- сантехнические работы;
- предмонтаж трасс кондиционирования;
- строительные работы – штукатурка, монтаж потолков;
- установка сантехнических изделий – умывальников, душевых кабин, унитазов;
- разводка электричества;
- установка дверей, напольных покрытий;
- поклейка обоев, покраска;
- монтаж электроустановочных изделий – розеток, выключателей, а также светильников.
Электрика в квартире обычно делается в первую очередь. Перед началом электромонтажных работ желательно иметь план электропроводки. В самом простом варианте он может быть выполнен от руки на листе бумаги.
https://youtube.com/watch?v=oQo4m9Qd0Tk
Рисуем план электропроводки
Итак, вы посоветовались с домочадцами и определились. Теперь предстоит все идеи и планы перенести на бумагу. Рисуем план вашего помещения. Как это сделать? Давайте в качестве наглядного примера возьмем стандартную однокомнатную квартиру.
- Для выполнения схемы нам понадобиться:
- тетрадный лист;
- линейка;
- ручка;
- цветные карандаши или фломастеры.
На схеме указываем расположение стен и дверных проемов. Конкретных размеров не требуется, нужна только общая картина.
Пример плана электропроводки в квартире
- На схеме следует отобразить максимально подробно следующие элементы:
- Розетки. Они могут располагаться в любом удобном месте, но не менее чем за 15–20 см от дверных и оконных проемов, а также отступив от тепло-, газопроводов – 40 см. Что касается количества, то на каждые 6 м2 площади принято устанавливать по одной розетке.
- Осветительные приборы. Стандартные планировки рассчитаны на один большой светильник в центре потолка. Но вы можете при желании сделать дополнительные источники света (точечные светильники, бра, ночники), предусмотрев под них проводку.
- Выключатели. Обычно их монтируют с правой стороны от дверного проема и на расстоянии 60 или 150 см от пола.
- Пути прокладки кабелей. Указывая их на своем чертеже, помните, что проводка должна идти строго вертикально либо горизонтально. Никакие зигзаги не допускаются. Если планируется укладка проводов внутри стен, то следует отступать от перекрытий и проемов 15–20 см.
- Распределительные коробки. Их также нужно отобразить на плане, потому что в них производятся все основные соединения кабелей. На каждое ответвление от основной линии ставится коробка, но не больше одной на комнату.
- Распределительный щиток. Обычно силовые шкафы устанавливаются за пределами квартиры в общем коридоре. Но некоторые планировки рассчитаны на внутреннее размещение щитка, в этом случае задача немного упростится.
Размечаем
https://youtube.com/watch?v=hFpPsaRTDAw
Так или иначе, между составлением плана и началом черновых работ предстоит процедура под названием «разметка».
Говоря научным языком, разметкой называется операция нанесения на поверхность заготовки линий (рисок), определяющих согласно чертежу контуры детали или места, подлежащих обработке.
На начальных этапах работ по разводке электричества в помещении разметка производится следующим образом:
- в первую очередь на стены наносятся точки расположения розеток и выключателей, а также места выводов кабелей под бытовую технику;
- далее намечаются линии, по которым будет производиться штробление стен;
- определяются места для распределительных коробок;
- выбирается место, где будет установлен квартирный электрощит;
- после этого размечаются маршруты кабельных трасс от распределительного электрощита до конкретной электроточки.
В большинстве случаев изменения в схеме электропроводки квартиры проще произвести на начальном этапе работ, а именно на этапе разметки. В таком случае будут сэкономлены время и финансовые ресурсы, поскольку возможные изменения повлекут за собой дополнительные расходы.
Схема электропроводки в однокомнатной квартире
Сначала вам необходимо будет определиться с расположением следующих элементов:
- Розеток.
- Выключателей.
- Дополнительных электроприборов.
После выполнения разметки вы должны будете перенести свой план на стены. На стене постарайтесь начертить трассу для прокладки электропроводки. Также отметьте места, где будут располагаться розетки и выключатели. После нанесения чертежа вам необходимо проверить правильность размещения. Если вы неправильно выполните разметку, тогда может возникнуть ситуация что мебель закроет розетку и вы не сможете подключить бытовой прибор. При необходимости можете прочесть про схему подключения распределительного щитка.
Если у вас возникнет подобная ситуация, тогда необходимо будет все переделать. Именно поэтому перед бурением отверстий под розетку еще раз подумайте, где будет размещена мебель. Проверка не занимает много времени, и вы быстро решите эту проблему.
https://youtube.com/watch?v=xI9Ut-1HFKk
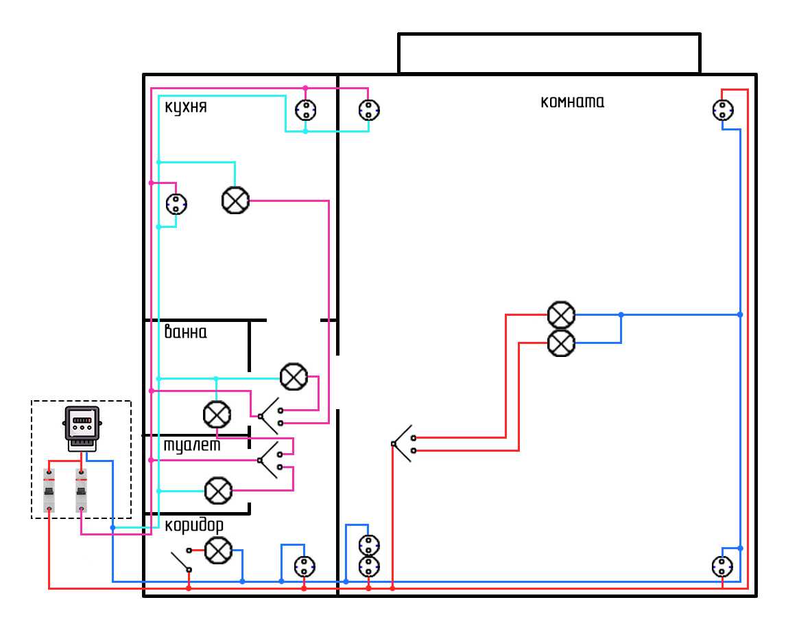
Если вы все сделали правильно, тогда постарайтесь перенести свой проект на бумагу. Мы предоставили пример типовой схемы проводки в однокомнатной квартире панельного дома. Эту схему вы можете увидеть на фото ниже:
Также мы хотим обратить ваше внимание на цветовую маркировку проводов. На фото вы можете увидеть, что провода имеют разные цвета
Именно поэтому во время прокладки проводов вам необходимо соблюдать последовательность своих действий. Различные цвета обычно используются для разграничения линий электропроводки.
Если вам недостаточно этого варианта, тогда можете обратить свое внимание на схему ниже. Это еще один вариант проводки в хрущевке
Мы надеемся, что эти схемы помогут выполнить всю работу. На схеме мы не указали количество розеток. Именно поэтому вам необходимо самостоятельно рассчитать необходимое количество. Проводить расчет, необходимо исходя из ваших потребностей. Большая часть розеток должна размещаться на кухне. В этой комнате их количество должно превышать шести штук. Также во время прокладки проводки в однокомнатной квартире вам обязательно следует помнить, что каждая комната должна иметь свою распределительную коробку. Благодаря этому вы сможете избежать перегрузки в электросети. Только ванная комната не должна иметь распределительную коробку. Ее необходимо установить в коридоре.
Если вы не можете провести ее установку в коридоре, тогда выше мы предоставили вариант влагозащищенной распределительной коробки. Она способна качественно выполнять свое назначение даже в помещении с повышенной влажностью.
Рекомендуем вашему вниманию: схема подключения реле напряжения.
Граница эксплуатационной ответственности
В законодательстве есть понятие граница эксплуатационной ответственности. По сути, она разделяет, за что отвечает управляющая компания дома, а за что собственник жилья.
Для электроснабжения квартиры граница эксплуатационной ответственности «пролегает» по месту подключения кабеля (проводов) электропитания квартиры к автомату защиты (пакетному выключателю) установленному до электросчетчика (прибор учета расхода электроэнергии) данной квартиры.
Это значит, что электроснабжение квартиры, за которое отвечает собственник, включает:
- общий (для квартиры) автомат защиты (вводной автомат) или пакетный выключатель и/или противопожарное УЗО;
- Счетчик учета потребления электроэнергии;
- Кабель или провода от счетчика учета до квартиры (если в квартире стоит квартирный щиток);
- Автоматы защиты между квартирным щитком (если он есть) и счетчиком учета.
В квартирах, где нет квартирного щитка, граница эксплуатационной ответственности проходит для каждой квартиры в этажном щите.
Замены старой или прокладка новой электропроводки — что лучше
Стоит сразу отметить, что частичная замена электропроводки малоэффективна и нерациональна. К данному способу можно прибегнуть только в качестве временной меры. Менять проводку следует полностью, чтобы не возвращаться к этому вопросу 20-25 лет. Полная замена электропроводки включает в себя замену щитка, розеток и выключателей.
В некоторых случаях замена электропроводки новой является невозможной. Поэтому придется отрезать старые магистрали и проложить проводку по новой. Чтобы принять решение, необходимо оценить схему электропроводки.
К примеру, в типовых постройках советского времени проводка расходилась по полу в специальный штробах, а сверху был уложен деревянный или паркетный пол. К розеткам и выключателям провода шли под штукатуркой или в пустотах перекрытий. В данном случае замена проводки невозможна без необходимости снимать пол и штукатурку на стенах. Поэтому придется отрезать старые провода и проложить новые в более удобных для этого местах.
Самой простой является замена проводки открытого типа. В этом случае замену можно провести даже без необходимости проводить ремонт.
Таким образом, следует сначала оценить старую схему электропроводки, чтобы понять такие места можно использовать при замене, а какие — нет, и только после этого принимать решение. Если планируется капитальный ремонт квартиры или частного дома, лучше установить новую проводку, чтобы сделать выключатели и розетки в наиболее удобных для использования местах.
























































