Принцип работы дифференциального усилителя
Как говорилось выше, правильная работа дифференциального усилителя возможна при точной симметрии схемы. В этом случае ток покоя в обоих транзисторах и их изменение имеют одинаковое значение, так же как и напряжения на коллекторах транзисторов VT1 и VT2. Таким образом, при воздействии внешних факторов на транзисторы баланс моста не нарушается, а выходное напряжение не изменяется. В случае воздействия входного напряжения на один или оба входа схемы происходит изменение внутреннего сопротивления одного или обоих транзисторов и происходит разбалансировка моста и изменение выходного напряжения.
В реальных схемах достаточно трудно обеспечить абсолютную симметрию схемы, поэтому для регулировки токов покоя транзисторов используются резисторы R4’ и R4’’, которые иногда объединяют в общий переменный или подстроечный резистор, сопротивление которого составляет
Дифференциальные каскады усиления могут работать как с симметричными, так и с несимметричными входами и выходами. Несимметричным вход называется, в случае если входной сигнал поступает на один из входов (Вх.1 или Вх.2) и общим выводом, а симметричный вход – сигнал поступает между входными выводами. В случае с выходом происходит аналогичное именование: несимметричный выход – один из выходов (Вых.1 или Вых.2) и общий вывод, симметричный выход – между выходными выводами Вых.1 и Вых.2.
Несимметричные дифференциальные каскады обычно используются для перехода от несимметричных каскадов к симметричным каскадам и наоборот.
Основные схемы включения операционных усилителей
Характеристики операционного усилителя определяются схемой подключения внешних элементов. Здесь основную роль играет отрицательная обратная связь, поскольку она позволяет точно задать коэффициент усиления за счет выбора значений внешних сопротивлений. Работа различных схем будет пояснена на следующих примерах.
Инвертирующий операционный усилитель
Основная схема инвертирующего операционного усилителя показана на рис. «Инвертирующий усилитель«.
A1D DDN
IR1=U1/R1, IR2=-U2/R2
где IR1=IR2 , отсюда следует:
UA=(-R2/R1)·U1
Таким образом, выходное напряжение UА прямо зависит от входного напряжения U1 и выбора сопротивлений R2 и R1.
Неинвертирующий операционный усилитель
Неинвертирующий усилитель можно рассмотреть аналогично инвертирующему усилителю (см. рис. «Неинвертирующий усилитель» ).
DR1R212
UA= (R1/(R1+ R2))·UA
Отсюда следует, что :
U1= ((R1+ R2)/R1 )·U1 =(1+R2/R1 )·U1
Здесь выходное напряжение UA также прямо зависит от входного напряжения U1, и значений сопротивлений R2 и R1 однако здесь коэффициент усиления UA/U1 имеет значение не менее единицы; UА и U1 синфазны.
1 2Преобразователь импеданса или развязывающий усилительА1
Преимущество этой схемы заключается в том, что источник входного напряжения U1 не нагружен внутренним сопротивлением RЕ, поскольку входной ток IР приблизительно равен нулю. Это приводит к пренебрежимо малому падению напряжения на RЕ, а поскольку UD = 0, входное напряжение U1 передается на выход операционного усилителя как UА. Это является важным свойством этой схемы, в особенности для усиления сигналов датчиков, поскольку во многих случаях допустимый ток нагрузки датчика очень мал, т.е. любое увеличение нагрузки датчика вызывает значительное снижение величины его полезного сигнала.
Вычитающий усилительА12
UА=R1/R2(U2-U1)
Измерительный усилитель
В измерительных системах с датчиками и измерительными мостами часто требуется усиление дифференциального напряжения без неприемлемо высокой нагрузки датчика или моста.
21А
Измерительный усилитель можно разделить на две части: предварительный усилитель и вычитающий усилитель (см. рис. «Вычитающий усилитель» ) с дальнейшим усилением. На рис. «Схема подсистемы предварительного усиления измерительного усилителя» представлена схема контура предварительного усиления измерительного усилителя.
В соответствии с правилом отрицательной обратной связи разность напряжений на инвертирующем и неинвертирующем входах равна нулю. В каждом случае ток I может протекать через резисторы R и R’, поскольку входные токи IN1 и IN2 могут быть проигнорированы. Имеет место следующее:
I=(U1-U2)/R’ =(UA1-UA2)/(2R+R’),
таким образом
UA1-UA2 = (U1-U2)·(2R/R’+1)
Таким образом, усиленная разность двух напряжений U1 и U2 получается, как разность напряжений UD на двух выходах двух операционных усилителей. Для вывода этого напряжения UD, как выходного напряжения относительно массы UА может быть последовательно подключен вычитающий усилитель (см. рис. «Вычитающий усилитель» ), где UA1 подается вместо U1 и UА2 подается вместо U2.
Схема цепей смещения в усилителях типа UBbIX = – kUBX – b
Последний, четвёртый случай ОУ с однополярным питанием и переходной характеристикой вида UBbIX = – kUBX – b имеет схему представленную на рисунке ниже
Схема усилителя с передаточной характеристикой вида UBbIX = – kUBX — b
Данная схема представляет собой инвертирующий сумматор и состоит из ОУ DA1, развязывающего конденсатора С1, резисторов R1, R2 и R3. С учётом элементов схемы передаточная характеристика будет иметь вид
Тогда коэффициенты k и b можно представить в следующем виде
Расчёт усилителя с переходной характеристикой вида UBbIX = – kUBX – b
Для примера рассчитаем усилитель реализующий переходную характеристику вида UBbIX = – kUBX — b. В качестве начальных условий примем следующие параметры схемы: диапазон входного напряжения UBX = -0,2 … -0,8 В, диапазон выходного напряжения UBЫX = 1 … 5 В, напряжение смещение берётся от напряжения питания UCM = UПИТ = 6 В.
- Рассчитаем коэффициенты k и b, для этого решим систему линейных уравнений
Решив данную систему, получим k = – 6,67 и b = — 0,334. Тогда переходная характеристика будет иметь вид
- Определим величину сопротивления R1 и R3
Примем R1 = 10 кОм, тогда R3 = 6,67 * 10 = 66,7 кОм. Примем R3 = 68 кОм.
- Определим величину сопротивления R2
Примем R2 = 200 кОм.
Эффект виртуальной земли
Правая сторона конденсатора удерживается на напряжении 0 вольт из-за эффекта «виртуальной земли». Поэтому ток «через» конденсатор протекает исключительно из-за изменения входного напряжения. Неизменное входное напряжение не будет вызывать ток через C, но изменение входного напряжения будет.
Ток конденсатора проходит через резистор обратной связи, создавая на нем падение напряжения. Линейная положительная скорость изменения входного напряжения приведет к устойчивому отрицательному напряжению на выходе операционного усилителя. И наоборот, линейная отрицательная скорость изменения входного напряжения приведет к устойчивому положительному напряжению на выходе операционного усилителя. Эта инверсия полярности от входа к выходу обусловлена тем, что входной сигнал подается (по сути) на инвертирующий вход операционного усилителя, поэтому он действует как инвертирующий усилитель, рассмотренный ранее. Чем быстрее изменяется напряжение на входе (положительно или отрицательно), тем выше напряжение на выходе.
Формула для определения выходного напряжения дифференциатора следующая:
\
Пара Дарлингтона

Условное обозначение на схеме рассказывает большую часть истории. Пара Дарлингтона – это два биполярных транзистора с общим коллектором, объединенных в один корпус. В результате получается устройство, которое работает очень похоже на обычный биполярный транзистор, но с чрезвычайно высоким hFE – общий коэффициент усиления по току приблизительно равен hFE первого транзистора, умноженному на hFE второго транзистора. В этот момент вы можете подумать: «У меня много транзисторов 2N2222, я просто подключу их в стиле Дарлингтона и скажу, что это круто». Ну, это не так просто. Взгляните на эквивалентную схему для транзистора Дарлингтона TIP142T от Fairchild:

В дополнение к биполярным транзисторам у нас тут защитный диод и два резистора. Резисторы уменьшают время выключения, обеспечивая путь разряда для емкости перехода база-эмиттер правого транзистора, и они обеспечивают определенное состояние для базы правого транзистора, которая в противном случае висела бы в воздухе, когда пара Дарлингтона находится в режиме отсечки. Они также приводят к снижению hFE, потому что часть тока базы идет в обход переходов база-эмиттер. Это уменьшение усиления на самом деле во многих ситуациях выгодно, потому что оно уменьшает влияние тока утечки – и дело в том, что вам на самом деле не нужен весь коэффициент усиления по току, который был бы примерно равен 10 000, если предположим, что каждый биполярный транзистор имеет hFE = 100. Суть в том, что, вероятно, лучше купить устройство Дарлингтона, а не делать свое собственное из двух отдельных биполярных транзисторов.
Вот схема LTspice с парой Дарлингтона вместо одного биполярного транзистора.
Рисунок 3 – Схема для буферизации выходного тока операционного усилителя на паре Дарлингтона в LTspice
В LTspice по умолчанию нет устройств Дарлингтона, но вы можете зайти , чтобы скачать файлы подсхем и условных обозначений для TIP142.
Вот график входного напряжения VIN, выходного напряжения VOUT и напряжения, приложенного к базе транзистора Дарлингтона (выходного напряжения ОУ), VBASE.
Рисунок 4 – График входного напряжения схемы, выходного напряжения схемы и напряжения, приложенного к базе транзистора Дарлингтона (выходного напряжения ОУ)
Как и в схеме с одним биполярным транзистором, выходное напряжение повторяет входное напряжение (график входного напряжения VIN скрыт под графиком выходного напряжения VOUT)
Обратите внимание, что напряжение на базе транзистора Дарлингтона VBASE приблизительно на 1,3–1,4 В выше напряжения на нагрузке; это потому, что теперь у нас есть два падения напряжения база-эмиттер вместо одного. Таким образом, вы должны быть особенно осторожны, чтобы убедиться, что ваши напряжения питания транзистора Дарлингтона и операционного усилителя достаточно высоки, чтобы обеспечить весь диапазон напряжений нагрузки (более подробно об этом см
раздел «Просто, но без «защиты от дурака»» в конце предыдущей статьи).
Следующий график показывает ток нагрузки и ток, протекающий через базу транзистора Дарлингтона.
Рисунок 5 – График ток нагрузки и тока базы первого транзистора пары Дарлингтона
Таким образом, при токе нагрузки 360 мА ток базы составляет 169 мкА, что соответствует hFE ≈ 2130. Техническое описание указывает, что коэффициент усиления по току должен быть около 1000; возможно, эта конкретная модель SPICE не так точна, как могла бы быть. В любом случае нам удалось значительно снизить выходной ток, требующийся от операционного усилителя.
Другой способ справиться с операционным усилителем, который не может обеспечить достаточный выходной ток, – это использовать MOSFET-транзистор вместо биполярного транзистора. Мы рассмотрим реализацию с MOSFET в следующей статье.
Идеальный и реальный операционные усилители
Идеальный операционный усилитель
- Синфазное входное сопротивление между входом и землей, где: rGL_P = UP/IP; rGL_N = UN/IN. В общем случае значение rGL можно проигнорировать.
- Дифференциальное входное сопротивление между двумя входами; здесь: rD = (UP -UN)/IP. rD увеличивается за счет отрицательной обратной связи.
- Дифференциальное выходное сопротивление rA = dUA/dIA. rA — за счет отрицательной обратной связи снижается.
- Напряжение смещения Uos — количественная характеристика того факта, что даже в случае короткого замыкания между двумя входами (т.е. UD = 0) выходное напряжение UA не равно нулю.
- Коэффициент ослабления синфазного сигнала (CMRR): количественная характеристика, описывающая изменение выходного напряжения UA при одновременном синхронном изменении входных напряжений UP и UN (в случае синфазных периодических входных сигналов), т.е., когда UD остается постоянным.
- Коэффициент подавления пульсаций питания (PSRR): количественная характеристика, описывающая изменение выходного напряжения UA при изменении напряжений питания.
Поэтому основные идеализации заключаются в следующем:
- Коэффициент усиления при разомкнутой цепи обратной связи АD приближается к бесконечности; в случае отрицательной обратной связи имеет место следующее: UD = 0.
- Входные токи IN и IР приближаются к нулю.
- Если IN и IР близки к нулю, это означает, что синфазное и дифференциальное входные сопротивления приближаются к бесконечности.
- Напряжение смещения Uos приближается к нулю.
- Выходное сопротивление RA приближается к нулю.
- Коэффициент ослабления синфазного сигнала (CMRR) приближается к бесконечности, т.е. в случае равного и синфазного изменения напряжений UP и UN, UА остается неизменным.
- Коэффициент ослабления пульсаций питания (PSRR) приближается к бесконечности, т.е. в случае изменения напряжения питания, UА остается неизменным.
- Поведение усилителя не зависит от частоты.
На практике, разумеется, значения вышеуказанных параметров отличны от идеальных:
- Коэффициент усиления при разомкнутой цепи обратной связи АD лежит в диапазоне от 104 до 107.
- Входные токи IN и IР лежат в диапазоне от 10 пА до 2 мкА.
- Синфазное входное сопротивление лежит в диапазоне от 106 до 1012 Ом, а дифференциальное входное сопротивление достигает 1012 Ом.
- Выходное сопротивление RA лежит в диапазоне от 2 до 50 Ом.
- Коэффициент ослабления синфазного сигнала (CMRR) лежит в диапазоне от 60 до 140 дБ.
- Коэффициент ослабления пульсаций питания (PSRR) лежит в диапазоне от 60 до 100 дБ.
- Поведение усилителя зависит от частоты (пропускание низких частот).
Логарифмические усилители
В основе логарифмического усилителя лежит зависимость тока, протекающего через p-n-переход полупроводникового прибора, от напряжения на этом p-n-переходе. Простейшим прибором, который имеет p-n-переход, является полупроводниковый диод, у которого отношение тока протекающего через p-n-переход и напряжения имеет следующий вид
где I – ток, протекающий через диод,
IОБР – обратный ток насыщения диода,
q – заряд электрона, q ≈ 1,6 * 10-19 Кл.
U – напряжение на диоде,
k – постоянная Больцмана, k ≈ 1,38 * 10-23 Дж/К.
T – абсолютная температура в градусах Кельвина.
Для того, чтобы на выходе ОУ напряжение изменялось по логарифмическому закону, необходимо диод включить в цепь обратной связи так, как показано на рисунке ниже

Схема простейшего логарифмического усилителя.
В данной схеме ток, протекающий через диод VD1, равен входному току схемы, но противоположен по значению, а напряжение на диоде UVD1 будет равно выходному напряжению UBbIX
Следовательно, выходное напряжение будет определяться следующим выражением
Для того, чтобы соблюдалась логарифмическая зависимость выходного напряжения от входного тока ОУ, необходимо чтобы входной ток значительно превышал обратный ток насыщения диода, в этом случае выходное напряжение составит
Основная характеристика логарифмического усилителя – коэффициент передачи определяется как отношение выходного напряжения к декаде изменения входного напряжения. Таким образом, четырёхдекадный логарифмический усилитель работает при изменении входного напряжения от 1 мВ до 10 В.
Аналоги LM358
Инвертирующее включение рис 1. При более низком синфазном входном напряжении поведение входного каскада становится непредсказуемым.
Инвертирующие операционные усилители имеют простую схему: Такие операционные усилители стали популярными из-за своей простой конструкции.
Это означает сохранение фазы сигнала. Вследствие этого вместо диодов применяют транзисторы в диодном включении или с заземлённой базой.
Усилители, имеющие вход с полным размахом, схемотехнически заметно сложнее, чем обычные. Разность напряжений между входами идеального ОУ равна нулю, то есть если один из выводов соединён с землёй, то и второй вывод имеет такой же потенциал. Здесь используется инверсное включение резистивной матрицы R-2R. Это приводит также что коэффициент усиления для каждого входа будет равен 1.
Читайте дополнительно: Сп по прокладке кабельных линий
Аналоги LM358
Из схемы ясно, что оба дифференциальных усилителя входного каскада управляются одновременно. Таким образом, основные параметры данной схемы описываются следующим соотношением Отсюда выводится соотношение для коэффициента усиления неинвертирующего усилителя Таким образом, можно сделать вывод, что на коэффициент усиления влияют только номиналы пассивных компонентов. Для получения синусоидальной формы выходного сигнала используют несколько способов построения схем.
Других преимуществ, кроме возможности работы с широким диапазоном входного синфазного сигнала, они не имеют. Аналогичное ограничение накладывается на выходной диапазон устойчивости источника тока на основе операционного усилителя. Такого высокого результата вряд ли удастся достигнуть с обычным эмиттерным повторителем. На вторичной обмотке сделано ответвление, причем количество витков до этого ответвления равно числу витков после ответвления. Это позволяет усилителю выдерживать при однополярном питании входное синфазное напряжение до —15 В.
Но в этом есть смысл, ведь вспомним свойство операционника, он обладает высоким входным сопротивлением и низким выходным. Сигнал на выходе не изменится пока сигнал на входе не опустится менее -1,36В. Повторитель выдает на выходе то напряжение, которое было подано на его вход.
В реальных же ОУ изменение синфазного входного напряжения вызывает изменение правда, весьма незначительное выходного напряжения. Обычно Uсдв имеет значение 10 — мВ. Лекция 54. Усилитель неинвертирующего типа на операционном усилителе.
Включение 4
Измеряемое напряжение подается на инвертирующий вход, опорное — на прямой.
Пока напряжение на инвертирующем входе меньше, чем на прямом, компаратор выдает «ноль», и светодиод не горит. Иначе — «единица».
Вообще, лучше, конечно, пользоваться первыми двумя общепринятыми схемами, чтобы не было путаницы.
Еще один важный момент — подключение нагрузки (светодиода) к другому напряжению (как мог, изобразил 24 вольта). Справедливо для любого из ранее изображенных включений.
О нагрузке. В даташите о максимальном токе коллектора сказано, что больше 6-20 мА микросхема не выдаст. То есть включить один светодиод — не проблема, а вот что побольше…
Кусок светодиодной ленты, подключенный прямо к выходу компаратора (по третьей или четвертой схеме, без резистора R3) светил слабо (1 мА). Пришлось поддать напряжения до 12 вольт, и тогда ток коллектора вырос до 14 мА. При подключении ленты напрямую к блоку питания — 32 мА. Таким образом, как ни крути, а максимум, что можно получить конкретно от этой LM-ки — 14 мА.
Вывод — что-то прожорливое есть смысл пускать через транзистор, загнанный в ключевой режим. При этом каскаду с общим эмиттером, инвертирующему сигнал, как нельзя лучше подойдет третья или четвертая схемы включения. Ведь если сигнал инвертировать дважды — получится опять исходный сигнал.Например, на прямом входе компаратора «единица» (по привычной логике — на прямом входе напряжение больше, чем на инвертирующем). Третья схема сделает из нее «ноль» на выходе. А каскад с общим эмиттером, «перевернув» этот «ноль», опять даст «единицу».
Стрелка цепляется к выходу компаратора (R1 — это R3 из предыдущей схемы). R2, возможно, придется подобрать: если он будет слишком маленьким, то транзистор может сгореть, а если слишком большим — не откроется (можно попробовать 4,7 кОм). При подаче «единицы» в базе транзистора должно быть примерно 0,7 В (для кремния). К R3 тоже есть вопросы, но слишком малым и он не должен быть.
Моделирование. Когда на входе «ноль» (а «ноль» третьей и четвертой схемы — это в нормальном включении «единица»), то на выходе — «единица», светодиод работает. С чего начали, к тому и пришли — «единица» опять стала сама собой.
Теперь, когда на входе «единица», то на выходе «ноль». Вот она, знаменитая инверсия каскада с общим эмиттером!
А если включать нагрузку в коллектор транзистора, то «единицы» и «нули» по входу и выходу будут совпадать.В общем, простор для творчества — колоссальный.
Эта статья содержит основную информацию о работе компараторов напряжения построенных на интегральных микросхемах и может быть использована в качестве справочного материала для построения различных схем.
В электронике, компаратор представляет собой устройство, которое сравнивает между собой два электрических сигнала и выводит цифровой сигнал, указывающий на увеличение одного входного сигнала над другим. Компаратор имеет два аналоговых входа и один цифровой выход.
Компаратор, как правило, построен на дифференциальном усилителе с высоким коэффициентом усиления. Компараторы широко используются в устройствах, которые измеряют и оцифровывают аналоговые сигналы, например, в аналого-цифровых преобразователях (АЦП)
Примеры работы компаратора приведены на основе микросхемы LM339 (счетверенный компаратора напряжений) и LM393 (сдвоенный компаратор напряжения). Эти две микросхемы по своему функционалу идентичны. Компаратор напряжения LM311 так же может быть использован в данных примерах, но он имеет ряд функциональных особенностей.
Схема цепей смещения в усилителях типа UBbIX = kUBX + b
Схема, реализующая передаточную характеристику вида UBbIX = kUBX + b, представлена на рисунке ниже
Схема усилителя с передаточной характеристикой типа UBbIX = kUBX + b.
Данная схема представляет собой неинвертирующий сумматор и состоит из развязывающих конденсаторов С1 и С2 имеющих ёмкость порядка 0,001 – 0,1 мкФ, резисторов R1, R2, R3 и R4 и самого ОУ DA1 в неинвертирующей схеме. Передаточная характеристика данной схемы описывается следующим выражением
тогда коэффициенты k и b будут определяться следующими выражениями
Расчёт усилителя с характеристикой типа UBbIX = kUBX + b
Для примера рассчитаем элементы усилителя со следующими параметрами: входное напряжение UBX = 0,1…1 В, выходное напряжение UBЫX = 1…5 В, напряжение питания UПИТ = 6 В, в качестве источника смещения используется напряжение питания UCM = UПИТ = 6 В.
- Определим тип передаточной характеристики. Определяем коэффициенты k и b
Решив данную систему, получим k = 4,44 и b = 0,556, тогда передаточная характеристика будет иметь следующий вид
- Рассчитаем номиналы резисторов R1 и R2, решив следующую систему уравнений относительно (R3 + R4) / R3
Подставив значения коэффициентов k, b и UCM получим следующее уравнение
Величина резистора R1 обычно выбирается в пределах от 1 до 10 кОм, так как резистор R1 определяет входное сопротивление усилителя и его следует увеличивать, чтобы исключить перегрузку источника сигнала.
Выберем R1 = 10 кОм, тогда R2 = 47,91 * 10 = 479,1 кОм. Примем R2 = 470 кОм.
- Рассчитаем величины сопротивлений R3 и R4
Величина резистора, также как и R1 выбирается в пределах 1 … 10 кОм, поэтому примем R3 = 10 кОм, R4 = 10 * 3,53 = 35,3 кОм. Примем R4 = 36 кОм.
Вместо заключения
Закончить статью о дифференциальных усилителях невозможно без рассказа о тех сферах, где они применяются. Как уже понятно из названия, прежде всего это применение в качестве усилителя с большим коэффициентом усиления. Также широко применяются в тех сферах, где обычные усилители неэффективны из-за большого уровня помех. Кроме этого на основе дифференциальных усилителей построены операционные усилители различного назначения, которые имеют коэффициент усиления от 100 тыс. нескольких миллионов, а входное сопротивление составляет порядка нескольких ГИГАОМ. Также дифференциальные усилители применяют прежде всего в схемах усилителей постоянного тока, для которых они и были разработаны в первую очередь, а также в схемах сравнения и так далее.
Ограничение уровня выходного напряжения компаратора и триггера Шмитта
Применение положительной обратной связи (ПОС) в компараторах и триггерах Шмитта ускоряет переключение схем, но в связи с тем, что выходное напряжение UВЫХ изменяется от UНАС+ до UНАС-, то время переключения составляет довольно значительную величину (от долей до единиц микросекунд).
Кроме того существует проблема несовместимостей уровней выходного напряжения, к примеру, при напряжении питания ОУ UПИТ = ±15 В, выходное напряжение составит UВЫХ ≈ ±14 В (UНАС+ ≈ +14 В, а UНАС- ≈ -14 В), в то время как уровни ТТЛ микросхем составляют около +5 В или 0 В.
Для устранения вышеописанных проблем применяют так называемую привязку или ограничение уровня выходного напряжения, для этого в компаратор или триггер Шмитта вводят ООС в виде различных схем ограничения. Простейшими ограничительными схемами являются диоды или стабилитроны. Схема триггера Шмитта с ограничение выходного напряжения показана ниже
Ограничение выходного напряжения в триггере Шмитта работает следующим образом. При поступлении на инвертирующий вход напряжения меньше, чем напряжение опорного уровня (UВХ ОП), то выходное напряжение UВЫХ начинает изменяться в положительном направлении и при достижении напряжения стабилизации стабилитрона UСТ напряжение на выходе перестанет расти, а будет изменяться только ток. При этом выходное напряжение будет равняться напряжению стабилизации стабилитрона (UВЫХ = UСТ).
В случае если входное напряжение начнёт увеличиваться, выше опорного напряжения, то на выходе напряжение начнёт уменьшаться и в этом случае направление тока через стабилитрон начнёт изменяться на противоположный, а стабилитрон начнёт вести себя как диод. В результате падение напряжения на нём составит примерно 0,7 В независимо от величины протекающего через него тока, а на выходе напряжение составит -0,7 В.
Таким образом, при использовании стабилитрона выходное напряжение триггера Шмитта составит: UВЫХ1 = UСТ (при отсутствии ограничения UНАС+) или UВЫХ2 ≈ 0,7 (при отсутствии ограничения UНАС-).
Для симметричного ограничения выходного напряжения могут применяться последовательно включенные диоды или стабилитроны, что показано на рисунке ниже
В данной схеме реализуется симметричное ограничение выходного напряжения относительно опорного напряжения, причем выходное напряжение выше опорного напряжения ограничивается стабилитроном VD1, а напряжение при этом составит на 0,7 В больше напряжения стабилизации. В случае же выходного напряжения ниже опорного, то выходное напряжение будет на 0,7 В ниже напряжения стабилизации стабилитрона VD2.
При расчёте компараторов и триггеров Шмитта с ограничением выходного напряжения в качестве UНАС+ необходимо использовать UСТ (когда используется один стабилитрон) или UСТVD1 (при двухстороннем ограничении). А вместо UНАС- необходимо использовать значение падения напряжения на диоде примерно 0,7 В (при одном стабилитроне) или UСТVD2 (при двухстороннем ограничении).
Теория это хорошо, но без практического применения это просто слова.Здесь можно всё сделать своими руками.
Прошло почти два года с тех пор, как я пытался приручить операционный усилитель УД708 для сравнения двух сигналов. Знаний тогда было мало, поэтому времени уходило много, а главное — еще и безрезультатно. Но в итоге для своей задачи я смог «договориться» с компаратором LM393N. А на днях перебирал поделку, в которой впервые использовал эту микросхему, и решил вспомнить, как работает компаратор. Заодно и другим рассказать.Компаратор — это устройство, сравнивающее два аналоговых сигнала. В самом простом случае — операционный усилитель без обратных связей. На входы ему подаются два напряжения — эталонное, оно же опорное (известно заранее) и измеряемое. На выходе возможны два состояния:
«1» — когда напряжение на прямом входе больше, чем на инвертирующем;«0» — когда напряжение на прямом входе меньше, чем на инвертирующем.
Некоторые компараторы самостоятельно формируют уровни логических нуля и единицы (например, «ноль» — это ноль, «единица» — плюс пять вольт), но LM393 — с открытым коллектором. Ей для создания выходного напряжения нужен внешний резистор, подключающийся либо к «плюсу» питания, либо к другому «плюсу» (в разумных пределах, конечно).
Первые две схемы — каноничное включение нагрузки под открытый коллектор. Я подключал внешний резистор к питающему «плюсу».
Логарифмического усилителя с транзистором в цепи ОС
Простейший логарифмический усилитель имеет несколько существенных недостатков, поэтому применяется крайне редко. Более широкое распространение получил логарифмический усилитель в цепи обратной связи, которого стоит биполярный транзистор.
Главный недостаток диодных усилителей заключается в том, что его проводимость определяется электронами и дырками одновременно. В тоже время транзисторная проводимость определяется или дырками или электронами, в зависимости от типа транзистора (n-p-n или p-n-p). Поэтому температурная зависимость транзистора меньше, чем диода. Зависимость коллекторного тока от напряжения между базой и эмиттером транзистора, определяется, как и для диода
где IC – коллекторный ток транзистора,
UBE – напряжение между базой и эмиттером транзистора.
Транзистор, для получения логарифмической выходной характеристики, включают двумя основными способами: с заземлённой базой и в диодном включении, объединяя базовый и коллекторный выводы транзистора. Данные схемы включения транзисторных логарифмических усилителей приведены ниже

Схемы логарифмических усилителей с транзистором в цепи обратной связи.
Напряжение на выходе логарифмического усилителя в таких схемах определяется по следующему выражению

Применение логарифмического усилителя с транзистором в цепи обратной связи позволяет значительно расширить динамический диапазон работы усилителя, так усилитель с диодом в цепи ОС имеет динамический диапазон примерно 3 декады, а усилитель с транзистором в цепи ОС – 7 декад.
Идем ниже земли
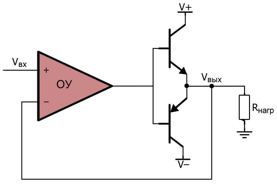
Операционные усилители часто используются с отрицательными выходными напряжениями. Очевидным примером являются синусоидальные сигналы, которые можно найти в аудио, видео и радиочастотных приложениях. Когда операционный усилитель генерирует положительное выходное напряжение, выходной ток течет «из» операционного усилителя и через нагрузку «в» узел земли. Следовательно, когда выходной сигнал положительный, операционный усилитель «отдает» ток. При отрицательном выходном напряжении ток протекает «из» узла земли через нагрузку и «в» операционный усилитель, поэтому теперь операционный усилитель «принимает» ток. Таким образом, для поддержки сигналов, которые по напряжению находятся выше и ниже уровня земли, нам необходим буфер выходного тока, который может «принимать» и «отдавать» ток. Вуаля:
Рисунок 6 – Схема для буферизации выходного тока операционного усилителя на двухтактном усилителе на биполярных транзисторах
Общая идея та же: биполярные транзисторы обеспечивают способность пропускать более высокий ток, а схема обратной связи заставляет ОУ изменять свой выходной сигнал любым необходимым способом, чтобы гарантировать, что напряжение нагрузки Vвых равно Vвх. Разница заключается в добавлении PNP транзистора, который выполняет для отрицательных напряжений нагрузки то же самое, что NPN транзистор для положительных напряжений нагрузки. Другими словами, когда входное напряжение положительное, выходной сигнал операционного усилителя становится положительным, чтобы открыть NPN транзистор, и ток подается от NPN транзистора к нагрузке. Когда входное напряжение отрицательное, выходной сигнал операционного усилителя становится отрицательным, чтобы открыть PNP транзистор, и PNP транзистор принимает ток нагрузки. Вот схема LTspice:
Рисунок 7 – Схема для буферизации выходного тока операционного усилителя на двухтактном усилителе на биполярных транзисторах в LTspice
Обратите внимание, что я выбрал модель PNP транзистора, рекомендованную в качестве комплементарного транзистора в техническом описании для 2SCR293P:

Вот график для входного напряжения VIN и выходного напряжения VOUT. Как обычно, график входного напряжения скрыт под графиком выходного напряжения.
Рисунок 9 – Графики входного и выходного напряжений для схемы буферизации выходного тока операционного усилителя на двухтактном усилителе на биполярных транзисторах
Следующая увеличенная диаграмма включает в себя график выходного напряжения операционного усилителя (VBASE)
Обратите внимание, что действие отрицательной обратной связи заставляет операционный усилитель автоматически обходить «мертвую зону», т. е
диапазон напряжений (примерно от –0,7 В до +0,7 В), в котором оба транзистора находятся в закрытом состоянии.
Рисунок 10 – Графики входного и выходного напряжений схемы и выходного напряжения операционного усилителя
Интегратор
Различные разновидности интеграторов применяются во многих схемах, например, в активных фильтрах или в системах автоматического регулирования для интегрирования сигнала ошибки.

Схемы интеграторов: простой RC-интегратор и интегратор на основе ОУ.
Простой RC-интегратор имеет два серьёзных недостатка:
- При прохождении сигнала через простой RC-интегратор происходит ослабление входного сигнала.
- RC-интегратор имеет высокое выходное сопротивление.
Интегратор на основе ОУ лишён данных недостатков, поэтому на практике применяется чаще. Он состоит из ОУ DA1, входного резистора R1 и конденсатора С1, который обеспечивает обратную связь.
Работа интегратора основана на том, что инвертирующий вход заземлён, согласно принципу виртуального замыкания. Через резистор R1 протекает входной ток IBX, в тоже время для уравновешивания точки нулевого потенциала, конденсатор будет заряжаться током одинаковым по величине IBX, но с противоположным знаком. В результате на выходе интегратора будет формироваться напряжение, до которого конденсатор заряжается этим током. Входное сопротивление интегратора будет равно сопротивлению резистора R1, а выходное сопротивление будет определяться параметрами ОУ.
Основные соотношения интегратора
Основным недостатком интегратора на ОУ является явление дрейфа выходного напряжения. В основе данного явления лежит то, что конденсатор С1, кроме заряда входным током заряжается различными токами утечки и смещения ОУ. Последствием данного недостатка является появление напряжения смещения на выходе схемы, которое может привести к насыщению ОУ.
Для устранения данного недостатка может быть применено три способа:
- Использование ОУ с малым напряжение смещения.
- Периодически разряжать конденсатор.
- Шунтировать конденсатор С1 сопротивление RP.
Реализация данных способов показана на рисунке ниже

Устранение дрейфа выходного напряжения интегратора.
Включение резистора RСД между землёй и неинвертирующим входом позволяет снизить входное напряжение смещения, за счёт уравновешивания падения напряжения на входах ОУ, величина RСД = R1||RP, либо RСД = R1 (при отсутствии RP).
Величина резистора RP выбирается из того, что постоянная времени RPС1 должна быть значительно больше, чем период интегрирования, то есть R1С1
Конденсаторы, применяемые в интеграторах, должны иметь очень малый ток утечки, особенно если частота интегрирования составляет единицы Гц.



















































