↑ О других деталях
Теперь вернемся к нашей схеме. Она отличается простотой. Отдельных моментов заслуживают лишь следующие детали: С3 и С4 — это конденсаторы подавляющие возбуждение или звон. Рекомендуется (при возможности, разумеется) их не ставить. Но увы, возможность такая бывает не часто. Точно нельзя сказать, что именно влияет на появление возбуждения, то-ли разводка, то-ли лампа, то-ли корпус… Но одно точно — возбуждение дает звуку отвратительный оттенок. Увидеть его можно только на хорошем осциллографе, потому если есть сомнения, их лучше поставить. R6 — это резистор, задающий усиление. Вместо него (как раз на нарисованные контакты) можно подключить обычный переменный резистор сопротивлением 15-20 кОм, организовав таким образом регулятор «Gain». Я именно так и сделал. Более ничего. Неправда ли, очень просто?
Купить или сделать своими руками?
У микрофонного предусилителя, сделанного своими руками есть три основных преимущества перед теми моделями, которые можно купить в соответствующем магазине:
- Цена.
- Идеальная адаптация под конкретную задачу.
- Качество звука.
Цена
Итак, цена готового изделия, продаваемого в магазине, кроме стоимости комплектующих компонентов, включает в себя плату за бренд, компенсацию рекламных расходов и прибыль, которую получают все: изготовитель, оптовый и розничный продавцы, плюс транспортные расходы. Вот и получается, что в покупном усилителе один только корпус будет стоить дороже, чем весь микрофонный усилитель, сделанный вручную.
Кроме того, существует целый ряд потребительских качеств, которым обязательно следуют практически все изготовители, чтобы достичь определённой универсальности для возможных применений микрофонных предусилителей. Ведь перед разработчиками стоит задача добиться максимальной совместимости со всеми возможными микрофонами и тем оборудованием, с которым он должен будет работать.
Это приводит к тому, что схема микрофонного усилителя приобретает существенную избыточность в виде различных режимов работы, защиты, регуляторов и индикаторов. И чем больше деталей в устройстве, тем большее влияние они оказывают на качество звука, причём не в лучшую сторону.
Адаптация под конкретную задачу
Но в домашней студии звукозаписи микрофонный усилитель обычно работает с одним конкретным микрофоном, в стационарных условиях, и выполняет всегда одну и ту же задачу. А это значит, что большинство универсальных возможностей покупного преампа нам просто не нужны. Но мы можем сосредоточиться на максимальном качестве именно того, что нам нужно, идеально адаптировав собственную конструкцию под конкретную задачу.
Качество звука
Чем отличается хороший микрофонный усилитель для записи вокала от обычного? В первую очередь тем, что хороший предусилитель не вносит в звук собственных артефактов и искажений, и в то же время создаёт для микрофона самое оптимальное согласование для получения максимально возможного качества преобразование звука в электрический сигнал.
Услышать это на слух при обычной проверке затруднительно. Чтобы оценить качество микрофонного усилителя, с ним нужно поработать в реальных условиях, применяя к уже записанному с помощью него вокалу самые различные обработки. Особенно сильно все недостатки проявляются при больших уровнях компрессии и попытках поместить вокал в плотный микс.
Качество звука современных микрофонных предусилителей, особенно брендовых марок, как правило, особых нареканий не вызывает. Но естественное стремление изготовителей максимально удешевить изделие приводит к тому, что формально все характеристики соответствуют заявленным, но компоненты могут быть недорогими, чисто из маркетинговой целесообразности.
Причём проверить, из чего сделан готовый предусилитель, пока Вы его не купили, далеко не всегда возможно.
Так что пока Вы не купите преамп и не поработаете с ним как следует, качество его Вы не оцените. А вот в собственную конструкцию довольно легко можно внести изменения, если что-то не понравится.
И ещё.
Микрофонный усилитель для электретного микрофона
Электретный микро при громком звуке, выдаёт на выходе порядка 10-15 mV, поэтому для усиления сигнала до уровня 400-600 mV может использоваться схема с одним или двумя каскадами. Конструкция может быть собрана на обычном или полевом транзисторе и интегральной микросхеме. Усилитель микрофона на одном транзисторе выполнен на малошумящем приборе с обратной проводимостью. Схема подходит для применения в звуковых трактах персональных компьютеров. Достоинством устройства является низковольтное питание и его можно питать от пальчиковой батарейки на 1,5 вольта. Величину конденсатора С3 можно изменять в указанных пределах.
Предусилитель для электретного микрофона на трех транзисторах
Это еще один вариант . Особенность данной схемы усилителя для микрофона в том, что подача питания на схему предусилителя осуществляется по тому же проводнику (фантомное питание) по которому идет входной сигнал.
Данный микрофонный предусилитель предназначен для совместной работы с , например, МКЭ-3. Напряжение питания на микрофон идет через сопротивление R1. Аудио сигнал с выхода микрофона поступает на базу VT1 через конденсатор С1. , состоящим из сопротивлений R2, R3 создается необходимое смещение на базе VT1 (примерно 0,6 В). Усиленный сигнал с резистора R5, выступающий в роли нагрузки, идет на базу VT2 который является частью эмиттерного повторителя на VT2 и VT3.
Возле разъема на выходе, установлены дополнительно два элемента: нагрузочное сопротивление R6, через которое идет питание, и разделительный конденсатор СЗ, отделяющий выходной аудио сигнал от напряжения питания.
Классификация микрофонных предусилителей
Устройства классифицируются по нескольким признакам. 4 из них считаются основными.
По форм-фактору
По форм-фактору преампы делятся на:
- встроенные – в виде схемы в составе микрофона или микшерного пульта;
- внешние – самостоятельные приборы.
Предусилители могут быть как вмонтированными, так и отдельными устройствами.
По характеру влияния на сигнал
Различают 2 вида:
- прозрачные;
- окрашивающие.
Первые транслируют сигнал без примесей.
Вторые меняют звучание, делая его теплым, насыщенным и бархатистым.
По схеме
Применяют следующие виды схем:
- ламповую;
- транзисторную;
- гибридную;
- моделирующую.
Гибридная схема содержит компоненты 2 первых типов.
Моделирующая – построена на транзисторах, но включает в себя цифровой преобразователь. Он придает сигналу объемности и теплых оттенков, имитируя эффекты ламповой схемы.
По наличию трансформатора
Данный элемент тоже окрашивает аудиосигнал, придает ему насыщенности. У бестрансформаторных преампов звук чистый и плоский, особенно у транзисторных.
Микрофонный усилитель на одном транзисторе
Схема на полевом транзисторе обладает низким уровнем собственных шумов и обеспечивает коэффициент усиления порядка 20 дБ.Для этого потребовалось увеличить напряжение питания до 9 В, поэтому усилитель питается от батарейки типа «Крона» или от источника внешнего питания. При повторении данной схемы нужно помнить, что полевые полупроводниковые приборы боятся статического электричества, поэтому пайку транзистора нужно выполнять заземлённым паяльником и использовать антистатический браслет. Выводы транзистора перед пайкой нужно соединить между собой, обмотав их тонкой медной проволокой. Схемы микрофонных устройств на транзисторах имеют различные технические решения. Они бывают с несколькими каскадами, с автоматической регулировкой усиления и шумоподавлением.
В первом случае через резисторы R4 иR1 на электретный микрофон подаётся напряжение питания необходимое для его работы. Переменный сигнал в частоты с электродинамического прибора подаётся через конденсатор С3 на базу транзистора. Усилитель для динамического микрофона собирается на одном транзисторе обратной проводимости.
Транзистор ВС547 заменяется на КТ3102Е. Правильно собранная схема начинает работать сразу и не требует регулировки. Схема микрофонного усилителя на одном транзисторе не всегда может обеспечить требуемые параметры, поэтому на практике часто применяются схемы имеющие большее число каскадов.
К усилителю микрофона подключается электродинамический микрофон, но схема может быть доработана и для электретного устройства. Для этого электролитический конденсатор С2 меняется на обычный ёмкостью 4,7 мкФ, а в точку его соединения с микро подаётся питающее напряжение через резистор 2-3 кОм. Коэффициент усиления устройства достигает 200 в полосе частот от 40 Гц до 20 кГц. Применение транзисторов разной структуры позволило исключить переходной конденсатор между каскадами. Он обычно вносит заметные искажения в схемы усиления низкой частоты.
Готовые усилители
Дорогие варианты рассматривать не буду, извините. Предполагается, что бюджет предельно ограничен.
Усилители для колонок/наушников не подойдут. Они недостаточно чувствительные, не подают фантомное питание на микрофон, а выходная мощность слишком большая даже для линейного входа.
На Алиэкспресс устройства нужно искать запросами «микрофонный предусилитель» и «предусилитель микрофона». Самые дешёвые варианты стоят полторы-две тысячи рублей. Предназначены для караоке, но, если не выкручивать на полную громкость, можно подключить к линейному входу.
За три тысячи рублей можно найти полноценный предусилитель, к которому еще и музыкальный инструмент подключается. Например, гитара со звукоснимателем.
Для подключения дешёвого компьютерного микрофона понадобится переходник 3.5 мм джек > 6.3 мм джек. У компьютера должен быть линейный вход.
И не стоит забывать про такое чудо, как конденсаторный микрофон BM 800, завоевавший голосовые связки ютуберов, обозревающих товары из китайшопов:
BM 800 микрофон для компьютера Конденсаторный 3.5 мм Проводной
Уточняю: я не рекомендую его к покупке. Не совсем понятно, при каких условиях он нормально работает, слишком уж противоречивы отзывы. Но иногда ВМ 800 можно найти за 300-500 рублей, что не сильно дороже примитивных электретных, зато с предусилителем. Но подключается он к микрофонному входу, а значит — привет, помехи звуковой карты.
Следует учитывать
И, конечно же, нужно рассказать о правилах, которые стоит соблюдать, чтобы обеспечить стабильную и долговечную работу операционного усилителя.
Самое главное – ОУ обладает очень высоким коэффициентом усиления по напряжению. И если между входами напряжения изменятся на долю милливольт, на выходе его значение может измениться существенно
Поэтому важно знать: у операционного усилителя выход старается стремиться к тому, чтоб между входами разница напряжений оказалась близка (в идеале равна) к нулю
Второе правило – потребление тока операционным усилителем крайне малое, буквально наноамперы. Если же на входах установлены полевые транзисторы, то оно исчисляется пикоамперами. Отсюда можно сделать вывод, что входы не потребляют ток, независимо от того, какой используется операционный усилитель, схема — принцип работы остается тем же.
Но не стоит думать, что ОУ действительно постоянно меняет на входах напряжение. Физически это осуществить почти нереально, так как не было бы соответствия со вторым правилом. Благодаря операционному усилителю происходит оценка состояния всех входов. При помощи схемы обратной внешней связи передается напряжение на вход с выхода. Результат – между входами операционного усилителя разница напряжений находится на уровне нуля.
Правила подключения
Так как электретные микрофоны отличаются довольно высоким выходным сопротивлением, то их без каких-либо проблем можно будет подводить к ресиверам, а также усилителям с входящим повышенным сопротивлением. Чтобы проверить усилитель на работоспособность, нужно просто подключить к нему мультиметр, а затем посмотреть на получившееся значение. Если в результате всех измерений рабочий параметр оборудования будет соответствовать 2-3 единицам, то усилитель смело можно использовать с электретной техникой. В конструкцию почти всех моделей электретных микрофонов обычно входит предусилитель, которые называют «преобразователь сопротивления» либо «согласователь импеданса». Его подключают к импортному трансиверу и мини-радиолампам, имеющим входное сопротивление около 1 Ом со значительным выходным сопротивлением.
В целом схема включения выглядит следующим образом.
Для поддержания нормальной работы устройства важно подать на него питание с соблюдением полярности. Для трехвходного устройства типично соединение минуса с корпусом, в этом случае питание производится через плюсовой вход
Затем через разделяющий конденсатор, откуда и производится параллельное подключение ко входу усилителя мощности.
Двухвыходная модель питается через ограничительный резистор, также на положительный вход. Тут же снимается и выходной сигнал. Далее принцип тот же – сигнал идет на разделительный конденсатор, а затем на усилитель мощности.
Как подключить электретный микрофон, смотрите далее.
Источник
Микрофонный предварительный усилитель на 2-х транзисторах
Структура построения любого предусилителя очень сильно влияет на его шумовые характеристики
Если брать во внимание тот факт, что используемые в схеме предусилителя качественные радиодетали все равно в той или иной мере приводят к искажениям (шумам), то очевидно, что единственный выход получить более-менее качественный микрофонный усилитель — это сократить число радиокомпонентов схемы. Примером может послужить следующая схема двухкаскадного предварительного усилителя на транзисторах
С данном варианте количество разделительных конденсаторов сведено к минимуму, поскольку транзисторы включены по схеме с общим эмиттером. Так же между каскадами существует непосредственная связь. Для стабилизации режима работы схемы, при изменении внешней температуры и напряжения питания, в схему добавлена ООС по постоянному току.
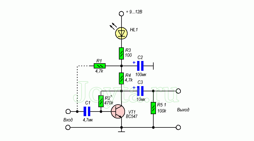
Схема универсального микрофонного усилителя.
Представленная схема микрофонного усилителя может усиливать сигнал, как электретного, так и динамического микрофона.
Величина резистора R4 определяет коэффициент усиления микросхемы DA1.
Максимальный коэффициент усиления достигается при R4 = 0.
Для оперативной регулировки и ограничения уровня входного сигнала при перегрузке используется потенциометр R3.
Резистор R2, диод VD2 и светодиод HL1 представляют собой делитель напряжения, на котором формируется 2,2В для питания электретного микрофона. Резистор R1 является нагрузкой электретного микрофона. Светодиод HL1 также осуществляет функцию индикатора питания.
Печатная плата
После того, как я определился со схемой и опробовал ее на макете, пришла пора запилить печатную плату. Я уже несколько лет не делал печаток, но на удивление все получилось проще, чем я думал. Платы я развожу в P-CAD, поэтому нарисовал по быстрому схему и спустя несколько часов залипания в комп получил готовую печатку.
Плата была упакована в размеры 20х45мм. Такие размеры получились из-за выбранного корпуса, но они видятся мне удобными практически для любого корпуса. Указанные размеры соответствуют нарисованной по периметру полоске.
Скачать печатную плату предусилителя для микрофона вы можете по одно из ссылок ниже. Плата сохранена в формате ПДФ и готова к печати.
Я сделал два варианты платы, разница лишь в том, что первая как на рисунке выше, а вторая зеркальная. В случае использования зеркальной платы, после переноса она станет нормальной и детали следует располагать со стороны дорожек.
Предварительный усилитель
Уровень электрического сигнала на его выходе таков, что если его подать на громкоговорители, то мы ничего не услышим. Так для чего же он нужен?
Прежде всего, — для коммутации. Все вышеназванные источники подключаются к предусилителю в оптимальном для каждого из них режиме.
Дело в том, что разные источники имеют разный выходной уровень сигнала: CD-плеер или тюнер выдают сигнал т.н. линейного уровня (порядка полу-вольта), а виниловый проигрыватель — во много сотен раз меньше.
Кроме того, пользователь должен иметь возможность переключать источники, и те при этом должны звучать с примерно одинаковой громкостью. Для этого требуется согласование уровней сигналов разных источников и их подъем до уровня, который достаточен для работы входного каскада усилителя мощности.
Еще одна функция предварительного усилителя — организация и коммутация т.н. сквозных каналов, т.е. возможности во время прослушивания еще и записывать сигнал на тот или иной рекордер, в том числе осуществлять два эти процесса независимо.
Другая важная функция — регулирование выходной громкости и частотной коррекции сигнала, для чего на передней панели располагаются регуляторы громкости и уровней высоких и низких частот. Часто присутствует и кнопка прямого сигнала, т.е. обхода частотного корректора, и кнопка так называемой тонкомпенсации, предназначенной для подъема низких и высоких частот при прослушивании на пониженной громкости. Предварительный усилитель может иметь и дополнительный фильтр инфранизких частот, особенно полезный при использовании проигрывателя грампластинок.
На задней панели предусилителя находятся гнезда входов для подключения источников, обычно их 5-6 и они выполнены по т.н. несимметричной схеме для подключения разъемов типа RCA (в обиходе называемых «тюльпанами»), там же находятся и гнезда выходов. Обычно их два — главный для подключения к усилителю мощности и дополнительный для записи. На некоторых дорогих моделях бывают и т.н. симметричные соединения типа XLR, обычно используемые в профессиональном оборудовании. Их главное достоинство — возможность без помех передавать слабый сигнал на очень большое, в десятки метров, расстояние, — для обычного домашнего прослушивания это малосущественно, так что нет никакого резона переплачивать за функцию, которой Вы, скорее всего, не воспользуетесь.
Практически все современные усилители имеют возможность дистанционного управления громкостью и переключением источников, часто с их помощью можно управлять и некоторыми функциями других приборов той же фирмы, например, включением воспроизведения CD-плеера и т.п. одной фирмы. Следует учесть, что раздельное усиление, т.е. предварительный усилитель и усилитель мощности — дорогое решение, так как стоимость каждого из них начинается от 20 тыс .руб.
Печатные платы.
На изображениях печатных плат, представлен вид со стороны элементов. Дорожки просвечиваются сквозь плату.
На картинке пример разводки печатной платы универсального микрофонного усилителя.
- Вход.
- Верхний по схеме конец потенциометра R3.
- Движок потенциометра R3.
- Анод светодиода HL1.
- Корпус.
- Питание +6В.
- Выход.
- Корпус.
Пример разводки печатной платы усилителя динамического микрофона.
Сам я изготовил печатную плату исходя из размеров имеющихся в моём распоряжении элементов управления и корпуса.
Ссылка на чертежи печатных плат в конце статьи.
Читать также: Как выбрать автомат по току
Главные преимущества
В сравнении со встроенным внешний преобразователь имеет следующие достоинства:
- Подавляет шумы (P.I.N. свыше -127 dBu), что особенно нужно при записи тихих источников.
- Отсекает ненужные частоты.
- Придает звуку глубины и особый бархатистый оттенок вместо «стерильности», присущей встроенным аналогам.
- Имеет запас гейна свыше 60 дБ (требуется многим динамическим микрофонам).
- Оснащен дополнительными функциями.
Последний пункт включает в себя:
- изменение фазы;
- Low Cut (пропускает частоты выше или ниже заданной);
- ступенчатое переключение гейна.
Преимущества внешних предусилителей в наибольшей степени проявляются с увеличением громкости свыше 40-50 дБ. Звук остается прозрачным, тогда как встроенная схема в таких условиях дает дефекты.
Предусилитель для микрофона
Из самого названия статьи понятно, что мы будем что-то усиливать. Для начала рассмотрим один пример. Вы подключили к компьютеру динамический микрофон и решили записать свой голос. Но кроме очень тихой речи, переполненной множеством шумов и помех вы ничего не услышали. А все потому, что на входе аудио-карты компьютера появляются 1,5 В. Это самые полтора вольта прижимают катушку внутри микрофона, а когда вы говорите, они мешают ей двигаться. Значит это напряжение нужно как-то убрать и усилить сигнал. Для этого мы и сделаем предварительный усилитель. То есть, звук с микрофона попадет в компьютер уже усиленный и без шумов.
И так, приступим.
Для этого нужны следующие компоненты:
Резисторы – 4,7 кОм – 2шт., 470 кОм, 100кОм.Конденсаторы – 4,7 мкФ, 10 мкФ, 100 мкФ.Транзистор – КТ315.Светодиод – не обязательно.
Инструменты:Паяльник, кусачки, пинцет, ножницы, клеевой пистолет и т.д.
Приступаем к изготовлению.
1. Для начала разберемся со схемой и деталями.Резистор R5 ставится для электретного микрофона и выполняет роль смещения напряжения. Его мы не используем. Транзистор КТ315 можно заменить на КТ3102, BC847. У КТ3102 коэффициент усиления больше, поэтому его предпочтительнее ставить. Светодиод не обязателен. Если он не нужен, замените его диодом. У себя я нашел кусочек самодельной макетной платы. На ней и буду делать схему.
2. Теперь согласно схеме, припаиваем все компоненты.
3. Далее припаиваем разъемы питания, вход и выход для микрофона, выключатель питания. Разъем для джека на 6,3 мм. я взял от старого DVD проигрывателя, джек на 3,5 мм. – от магнитофона. Разъем для батареи от нерабочей кроны, выключатель от игрушечной машинки. Припаиваем все к плате.
На фото нет светодиода, он появился позже.
4. Теперь займемся корпусом. У меня нашлась какая-то пластмассовая коробочка без дна. Она как раз подошла под все детали. В ней сверлим отверстия под разъемы, светодиод, вырезаем прямоугольное отверстие под выключатель.
5. Теперь собираем все в корпус. Крону и плату приклеиваем на двухсторонний скотч, разъемы на термоклей.
Дно сделал из прочного черного картона.
6. Проверяем. У меня имелся самый дешёвый караоке-микрофон BBK. Его я и подключил. Далее проводом джек-джек, подключаем выход усилителя к компьютеру, колонкам, или к чему вам нужно. Включаем питание. Светодиод загорелся. Предусилитель работает.
7. Подключив этот усилитель к компьютеру, я сам удивился качеству записи. Звук без шумов, усиление микрофона убавлено на 0. Даже громкость микрофона пришлось немного убавить.
В общем, такую простую в повторении схему я могу вам порекомендовать к сборке. Она не требует каких-то труднодоступных деталей, их можно найти в любой строй технике. А так же качество записи очень хорошее, даже с таким микрофоном. Спасибо, всем удачи!
Получайте на почту подборку новых самоделок. Никакого спама, только полезные идеи!
*Заполняя форму вы соглашаетесь на обработку персональных данных
Схема простого микрофонного предусилителя на одном транзисторе
Данная схема микрофонного предусилителя работает как с динамическим, так и с электретными микрофонами.
Работа электретных микрофонов базируется на возможности определенных видов материалов с повышенной диэлектрической проницаемостью (электретов) менять поверхностный заряд под воздействием акустической волны. Данный тип микрофонов отличается от динамического высоким входным сопротивлением.

При использовании электретного микрофона, для смещения напряжения на микрофоне, необходимо установить сопротивление R1
микрофонный усилитель на одном транзисторе
Поскольку эта схема микрофонного усилителя для динамического микрофона, то при использовании электродинамического микрофона его сопротивление должно быть в диапазоне от 200 до 600 Ом. При этом конденсатор C1 необходимо поставить до 10 мкф. Если это будет электролитический конденсатор, то его плюсовой вывод необходимо подключить в сторону транзистора.
Питание осуществляется от батареи крона или же от стабилизированного источника питания. Хотя лучше от батареи, чтобы исключить шумы. Биполярный транзистор BC547 можно заменить на отечественный КТ3102. Конденсаторы электролитические на напряжение 16 вольт. Для предотвращения помех, подключать предусилитель к источнику сигнала и к входу усилителя необходимо экранированным проводом. Если необходимо дальнейшее мощное усиление звука, то можно собрать усилитель на микросхеме TDA2030.
Самые интересные ролики на Youtube
При отключении режима «Microphone Boost», удалось снизить шумы, но уровень усиления стал таким низким, что записать что-либо стало невозможно.
Я уже было решил купить отдельную аудио карту, но обнаружилось, что хорошая аудио карта стоит очень дорого, а бюджетная за 10$, хотя и имеет более низкий уровень шумов, но также обладает микрофонным усилителем с не очень высоким коэффициентом усиления.
Так что, взялся я за изготовление простенького микрофонного усилителя.
Первые же опыты с макетами микрофонных усилителей показали, что уровень шумов можно снизить, а усиление повысить.
Остаётся только диву даваться тому, как умудряются разработчики компьютерного железа выдавать на гора такие «перлы», тогда как всего несколько копеечных деталей решают проблему шума и усиления.
Читать также: Схема подключения датчика день ночь для освещения
Как сделать микрофонный предусилитель своими руками
Используя подходящую схему собрать устройство будет несложно.
Инструменты и материалы
В работе используются инструменты:
- паяльник;
- кусачки;
- ножницы;
- пинцет;
- клеевой пистолет.
Кроме этого, потребуются:
- радиодетали – светодиод, 2 резистора 200-600 Ом, 2 конденсатора емкостью до 10 мкф, транзистор КТ315 (можно заменить на КТ3102 или ВС847);
- провода;
- штекер и разъемы от старого магнитофона, DVD-проигрывателя или другой техники;
- выключатель от игрушечной машинки;
- припой и канифоль;
- макетная плата.
Пошаговая инструкция
Начинают с выбора схемы. Новичку подойдет самый простой вариант, основанный на транзисторном каскаде с общим эмиттером. Он усиливает сигнал микрофона в 2 раза.
Последовательность действий:
- Макетную плату промывают растворителем.
- Припаивают к ней разъемы – питания, вход и выход микрофона.
- Распаивают на плате радиодетали согласно схеме.
- Из пластмассовой коробки изготавливают корпус, высверлив сверлом «по дереву» отверстия под разъемы.
- Плату вклеивают в корпус или прикручивают шурупами, если имеются резьбовые стойки.
- Приклеивают крышку корпуса.
- Подключают предусилитель к звуковой карте компьютера или колонке, затем проверяют напряжение на входе микрофона. Оно должно составлять 5 В.
Если вольтаж отличается, берут другой штекер и подсоединяют его к разъему. Далее снова проверяют напряжение между длинным выводом и каждым из 2 коротких. Щупы мультиметра располагают так, чтобы не замкнуть выводы накоротко.



























































