Ложка дегтя в бочку меда
При всех очевидных плюсах, самым большим минусом данной микросхемы является ее корпус. Микросхема выпускается только в корпусе предназначенном для поверхностного монтажа, размерами 3х3 мм. Размеры контактов составляют 0.6х0.2 мм, а расстояние между ними 0.25 мм.
Изготовить плату с такими контактами в домашних условиях — не самое простое занятие. Можно облегчить себе жизнь, если купить готовый модуль со впаянной микросхемой и обвязкой.
Вообще TPS65133 не единственная. В этом же ряду есть микросхемы TPS65130 TPS65131, TPS65132, TPS65135….. Однако либо их характеристики мене интересны, либо корпус еще хуже.
Буду очень признателен всем, кто подскажет микросхемы с аналогичными характеристиками. Жду Вас в комментах
Материал подготовлен исключительно для сайта AudioGeek.ru
Источник
Как сделать двухполярное питание из однополярного источника: трансформатор с одной вторичной обмоткой
Двухполярное питание из однополярного. Хотел бы в этой статье рассказать как я сделал двухполярное питания используя при этом однополярное. Не так давно я для собственных нужд собрал пару усилителей мощности на микросхеме TDA7294, далее для них нужно было подогнать импульсник с двухполярным питанием.
Электронные компоненты для импульсного блока питания у меня были заготовлены не полностью, а собранные усилители протестировать хотелось уже сейчас. Силового транса с двумя вторичками, да еще и с необходимым мне напряжение, в моем загашнике конечно не нашлось.
Но зато у меня хранились на всякий случай пара мощных трансов, каждый только с одной вторичной обмоткой, и причем на разные напряжения. Вообщето у меня была своя задумка как выйти из этого положения исходя из наличия имеющихся деталей. Поэтому поискав в Интернете дополнительную информацию я начал делать схему, с помощью которой можно было бы с одной вторичной обмотки снять напряжение имеющее две разные полярности.
Конечно в устройстве, которое способно обеспечить двухполярное питание из однополярного, ничего сложного нет, но я думаю для начинающих радиолюбителей он будет полезна:
Необходимые электронные компоненты:
| ОБОЗНАЧЕНИЕ | ТИП | НОМИНАЛ | КОЛИЧЕСТВО | КОММЕНТАРИЙ |
| VDS1,VDS2 | Выпрямительный диодный мост | Любой на нужное напряжение и ток | 2 | Распространенные KBU-610, KBU-810 |
| C1,C5 | Электролит | 4700 мкФ 50В | 2 | |
| C2,C6 | Конденсатор неполярный | 100 нФ | 2 | Пленка или керамика |
| C3,C4 | Электролит | 470 мкФ 100В | 2 |
Предложенная в этой публикации схема электронного устройства для конвертирования двухполярного питания из однополярного работает только с переменным входным напряжением, входной постоянный ток для нее не приемлем. Принцип работы этого модуля заключается в том, чтобы получить от одной вторичной обмотки трансформатора переменное напряжение с двумя полярными значениями.
Диоды для выпрямителя выбирайте такие, чтобы выдерживали ток в 2,5 больше, чем максимальный ток потребления усилителя или любого другого устройства куда вы намерены его ставить. В моем распоряжении оказались плоские мостовые выпрямители KBL рассчитанные на ток 15А и напряжение 400V. Вот как на фото ниже:
Это конечно очень жирно, на этот усилитель ставить такие мощные мосты, но для проверки работоспособности аппарата пришлось ставить их. В дальнейшем я их конечно заменю, например, на 4 амперные RBA401У с напряжением 100v, такие мосты свободно обеспечат корректную работу усилителя. Вообщето сейчас выбор мостов большой, не только по электрическим параметрам, но и по типу корпуса.
В случае применения вами данного модуля на устройствах требующих напряжения питания больше 50v, тогда нужно будет установить электролиты C1 и C5 с напряжением соответствующему рабочему напряжению устройства, ну разумеется с запасом. Если у вас не под рукой емкостей с номиналом, который указан на схеме, то можно поставить четыре кондера по 2200µF, соединив параллельно по два в каждое плечо.
В качестве силового источника питания я использовал тороидальный трансформатор, имеющий только одну выходную обмотку с напряжением 30v и потребляемой мощностью мощностью немного больше 55V·A. В итоге, на концах выходной цепи выпрямителя получилось ±43v постоянного напряжения.
Во время тестирования усилителя я его нагрузил по полной, и мощность в нагрузке составила, где то 38W при падении напряжения 24v на максимальной мощности. Но в таком слишком большом падение, ясное дело, виноват маломощный трансформатор. Электронные компоненты установленные на печатной плате были абсолютно холодными.
Снимаем двухполярное питание с одной вторичной обмотки
В заключение хочу сказать, что такое устройство отлично работает, никаких нареканий к нему нет.
Файл печатной платы в формате .lay: Скачать Dvuhpolyarka
Обратный ток акустической системы
Как известно, акустическая система является реактивной нагрузкой. А значит, она может возвращать ток усилителю. Этот ток, протекая по проводникам, создаёт разность потенциалов, что может привести к появлению положительной обратной связи и как следствие нестабильности усилителя.
Для избежания этого, земляную клемму громкоговорителя следует подключать к общему выводу конденсаторов фильтра питания. Часто вывод громкоговорителя подключают к общему выводу микросхемы, как показано на рисунке:
Такое подключение замыкает отрицательную полуволну сигнала в локальном контуре, исключая фильтрующий конденсатор, который мог бы снизить излучаемые помехи и повысить стабильность системы.
На рисунке показано, как ток утечки на землю одной полуволны сигнала может навести неприятные помехи и искажения, если общий провод громкоговорителя подключен к выводу выходного каскада микросхемы:
Аналогично, если на плате усилителя в цепях питания есть байпасные конденсаторы (а они обычно есть) довольно большой ёмкости в несколько сотен микрофарад, то импульсы зарядного тока также создадут на общем проводнике разность потенциалов. Поэтому, повторимся ещё раз, наилучшая точка подключения общего провода акустической системы — это общий вывод конденсаторов фильтра питания.
Настройка делителя однополярного напряжения.
Правильно собранная схема начинает работать сразу. Резистор R3 предназначен для установки равенства выходных двухполярных напряжений. Его настройку удобнее делать на двухлучевом осциллографе, подключив двухполярные выходы устройства ко входам осциллографа и включив режим взаимного вычитания сигналов. Вращая шлиц потенциометра устанавливают максимальное вычитание сигналов. В случае появления «биений» выходного напряжения в результате возбуждения и самогенерации, необходимо уменьшить значение резистора R5, увеличив при этом обратную отрицательную связь.
Микросхема К140УД7 ограничена по питанию до 15 вольт в «плече», поэтому для получения больших выходных напряжений необходимо подключать питание к выводам 4 и 7 через «добавочные» стабилитроны, но при этом возрастёт и нижний уровень выходных напряжений.
В данной микросхеме предусмотрена возможность регулировки баланса нуля с помощью внешнего подстроечного резистора. При изменении напряжения питания, её необходимо регулировать, поэтому мы её в своей схеме не используем.
По нестандартности решения, устройство, предназначенное для получения двухполярного напряжения из однополярного уникально. По своей простоте и надёжности схемы, это самый лучший способ получения двухполярного питания.
Зачастую для работы многих схем требуется двухполярное напряжение питания — однополярное с средней точкой. Т.е. когда за «Землю» принимается не минусовой вывод источника питания, а ровно половина выходного напряжения. Тогда получается относительно земли два напряжения +U и -U равной, по модулю величины.
Характерной особенностью правильного двухполярного источника питания является равные величины без знака +U и -U ВСЕГДА — если посмотреть двухлучевым осциллографом форму выходных напряжения, то пульсации сетевой частоты, а она всегда есть в реальном источнике питания, симметричны. Под влиянием недостаточной фильтрации пульсаций при увеличении +U, на столько же уменьшается и -U, для выполнения условия модуль(+U) = модуль(-U). После выше изложенного у вас закрался ответ на вопрос, зачем применяют двухполярные источники питания?
Ответ прост — для устранения влияния пульсаций питающего напряжения. Как бы мы не пытались спроектировать хороший фильтр с максимальныи КПД, сглаживающий пульсации после выпрямителя, например увеличением номиналов электролитических конденсаторов, применением активных фильтров на транзисторах, существуют устройства, для которых полученные значения уровня пульсаций все равно не приемлемы. Например приемники прямого преобразования, в состав которого входит усилитель низкой частоты с коэффициентом усиления ~ 100000, т.е. на его вход подается сигнал с уровнем ~ 1..10мкВ.
Типичным потребителем двухполярного напряжения питания являются операционные усилители. Правда их можно включить в схему и из однополярным напряжением питания, но в этом случае теряются приемущества двухполярного. В любом даташите на ОУ можно найти параметр «Supply-voltage rejection ratio», значение которое находится в пределах обычно 80 .. 100 дБ. Выражает соотношение изменение напряжение питания к изменению напряжения на выходе ОУ, выраженное в децибелах. Проще говоря коэффициент подавления пульсаций напряжения питания. Коэффициент подавления пульсаций фильтра однополярного источника питания значительно ниже.
Собственно схема преобразования однополярного напряжения в двухполярное представлена ниже. Это один из возможных вариантов. Популярна так же схема с двумя диодными мостами и одной вторичной обмоткой трансформатора. Но в моем устройстве трансформатор вынесен из корпуса, и на вход подается уже выпрямленное напряжение, так что…
Транзисторы Q1 и Q2 BD139 BD140 следует заменить на другие с достаточным коэффициентом уситения по току h21э. Я применил BDX33 BDX34 дарлингтона с значением 750. Операционный усилитель можно применять практически любой. Например LM358. В данном случае я применил который валялся под рукой — NE5532. Он сдвоенный, как видно из схемы. Триммером RV1, который должен быть многооборотным, выставляем половину напряжения питания.
Уважаемый Пользователь!
Собираем простой двухполярный лабораторный блок питания для лаборатории начинающего радиолюбителя. Доброго дня уважаемые радиолюбители! На этом занятии Школы начинающего радиолюбителя мы начнем создавать лабораторию радиолюбителя. Для более-менее качественного исполнения задуманной конструкции радиолюбителю необходим минимальный набор приборов для настройки и проверки работоспособности собираемой им схемы. Кроме мультиметра тестера необходимо иметь: лабораторный блок питания для проверки работоспособности и настройки схемы, и чтобы для каждой схемы, прежде чем наладить ее, не собирать отдельный источник питания ; генератор импульсов прямоугольных, пилообразных, синусоидальных — для настройки схемы ; частотомер для измерения частотных характеристик собираемой схемы или ее настройки. Это основные приборы. Начнем мы с лабораторного блока питания.
Двуполярный стабилизатор напряжения на основе однополярной микросхемы DA1 с напряжением стабилизации 5 В выполнен по схеме рис. 12 в .
Использование операционных усилителей
Как известно, у диодов вольтамперная характеристика нелинейная, создавая однофазный прецизионный (высокоточный) выпрямитель двухполупериодного типа на микросхеме ОУ, можно существенно снизить погрешность. Помимо этого, имеется возможность создать преобразователь, позволяющий стабилизировать ток на нагрузке. Пример схемы такого устройства показан ниже.
Схема: простой стабилизатор на операционном усилителе
На рисунке изображен простейший стабилизатор тока. Используемый в нем ОУ — это управляемый по напряжению источник. Такая реализация позволяет добиться, чтобы ток на выходе преобразователя не зависел от потери напряжения на нагрузке Rн и диодном мосту D1-D4.
Если требуется стабилизация напряжения, схему преобразователя можно незначительно усложнить, добавив в нее стабилитрон. Он подключается параллельно сглаживающей емкости.
Работа ОУ от двухполярного источника питания
Как указывалось в одной из предыдущих статей, в основе операционного усилителя лежит дифференциальный каскад на транзисторах, для питания которого требуется источник питания с двумя напряжениями – положительным и отрицательным. Причем оба эти напряжения должны быт одинаковы: например, +5 и -5 В, +12 и -12 В. Типовая схема подключения ОУ к источнику питания приведена ниже
Типовая схема питания ОУ.
Типовая схема питания ОУ состоит из следующих элементов: конденсаторов С1, С2, защитный диодов VD1, VD2 и двухполярного источника питания +Uпит, -Uпит. Защитные диоды VD1 и VD2 являются необязательными элементами схемы, но рекомендуются для всех источников питания, где есть возможность случайно перепутать выводы питания.
Конденсаторы С1 и С2 обеспечивают развязку шин питания по переменному току и должны подключаться как можно ближе к выводам микросхемы. Данные конденсаторы должны иметь ёмкость порядка 0,001 – 0,1 мкФ.
Так как современные ОУ имеют достаточно большое усиление на высоких частотах, то довольно часто возникает паразитная обратная связь по цепям питания усилителя. Поэтому довольно часто в дополнение к развязывающим конденсаторам С1 и С2 в цепях питания ОУ часто подключают конденсаторы непосредственно к шинам питания, что улучшает стабильность усилителей.
Переделка компьютерного БП в двухполярный источник питания
В очередной раз встает вопрос о переделке компьютерного блока питания. На этот раз в двухполярный источник питания. Возникла нужда в таком источнике питания для усилителя. Но железный трансформатор мотать не хочется, а сборка с нуля импульсного блока питания занимает слишком много времени. Вот и было решено получить нужное напряжение из компьютерного блока питания. Сам источник питания был необходим для усилителя на микросхеме TDA7294.
И стоит заметить, что многие начинающие радиотехники сталкиваются с такой проблемой – собрали усилитель, но не могут определиться с блоком питания.
На самом деле это сложно назвать переделкой, поскольку компьютерный блок питания без всяких разных переделок может отдавать нужное напряжение для подобных целей. И для этого прежде всего необходимо раздобыть рабочий блок питания абсолютно любой мощности и формата.
Про силовые шины и выходные напряжения должно быть все понятно из следующего рисунка:
По идее, необходимо соединить зеленый провод с любым из черных, чтобы запустить блок питания.
Затем нужно взять пару многожильных проводов и припаять их к тем выводам трансформатора, которые изображены на рисунке ниже:
Ничего сложного! А вся хитрость в том, что в компьютерном блоке питания все выпрямители однополярного типа со средней точкой.
То есть все обмотки, по сути, двухполярные, и если использовать концы этих обмоток и пустить их на отдельный диодный выпрямитель, то можно получить напряжение в 2 раза больше, чем с однополярным выпрямителем, который задействован в компьютерном блоке питания.
Земля блока питания останется самой собой и в этом случае, то есть средней точкой.
Остается подобрать только диодный мост.
В предлагаемом варианте необходимо использовать диоды с обратным напряжением не меньше 100 В. Они обязательно должны быть импульсного типа. Можно также задействовать диоды Шоттки.
Идеальным вариантом являются отечественные КД213. Они довольно мощные и к тому же без проблем работают на таких частотах.
После переделки получается двухполярное напряжение, а если быть точнее, двухполярные 30 В. Это как раз то, что нужно для микросхем типа TDA7294.
И самое важное – будет работать защита. При коротком замыкании блок попросту уйдет в защиту
Чтобы снять ее, необходимо на короткое время разъединить зеленый и черный провода, а затем соединить снова. Если блок будет постоянно использоваться, то стоит поставить выключатель.
В зависимости от блока питания 12-вольтовые шины на трансформаторе могут быть с разных сторон, поэтому, чтобы не путаться, необходимо отследить путь желтого выходного провода и найти диодную сборку на шине 12 В.
Потом нужно припаять провода к крайним выводам этой сборки.
Не будет работать только стабилизация, но, в принципе, для питания усилителя она вовсе не нужна.
Источник
Чем больше мощность, тем хуже.
Часто радиолюбители стараются сделать свой усилитель как можно мощнее (типа, так круче), да и аудиофилы зачастую оснащают свои системы усилителями с мощностью в разы превышающей необходимую для озвучивания обычной комнаты до нормального уровня громкости, мотивируя тем, что так получается больший динамический диапазон. Такие усилители (большой мощности) порой решают одни проблемы, но создают другие.
Индуктивность проводников питания является основным «слабым звеном» усилителей мощности класса АВ. В таких усилителях выходные транзисторы включаются и выключаются поочередно, соответственно по плюсовой и минусовой шинам питания протекают полуволны зарядных токов.
Если эти импульсы через емкостные и индуктивные связи попадут в звуковой тракт это приводит к ужасному размытому звучанию.
Такое происходит, если какая-то чувствительная дорожка (проводник) проходит рядом с шиной питания. Бифилярная свивка проводов питания эффективно подавляет излучаемые помехи за счёт взаимной компенсации положительной и отрицательной полуволн.
На печатной плате этот метод можно реализовать, если шины питания расположить друг над другом с двухсторон платы (требуется двухсторонняяя печатная плата)
Заземление одной стороны печатной платы хорошо работает в высокочастотных и слаботочных конструкциях. Для усилителей мощности это не подходит, потому как трудно предсказать протекание токов в зависимости от выбора точек заземления.
В современных ламповых усилителях часто общую шину делают в виде отрезка тостого лужёного провода. Многие гуру проповедуют разводку звездой с единственной точкой подключения. Бывают случаи, когда при таком подходе усилители плохо работают. Сказывает большое количество длинных проводов, которые снижают стабильность конструкции.
Как правило, в хорошем усилителе есть несколько точек заземления.
Двуполярное питание от одной обмотки трансформатора.
Как получить разнополярные напряжения от однополярного источника или трансформатора с одной вторичной обмоткой.
«Как нам быть, если имеющийся однополярный выпрямитель необходимо дополнить выпрямителем противоположной полярности, а перемотка сетевого трансформатора нежелательна?» — справедливо озадачились вопросом английские радиолюбители и сами же на него ответили в журнале «Wireless World» аж в далёком 1980 году. Как это выглядит?
Дополнительный выпрямитель, состоящий из диодного моста V2 и сглаживающего конденсатора С4, подключается к вторичной обмотке силового трансформатора через разделительные конденсаторы С1 и С2.
«Wireless World» (Англия), 1980, №8 Радио №7, 1982 г.
Рис.1 Двуполярное питание от одной обмотки на двух мостах
Скромненько, со вкусом, но на этом — вся статья.
На самом деле, многочисленные заявления по поводу того, что подобные преобразователи слаботочны и не «держат» мощных нагрузок, с одной стороны, весьма преувеличены, с другой — имеют под собой некоторую почву в виде требований, предъявляемых к величине ёмкостей С1 и С2. Теоретически источники отрицательного напряжения способны отдавать мощность, соизмеримую с мощностью основного положительного источника и в сумме с ним обеспечивать мощность равную мощности трансформатора.
А из каких соображений следует выбирать номиналы разделительных конденсаторов? Тут всё просто — их реактивные сопротивления на частоте 50 Гц должны быть в 30. 40 раз меньше, чем сопротивление Rн при максимальном токе, где Rн = U/Imax . Рассчитать эти сопротивления можно на странице — ссылка на страницу.
Уменьшить количество разделительных конденсаторов до 1 шт. можно воспользовавшись следующей схемой.
Рис.2 Схема выпрямителя с формированием двуполярного выходного напряжения
Выходное напряжение трансформатора выбирается исходя из требуемых напряжений, а рабочие напряжения разделительных конденсаторов должны выдерживать вдвое большие величины, чем пиковые значения выпрямленного переменного напряжения.
Теперь можно забыть про разделительные конденсаторы и перейти к схеме, представленной на Рис.3.
Тут всё очень просто — два однополупериодных выпрямителя разной полярности на диодах VD1 и VD2 и два сглаживающих конденсатора — С1 и С2.
Недостатком схемы является необходимость применения электролитов ёмкостями в два раза большими, чем в аналогичных выпрямителях, выполненных по двухполупериодной схеме.
Рассчитать номиналы этих конденсаторов можно в калькуляторе на странице — ссылка на страницу.
Рис.3 Двуполярное питание от одной обмотки на однополупериодных выпрямителях
Радикально снизить ёмкости сглаживающих конденсаторов можно включив в схему пару интегральных стабилизаторов напряжения. С примером такой реализации можно ознакомиться на Рис.4.

Рис.4 Двуполярное питание от одной обмотки на однополупериодных выпрямителях и интегральных стабилизаторах

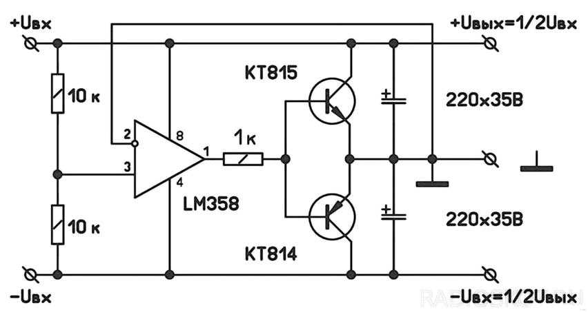
Если напряжение на выходе выпрямителя или однополярного источника питания имеет достаточную величину Uвых, то можно получить двуполярное напряжение ±Uвых/2, применив схему для формирования искусственной средней точки, в нашем случае — земли (Рис.5).
Рис.5 Двуполярное питание с узлом формирования искусственной земли
Данный формирователь двуполярного питания (при соответствующем выборе транзисторов) позволяет запитывать достаточно мощные цепи. Максимально допустимые токи транзисторов должны соответствовать токам нагрузки, а коэффициент передачи тока — не менее 1000/Rн.
Все представленные формирователи, кроме последнего, подразумевают переделку существующего блока однополярного питания и не позволяют получать разнополярные напряжения от гальванических элементов или аккумуляторов. Как быть, если нужен плюс-минус от батарейки или готового БП без его переделки рассмотрим на следующей странице.
Источник
Новая схема БП
При изготовлении был применён валяющийся без дела трансформатор мощностью 60 ватт, с двумя вторичными обмотками по 28 вольт переменного напряжения и одной на 12 вольт (для питания дополнительных маломощных полезных устройств, например — кулера охлаждения радиаторов мощных транзисторов со схемой управления). Получившаяся схема приведена на рисунке.
Чтобы иметь возможность регулировать выходной ток в широких пределах, вместо резисторов R6 и R8 в обоих плечах были применены наборы сопротивлений R6 — R9 и сдвоенный галетный переключатель на 5 положений. При этом резистор R6 определяет величину минимального тока ограничения, поэтому он включен в выходную цепь постоянно. Остальные же резисторы при помощи переключателя S1 подключаются параллельно этому R6, суммарное сопротивление уменьшается и выходной ток, соответственно, увеличивается.
Резисторы R6 и R7 могут быть мощностью 0,5 ватт или более R8 — 1-2 ватта, а R9 — не менее 2 ватт (у меня стоят резисторы типа С5-16МВ-2ВТ и заметного их нагрева при нагрузке до 3 ампер не наблюдается). На схеме (рис.1) указаны значения выходных токов, при которых срабатывает защита и выходной ток даже при КЗ не превышает этих значений.
Транзисторы Т1 (обозначение дано по исходной схеме, у меня это А1658 и КТ805) стоят без теплоотводов и практически вообще не нагреваются. Вместо А1658 можно поставить КТ837, например. Вообще, при сборке схемы мною пробовались самые разные транзисторы, соответствующие по структуре и мощности и всё работало без проблем. Переменный резистор R (сдвоенный, для синхронной регулировки выходного напряжения) применён советский, сопротивлением 4,7 кОм, хотя пробовались и сопротивления до 33 кОм, всё работало нормально. Разброс выходных напряжений по плечам составляет порядка 0,5-0,9 вольт, чего для моих целей, например, вполне достаточно. Хорошо бы, конечно, поставить сдвоенный переменник с меньшим разбросом сопротивлений, но таких пока нет под рукой…
Стабилитроны VD1 — составные, по два соединённых последовательно Д814Д (14 + 14 = 28 вольт стабилизации). Следовательно, пределы регулировки выходных напряжений получились от 0 до 24 вольт. Диоды выпрямительных мостов — любые, соответствующей мощности, я использовал импортные диодные сборки — KBU 808 без радиатора (ток до 8 А) и ещё одну маломощную, без обозначения (?), для питания кулера.
На теплоотводы установлены только выходные регулирующие транзисторы КТ818, 819. Теплоотводы небольшие, что определено габаритами корпуса (по размеру он как БП от компа), поэтому потребовалось сделать дополнительное принудительное их охлаждение. Для этих целей был использован небольшой кулер (от системы обдува процессора старого компьютера) и простая схема управления, всё это питается от отдельной обмотки трансформатора, которая там оказалась весьма кстати.
В качестве термодатчика был использован германиевый транзистор типа МП42 (большие залежи остались и девать некуда. Оказалось, что замечательно работают в качестве термодатчиков!) Схема простая и понятная, в особом описании не нуждается. База транзистора-термодатчика никуда не подключается, этот вывод можно просто откусить, желательно только не своими зубами, а то стоматология нынче дорогое удовольствие!
Корпус этого транзистора металлический, поэтому его необходимо изолировать, например, трубкой-термоусадкой и расположить как можно ближе к теплоотводам выходных транзисторов. Температуру, при которой запускается кулер, можно регулировать подстроечным резистором (сопротивление может быть от 50 до 250 кОм). Максимальный ток и скорость вращения вентилятора определяются гасящим резистором в цепи питания. У меня это сопротивление 100 Ом (подбирается экспериментально, в зависимости от напряжения питания и тока потребления кулера).
Блок питания, собранный по данной схеме, неоднократно был испытан с нагрузкой во всём диапазоне выходных напряжений и токах от 30 мА до 3,5 ампер и показал свою полную работоспособность и надёжность работы. При токах более 2 ампер применённый трансформатор грелся довольно сильно из-за недостаточной его мощности, в остальном же схема вела себя вполне адекватно.
Есть возможность увеличить выходной ток нагрузки более 3-4 ампер, если использовать соответствующей мощности трансформатор и выходные (регулирующие) транзисторы, возможно применить параллельное включение нескольких мощных транзисторов. Схема не требует особой наладки и подбора компонентов, при изготовлении можно использовать практически любые транзисторы с коэффициентом усиления 80-350. Специально для сайта Радиосхемы, автор — Андрей Барышев
Разработка источника опорного напряжения с двухполярным выходом (2)
1.3 Описание работы источника опорного напряжения
В данной схеме источника опорного напряжения c двухполярным выходом (рисунок 2) возможно получение разнополярных стабилизированных напряжений. Схема содержит два операционных усилителя, совершенно идентичных по параметрам. Данное устройство обеспечивает выходные напряжения меньшие по модулю, чем опорное напряжение Uo.
Рисунок 2 – Принципиальная схема источника опорного напряжения с двухполярным выходом
В данном случае
Отсюда находим
Начальная несимметрия в данном стабилизаторе обеспечивается путем подачи в стабилитрон небольшого начального тока. Для этой цели в стабилизаторе к цепи со стабилитроном присоединяют инверсный вход первого ОУ.
Оба инвертирующих операционных усилителя (ОУ) DA1 и DA2 имеют обратные связи (ООС), в цепь ООС этих ОУ включены резисторы R1 и R2, для первого ОУ и R4, R5 для второго ОУ. С помощью этих резисторов мы можем регулировать величину выходного напряжения обоих ОУ (UCT+ и UCT-). При этом напряжение на выходах ОУ уже стабилизированное. В цепь обратной связи включен и стабилитрон VD, задающий опорное напряжение в схеме. Резистор R3 задает величину тока проходящего через стабилитрон. В схеме ОУ выбираются одинаковыми с необходимым выходным током./3/
2 Расчёт номинальных значений элементов
Рассчитаем вначале второй каскад схемы
Зададимся сопротивлением R4. Возьмем R4=40 кОм. Тогда получим
Ток проходящий через резистор R4 равен
Токи IR4 и IR5 равны между собой, при чем ток IR5 есть Iоос
Примем условие, что выходной ток ОУ2 равен 20мА, тогда
Аналогично рассчитывается и первый каскад схемы. Возьмем R1=100 кОм.
Ток проходящий через резистор R1 равен
Так как резистор R3 токозадающий, то зададимся таким его значением, чтобы было впоследствии легко подобрать стабилитрон для схемы. Возьмем R3=2 кОм
Исходя из рассчитанных данных посчитаем по формуле (3) либо (4) опорное напряжение, далее исходя из его значения можно будет подобрать необходимый стабилитрон.
Произведём расчёт мощности, рассеиваемой на каждом резисторе по формулам:
Рассчитаем допустимую отклонение значений рассчитанных элементов исходя из того что ∆Ucт = 1%. Основной вклад в отклонение реальных значений выходных напряжений от требуемых вносят резисторы и стабилитрон.
Расчет допустимого отклонения произведем по формуле:
где ∆U0 – разница между выбранным значением опорного напряжения и рассчитанным, U0 – выбранное значение опорного напряжения, ∆Ri – разница между выбранным значением сопротивления и рассчитанным, R0 – выбранное значение сопротивления
3 Обоснование выбора типа элементов
На основании выполненных в пункте 2 расчетов произведем выбор необходимых для источника опорного напряжения элементов.
Для выбора операционного усилителя необходимо определить, какой выходной ток он должен обеспечивать, операционный усилитель должен иметь выходной ток свыше 10мА, также его внутреннее сопротивление должно быть свыше 106 Ом.
Данным требованиям удовлетворяет операционный усилитель КР544УД1А. Дифференциальный ОУ с высоким входным сопротивлением и низким уровнем шумов. Предназначен для широкого класса аналоговых устройств.
— Выходной ток IВЫХ=20 мА;
— Напряжение питания UИП1=(15+1,5) В, UИП2=(-15+1,5) В;
— Потребляемый ток IПОТ=3,5 мА;
— Средний входной ток IВХ= 0,15 нА;
— Разность входных токов ∆IВХ= 0,05 нА;
— Напряжение питания UИП1=(15+1,5) В, UИП2=(-15+1,5) В;
— Напряжение смещения UСМ=15мВ;
— Входное сопротивление RВХ= 103 МОм
Из данного расчёта следует, что можно использовать резисторы с рассеиваемой мощностью
Выбираем следующие прецезионные резисторы:
R1 – C2-29В – 0,062 – 100 кОм ± 1%
R2– C2-29В – 0,062 – 200 кОм ± 1%
R3– C2-29В – 0,062 – 2 кОм ± 1%
R4– C2-29В – 0,062 – 39,8 кОм ± 1%
R5– C2-29В – 0,062 – 20 кОм ± 1%
Выбор стабилитрона произведем с учетом необходимого UСТ.НОМ. , а также необходимо учесть ток протекающий через него. Он составляет 5мА. Выберем стабилитрон КС220Ж с параметрами:
– напряжение стабилизации номинальное 20 В;
– ток стабилизации 5мА;
– максимальная мощность рассеиваемая на стабилитроне 125 мВт /3/,/4/
Вывод
В результате выполнения данной курсовой работы был произведён анализ принципа действия источника опорного напряжения с двухполярным выходом, а также был произведён расчёт номинальных значений. После этого были выбраны типы элементов. Было рассчитано предельное отклонение выбранных значений параметров элементов от номинальных, что составило 0,97%, что соответствует требуемой точности.




















































































