Подключение асинхронного двигателя
Трехфазный переменный ток
Электрическая сеть трехфазного переменного тока получила наиболее широкое распространение среди электрических систем передачи энергии. Главным по сравнению с однофазной и двухфазной системами является ее экономичность. В трехфазной цепи энергия передается по трем проводам, а токи текущие в разных проводах сдвинуты относительно друг друга по фазе на 120°, при этом синусоидальные ЭДС на разных фазах имеют одинаковую частоту и амплитуду.
Трехфазный ток (разница фаз 120°)
Звезда и треугольник
Трехфазная обмотка статора электродвигателя соединяется по схеме в зависимости от напряжения питания сети. Концы трехфазной обмотки могут быть: соединены внутри электродвигателя (из двигателя выходит три провода), выведены наружу (выходит шесть проводов), выведены в распределительную коробку (в коробку выходит шесть проводов, из коробки три).
Фазное напряжение — разница потенциалов между началом и концом одной фазы
Другое определение для соединения «звезда»: фазное напряжение это разница потенциалов между линейным проводом и нейтралью (обратите внимание, что у схемы «треугольник» отсутствует нейтраль)
Линейное напряжение — разность потенциалов между двумя линейными проводами (между фазами).
| Звезда | Треугольник | Обозначение |
|---|---|---|
| Uл, Uф — линейное и фазовое напряжение, В, | ||
| Iл, Iф — линейный и фазовый ток, А, | ||
| S — полная мощность, Вт | ||
| P — активная мощность, Вт |
Внимание: Несмотря на то, что мощность для соединений в звезду и треугольник вычисляется по одной формуле, подключение одного и того же электродвигателя разным способом в одну и туже электрическую сеть приведет к потреблению разной мощности. При этом не правильное подключение электродвигателя, может привести к расплавлению обмоток статора.
Пример: Допустим электродвигатель был подключен по схеме «звезда» к трехфазной сети переменного тока Uл=380 В (соответственно Uф=220 В) и потреблял ток Iл=1 А
Полная потребляемая мощность:
S = 1,73∙380∙1 = 658 Вт.
Теперь изменим схему соединения на «треугольник», линейное напряжение останется таким же Uл=380 В, а фазовое напряжение увеличится в корень из 3 раз Uф=Uл=380 В. Увеличение фазового напряжения приведет к увеличению фазового тока в корень из 3 раз. Таким образом линейный ток схемы «треугольник» будет в три раза больше линейного тока схемы «звезда». А следовательно и потребляемая мощность будет в 3 раза больше:
S = 1,73∙380∙3 = 1975 Вт.
Таким образом, если двигатель рассчитан на подключение к трехфазной сети переменного тока по схеме «звезда», подключение данного электродвигателя по схеме «треугольник» может привести к его поломке.
Если в нормальном режиме электродвигатель подключен по схеме «треугольник», то для уменьшения пусковых токов на время пуска его можно соединить по схеме звезда. При этом вместе с пусковым током уменьшится также пусковой момент.
Подключение электродвигателя по схеме звезда и треугольник
Обозначение выводов статора трехфазного электродвигателя
Обозначение выводов обмоток статора вновь разрабатываемых трехфазных машин согласно ГОСТ 26772-85
| Схема соединения обмоток, наименование фазы и вывода | Обозначение вывода | |
|---|---|---|
| Начало | Конец | |
| Открытая схема (число выводов 6) | ||
| первая фаза | U1 | U2 |
| вторая фаза | V1 | V2 |
| третья фаза | W1 | W2 |
| Соединение в звезду (число выводов 3 или 4) | ||
| первая фаза | U | |
| вторая фаза | V | |
| третья фаза | W | |
| точка звезды (нулевая точка) | N | |
| Соединение в треугольник (число выводов 3) | ||
| первый вывод | U | |
| второй вывод | V | |
| третий вывод | W |
Обозначение выводов обмоток статора ранее разработанных и модернизируемых трехфазных машин согласно ГОСТ 26772-85
| Схема соединения обмоток, наименование фазы и вывода | Обозначение вывода | |
|---|---|---|
| Начало | Конец | |
| Открытая схема (число выводов 6) | ||
| первая фаза | C1 | C4 |
| вторая фаза | C2 | C5 |
| третья фаза | C3 | C6 |
| Соединение звездой (число выводов 3 или 4) | ||
| первая фаза | C1 | |
| вторая фаза | C2 | |
| третья фаза | C3 | |
| нулевая точка | ||
| Соединение треугольником (число выводов 3) | ||
| первый вывод | C1 | |
| второй вывод | C2 | |
| третий вывод | C3 |
Одна фаза вместо трех
На скорость вращения ротора это не повлияет, а вот мощность такой электрической машины упадет. В зависимости от нагрузки на валу, емкости конденсатора, схемы подключения, потери составляют 30–50 %.
Стоит сразу отметить, что аппараты не всех марок работают по однофазной схеме. Но все-таки большинство позволяет проводить с собой подобные манипуляции
Всегда стоит обращать внимание на прикрепленные таблички. Там есть все характеристики, глядя на которые можно увидеть, какая это модель и где она будет работать
Из первой картинки (А) можно сделать вывод, что данный двигатель рассчитан на два напряжения – 220 и 380 В. Включение обмоток – треугольник и звезда. От обычной домашней сети его запустить можно (есть соответствующее напряжение), и желательно треугольником.
Вторая (Б) показывает: электрическая машина рассчитана на 380 В, включение звездой. Теоретически, на меньшее напряжение переключиться возможно, но для этого нужно разбирать корпус, искать соединение обмоток и переключать их на треугольник. Можно, конечно, ничего не переключать просто поставив конденсатор. Однако потери мощности будут колоссальными.
Если на табличке написано: Δ/Ỵ 127/220, то к сети 220 В такой аппарат можно включать только звездой, иначе он сгорит!
Схема включения трёхфазного электродвигателя на 220В
Электродвигатели с возможностью подключения и к двум типам электрической цепи, имеют различные технические характеристики, касающиеся рабочего напряжения. От этого зависит схема их подключения к 220В, и показатели потери рабочих мощностей. Установить, как подключить определённый тип мотора, можно по обозначению на шильдике корпуса:
| Обозначение | Тип подключения | Потери мощности |
| 127/220 | «звезда» | 30% |
| 220/380 | «треугольник», «звезда» | 30% |
| 380/660 | «треугольник» | 70% |
В последнем случае, при подключении трёхфазного двигателя к однофазной цепи потеря составит 2/3 от установленной мощности. Поэтому, моторы, с обозначением 380/660 запитывать от 220 вольт, хотя и возможно, но абсолютно нецелесообразно. Для подключения двигателя к однофазной цепи используются два варианта:
- С помощью преобразователя частот. Данный прибор способен преобразовывать одну фазу, имеющуюся в сети 220-вольтовой сети, в три фазы с таким же напряжением. Однако, вследствие высокой стоимости преобразователя, в быту такой вариант используется редко.
- Посредством конденсатора. Такой метод более распространён из-за своей простоты и доступности. Именно его подробнее рассмотрим далее.
Подключение трёхфазного электродвигателя потребует использования конденсаторов для переменного тока. Без них электричество от одной фазы будет проходить по обмоткам, но вращения ротора не происходит. Чтобы создать смещение фазы, получить крутящий момент магнитного поля, к одной из обмоток подключаются конденсаторы. Важный момент – использовать конденсаторы постоянного тока для переменной сети нельзя, из-за высокой вероятности их взрыва в процессе работы.
Всего в схеме присутствуют два их типа: С1 – пусковой, и С2 – рабочий. Номинальное напряжение у каждого из них должно быть не менее 300В. В идеале, лучше взять устройства с ещё большим показателем – свыше 350В. В продаже можно встретить конденсаторы, специально предназначаемые для запуска электродвигателя. Они имеют соответствующее обозначение, и использовать их как рабочие запрещено. Минимально необходимая ёмкость конденсаторов зависит от мощности электродвигателя, и показана в таблице в микрофарадах:
| Мощность двигателя | 0,4 кВт | 0,6 кВт | 0,8 кВт | 1,1 кВт | 1,5 кВт | 2,2 кВт |
| Ёмкость С1 (пускового) в номинальном режиме | 80 | 120 | 160 | 200 | 250 | 300 |
| Ёмкость С1 (пускового) в недогруженном режиме | 20 | 35 | 45 | 60 | 80 | 100 |
| Ёмкость С2 (рабочего) в номинальном режиме | 40 | 60 | 80 | 100 | 150 | 230 |
| Ёмкость С2 (рабочего) в недогруженном режиме | 25 | 40 | 60 | 80 | 130 | 200 |
Сама схема подключения трёхфазных электродвигателей с использованием конденсаторов, как в варианте «звезды», так и «треугольника», будет выглядеть весьма просто:

Для управления пусковым конденсатором, предназначенного для страгивания с места и разгона 3-х фазного двигателя, используют выключатель. На схеме, представленной выше, он обозначен словом «Разгон». После набора мотором необходимых оборотов и выхода его на рабочий режим, кнопка управления отключается. При наличии достаточных навыков в обращении с электротехникой, ручное управление можно заменить на автоматическое реле, либо на таймер отключения.
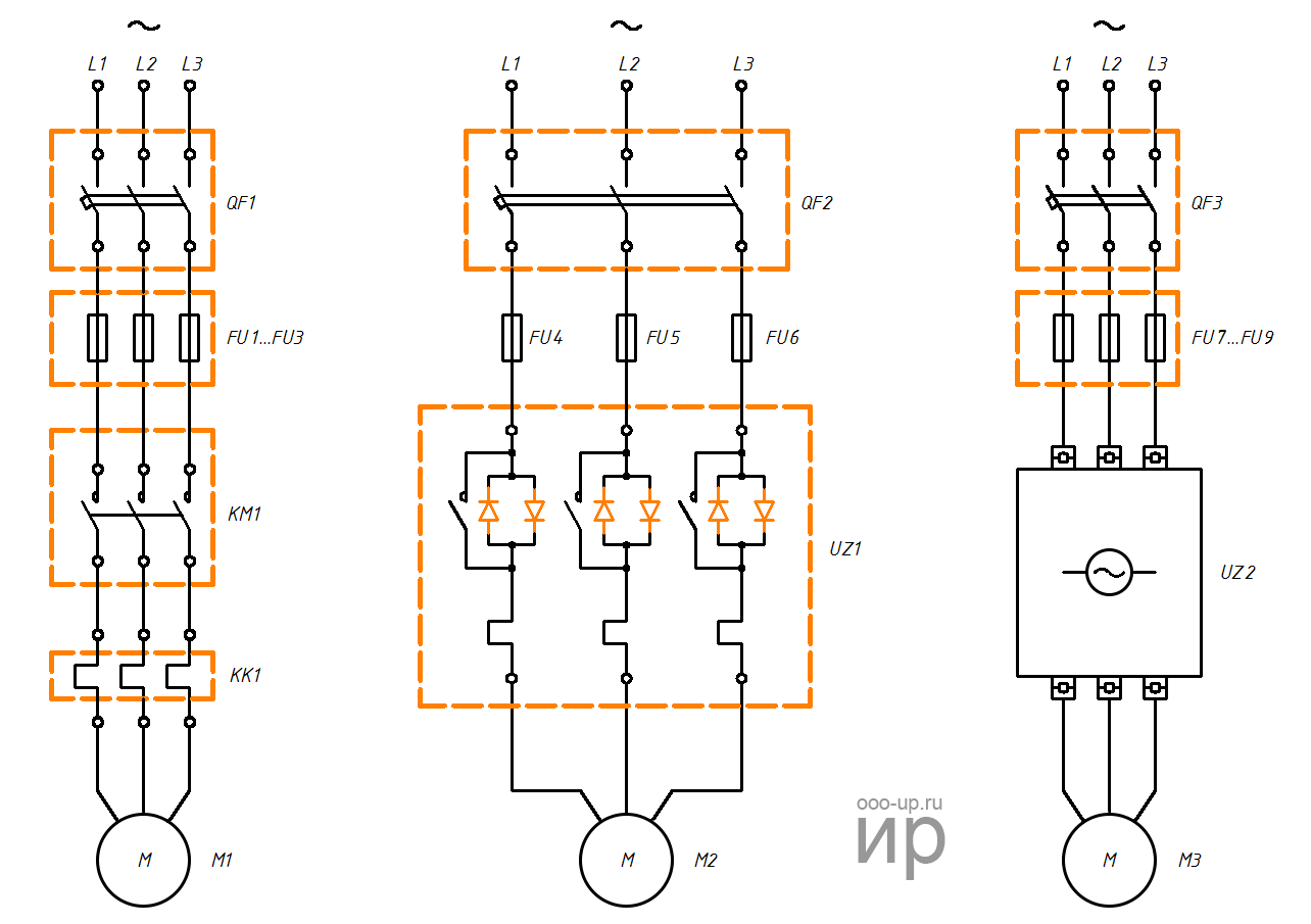
Схемы присоединения асинхронных электродвигателей к сети
Схемы присоединения односкоростных асинхронных электродвигателей с короткозамкнутым ротором
Асинхронные электродвигатели с короткозамкнутым ротором до 11 кВт включительно имеют три выводных конца во вводном устройстве и зажим заземления. Обмотки этих двигателей соединены в звезду или треугольник и предназначены для включения на одно из стандартных напряжений.
Двигатели мощностью от 15 до 400 кВт имеют шесть выводных концов во вводном устройстве и зажим заземления. Эти двигатели могут включаться на напряжения 220/380 или 380/660 В. Схемы включения обмоток показаны на рис. 11.
Рис. 11. Схемы включения односкоростного двигателя на напряжения 220/380 или 380/660 В: а — звезда (высшее напряжение); б — треугольник (низшее напряжение)
Схемы присоединения многоскоростных асинхронных электродвигателей с короткозамкнутым ротором
Многоскоростные асинхронные электродвигатели отличаются от односкоростных только обмотками статора и пазами ротора. Число частот вращения может быть две, три или четыре. Например, в серии 4А предусмотрены многоскоростные двигатели со следующими соотношениями частот вращения: 3000/1500, 1500/1000, 1500/750, 0/500, 0/750, 3000/1500/1000, 3000/1500/750,
1500/1000/750, 3000/1500/1000/750, 1500/1000/750/500 об/мин.
Схемы соединений обмоток двухскоростных двигателей показаны на рис. 12 и 13, схемы присоединения четырехскоростных двигателей — на рис. 14.
Двухскоростные двигатели имеют одну полюсопереключаемую обмотку с шестью выводными концами. Обмотка двигателей с соотношением частот вращения 1:2 выполняется по схеме Даландера и соединяется:
— в треугольник () при низшей частоте вращения;
— в двойную звезду () при высшей частоте вращения.
Рис. 12. Схемы соединений обмоток двухскоростных двигателей: а — / . Низшая скорость — : 1В, 2В, 3В — свободны, на 1Н, 2Н, 3Н подается напряжение. Высшая скорость — . 1Н, 2Н, 3Н — замкнуты между собой, на 1В, 2В, 3В подается напряжение; б — / с дополнительной обмоткой. Низшая скорость — с дополнительной обмоткой, 1B, 2B, 3В — замкнуты между собой: на 1Н, 2Н, 3Н подается напряжение. Высшая скорость — : Ш, 2Н, 3Н — свободны, на 1B, 2B, 3В подается напряжение; в — . Низшая скорость: 1В, 2В, 3В — свободны, на 1Н, 2Н, 3Н подается напряжение. Высшая скорость: 1Н, 2Н, 3Н — свободны, на 1B, 2B, 3В подается напряжение.
Рис. 13. Схема присоединений двухскоростных двигателей с соотношением скоростей 2:3 и 3:4: а — / без дополнительной обмотки; б — / с дополнительной обмоткой; в —
Рис. 14. Схема присоединений четырехскоростных двигателей
Обмотки двухскоростных двигателей с соотношением частот вращения 2:3 и 3:4 соединяются:
— либо в тройную звезду;
— либо в треугольник — двойную звезду без дополнительной обмотки или с дополнительной обмоткой.
Трехскоростные двигатели имеют две независимые обмотки, одна из которых выполняется по схеме Даландера и соединяется по схеме / . Число выводных концов трехскоростного двигателя — девять.
Четырехскоростные двигатели имеют две полюсопереключаемые независимые обмотки, выполненные по схеме Даландера, с 12 выводными концами. При включении в сеть одной из обмоток вторая обмотка остается свободной.
Пуск с понижением напряжения
Подходит для запуска электродвигателя высокой мощности, но так же оптимален для аналогов средней, если напряжение в рабочей сети не позволяем разогнать мотор с помощью прямого пуска.
Для понижения напряжения существует три способа:
- Переключение намоток статора с треугольника (нормальная схема) на звезду (пусковая схема). Запуск начинается со звезды, а при достижении номинальной частоты происходит переключение на треугольник. При этом напряжение, питающее фазы статорных обмоток, падает в 1,73 раз. Это позволяет уменьшиться во столько же раз фазным токам, а линейные сокращаются втрое.
- Запуск с добавочным сопротивлением, приводящим к падению вольтажа на статорной обмотке (рисунок а). На момент пуска в электроцепь включают реакторы или резисторы (реактивное и активное сопротивление соответственно).
- Пуск с подключением через трансформатор понижающего типа с несколькими автоматически переключаемыми ступенями (рисунок б).
Главное преимущество – возможность разгона двигателя почти при том же напряжении, которое необходимо для нормальной работы. К недостаткам относится лишь падение Мп и Ммакс (максимальный момент). Эти величины прямо пропорционально зависят от напряжения: чем меньше Вольт, тем меньше моменты. Поэтому с нагрузкой мотор не запустится.
https://youtube.com/watch?v=7xqScKGYOck
https://youtube.com/watch?v=PqRJBr-ZgQQ
https://youtube.com/watch?v=qfOH89_mGS0
Для чего нужен конденсатор
Наиболее распространены и применяются в станках трехфазные асинхронные двигатели переменного тока с короткозамкнутым ротором. Их подключение к однофазной сети мы и будем рассматривать. При включении двигателя в трехфазную сеть по трем обмоткам, в разный момент времени протекает переменный ток. Этот ток создает вращающееся магнитное поле, которое начинает вращать ротор двигателя.
При подключении двигателя к однофазной сети, ток по обмоткам течет, но вращающегося магнитного поля нет, ротор не крутится. Выход из этой ситуации был найден. Самым простым и действенным способом оказалось параллельное подключение конденсатора к одной из обмоток двигателя. Конденсатор, импульсно получая и отдавая энергию создает смещение фазы, в обмотках двигателя получается вращающееся магнитное поле и он работает. Емкость постоянно находится под напряжением и называется рабочим конденсатором.
Управление асинхронным двигателем
- Способы подключения асинхронного электродвигателя к сети питания:
- прямое подключение к сети питания
- подключение от устройства плавного пуска
- подключение от преобразователя частоты

Прямое подключение к сети питания
Использование магнитных пускателей позволяет управлять асинхронными электродвигателями путем непосредственного подключения двигателя к сети переменного тока.
С помощью магнитных пускателей можно реализовать схему:
- нереверсивного пуска: пуск и остановка;
- реверсивного пуска: пуск, остановка и реверс.
Использование теплового реле позволяет осуществить защиту электродвигателя от величин тока намного превышающих номинальное значение.
Реверсивная схема
Недостатком прямой коммутации обмоток асинхронного электродвигателя с сетью является наличие больших пусковых токов, во время запуска электродвигателя.
Плавный пуск асинхронного электродвигателя
В задачах, где не требуется регулировка скорости электродвигателя во время работы для уменьшения пусковых токов используется устройство плавного пуска.
Устройство плавного пуска защищает асинхронный электродвигатель от повреждений вызванных резким увеличением потребляемой энергии во время пуска путем ограничения пусковых токов. Устройство плавного пуска позволяет обеспечить плавный разгон и торможение асинхронного электродвигателя.
Устройство плавного пуска дешевле и компактнее частотного преобразователе. Применяется там, где регулировка скорости вращения и момента требуется только при запуске.
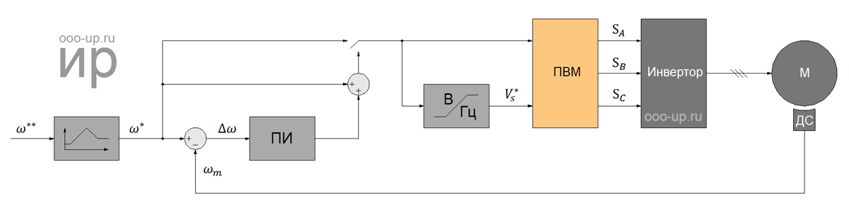
Частотное управление асинхронным электродвигателем
Для регулирования скорости вращения и момента асинхронного двигателя используют частотный преобразователь. Принцип действия частотного преобразователя основан на изменении частоты и напряжения переменного тока.
- Использование частотного преобразователя позволяет:
- уменьшить энергопротребление электродвигателя;
- управлять скоростью вращения электродвигателя (плавный запуск и остановка, регулировка скорости во время работы);
- избежать перегрузок электродвигателя и тем самым увеличить его срок службы.

- В зависимости от функционала частотные преобразователи реализуют следующие методы регулирования асинхронным электродвигателем:
- скалярное управление;
- векторное управление.
Скалярное управление является простым и дешевым в реализации, но имеет следующие недостатки — медленный отклик на изменение нагрузки и небольшой диапазон регулирования. Поэтому скалярное управление обычно используется в задачах, где нагрузка либо постоянна, либо изменяется по известному закону (например, управление вентиляторами).

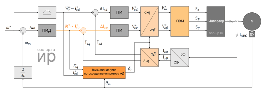
Векторное управление используется в задачах, где требуется независимо управлять скоростью и моментом электродвигателя (например, лифт), что, в частности, позволяет поддерживать постоянную скорость вращения при изменяющемся моменте нагрузки. При этом векторное управление является самым эффективным управлением с точки зрения КПД и увеличения времени работы электродвигателя.
Среди векторных методов управления асинхронными электродвигателями наиболее широкое применение получили: полеориентированное управление и прямое управление моментом.

Полеориентированное управление позволяет плавно и точно управлять параметрами движения (скоростью и моментом), но при этом для его реализации требуется информация о направлениии вектора потокосцепления ротора двигателя.
- По способу получения информации о положении потокосцепления ротора электродвигателя выделяют:
- полеориентированное управление по датчику;
- полеориентированное управление без датчика: положение потокосцепления ротора вычисляется математически на основе той информации, которая имеется в частотном преобразователе (напряжение питания, напряжения и токи статора, сопротивление и индуктивность обмоток статора и ротора, количество пар полюсов двигателя).

Прямое управление моментом имеет простую схему и высокую динамику работы, но при этом высокие пульсации момента и тока.
Устройство двигателя
В перпендикулярной плоскости, представленной магнитопроводом, вокруг проводника возникают магнитные потоки Ф. По ней проходит переменный синусоидальный ток, имеющий положительные и отрицательные полуволны. Достаточно подать на статор двигателя трехфазное напряжение и двигатель сразу запускается.
В этих схемах вместо установки на вводе рубильников с предохранителями применяют воздушные автоматы. Динамическое торможение, в отличие от торможения противовключением и фрикционного метода, является плавным, мягким торможением. masters/2007/fema/rudenko_y/library/art8/ris1.gif»/> Таким образом, также как было описано ранее, в стержнях ротора будет индуцироваться ток, в результате чего ротор начнет вращаться.
Кнопка S2 освобождается и принимает исходное положение, контактор К2М обесточивается, контакты К2 1—2 М размыкаются. Благодаря этому при отпускании кнопки катушка пускателя не теряет питание, так как ток в этом случае идет через блокировочный контакт.
Поэтому для защиты электродвигателей от длительных перегрузок при использовании автомата с электротепловым расцепителем такого типа применяются дополнительные электротепловые реле, как и при использовании автоматического выключателя с электромагнитным расцепителем.
Одновременно закроется вспомогательный контакт K1A. Схема подключения такого двигателя показана на рисунке справа.
Скольжение асинхронного двигателя может изменяться в диапазоне от 0 до 1, т. Пользователей: Устройство однофазного асинхронного двигателя Однофазные асинхронные двигателя выпускают от 5Вт до 10кВт. Определение схемы обмоток и рабочего напряжения асинхронного электродвигателя
Что это такое
Принцип работы трехфазного асинхронного двигателя довольно прост. На обмотку статора подается питающее напряжение, которое создает магнитный поток, в каждой фазе он будет смещен на 120 градусов. При этом суммирующий магнитный поток будет вращающимся.
Обмотка ротора является замкнутым контуром, в ней наводится ЭДС и возникающий магнитный поток придает вращение ротору, в направлении движения магнитного потока статора. Вращающий электромагнитный момент пытается уравнять скорости вращения магнитных полей статора и ротора.
Величина определяющая разность скоростей вращения магнитных полей ротора и статора, называется скольжение. Так как ротор асинхронного двигателя всегда вращается медленнее, чем поле статора — оно обычно меньше единицы. Может измеряться в относительных единицах или процентах.
Высчитывается она по формуле:
где n1— это частота вращения магнитного поля, n2 – частота вращения магнитного поля ротора.
Скольжение, это важная характеристика, характеризующая нормальную работу асинхронного электродвигателя.
Схема подключения электродвигателя без конденсаторов
Реально работающих схем подключения трехфазного двигателя в бытовую сеть 220 вольт без конденсаторов нет. Некоторые изобретатели предлагают подключать двигатели через индукционные катушки или сопротивления. Якобы, таким образом, создается сдвиг фаз на необходимый угол и двигатель вращается. Другие предлагают тиристорные схемы подключения. На практике это не работает, и не стоит изобретать велосипед. Когда есть дешевый и проверенный способ пуска посредством конденсаторов.
Действительно рабочим вариантом является подключение трехфазного асинхронного двигателя через преобразователь частоты. Преобразователь подключается в бытовую сеть и выдает трехфазный ток, причем с возможностью плавного пуска и регулировки оборотов. Но стоит такое чудо примерно от 7000 рублей с подключаемой мощностью всего в 250 ватт. Мощные приборы стоят гораздо дороже. За такие деньги можно приобрести электрооборудование с возможностью подключения к однофазной цепи. Будь то мини токарный станок, циркулярка, насос или компрессор.

Как устроен трехфазный асинхронный двигатель
В свою конструкцию электродвигатель на 380 вольт включает короткозамкнутый ротор. В этом случае какие-либо электрические контакты между статором и ротором полностью исключаются. Они не требую щеток и коллекторов, которые в обычных двигателях изнашиваются с высокой интенсивностью. Этим деталям нужны регулярное техническое обслуживание и периодическая замена.
Все детали устройства собраны в литом корпусе (7). Основные элементы состоят из неподвижного статора и подвижного ротора. Основой статора служит сердечник (3). Для его изготовления применяется высококачественная электротехническая сталь, в состав которой входят железо и кремний. Именно они придают материалу необходимые магнитные свойства.
Листовая конструкция статора позволяет избежать появления вихревых токов Фуко, создаваемых переменным магнитным полем. Дополнительную изоляцию листов создает специальный лак, нанесенный с обеих сторон. Таким образом, проводимость в сердечнике полностью исключается, остаются лишь его магнитные свойства.
В пазы сердечника укладываются три медные обмотки (2), с проводниками, защищенными эмалью. Между собой они расположены под углами 120 градусов. Концы обмоток выводятся и размещаются в клеммной коробке, расположенной внизу двигателя.
Ротор закрепляется на валу (1) и свободно вращается внутри статора. Между ними остается минимальный зазор – от 0,5 до 3 мм, чтобы повысить КПД. В сердечнике ротора (5) также использована электротехническая сталь. Однако в его пазах установлены не обмотки, а короткозамкнутые проводники, расположенные в виде беличьего колеса. Поэтому данный элемент именно так и называется.
В состав беличьего колеса входят продольные проводники, имеющие электрическую и механическую связь с кольцами, расположенными в торцах конструкции. В мощных двигателях все элементы изготавливаются из меди.
Полезные советы
Несколько полезных советов, как подключить электродвигатель с 3 проводами, чтобы избежать проблемы во время эксплуатации:
- Перед началом работы мотор рекомендуется испытать на холостом ходу, если он функционирует исправно – затем под нагрузкой.
- При сильном нагреве корпуса даже без нагрузки необходимо понизить ёмкость рабочего конденсатора.
- Если после пуска мотор просто гудит, но не вращает вал, то можно задать ему старт вручную – крутанув вал. Далее можно повысить ёмкость пускового конденсатора.
- При остановке двигателя под рабочей нагрузкой, следует повысить ёмкость рабочего конденсатора.
Видео описание
Смотрите в ролике, как подключить мотора по схеме звезды или треугольника:
https://youtube.com/watch?v=6A5Kz0Le4dw
Коротко о главном
Подключить электродвигатель 380 на 220 вольт можно 4-мя основными способами:
- С конденсатором.
- Без конденсатора.
- С реверсом.
- По схеме «звезда-треугольник».
Прежде чем начать работы по подключению, необходимо определить и удостовериться, каким образом соединена обмотка в клеммной коробке, а также узнать необходимые характеристики из технической таблицы. Выполнять электротехнические работы можно при наличии опыта, но лучше доверить её профессионалам с соответствующим допуском.
Другие подключения электродвигателя
Схем несколько:
Более часто, чем вариант описанный, применяется схема с конденсатором, который поможет значительно уменьшить мощность. Одни из контактов рабочего конденсатора подключается к нулю, второй – к третьему выходу мотора электрического. В результате имеем агрегат малой мощности (1,5 Вт). При большой мощности двигателя, в схему потребуется внесение пускового конденсатора. При однофазном подключении он просто компенсирует третий выход.
Асинхронный мотор несложно соединить звездой или треугольником при переходе с 380в на 220. У таких моторов обмоток три
Чтобы изменить напряжение, необходимо выходы, идущие к вершинам соединений, поменять местами.
При подключении электромоторов, важно тщательно изучить паспорта, сертификаты и инструкции, потому что в импортных моделях встречается часто «треугольник», адаптированный под наши 220В. Такие моторы при игнорировании этого и включении «звездой, просто сгорают
Если мощность более 3 кВт, к бытовой сети мотор нельзя. Чревато это коротким замыканием и даже выход из строя автомата УЗО.
Рекомендуем:
- Классификация электродвигателей
- Схемы подключения электродвигателей постоянного тока
- Защита электродвигателя от перегрузок
































































