Буферная схема на ОУ (повторитель)
Исходные данные к расчету представлены в таблице 1.
Таблица 1. Исходные данные к расчету
| Вход | Выход | Частота | Питание | |||
| ViMin | ViMax | VoMin | VoMax | f | Vcc | Vee |
| -10 В | 10 В | -10 В | 10 В | 100 кГц | 15 В | -15 В |
Описание схемы
Схема используется для буферизации сигналов (рисунок 1). Она обеспечивает высокий входной и малый выходной импеданс. Как правило, повторитель используется для управления низкоомной нагрузкой, буферизации сигналов аналого-цифровых преобразователей (АЦП) и источников опорного напряжения (ИОН). Выходное напряжение этой схемы равно входному напряжению.
Рис. 1. Схема повторителя на ОУ
Примечания:
- следует работать в линейном рабочем диапазоне напряжений ОУ. Этот диапазон обычно определяется в схеме с разомкнутой обратной связью (AOL);
- при работе с малыми сигналами полоса пропускания ОУ определяется шириной полосы единичного усиления;
- следует учитывать ограничения скорости нарастания выходного сигнала ОУ, чтобы минимизировать вносимые искажения;
- синфазное напряжение данной схемы равно входному напряжению;
- емкостная нагрузка на выходе ОУ не должна превышать рекомендуемое значение, указанное в документации;
- при работе с низкоомной нагрузкой может потребоваться ОУ с большим выходным током;
- для получения дополнительной информации о линейном рабочем диапазоне ОУ, стабильности, искажениях, емкостной нагрузке, управлении АЦП и пропускной способности читайте раздел «Рекомендации».
Порядок расчета
Передаточная функция буферной схемы определяется по формуле 1:
$$V_{o}=V_{i}\qquad{\mathrm{(}}{1}{\mathrm{)}}$$
Параметры используемого ОУ приведены в таблице 2.
Таблица 2. Параметры ОУ, используемого в расчете
| LM7332 | |
| Vss | 2,5…32 В |
| VinCM | Rail-to-rail |
| Vout | Rail-to-rail |
| Vos | 1,6 мВ |
| Iq | 2 мА |
| Ib | 1 мкА |
| UGBW | 7,5 МГц (±5 В питание) |
| SR | 15,2 В/мкс |
| Число каналов | 2 |
Убедитесь, что усилитель обеспечивает требуемый выходной размах напряжения. При этом учитывайте значения используемых уровней напряжений питания
В первую очередь обратите внимание на приведенное в документации значение размаха выходного напряжения в схеме с оборванной обратной связью. Значение из документации должно быть больше, чем требуемый размах напряжения
$$-14\,В\leq V_{o}\leq +14\,В$$
- выходной диапазон напряжений LM7332 при питании ±15 В оказывается больше, чем требуемый диапазон. Таким образом, условие выполнено;
- изучите приведенную в документации зависимость выходного напряжения от выходного тока, чтобы гарантировать, что желаемое выходное напряжение может быть достигнуто в заданном диапазоне нагрузок.
Проверьте, что входное синфазное напряжение допустимо с учетом выбранных уровней напряжений питания. Диапазон допустимых синфазных напряжений усилителя должен быть шире, чем диапазон напряжений входного сигнала. $$-15.1\,В\leq V_{icm}\leq +15.1\,В$$ входной диапазон синфазных напряжений для LM7332 при питании ±15 В оказывается шире, чем требуемый диапазон входного сигнала. Таким образом, условие выполнено.
Рассчитайте минимальную скорость нарастания, требуемую для минимизации искажений. $$SR>2\times \pi \times V_{p}\times f=2\times \pi \times 10\,В\times 100\,кГц=6.28\,В/мкс$$ скорость нарастания LM7332 составляет 15,2 В/мкс. Таким образом, условие выполнено.
Убедитесь, что устройство будет иметь достаточную полосу пропускания. $$f_{signal}
Моделирование схемы
Моделирование в режиме постоянных токов (DC-анализ) (рис. 2).
Рис. 2. Зависимость выходного напряжения ОУ от входного
Моделирование в режиме переменных токов (малосигнальный AC-анализ) (рис.3).
Рис. 3. Частотная характеристика буферного повторителя
Инвертирующий операционный усилитель
Инвертирующий усилитель — модифицированный инвертирующий повторитель напряжения, который может получить почти любой коэффициент усиления, пока коэффициент усиления находится в пределах конструктивных характеристик операционного усилителя.
Операционные усилители не играли бы важной роли в контрольно-измерительных устройствах, если бы они применялись только в качестве буферов. У операционных усилителей имеется много других областей применения
Простые инвертированные повторители напряжения могут быть видоизменены таким образом, чтобы коэффициент усиления в них составлял более единицы.
Коэффициент усиления инвертирующего повторителя напряжения изменяется с помощью величины резистора цепи обратной связи. Инвертирующий повторитель напряжения, имеет входной резистор (Rin) и резистор цепи обратной связи (Rfb).
Схема инвертирующего повторителя напряжения
Входной резистор и резистор цепи обратной связи являются теми элементами схемы, которые делают усиление возможным. Без Rin входное напряжение было бы накоротко соединено с виртуальной землей, так что потенциал на входе всегда был бы 0 В. Без Rfb выходное напряжение было бы накоротко соединено с мнимой землей, так что потенциал на выходе всегда был бы 0 В. Следовательно, при отсутствии в схеме любого из этих двух элементов коэффициент усиления равнялся бы нулю. Использование в схеме этих двух резисторов позволяет получить входное и выходное напряжения, а также усиление.
Если величина сопротивления Rfb равна величине сопротивления Rin, инвертированный повторитель напряжения имеет коэффициент усиления 1. Если Rfb имеет другую величину сопротивления, то коэффициент усиления изменится. Таким образом, коэффициент усиления инвертирующего повторителя напряжения изменяется посредством изменения величины сопротивления Rfb. Инвертирующий повторитель напряжения, в котором коэффициент усиления больше 1, называется инвертирующим усилителем. Рассмотренные до сих пор усилительные схемы принадлежат к одному и тому же типу инвертирующих усилителей. Однако, имеются и другие распространенные типы инвертирующих усилителей. Например, в усилителе с переключаемым сопротивлением цепи обратной связи в цепи обратной связи имеются три резистора: Rfb1, R fb2, Rfb3. Резисторы подключаются к схеме посредством переключательного устройства S1. Переключательное устройство может быть ручного типа или электронного, управляемого с помощью компьютера.
Схема усилителя с переключаемым сопротивлением цепи обратной связи
Переключатель и резисторы цепи обратной связи в усилителе с переключаемым сопротивлением цепи обратной связи позволяют изменять величину сопротивления в цепи обратной связи, изменяя таким образом коэффициент усиления. В цепи обратной связи может быть использовано любое число резисторов, в зависимости от требуемого числа фиксированных значений коэффициента усиления. Как отмечалось выше, коэффициент усиления инвертирующего усилителя изменяется если при неизменном значении сопротивления входного резистора изменять сопротивление резистора цепи обратной связи. Приводимый ниже пример даёт объяснение того, каким образом могут вычисляться коэффициент усиления и выходное напряжение усилителя с переключаемым сопротивлением цепи обратной связи. Предположим, что входное напряжение в цепи, составляет -0,01 В, входное сопротивление равно 100 Ом, а сопротивления резисторов цепи обратной связи равны Rfb1= 200 Ом, Rfb2 = 500 Ом, Rfb3 = 1000 Ом.
Пример усилителя с переключаемым сопротивлением цепи обратной связи
Поскольку коэффициент усиления и выходное напряжение будут изменяться в зависимости от положения переключателя, коэффициент усиления и выходное напряжение должны вычисляться отдельно для каждого положения переключателя.
Где применяются
Существует 2 вида схем ОУ, которые различаются способом подключения. Главный недостаток ОУ — непостоянство Kу, зависящего от режима функционирования. Основные сферы применения — усилители: инвертирующий (ИУ) и неинвертирующий (НИУ). В схеме НИУ Kу по U задается резисторами (сигнал нужно подавать на вход). ОУ содержит ООС последовательного типа. Эта связь выполнена на одном из резисторов. Она подается только на V-.
В ИУ происходит сдвиг сигналов по фазе. Для изменения знака выходного отрицательного напряжения необходима параллельная ОС по U. Вход, который является неинвертирующим, нужно заземлить. Входной сигнал через резистор подается на инвертирующий вход. Если неинвертирующий вход уходит на землю, то разность U между входами ОУ равна 0.
Можно выделить устройства, в которых применяются ОУ:
- Предусилители.
- Усилители звуковых и видеочастотных сигналов.
- Компараторы U.
- Дифусилители.
- Диференциаторы.
- Интеграторы.
- Фильтрующие элементы.
- Выпрямители (повышенная точность выходных параметров).
- Стабилизаторы U и I.
- Вычислители аналогового типа.
- АЦП (аналого-цифровые преобразователи).
- ЦАП (цифро-аналоговые преобразователи).
- Устройства для генерации различных сигналов.
- Компьютерная техника.
Операционные усилители и их применение получили широкое распространение в различной аппаратуре.
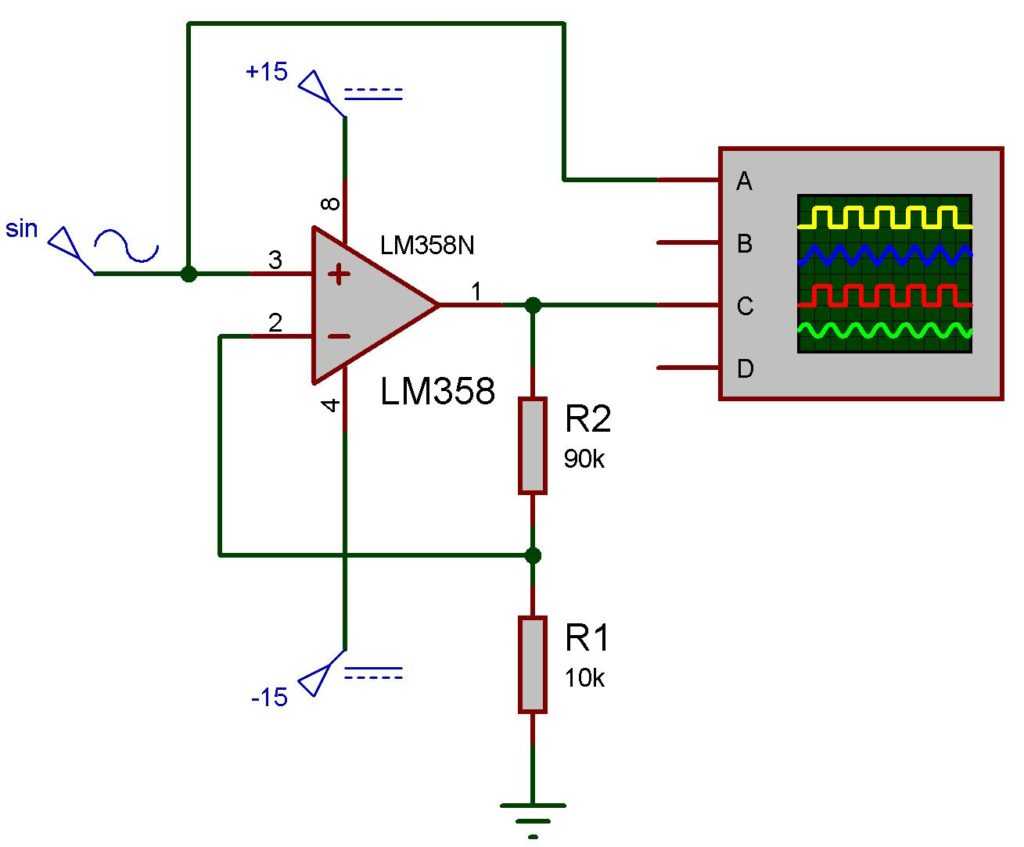
Как работает неинвертирующий усилитель на ОУ на примере
Это также можно легко проверить с помощью программы Proteus. Схема будет выглядеть вот так:

Давайте рассчитаем коэффициент усиления KU. KU = 1+R2/R1=1+90к/10к=10. Значит, наш усилитель должен ровно в 10 раз увеличивать входной сигнал. Давайте проверим, так ли это. Подаем на неинвертирующий вход синусоиду с частотой в 1кГц и смотрим, что имеем на выходе. Для этого нам потребуется виртуальный осциллограф:

Входной сигнал – это желтая осциллограмма, а выходной сигнал – это розовая осциллограмма:
Как вы видите, входной сигнал усилился ровно в 10 раз. Фаза выходного сигнала осталась такой же. Поэтому такой усилитель называют НЕинвертирующим.
Но, как говорится, есть одно “НО”. На самом же деле в реальном ОУ имеются конструктивные недостатки. Так как Proteus старается эмулировать компоненты, приближенные к реальным, давайте рассмотрим амплитудно-частотную характеристику (АЧХ), а также фазо-частотную характеристику (ФЧХ) нашего операционника LM358.
Повторитель напряжения на ОУ. Принцип работы
Повторитель напряжения — это самый простой из возможных усилителей, обладающих отрицательной обратной связью (ООС). Выходное напряжение точно равно входному напряжению. Если оно ничем не отличаются, то вы можете спросить — зачем это нужно, если от этого ничего не изменяется?
Суть в том, что речь идет о напряжении, а не о токе. Так вот, повторитель напряжения почти не потребляет тока от источника сигнала, и позволяет получить довольно высокий ток со своего выхода.
Нам часто приходится иметь дело с активными радиокомпонентами, которые имеют очень малый выходной ток. Примером такого компонента является микрофон или фототранзистор. Подключение к ним элементов с низким сопротивлением приведет к уменьшению напряжения выходного сигнала, генерируемого этими источники.
В такой ситуации имеет смысл использовать повторитель напряжения. Он имеет высокое входное сопротивление, поэтому он не снижает и не искажает входной сигнал, а так же обладает низким выходным сопротивлением, что позволяет подключить энергоемкие компоненты, например, светодиод.
Паяльная станция 2 в 1 с ЖК-дисплеем
Мощность: 800 Вт, температура: 100…480 градусов, поток возду…
Подробнее
Чтобы понять, как работает повторитель напряжения, мы должны знать три элементарных правила, определяющие работу операционного усилителя:
Предположим, что входное напряжение стало 3В, а в настоящее время на выходе у нас 1В. Что произойдет? Усилитель определяет, что между инвертирующим входом (-) и неинвертирующим (+) разница составляет 2В.
Поэтому, в соответствии с правилом №1, выходное напряжение увеличивается до тех пор, пока напряжения на входах не сравняют. Ситуацию дополнительно упрощает тот факт, что выход соединен непосредственно с инвертирующим входом (-), и это неизбежно приводит к тому, что напряжение на этих двух выводах становиться одинаковым.
Часто, в схеме повторителя напряжения, можно встретить дополнительный резистор в цепи обратной связи. Он необходим там, где требуется повышенная точность. Правила №1 и №2 относятся к идеальному операционному усилителю, которого в реальности нет.
Напряжения на входах не могут быть идеально одинаковыми, через них протекает небольшой ток, поэтому напряжение на выходе может отличаться от входного напряжения на несколько милливольт. Резистор R предназначен для уменьшения влияния этих недостатков. Он должен иметь сопротивление равное сопротивлению источника сигнала.
Как это работает? — Однополярное питание ОУ и отрицательное напряжение
Обратились недавно ко мне с вопросом. Есть схема с операционным усилителем. ОУ питается однополярным положительным напряжением. Но в схеме присутствует отрицательное напряжение, которое через резисторы подается на на вход ОУ. Вопрос: как и почему оно работает? Разве для работы с отрицательными напряжениями не надо ли питать операционник от двуполярного источника напряжения?
Давайте разбираться вместе.
Вот те самые схемы:
Рис. 1. Схема №1
Рис. 2. Схема №2
Судя по всему, схемы с РадиоКота, но сами статьи не нашел.
Первая — источник высокого отрицательного напряжения для питания ФЭУ, вторая — предварительный усилитель того самого ФЭУ.
Рассмотрим первую. Интересующий нас участок выглядит так:
Рис. 3. Упрощенная обвязка ОУ из рис. 1
Здесь ОУ работает как инвертирующий усилитель с коэффициентом усиления меньше единицы. На вход -HV подается высокое отрицательное напряжение. На выходе OUT получаем положительный потенциал, по величине пропорциональный входному напряжению.
Работает схема следующим образом. На вход -HV подается высокое отрицательное напряжение. Через резистор R2 оно поступает на отрицательный вход ОУ. Так как положительный вход операционника подключен к земле, ОУ через резистор обратной связи R1 будет компенсировать отрицательное напряжение положительным, тем самым сохранять на отрицательном входе нулевой потенциал. То есть, как только на отрицательном входе напряжение провалится ниже нуля, ОУ его снова вернет в ноль через резистор R1. Таким образом, на обоих входах операционного усилителя напряжение всегда будет находиться в окрестности нуля вольт.
Вопрос только вызывает то, что для срабатывания обратной связи операционник должен зафиксировать небольшой провал в отрицательную область, а как он это сделает, если он питается только положительным напряжением?
На это можно ответить коротко: Да ни как! Схема в данном виде является нерабочей, уж не знаю как оно заработало у автора, но у человека, который ее собирал, ни чего не получилось. Выйти из положения можно внеся небольшое изменение в конструкцию:
Рис. 4. Модернизированная схема №1
Положительный вход ОУ с помощью делителя R3-R4 мы немного «приподнимаем» над потенциалом земли. В этом случае операционник следит за провалом напряжения на отрицательным входе уже не ниже уровня земли, а ниже небольшого смещения, которое всегда больше нуля. В таком виде схема уже является жизнеспособной.
Данный прием как раз и реализован во второй схеме (рис. 2). Вот ее часть:
Рис. 5. Зарядочувствительный усилитель ФЭУ
Это так называемый зарядочувствительный усилитель, или инверсный интегратор тока. Вход Anode подключается к аноду ФЭУ, который является источником отрицательного тока (не напряжения!!!). При регистрации кванта света, на выходе OUT получаем импульс напряжения положительной полярности.
Вот и все. Как видите, даже если схема работает с отрицательными напряжениями, в некоторых случаях совсем не обязательно операционные усилители в ней питать двуполярным напряжением.
Сложение двух сигналов в программном симуляторе
Но что, если нам надо сложить в теории два каких-нибудь два сложных сигнала с разными фазами, амплитудами, частотами? Здесь проще всего прибегнуть как различным симуляторам. Один из них – это Proteus. С помощью него я могу сложить два любых сигнала и посмотреть их сумму. Для этого выбираю синусоидальный генератор
потом виртуальный осциллограф
Собираю схему
Щелкаю два раза на генератор и задаю его параметры
Давайте сложим два наших синусоидальных сигнала с одинаковыми амплитудами, фазами и частотами, как во втором примере
Прописываем амплитуду и частоту каждого сигнала, остальное ничего не трогаем. Потом нажимаем “пуск”
Потом нажимаем правой кнопкой мыши на наш виртуальный осциллограф и нажимаем Digital Oscilloscope
Сигнал с канала B я немного сдвинул вниз, иначе он совпадает с сигналом А. Оно и неудивительно, так как это два идентичных сигнала.
Для того, чтобы найти их сумму, нам достаточно нажать на кнопку A+B
Получаем сумму двух сигналов
В таком виртуальном осциллографе можно складывать любые два сигнала.
Давайте сложим два таких сигнала
Нажимаем A+B и получаем вот такую сумму сигналов
А давайте сдвинем синусоидальный сигнал на 90 градусов по фазе. Имеем
В результате сумма сигналов будет
На моем реальном цифровом осциллографе тоже имеется такая функция
Здесь на примере ниже я суммирую два сигнала: синусоидальный и прямоугольный. Зеленая осциллограмма – это сумма двух этих сигналов.
Реверс фазы
Проблема в вышеописанных условиях при постоянном токе возникает, когда оба напряжения, VCO и VEO, находятся дальше от земли, чем VCM. Если VCM превышает напряжение питания, может возникнуть ещё одна проблема. Чтобы избежать проблем в этом случае обычно достаточно добавить резистор для ограничения тока в цепи насыщенного входа. Однако некоторые операционные усилители подвержены проблеме реверса фазы, когда напряжение на их входе приближается к напряжению на одной из шин питания. Когда это происходит, выходное напряжение операционного усилителя перескакивает к напряжению на противоположной шине питания и остаётся там до тех пор, пока входной каскад не восстановится после насыщения. В схеме со следящим питанием шины питания операционного усилителя гуляют вместе с его выходом, оставляя вход далеко за пределами напряжений шин питания. В результате эта ситуация может привести к выходу операционного усилителя из строя.
Если выбран операционный усилитель, который подвержен реверсу фазы, следует обязательно ограничить амплитуду входного сигнала, чтобы входное напряжение VCM никогда не превышало диапазон допустимого синфазного входного напряжения операционного усилителя. Эта ситуация выглядит идентично вышеупомянутой проблеме в условиях постоянного тока, но проблема с усилением по постоянному току возникает, когда VCM ближе к земле, чем любая шина питания. Реверс фазы является проблемой, когда VCM находится дальше от земли, чем любая шина питания.
Схема эмиттерного повторителя
Давайте разберемся, что значит словосочетание “эмиттерный повторитель”? Если досконально разобрать эту фразу, то она означает, что на эмиттере что-то должно повторяться.
Упрощенная схема эмиттерного повторителя выглядит вот так:
На первый взгляд вроде бы схема как схема, но она обладает 4 важными свойствами:
1) Напряжение U вых меньше U вх на каких-то 0,6-0,7 Вольт (падение напряжения на базе-эмиттере)
2)U вых в точности повторяет по форме и фазе U вх
3) Сопротивление со стороны входа (входное сопротивление) большое
4) Сопротивление со стороны выхода (выходное сопротивление) маленькое
Ток смещения и смещение выхода
Входы реального ОУ потребляют небольшой ток, который называется током смещения. В англоязычных даташитах он называется Input Bias Current. Если входные цепи ОУ построены на биполярных транзисторах, то такой ток смещения будет где-то несколько десятков наноампер, в отличите от ОУ, где входные цепи построены на полевых транзисторах. Во входных цепях, построенных на полевых транзисторах, ток смещения оценивается десятыми долями пикоампер. Следовательно, ток смещения очень важен именно для ОУ, чьи входные цепи построены на биполярных транзисторах.
Почему же так важен ток смещения? Давайте еще раз рассмотрим схему
Даже если мы не подаем никакого сигнала на вход, то на выходе у нас все равно будет какое-то маленькое постоянное напряжение. Почему так происходит? Во всем как раз и виноват ток смещения. Он создает падение напряжения на резисторе обратной связи. В данном случае – это резистор R2. А как вы знаете, на большем сопротивлении падает большее напряжение. То есть если номинал сопротивления R2 будет очень большим, то на нем будет падать большое напряжение, которое как раз и пойдет на выход нашего ОУ.
Допустим, ток смещения равен 0,1 мкА, а резистор R2= 1 МОм, то какое падение напряжения будет в этом случае на резисторе? Вспоминаем закон Ома: I=U/R, отсюда U=IR= 0,1 В. То есть на выходе у нас уже будет постоянное напряжение 0,1 В! Подавая на вход такого усилителя полезный сигнал с током смещения в 0,1 мкА , на выходе этот сигнал будет усиливаться и суммироваться с постоянной составляющей в 0,1 В. В нашем случае происходит смещение нулевого уровня. Наглядно – на рисунке ниже.
Работа ОУ от двухполярного источника питания
Как указывалось в одной из предыдущих статей, в основе операционного усилителя лежит дифференциальный каскад на транзисторах, для питания которого требуется источник питания с двумя напряжениями – положительным и отрицательным. Причем оба эти напряжения должны быт одинаковы: например, +5 и -5 В, +12 и -12 В. Типовая схема подключения ОУ к источнику питания приведена ниже
Типовая схема питания ОУ.
Типовая схема питания ОУ состоит из следующих элементов: конденсаторов С1, С2, защитный диодов VD1, VD2 и двухполярного источника питания +Uпит, -Uпит. Защитные диоды VD1 и VD2 являются необязательными элементами схемы, но рекомендуются для всех источников питания, где есть возможность случайно перепутать выводы питания.
Конденсаторы С1 и С2 обеспечивают развязку шин питания по переменному току и должны подключаться как можно ближе к выводам микросхемы. Данные конденсаторы должны иметь ёмкость порядка 0,001 – 0,1 мкФ.
Так как современные ОУ имеют достаточно большое усиление на высоких частотах, то довольно часто возникает паразитная обратная связь по цепям питания усилителя. Поэтому довольно часто в дополнение к развязывающим конденсаторам С1 и С2 в цепях питания ОУ часто подключают конденсаторы непосредственно к шинам питания, что улучшает стабильность усилителей.
Ждущий мультивибратор (одновибратор)
Ждущий мультивибратор в отличие от автоколебательного на выходе формирует одиночный импульс под действием входного сигнала, причём длительность выходного импульса зависит от номиналов элементов обвязки операционного усилителя. Схема ждущего мультивибратора показана ниже
Схема ждущего мультивибратора (одновибратора) на операционном усилителе.
Ждущий мультивибратор состоит из операционного усилителя DA1, цепи ПОС на резисторах R4R5, цепи ООС VD1C2R3 и цепи запуска C1R1VD2.
Цикл работы ждущего мультивибратора можно условно разделить на три части: ждущий режим, переход из ждущего режима в состояние выдержки и непосредственно состояние выдержки. Рассмотрим цикл работы мультивибратора подробнее.
Ждущий режим является основной и наиболее устойчивой частью цикла работы данного типа мультивибратора, так как самопроизвольно он не может перейти в следующие части цикла работы ждущего мультивибратора. В данном состоянии на выходе мультивибратора присутствует положительное напряжение насыщения ОУ (UНАС+), которое через цепь ПОС R4R5 частично поступает на неинвертирующий вход ОУ, тем самым задавая пороговое напряжение переключения мультивибратора (UПП), которое определяется следующим выражением
На инвертирующем входе ОУ присутствует напряжение, которое задаётся диодом VD1 (в случае кремневого диода напряжение примерно равно 0,6 – 0,7 В), то есть меньше порога переключения мультивибратора. При данных условиях ждущий мультивибратор может находиться неограниченно долгое время (до тех пор, пока не поступит запускающий импульс).
Переход из ждущего режима в состояние выдержки, является следующей частью цикла работы ждущего мультивибратора и начинается после того, как на вход поступит импульс отрицательной полярности, амплитуда которого превысит двухкратное значение напряжения переключения ждущего мультивибратора. То есть минимальная амплитуда входного напряжения (UВХ min) должна быть равна
В этом случае напряжение порога переключения ждущего мультивибратора понизится и станет меньше, чем напряжение падения на диоде VD1. Далее произойдёт лавинообразный процесс переключения выходного напряжения и на выходе установится напряжение отрицательного насыщение ОУ (UНАС-) и ждущий мультивибратор перейдёт в состояние выдержки. При выборе номиналов элементов входной цепи C1 и R1 надо исходить из того, что конденсатор С1 должен полностью разрядиться за время действия входного импульса, то есть постоянная времени цепи C1R1 должна быть на порядок (в десять раз) меньше длительности входного импульса.
Заключительная часть цикла работы ждущего мультивибратора является состояние выдержки. В данном состоянии на неинвертирующий вход поступает часть напряжения с выхода мультивибратора, тем самым задавая пороговое напряжение перехода мультивибратора в ждущий режим. В тоже время выходное напряжение через цепь ООС C1R1 поступает на инвертирующий вход и открывает диод VD1, через который начинает разряжаться конденсатор С1. После разряда конденсатора С1 до 0 В происходит его зарядка через резистор R1 до напряжения перехода мультивибратора в ждущий режим. После чего схема переходит в исходное состояние и на выходе устанавливается напряжение положительного насыщения ОУ (UНАС+). Длительность состояния выдержки и непосредственно формируемого выходного импульса определяется временем зарядка конденсатора С1 через резистор R1 и в общем случае определяется следующим выражением
Так как ждущий мультивибратор имеет только одно устойчивое состояние, то за ним закрепилось название одновибратора.
Для того чтобы одновибратор вырабатывал положительные импульсы при положительных управляющих входных сигналах необходимо изменить полярность включения диодов VD1 и VD2.
Виды и обозначения на схеме
С развитием электросхемотехники операционные усилители постоянно совершенствуются и появляются новые модели.
Классификация по сферам применения:
- Индустриальные — дешевый вариант.
- Презиционные (точная измерительная аппаратура).
- Электрометрические (малое значение Iвх).
- Микромощные (потребление малого I питания).
- Программируемые (токи задаются при помощи I внешнего).
- Мощные или сильноточные (отдача большего значения I потребителю).
- Низковольтные (работают при U<3 В).
- Высоковольтные (рассчитаны на высокие значения U).
- Быстродействующие (высокая скорость нарастания и частота усиления).
- С низким уровнем шума.
- Звуковой тип (низкий коэффициент гармоник).
- Для двухполярного и однополярного типа электрического питания.
- Разностные (способны измерять низкие U при высоких помехах). Применяются в шунтах.
- Усилительные каскады готового типа.
- Специализированные.
По входным сигналам ОУ делятся на 2 типа:
- С 2 входами.
- С 3 входами. 3 вход применяется для расширения функциональных возможностей. Обладает внутренней ООС.
Схема операционного усилителя достаточно сложная, и не имеет смысла его изготавливать, а радиолюбителю нужно только знать правильную схему включения операционного усилителя, но для этого следует понимать расшифровку его выводов.
Основные обозначения выводов ИМС:
- V+ — неинвертирующий вход.
- V- — инвертирующий вход.
- Vout — выход.Vs+ (Vdd, Vcc, Vcc+) — плюсовая клемма ИП.
- Vs- (Vss, Vee, Vcc-) — минус ИП.
Практически в любом ОУ присутствуют 5 выводов. Однако в некоторых разновидностях может отсутствовать V-. Существуют модели, которые обладают дополнительными выводами, которые расширяют возможности ОУ.
Выводы для питания необязательно обозначать, т.к. это увеличивает читабельность схемы. Вывод питания от положительной клеммы или полюса ИП располагают вверху схемы.

















































































