Уменьшение пульсаций выходного напряжения
Наличие измерительного элемента уменьшает амплитуду пульсации, поступающих по цепи отрицательной ОС на вход ОУ управляющего элемента, во столько же раз, во сколько и сигнал dUвых. С увеличением Uвых стабилизатора увеличивается и ослабление сигнала рассогласования, поэтому у высоковольтных стабилизаторов коэффициент подавления пульсаций обычно ниже, чем у низковольтных. Из сказанного следует, что коэффициент подавления пульсации стабилизатора можно существенно повысить введением дополнительной отрицательной ОС по переменному току через цепь C4R5. Пульсации выходного напряжения передают на вход ОУ либо непосредственно (через конденсатор С4), если Uвых<=15 В, либо через конденсатор и резистор R5 с относительно небольшим сопротивлением. При этом коэффициент деления измерительного элемента для переменной составляющей напряжения увеличивается и коэффициент Кпульс возрастает примерно во столько же раз, во сколько суммарное сопротивление резистора R5 и конденсатора С4 на частоте пульсации меньше сопротивления резистора R4. Резистор R5 необходим для защиты входных цепей ОУ при большом выходном напряжении Uвых (он ограничивает ток зарядки и разрядки конденсатора С4 при включении и выключении стабилизатора). Этой же цели служат и диоды VU1 и VD2. Емкость конденсатора С4 выбирают в зависимости от сопротивления резистора R4 и тока нагрузки. При уменьшении сопротивления резистора R4 и увеличении тока нагрузки стабилизатора емкость надо увеличивать. Ввиду того, что конденсатор С4 включен в цепь отрицательной ОС, он может сильно влиять на временную и температурную стабильность выходного напряжения. Поэтому конденсатор С4 должен иметь малую утечку при номинальной температуре. При большой емкости этого конденсатора напряжение на выходе стабилизатора устанавливается медленнее. Необходимо также отметить, что включение конденсатора С4 в цепь ОС значительно повышает устойчивость стабилизатора к низкочастотным наводкам. Анализ работы стабилизатора показал, что при работе с одним и тем же источником образцового напряжения Uобр амплитуда пульсации выходного напряжения без ОС по переменному току достигает 40…50 мВ, а с подключением цепи ОС уменьшается до 1 мВ. В заключение необходимо отметить, что рассмотренный способ улучшения подавления пульсации может быть применен не только в стабилизаторах на ОУ, но практически в любом компенсационном стабилизаторе напряжения.
Расчет делителя напряжения на резисторах: онлайн-калькулятор
Делитель напряжения — это простой и удобный способ получить нужное напряжение в определенной точке схемы. Он используется в цепях обратной связи для измерения выходных параметров, когда на выходе десятки вольт, а измерительный вход микросхемы рассчитан на единицы или доли вольт и во множестве других целей. Простейший вариант строится на резисторах их может быть 2 и больше.
Давайте разберемся как рассчитать данный элемент цепи. Можно сделать это вручную или использовать следующий онлайн калькулятор, который выполняет расчет делителя напряжения на резисторах:
Главное, что нельзя забывать, так это то, что ток делителя должен быть на 1 и более порядков выше, чем входной ток нагрузки. Это нужно, чтобы минимизировать просадки напряжения и сохранить стабильность выходных параметров. После этого приступайте к расчетам по току и напряжению.
Если ваш делитель состоит из двух элементов, то ток через него рассчитывают по формуле:
I=Uвх/(R1+R2)=Uвх/Rобщ
Или сопротивление по заданному току:
Rобщ=Uвх/I
Нам известно R общее при заданном I, входное напряжение и сколько нам нужно получить на выходе. Рассчитываем сопротивления:
R2=Uвых*Rобщ/Uвх
Тогда:
R1=Rобщ-R2
Если нужно определить параметры цепочки по известным сопротивлениям и входному напряжению — рассчитывают выходное по формуле:
Uвых=Uвх*R2/R1+R2
Значит, зная напряжение на выходе можно рассчитать его и на входе:
Uвх=(Uвых*R1+R2)/R2
Это основной метод расчета резистивного делителя, бывает еще и емкостной или индуктивный. В этом случае вместо сопротивления активного R в расчетах фигурирует сопротивление реактивное Xc или Xl.
Для регулировки выходного напряжения резисторного делителя вместо нижнего сопротивления устанавливают подстроечный или переменный резистор. Расчеты при этом ничем не отличаются — в них используют максимальное значение на переменном резисторе. Также можно ограничить минимальное выходное напряжение, установив последовательно с переменным постоянное, тогда минимальное рассчитывается без учета переменника. Такую схему удобно использовать, если у вас резисторы с большим допуском, а нужно получить точные выходные параметры.
Вы можете сэкономить время, воспользовавшись онлайн калькулятором, в нем вы можете рассчитать номиналы элементов с учетом нужных выходного и входного напряжения. Использование калькулятора сэкономит ваше время, если нужно посчитать большую схему или вы запутались и не можете разобраться, как посчитать резистивный делитель с нагрузкой.
Учтите, что элементы нужно подбирать не только по номиналу, но и по мощности, потому что при большом токе потребления нагрузки, нужно рассчитывать схему на большие токи. В результатах расчетов онлайн калькулятора будет указано, на сколько ватт нужен резистор.
Два напряжения от одного источника питания
492
Иногда для питания различных радиотехнических устройств требуется иметь два двухполярных напряжения +12 и -12 В (или +9 и -9 В) от одного источника — аккумулятора или сетевого трансформатора с одной обмоткой. Такие напряжения необходимы для работы операционных усилителей и некоторых других схем. При этом основное потребление тока схемой осуществляется, как правило, по цепи с положительным напряжением, а цепь «-» является вспомогательной.
Промышленность выпускает специализированную микросхему преобразователя для получения отрицательного напряжения: КР1168ЕП1 (входное напряжение 3…10 В, а выходное отрицательное такой же величины, что и на входе). Но она не является пока широкодоступной, а также перекрывает узкий диапазон напряжений.
На рис. приведена схема простого преобразователя, который позволяет получать от источника +12 В (+9 В) дополнительное стабилизированное напряжение -12 В (-9 В при использовании стабилизатора КР142ЕН8А). Ток нагрузки по цепи -12В может быть до 15 мА.
Преобразователь работает на частоте 50 кГц и сохраняет свою работоспособность при снижении напряжения питания до 7 В.
Схема состоит из автогенератора на транзисторе VT1, повышающего напряжение трансформатора Т1 и интегрального стабилизатора DA1.
При сборке требуется соблюдать полярность подключения фаз обмоток трансформатора Т1, указанную на схеме. Со вторичной обмотки трансформатора напряжение после выпрямления должно быть 15…19 В, что необходимо для нормальной работы стабилизатора DA1.
Для настройки преобразователя сначала вместо DA1 подключаем резистор 150 Ом. При нормальной работе схемы форма напряжения на обмотке 3 в трансформаторе Т1 показана на рис., При настройке может потребоваться подбор конденсатора С- и резистора R2.
Трансформатор Т1 выполняется на броневом сердечнике типоразмера Б22 из феррита 2000НМ (1500НМ) и содержит в обмотке 1 — 80 витков, 2 — 15 витков, 3-110 витков провода ПЭЛШО-0,18. После проверки и настройки схемы катушку и ферритовые чашки закрепить клеем.
Конденсаторы С2, С4, С5 применены типа К50-29-63В, С1 и С- — любые малогабаритные, С6 — К53-1А-20В.
Все элементы схемы размещены на печатной плате с размерами 65х50 мм. Для уменьшения высоты платы монтаж выполнен в двух уровнях — конденсаторы С4 и С5 расположены над элементами VT1 и DA1. Схема позволяет получать и более высокое выходное напряжение, чем на входе, если использовать отрицательный выброс напряжения.
Если собранное вами устройство является стационарным и может питаться от сети, то для получения двухполярного напряжения можно применить широко распространенные малогабаритные трансформаторы (конструктивно оформленные в виде сетевой вилки). Они имеют одну вторичную обмотку, и, чтобы не перематывать трансформатор, удобно воспользоваться схемой.
Нравится схема? Поделитесь с другом.
Формула для расчёта делителя напряжения
Как рассчитать резистор для понижения напряжения ?
Для расчёта получаемой в итоге нагрузки, нужно знать следующие данные: U исходное и значение сопротивления в каждом из составных элементов.
Можно рассчитать общее сопротивление в резисторах:
В параллельно соединённых резисторах U1=U2, из это можно сделать вывод, что в сети протекает общий ток: I=I1+I2
Найти общий ток можно, зная закон Ома
Уменьшаемое в итоге напряжение на резисторах находится по формуле: U1=(R1/(R1+R2))*U U2=(R2/(R1+R2))*U Остаётся узнать, как найти ток на обоих резисторах:
Также, рассчитать напряжение на резисторе можно через ЭДС (Электродвижущую силу):
r – внутреннее сопротивление устройства.
Ограничения в применении
Из приведенных в таблице примеров расчетов хорошо видно, как значительно увеличиваются потери при уменьшении сопротивления цепи. Энергия расходуется впустую для нагрева окружающей среды. При большой мощности рассеивания приходится использовать принудительные системы охлаждения, пассивные радиаторы.
В приведенных расчетах не учитывалась нагрузка. Если добавить соответствующее реальным условиям сопротивление, образуются дополнительные потери в параллельной цепи.
Влияние сопротивления нагрузки
На первой части рисунка изображен типовой делитель, обеспечивающий выходное напряжение 5 V. При потреблении тока 0,01 А сопротивление нагрузки составит 0,5 кОм. Пользуясь формулой расчета для параллельной цепи, несложно выяснить суммарное значение R = 1/(1/R2 + 1/Rнагрузки) = 0,25 кОм. Это добавление уменьшит плановое значение Uвых до 3,46 V.
Уменьшением R2 можно снизить вредное влияние на выходное напряжение (4,75 V). Однако такой способ, приведенный на второй части рисунка, сопровождается значительными потерями энергии. Ток будет проходить по участку с меньшим сопротивлением, не выполняя полезные функции. В данном примере необходимо выбрать R1, рассчитанный на мощность не менее 2 Вт, чтобы обеспечить надежную работу устройства.
Использование операционных усилителей
Как известно, у диодов вольтамперная характеристика нелинейная, создавая однофазный прецизионный (высокоточный) выпрямитель двухполупериодного типа на микросхеме ОУ, можно существенно снизить погрешность. Помимо этого, имеется возможность создать преобразователь, позволяющий стабилизировать ток на нагрузке. Пример схемы такого устройства показан ниже.
Схема: простой стабилизатор на операционном усилителе
На рисунке изображен простейший стабилизатор тока. Используемый в нем ОУ – это управляемый по напряжению источник. Такая реализация позволяет добиться, чтобы ток на выходе преобразователя не зависел от потери напряжения на нагрузке Rн и диодном мосту D1-D4.
Если требуется стабилизация напряжения, схему преобразователя можно незначительно усложнить, добавив в нее стабилитрон. Он подключается параллельно сглаживающей емкости.
Применимость
Делитель напряжения подходит
для получения необходимого заниженного напряжения в случаях, когда подключенная нагрузка потребляет небольшой ток (доли или единицы миллиампер). Примером подходящего использования является считывание напряжения аналоговым входом микроконтроллера, управление базой/затвором транзистора .
Делитель не подходит
для подачи напряжения на мощных потребителей вроде моторов или светодиодных лент.
Чем меньшие номиналы выбраны для делящих резисторов, тем больше энергии расходуется впустую и тем выше нагрузка на сами резисторы. Чем номиналы больше, тем больше и дополнительное (нежелательное) падение напряжения, провоцируемое самой нагрузкой.
Если потребление тока нагрузкой неравномерно во времени, V out
также будет неравномерным.
Делитель напряжения применяется, если нужно получить заданное напряжение при условии стабилизированного питания. Сейчас мы поговорим о постоянном токе и резисторных делителях. О делителях с использованием конденсаторов, диодов, стабилитронов, индуктивностей и других элементов будет отдельная статья. Подпишитесь на новости, чтобы ее не пропустить. В конце для примера расскажу, как сделать делитель напряжения для осциллографа, чтобы снимать осциллограммы высокого напряжения.
Резисторные делители также могут применяться для уменьшения в заданное количество раз сигналов сложной формы. На делителях напряжения с регулируемым коэффициентом ослабления строятся, например, регуляторы громкости.
| Вашему вниманию подборка материалов: |
Предисловие
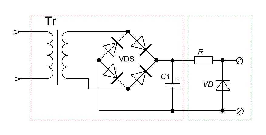
Ладно, начнем издалека… Как вы знаете, все электронные устройства состоят из блоков. Их еще часто называют каскады, модули, узлы и тд. В нашей статье будем использовать понятие “блок”. Например, источник питания, собранный по этой схеме:

состоит из двух блоков. Я их пометил в красном и зеленом прямоугольниках.
В красном блоке мы получаем постоянное напряжение, а в зеленом блоке мы его стабилизируем. То есть блочная схема будет такой:
Блочная схема – это условное деление. В этом примере мы могли бы даже взять трансформатор, как отдельный блок, который понижает переменное напряжение одного номинала к другому. Как нам удобнее, так и делим на блоки нашу электронную безделушку. Метод “от простого к сложному” полностью работает в нашем мире. На низшем уровне находятся радиоэлементы, на высшем – готовое устройство, например, телевизор.
Ладно, что-то отвлеклись. Как вы поняли, любое устройство состоит из блоков, которые выполняют определенную функцию.
– Ага! Так что же получается? Я могу просто тупо взять готовые блоки и изобрести любое электронное устройство, которое мне придет в голову?
Да! Именно на это нацелена сейчас современная электроника 
На словах все выходит прекрасно, но всегда есть подводные камни, которые следует изучить, чтобы начать проектировать электронные устройства. Некоторые из этих камушков называются входным и выходным сопротивлением.
Думаю, все помнят, что такое сопротивление и что такое резистор. Резистор хоть и обладает сопротивлением, но это активное сопротивление. Катушка индуктивности и конденсатор будут уже обладать, так называемым, реактивным сопротивлением. Но что такое входное и выходное сопротивление? Это уже что-то новенькое. Если прислушаться к этим фразам, то входное сопротивление – это сопротивление какого-то входа, а выходное – сопротивление какого-либо выхода. Ну да, все почти так и есть. И где же нам найти в схеме эти входные и выходные сопротивления? А вот “прячутся” они в самих блоках радиоэлектронных устройств.
Расчет делителя напряжения на резисторах, конденсаторах и индуктивностях — Help for engineer
Расчет делителя напряжения на резисторах, конденсаторах и индуктивностях
Делитель напряжения используется в электрических цепях, если необходимо понизить напряжение и получить несколько его фиксированных значений. Состоит он из двух и более элементов (резисторов, реактивных сопротивлений). Элементарный делитель можно представить как два участка цепи, называемые плечами. Участок между положительным напряжением и нулевой точкой – верхнее плечо, между нулевой и минусом – нижнее плечо.
Делитель напряжения на резисторах может применятmся как для постоянного, так и для переменного напряжений. Применяется для низкого напряжения и не предназначен для питания мощных машин. Простейший делитель состоит из двух последовательно соединенных резисторов:
На резистивный делитель напряжения подается напряжение питающей сети U, на каждом из сопротивлений R1 и R2 происходит падение напряжения. Сумма U1 и U2 и будет равна значению U.
В соответствии с законом Ома (1):
Падение напряжения будет прямо пропорционально значению сопротивления и величине тока. Согласно первому закону Кирхгофа, величина тока, протекающего через сопротивления одинакова. С чего следует, что падение напряжения на каждом резисторе (2,3):
Тогда напряжение на всем участке цепи (4):
Отсюда определим, чему равно значение тока без включения нагрузки (5):
Если подставить данное выражение в (2 и 3), то получим формулы расчета падения напряжения для делителя напряжения на резисторах (6, 7):
Необходимо упомянуть, что значения сопротивлений делителя должны быть на порядок или два (все зависит от требуемой точности питания) меньше, чем сопротивление нагрузки. Если же это условие не выполняется, то при приведенном расчете подаваемое напряжение будет посчитано очень грубо.
Для повышения точности необходимо сопротивление нагрузки принять как параллельно подсоединенный резистор к делителю. А также использовать прецизионные (высокоточные) сопротивления.
Онлайн подбор сопротивлений для делителя
Пусть источник питания выдает 24 В постоянного напряжения, примем, что величина сопротивления нагрузки переменная, но минимальное значение равно 15 кОм. Необходимо рассчитать параметры резисторов для делителя, выходное напряжение которого равно 6 В.
Таким образом, напряжения: U=24 B, U2=6 В; сопротивление резисторов не должно превышать 1,5 кОм (в десять раз меньше значения нагрузки). Принимаем R1=1000 Ом, тогда используя формулу (7) получим:
выразим отсюда R2:
Зная величины сопротивления обоих резисторов, найдем падение напряжения на первом плече (6):
Ток, который протекает через делитель, находится по формуле (5):
Схема делителя напряжения на резисторах рассчитана выше и промоделирована:
Использование делителя напряжения очень неэкономичный, затратный способ понижения величины напряжения, так как неиспользуемая энергия рассеивается на сопротивлении (превращается в тепловую энергию). КПД очень низкий, а потери мощности на резисторах вычисляются формулами (8,9):
По заданным условиям, для реализации схемы делителя напряжения необходимы два резистора:
| 1. R1=1 кОм, P1=0,324 Вт. | ||
| 2. R2=333,3 Ом, P2=0,108 Вт. |
Полная мощность, которая потеряется:
Делитель напряжения на конденсаторах применяется в схемах высокого переменного напряжения, в данном случае имеет место реактивное сопротивление.
Сопротивление конденсатора рассчитывается по формуле (10):
| где С – ёмкость конденсатора, Ф; | ||
| f – частота сети, Гц. |
Исходя из формулы (10), видно, что сопротивление конденсатора зависит от двух параметров: С и f. Чем больше ёмкость конденсатора, тем сопротивление его ниже (обратная пропорциональность). Для ёмкостного делителя расчет имеет такой вид (11, 12):
Еще один делитель напряжения на реактивных элементах – индуктивный, который нашел применение в измерительной технике. Сопротивление индуктивного элемента при переменном напряжении прямо пропорционально величине индуктивности (13):
| где L – индуктивность, Гн. |
Падение напряжения на индуктивностях (14,15):
Калькулятор делителя напряжения на резисторах
Делитель напряжения позволяет получить пониженное напряжение. Рассмотрим, как работает делитель напряжения на резисторах и предоставим онлайн калькулятор делителя.
Делитель напряжения на резисторах — это схема, позволяющая получить из высокого напряжения пониженное напряжение. Используя всего два резистора, мы можем создать любое выходное напряжение, составляющее меньшую часть от входного напряжения. Делитель напряжения является фундаментальной схемой в электронике и робототехнике. Для начала рассмотрим электрическую схему и формулу для расчета.
Как работает делитель напряжения на резисторах
Для того, чтобы разобраться в принципе работы резисторного делителя напряжения и понять, как рассчитать делитель напряжения на резисторах, следует ознакомиться с его принципиальной схемой (см. картинку ниже — несколько вариантов изображения делителя). Схема включает в себя входное напряжение и два резистора.
Резистор, находящийся ближе к плюсу входного напряжения Vвх, обозначен R1, резистор находящийся ближе к минусу обозначен R2. Падение напряжения Vвых — это пониженное выходное напряжение, полученное в результате резисторного делителя напряжения. Для расчета выходного напряжения необходимо знать три величины из приведенной схемы — входное напряжение и сопротивление обоих резисторов.
Расчет делителя напряжения на резисторах основан на законе Ома.
Vвых = R2 х Vвх / R1 + R2
Эта формула показывает, что выходное напряжение резисторного делителя прямо пропорционально входному напряжению и обратно пропорционально отношению сопротивлений R1 и R2. На этом принципе работают потенциометры (переменные резисторы) и многие резистивные датчики, например, датчик освещенности на фоторезисторе. Смотрите калькулятор делителя напряжения на резисторах онлайн.
Применение делителя напряжения на резисторах
В радиоэлектронике есть много способов применения делителя напряжения. Вот только некоторые примеры где вы можете обнаружить их.
Потенциометры
Потенциометр представляет собой переменный резистор, который может быть использован для создания регулируемого делителя напряжения.
Изнутри потенциометр представляет собой резистор и скользящий контакт, который делит резистор на две части и передвигается между этими двумя частями. С внешней стороны, как правило, у потенциометра имеется три вывода: два контакта подсоединены к выводам резистора, в то время как третий (центральный) подключен к скользящему контакту.
Если контакты резистора подключения к источнику напряжения (один к минусу, другой к плюсу), то центральный вывод потенциометра будет имитировать делитель напряжения.
Переведите движок потенциометра в верхнее положение и напряжение на выходе будет равно входному напряжению. Теперь переведите движок в крайнее нижнее положение и на выходе будет нулевое напряжение. Если же установить ручку потенциометра в среднее положение, то мы получим половину входного напряжения.
Резистивные датчики
Большинство датчиков применяемых в различных устройствах представляют собой резистивные устройства. Фоторезистор представляет собой переменный резистор, который изменяет свое сопротивление, пропорциональное количеству света, падающего на него. Так же есть и другие датчики, такие как датчики давления, ускорения и термисторы и др.
Так же резистивный делитель напряжения помогает измерить напряжение при помощи микроконтроллера (при наличии АЦП).
Пример работы делителя напряжения на фоторезисторе.
Допустим, сопротивление фоторезистора изменяется от 1 кОм (при освещении) и до 10 кОм (при полной темноте). Если мы дополним схему постоянным сопротивлением примерно 5,6 кОм, то мы можем получить широкий диапазон изменения выходного напряжения при изменении освещенности фоторезистора.
Как мы видим, размах выходного напряжения при уровне освещения от яркого до темного получается в районе 2,45 вольт, что является отличным диапазоном для работы большинства АЦП.
Подключение нагрузки
С делителем напряжения не всё так просто, когда к выходному подключения подключается какой-либо потребитель тока, который ещё называют нагрузкой
(load):
В этом случае V out
уже не может быть расчитано лишь на основе значенийV in ,R1 иR2 : сама нагрузка провоцирует дополнительное падение напряжения (voltage drop). Пусть нагрузкой является нечто, что потребляет ток в 10 мА при предоставленных 5 В. Тогда её сопротивление
В случае с подключеной нагрузкой следует рассматривать нижнюю часть делителя, как два резистора соединённых параллельно:
Подставив значение в общую формулу расчёта V out
, получим:
Как видно, мы потеряли более полутора вольт напряжения из-за подключения нагрузки. И тем ощутимее будут потери, чем больше номинал R2
по отношению к сопротивлениюL . Чтобы нивелировать этот эффект мы могли бы использовать в качествеR1 иR2 резисторы, например, в 10 раз меньших номиналов.
Пропорция сохраняется, V out
не меняется:
А потери уменьшатся:
Однако, у снижения сопротивления делящих резисторов есть обратная сторона медали. Большое количество энергии от источника питания будет уходить в землю. В том числе при отсоединённой нагрузке. Это небольшая проблема, если устройство питается от сети, но — нерациональное расточительство в случае питания от батарейки.
Кроме того, нужно помнить, что резисторы расчитаны на определённую предельную мощьность. В нашем случае нагрузка на R1
равна:
А это в 4-8 раз выше максимальной мощности самых распространённых резисторов! Попытка воспользоваться описанной схемой со сниженными номиналами и стандартными 0.25 или 0.5 Вт резисторами ничем хорошим не закончится. Очень вероятно, что результатом будет возгарание.
https://youtube.com/watch?v=wNwYNlvFsi8
Однополупериодный преобразователь
Ниже приведена типичная схема подобного устройства с минимумом элементов.
Схема: простейший преобразователь
Читать также: Чем просверлить кафельную плитку на полу
Обозначения:
- Tr – трансформатор;
- DV- вентиль (диод);
- Cf – емкость (играет роль сглаживающего фильтра);
- Rn – подключенная нагрузка.
Теперь рассмотрим осциллограмму в контрольных точках U1, U2 и Un.
Осциллограмма, снятая в контрольных точках U1, U2 и Un
Пояснение:
- в контрольной точке U1 отображается диаграмма снятая на входе устройства;
- U2 – диаграмма перед емкостным сглаживающим фильтром;
- Un – осциллограмма на нагрузке.
Временная диаграмма наглядно показывает, что после вентиля (диода) выпрямленное напряжение представляется в виде характерных импульсов, состоящих из положительных полупериодов. Когда происходит такой импульс, накапливается заряд емкостного фильтра, который разряжается во время отрицательного полупериода, это позволяет несколько сгладить пульсации.
Недостатки такой схемы очевидны – это низкий КПД, в следствии высокого уровня пульсаций. Но несмотря на это, устройства такого типа находят свое применение в цепях с низким токопотреблением.
Применение
Использование такой схемотехники на практике демонстрируют следующие примеры. Для расчетов электрических параметров без учета сопротивления нагрузки подойдут рассмотренные выше ручные и автоматизированные методики.
Потенциометры
Если резистор оснастить ползунком и соответствующим приводом, сопротивления можно будет менять плавно. Это решение позволяет точнее менять напряжения на выходе, по сравнению с дискретными схемами. Главный недостаток – усложнение конструкции, что, кроме удорожания, снижает надежность. Приходится обеспечивать герметичность рабочей зоны для исключения загрязнения и предотвращения коррозийных процессов.
Принципиальная схема потенциометра
Резистивные датчики
В этом варианте пользуются способностью некоторых материалов увеличивать/ уменьшать электрическое сопротивление под воздействием температуры, светового потока, других внешних воздействий. Созданный на основе этих принципов датчик устанавливают в плечо делителя. По уровню напряжения на выходе контролируют изменение соответствующих параметров.
Цепи обратной связи в усилителях
Таким решением обеспечивают необходимый коэффициент усиления. На представленной ниже схеме этот параметр не будет никогда ниже единицы. Для повышения уровня преобразования увеличивают значение сопротивления R2 по отношению к R1.
Делитель напряжения в цепи обратной связи
Простейшие электрические фильтры
Для фильтрации заменяют конденсатором резисторы R1 или R2. В первом варианте устройство беспрепятственно пропускает высокочастотные составляющие. При снижении частоты до определенного уровня реактивное сопротивление увеличивается, препятствует прохождению тока. Аналогичным образом делают изменения в нижнем плече делителя с целью отсечения низких частот.
Усилитель напряжения
Переменным резистором изменяют уровень сигнала для получения необходимой громкости звучания. В таких устройствах применяют элементы с логарифмической характеристикой изменения сопротивления, что хорошо соответствует естественному механизму восприятия человеческими органами слуха.
Параметрический стабилизатор напряжения
В таких схемах нижнее плечо делителя можно создать с применением стабилитрона. Его вольтамперные характеристики выбирают таким образом, чтобы выходное напряжение сохраняло нужное значение при изменении входных параметров.





























![Калькулятор делителя напряжения [таблицы .ods, .xls]](http://ratingservices.ru/wp-content/uploads/c/c/c/ccc56596bb8470165652f12199b3f93f.jpeg)









































