Недельный таймер
Электронный таймер включений-выключений в автоматическом режиме используется в разных сферах. «Недельное» реле коммутирует в рамках заранее установленного недельного цикла. Прибор позволяет:
- Обеспечить функции коммутации в системах освещения.
- Включать/выключать технологическое оборудование.
- Запускать/отключать охранные системы.
Габариты устройства небольшие, в конструкции предусмотрены функциональные клавиши. Используя их, можно легко запрограммировать прибор. Помимо этого, имеется жидкокристаллический дисплей, на котором отображается информация.
Режим управления можно активировать, нажав и удерживая кнопку «Р». Настройки сбрасываются кнопкой «Reset». Во время программирования можно установить дату, лимит — недельный срок. Реле времени может работать в ручном или автоматическом режиме. Современная промышленная автоматика, а также разные бытовые модули чаще всего оборудуются приборами, которые можно настроить при помощи потенциометров.
Передняя часть панели предполагает наличие одного или нескольких штоков потенциометра. Их можно регулировать при помощи лезвия отвертки и устанавливать в нужное положение. Вокруг штока имеется размеченная шкала. Подобные приборы широко применяются в конструкциях контроля вентиляционных и отопительных систем.
Настройка
Предусмотрено 2 типа настройки: суточная, недельная
Важно помнить, что при пользовании механическим таймером возможен только первый вариант регулировки. 2 метода наладки приборов описаны ниже
Недельная
Перед тем как выполнить первое подключение устройства, необходимо его зарядить от сети на протяжении 14 часов. Затем выполнить следующие действия:
- Тонким предметом нажать на кнопку MASTER CLEAR, благодаря которой будут сброшены заводские настройки. Через несколько секунд произойдет обнуление часов, загорятся все элементы.
- Далее потребуется нажатие кнопки TIMER. На экране сразу появится надпись ON 1.
- Теперь выбираем клавишу WEEK, предусмотренную для выбора определенного дня недели. Для установки часов и минут необходимы кнопки HOUR и MIN. Для выбора режима (ручной или автоматический) – ON/AUTO/OFF.
- После наладки перечисленных параметров нужно снова нажать TIMER. На экране сразу же появится надпись OFF 1.
- Чтобы задать время отключения розетки, необходимо повторить все вышеописанные действия.
Суточная
Суточную настройку прибора можно рассмотреть на примере розетки с механическим таймером. Такое устройство оснащено циферблатом, получится параллельно задать несколько рабочих периодов. Процесс настройки заключается в следующем:
- Применив рабочее колесико таймера, выставить фактическое время.
- Чтобы определить периоды включения устройства, нажать на сегменты, располагающиеся напротив цифр. Для выбора автоматического режима выбрать кнопку Manual.
- Подключить электроприбор к приведенной в действие розетке.
Для программирования времени отключения оборудования необходимо произвести аналогичные действия.

Принцип работы и области применения
Электромагнитное реле времени потребляет мало электроэнергии
Самый простой пример, позволяющий понять принцип работы реле, – заведенный на определенное время механический или электронный будильник. Для получения полноценного таймера к нему добавляется исполнительное устройство, выполняющее нужную функцию – подачу питания на люстру или вентилятор, например. Порядок работы такого реле:
- Как только установленный на таймере (часах) временной интервал истек, сигнал управления поступает на катушку реле.
- Сразу вслед за этим его рабочие контакты размыкают или замыкают питающую цепь.
- В результате отключается или включается подсоединенный к ней прибор.
В реальных устройствах подобный режим работы реализуется с учетом заранее заданной задержки по времени.
Таймеры различного типа широко применяются для управления функционированием промышленных установок, а также при включении и отключении бытовых приборов. В качестве коммутируемых домашних нагрузок обычно используются:
- осветительные приборы любого класса;
- различные образцы климатического оборудования;
- вентиляционные системы и подобные им устройства.
Перед тем как сделать таймер включения и выключения электроприборов своими руками, потребуется ознакомиться с разновидностями этих устройств.
Активация механизма
Подключение устройства производится в строгом положении, предписанным техпаспортом. Обычно прибор устанавливается в вертикальном положении, если он не отклоняется от вертикали более чем на 10 градусов. Также необходимо придерживаться температурного режима: от -20 до +50 градусов по Цельсию.
Третьим параметром, который учитывается при установке устройства, является влажность воздуха. Допустимый уровень не должен быть больше 80%. При подключении необходимо отключить электрическую схему от питательного устройства. Схема, как сделать реле времени 220В своими руками:
Дополнительно на самом корпусе имеются обозначения, указывающие в какой последовательности подключать элементы. Обычно это выглядит подобным образом:
- Первым делом подключается линия напряжения на клеммы питания.
- Далее, идет соединение фазной линии с рубильником и входным контактом.
- Последним шагом является подключение выходного контакта к фазной линии.
В действительности, реле времени подсоединяется по классическому пути многих приборов, то есть идет соединение питания и активация нагрузки через соответствующие контакты, которые образуют группы, их бывает несколько. Все зависит от реле, которое может быть однофазным или трехфазным.
Принцип работы
Наличие реле в определенной схеме позволяет собрать более гибкие по контролируемости устройства. Причем реализовать можно большое количество решений. Поэтому необходимо рассматривать каждое конструкционное предложение по отдельности. По виду исполняемой деятельности на практике применяют электромагнитные, электронные и пневматические системы, а также решения для часовых механизмов.
Электромагнитные устройства, как правило, могут применяться только в схемах с постоянным источником тока. Промежуток времени действия обычно бывает 0,06−0,1 сек. для включения и 0,6−1,4 — для выключения. Такие реле содержат два рабочих слоя обмотки, один из них — короткозамкнутый кольцеобразный контур.
Когда на первую обмотку подается электрический ток, магнитный поток растет. Он формирует ток второй обмотки, вследствие чего рост основного потока прекращается. В итоге появляется временная характеристика смещения якоря механизма, формируется временная выдержка.
Таймеры и реле времени
Универсальное реле времени повышенной мощности (CD4020, CD4001, IRLR2905) В некоторых случаях требуется реле времени, которое по сигналу кнопки или датчика включает нагрузку на некоторое время. Здесь описывается такое устройство. При указанных на схеме (рис.1.) номиналах деталей R3, R4, С4 выдержку времени можно плавно регулировать переменным резистором R4 в пределах …
0 79 0
Схема таймера для речевого сигнализатора (CD4060B, ISD1820)
Радиолюбителям уже давно известна микросхема ISD1820, и в литературе есть достаточно много различных звонков и сигнализаторов на их основе. Поскольку для меня, как и для многих радиолюбителей, основным источником радиодеталей сейчас является китайский Aliexpress, туда я за микросхемой …
0 41 0
Самодельные цифровые часы с индикаторами из светодиодных лент (К176ИЕ12, К176ИЕ4)
Для установки на проходных предприятий, вокзалах, в торговых центрах и в других местах массового прохода людей необходимы электронные часы с очень крупным и ярким дисплеем. Сейчас такой дисплей, при относительно доступной цене, можно сделать на основе светодиодных лент. При этом размеры индикатора …
0 53 0
Простой таймер для паяльника (К561ТЛ1, S202S02)
При разработке и ремонте аппаратуры необходимопользоваться паяльником, но не постоянно, а лишь эпизодически. в промежутках между продолжительными паузами на изучение и обдумывание ситуации. В конечном итоге, будучи поглощенным этим процессом, можно принять решение отложить эту работу на завтра …
1 119 0
Фотореле с таймером, которое включает освещение с наступлением темноты
В большинстве сумеречные выключатели представляют собой фотореле которые включают освещение с наступлением темноты, и выключают его на рассвете. Осветительная лампа в результате горит всю ночь. В некоторых случаях это и требуется но бывает так что освещение должно работать только в некоторый …
1 112 0
Таймер для периодического включения-выключения нагрузки (CD4060, CD4025A)
Схема таймера для того чтобы электроприбор работал в периодическом режиме — через определенное время включался, работал некоторое время и снова выключался. То есть, почти как холодильник, но периодичность зависит не от температуры а от установленных временных интервалов. На рисунке 1 показана …
1 1069 0
Простой таймер до 34 минуты (точность установки 1сек) или до 136 минут (точность 4 сек)
Схема таймера, позволяющего устанавливать выдержки времени до 34 минут 7 секунд с точностью до одной секунды, а выдержки до 136 минут31 секунды, — с точностью до 4 секунд. Рис. 1. Принципиальная схема таймера со звуковой сигнализацией на микросхемах CD4060B, CD4020B, К561ЛЕ5. Установка …
1 800 0
Самодельный таймер с установкой задержки от 5сек до 69ч (CD4040)
Принципиальная схема самодельного таймера на микросхемах CD4040, синхронизация выполняется от сети переменного тока, время задержки до 69 часов. Таймеры, или реле времени, давно используются в быту и на производстве, вучебном процессе, при занятии хобби. Данная тема присутствует на страницах …
1 657 0
Схема таймера для периодического отключения питания нагрузки
В ряде случаев периодический (или повторно — кратковременный) режим работы нагрузки может повысить эффективность использования оборудования, обеспечить его безопасный и долговременный режим работы. Пример устройства, работающего в таком режиме — бытовой холодильник, который периодически …
1 719 0
Схема простого таймера на одной микросхеме для видеорегистратора
Принципиальная схема самодельного таймера на одной микросхеме для управления включением видеорегистратора. Для видеозаписи происходящего на лестничной клетке жилого дома можно в дверь квартиры вмонтировать автомобильный видеорегистратор. Внешне это будет выглядеть как оптический глазок …
1 667 0
1 …
JavaScript:
Вот теперь самое главное, это сама логика программы, а точнее теперь делаем скрипт на JavaScript, но сначала посмотрим логику программы.
Также, если вы ни разу не работали с временем на JavaScript, то посмотрите этот сайт.
Логика программы:
Суть того, как будет работать наша программа в том, что мы будем брать настоящие время и вычитать его из той даты, до которой нам нужно посмотреть отсчёт, к примеру, дата следующего первая сентября и т.д..
Всё это должно работать в интервале в одну секунду, и так каждый раз программа будет брать настоящие время и вычитать его из конечной даты, пока результат не будет равен или меньше нуля, после таймер останавливается.
Таким образом у нас должен получится таймер на сайт javascript.
Код программы:
Теперь займёмся кодом программы.
JavaScript
|
1 2 3 4 5 6 7 8 9 10 11 12 13 14 15 16 17 18 19 20 |
// Берём элемент для вывода таймера let timer_show=document.getElementById(«timer»); functiondiffSubtract(date1,date2){ returndate2-date1; } let end_date={ «full_year»»1970»,// Год «month»»01»,// Номер месяца «day»»01»,// День «hours»»00»,// Час «minutes»»00»,// Минуты «seconds»»00″// Секунды } let end_date_str=`${end_date.full_year}-${end_date.month}-${end_date.day}T${end_date.hours}${end_date.minutes}${end_date.seconds}`; |
Это начало программы, давайте разберём его. Сначала мы создаём переменную которая хранит в себе элемент, в который будем отображать наш отсчёт.
Потом идёт функция в которой будем вычитать время, из заданного нами времени, вычитает настоящие время.
Дальше идёт JSON массив или ассоциативный массив, в котором мы как раз и храним данные до куда нам нужно отсчитывать наш таймер, как можете заметить у меня это девятое Мая, потом создаём строку формата , но вместо букв подставляем значения из массива.
Сам таймер:
Теперь пришло время сделать сам таймер в интервале.
JavaScript
|
1 2 3 4 5 6 7 8 9 10 11 12 13 14 15 16 17 18 19 20 21 22 23 |
// Запуск интервала таймера timer=setInterval(function(){ // Получение времени сейчас let now=newDate(); // Получение заданного времени let date=newDate(end_date_str); // Вычисление разницы времени let ms_left=diffSubtract(now,date); // Если разница времени меньше или равна нулю if(ms_left<=){// То // Выключаем интервал clearInterval(timer); // Выводим сообщение об окончание alert(«Время закончилось»); }else{// Иначе // Получаем время зависимую от разницы let res=newDate(ms_left); // Делаем строку для вывода let str_timer=`${res.getUTCFullYear()-1970}.${res.getUTCMonth()}.${res.getUTCDate()-1}${res.getUTCHours()}${res.getUTCMinutes()}${res.getUTCSeconds()}`; // Выводим время timer_show.innerHTML=str_timer; } },1000) |
Теперь разберём код, в начале мы берём настоящие время, потом получаем время до которого нужно сделать отсчёт, дальше вычитаем в нашей функции из назначенного времени, настоящие время, функция возвращает миллисекунды разности этого вычитания.
Проверяем, если миллисекунд меньше или равно нулю, то выключаем интервал и выводим сообщение, что время закончилось.
Если условие не срабатывает, то из разности получаем время, дальше идёт самое интересное, мы создаём строку для вывода таймера, разберём его по подробнее.
- res.getUTCFullYear() — Получаем год, но в нашем коде вычитаем 1970, это нужно для того, чтобы отсчёт начинался с нулевого года, так как, по умолчанию год начинается 1970 года.
- res.getUTCMonth() — Просто получаем номер месяца.
- res.getUTCDate() — Получаем день, но из него вычитаем один, это нужно для того, чтобы не учитывался сегодняшней день, если этого не сделать, то дата всегда будет на один день больше, даже тогда, когда остались считанные минуты.
- res.getUTCHours() — Получаем час.
- res.getUTCMinutes() — Получаем минуты.
- res.getUTCSeconds() — Получаем секунды.
Можете заметить что выводим время по UTC. Дальше выводим эту строку таймер.
Пневматика и часовой тип
Схемы на основе пневматических систем — уникальные. Эти приборы содержат специальную систему замедления — демпферное устройство пневматического типа. Время выдержки «пневматики» можно настраивать путем расширения или сужения сечения трубы, откуда подается воздух. Для такой операции в конструкции предусмотрен специальный регулировочный винт.
Временная задержка здесь колеблется в районе 1–60 сек. Однако есть экземпляры, срабатывающие в два раза быстрее. В действительности существуют небольшие погрешности по указанному времени.
Устройства, именуемые часовыми реле, широко распространены в электрике. Такой тип активно используют для сооружения автоматических рубильников, которые защищают цепи напряжением 500−10000 вольт. Время срабатывания — 0,1−20 сек.
Основой часовых реле является пружина, которая взводится электромагнитным механическим приводом. Контактные группы часового механизма коммутируют после пройденного промежутка времени, заданного заранее на специальной шкале устройства.
Скорость хода прибора напрямую зависит от силы тока, проходящего в обмотке. Это помогает настроить устройство под защитные функции. Главной особенностью такой защиты является полная независимость от влияния внешних факторов.
Краткая история таймера
Таймер – это специальное устройство, назначением которого является обратный отсчет времени. Механизм действия основан на секундном шаге и шкале времени. Пользуясь интуитивно понятной шкалой, можно выставить необходимые показатели время, по прошествии которого обычно подается сигнал и прибор останавливается.
Изобретение таймера связано с историей первого секундомера. Английский часовщик Клемент в 1676 году открыл систему якорно-анкерного спуска в часах. На оси этого маятника были приспособлены зубцы, которые, попадая в ходовое колесо, запускали механизм. Создание маятникового регулятора Гюйгенса привнесло в работу над секундомерами и таймерами некоторое усовершенствование. Затем на основе механических часов французский мастер Луи Муане в 1815 году занялся исследованиями хронометража времени и возможности запускать отсчет. Результатом его трудов стал первый механический аналог современного таймера. Усовершенствовал таймер английский часовщик Роберт Гук, введя в конструкцию балансирный механизм.
- Таймеры используют для контроля за системами освещения объектов, витрин, рекламных вывесок, программируют таймер и для дозированной подачи корма и воды в аквариумах и террариумах.
- Также применяют таймер для правильного и регулярного полива растений, включения и отключения обогревательных систем.
- На таймер выставлены заводские сигналы и школьные звонки.
- Используется это устройство для имитации эффекта присутствия. Случается, для защиты дома владельцы оставляют таймеры, включающие свет или радио для предотвращения краж и отпугивания злоумышленников от дома или квартиры.
- Также таймер управляет различными электроустройствами, системами питания электроприборов.
Принципиальная схема
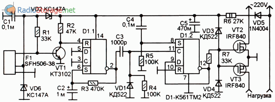
Схема управления показана на рис. 1. Здесь в качестве сенсора F1 используется стандартный интегральный фотоприемник типа SFH-506-38, применявшийся в самых разных телевизорах.
Впрочем, можно вместо него установить любой более современный аналог, коих сейчас очень много. Он расположен на узком торце платы и смотрит в сторону этого торца.
То есть, там должно быть окошко для приема команд пульта. Фотоприемник имеет на выходе активный ноль, но для работы дальнейшей схемы нужна активная единица. Кроме того, номинальным напряжением питания фотоприемника является напряжение 5V, а для надежного управления выходным транзисторным ключом нужно несколько больше.
Поэтому, в отличие от остальной части схемы, фотоприемник питается напряжением 5V. И вот каскад на транзисторе VТ1 устраняет эти два противоречия. Он инвертирует импульсы с выхода фотоприемника и согласовывает логические уровни.

Рис. 1. Принципиальная схема дистанционного выключателя устройств управляемого пультом на ИК лучах.
На триггере D1.1 сделана входная схема логического управления Её задача в том, чтобы при каждом приеме сигнала пульта схема переключалась только один раз. То есть, независимо от того, сколько импульсов будет в командном сигнале. Это своеобразное реле времени на 1-2 секунды.
При первом же импульсе триггер D1 1 переключается в состояние логической единице на инверсном выходе. Это состояние устойчиво и не изменяется от последующих импульсов, из которых состоит вся команда. Но чтобы вернуться в исходное положение есть цепь R3-C2. Когда на инверсном выходе триггера единица, С2 медленно заряжается через R3.
Примерно через 1-2 секунды напряжение на нем достигает порога логической единицы, и триггер возвращается в исходное состояние.
В момент включения питания триггер D1.2 устанавливается в единичное состояние зарядным током конденсатора С4. На его инверсном выходе ноль.
Ключевая схема на полевых транзисторах VТ2 и VT3 закрыта и нагрузка отключена. В момент появления логической единицы на выходе D1.1 цепь C3-VD1-R4 формирует импульс, который поступает на вход «С» триггера D1 2 и переключает его в противоположное состояние.
Триггер D1.2 включен делителем на два, поэтому каждый импульс, поступающий на его вход «С» переключает триггер в противоположное положение тому, в котором он был ранее.
То есть, подав один импульс можно нагрузку включить, а подав второй — выключить. Это и используется для управления нагрузкой, — каждое нажатие кнопки пульта изменяет состояние нагрузки на противоположное.
Логическая часть схемы питается от параметрического источника VD5-R6-C5-VD2-VD6. Отличительная особенность -это использование двух последовательно включенных стабилитронов.
Это нужно для того чтобы получить не только напряжение 10V, необходимое для питания микросхемы и достаточное для управления выходным ключом. но для получения напряжения 5V для питания интегрального фотоприемника F1.
В различной литературе, в схемах, где ключ на мощных ключевых транзисторах управляется выходом логического элемента КМОП применяется непосредственное соединение этого выхода с затвором или затворами полевых транзисторов. К сожалению, это далеко не лучший способ.
Конечно, сопротивление затворов мощных ключевых полевых транзисторов очень высоко, но и емкость тоже не маленькая. В результате зарядный ток этой емкости оказывает перегружающее действие на выход логического элемента. Это не приводит к его выходу из строя, но создает сбои в работе триггеров и счетчиков.
В этой схеме напряжение управления на затворы поступает через резистор R7, который ограничивает ток заряда емкости затворов и исключает перегрузку выхода КМОП-элемента.
Перенос объектов 1С Промо
Простой и наглядный перенос объектов между любыми базами 1С 8 с предварительным анализом на возможные различия в данных (через файл, через интернет, через буфер обмена, через Com). Интерактивная настройка правил обмена на стороне источника и получателя.
В обработке есть удобный обзор по подсистемам, поиск и обработка данных по заданному фильтру. Сравнение объектов, поиск ссылок, регистрация в плане обмена. Конструктор кода по созданию объектов, написание скриптов и отладка мини-функций в УФ.
Отключение/включение регламентных заданий. Отчеты по наполнению базы и разные проверки.
Всевозможные инструменты администратора или программиста в одной обработке.
1 стартмани
Все самоделки
Простая схема хорошего таймера на МК atmega8, удобная навигация в меню, жидкокристаллический LCD дисплей, часы реального времени, минимальное количеством деталей.
Очень полезная вещь, например для теплицы, можно организовать полив или циркуляцию в гидропонике, можно настроить кормушки и поилки для животных, птиц и много еще для чего.
Сердцем данного таймера является очень популярный и уже не дорогой микроконтроллер Atmega8.
Конечно для прошивки нам потребуется программатор, но если его нет то можно обойтись всего 4 проводками подключенными к LPT порту по этой схеме.
Что нам понадобится:
- Микроконтроллер Atmega8 (можно купить здесь)
- Интегральные часы DS1307 (или можно даже купить целый модуль часов реального времени
- или десяток микросхем DS1307 по ~7 рублей за штуку и паять не боясь спалить один или более экземпляров)
- LCD жидкокристаллический индикатор ( LCD 1602 очень дешево ТУТ)
- Стабилизатор 7805 (10 шт. по 5 рублей ТУТ)
- Конденсатор 500-1000 Мф — 16 вольт.
- Реле или электронный ключ в зависимости от нагрузки которой надо управлять (Мини реле 20А)
- Резисторы 5,1 ком — 3 шт., резистор переменный по мануалу к LCD дисплею (набор резисторов 300 шт. 30 значений по 10 шт.)
- Кварц часовой 32768 Гц.
- Кнопки без фиксации — 4 шт. (кнопки вариант №1, вариант №2, вариант №3)
- Батарейка таблетка на 3 вольта (CR2032 3 В литиевая батарея)
- Текстолит для платы
- Небольшой трансформатор ~220в. -> ~6-12в. (вариант №1, вариант №2)
- Коробка распаечная для корпуса
Схема таймера
Как видно на ней отсутствует схема питания и исполнительное устройство, это потому, что возможно вы решите использовать выносной стабилизированный БП, а также не известно какую нагрузку в планируете подключать, поэтому каждый должен сам выбрать исполнительное устройство под свои технические требования.
Как вариант исполнительного устройства на триаках, тиристорах и симисторах показаны ниже.
Вариант плата из программы Sprint Layout.
Особое внимание надо обращать при монтаже микросхемы часов и кварцевого элемента. Длина дорожек между ними должна быть минимальна, а лучше использовать микро кварц из наручных часов и припаять его непосредственно к ножкам МС часов
Все свободное место рядом с часами заполняем медью на корпус. Батарея необходима для поддержания часов в рабочем состоянии во время отключения от сети. Если по какой-то причине вы не стали устанавливать эту батарейку, то посадите плюсовой провод на корпус, иначе часы просто не пойдут.
Микроконтроллер прошивается программатором или с помощью простых 5 проводов.
Автор прошивки ( скачать — multitimer ) постарался и не стал изменять фьюзы, что очень сильно облегчает, без заморочки, прошивку для начинающего радиолюбителя. Если МК еще не использовался, новый из магазина, то просто заливаете прошивку и все, но если уже есть изменения в фьюзах, то надо выставить их так CKSEL=0001. Все остальное просто и не нуждается в пояснении.
Для корпуса очень удобно использовать распаечные коробки из пластмассы, они бывают разных размеров и форм.
В прорезанную ножом крышку, при помощи термоклея из пистолета, закрепляем LCD экран., прорезаем отверстия под кнопки управления и кнопку питания.
Размещаем все узлы внутри корпуса, постоянно проверяя как закрывается крышка, при необходимости переносим или подгибаем мешающие.
На собранную схему подаем питание, должно появиться такое изображение.
Управление осуществляется четырьмя кнопками. Меню состоит из трех пунктов, СLОСК -установка часов, RЕSЕТ -сброс всех установленных таймеров, ТIМЕR — установка таймеров.
Сначала заходим (*) в меню часов и выставляем (>)(<)(#) точное время.
Подсказка по кнопкам управления в нижней строке дисплея, в каждом меню разное, поэтому описывать кнопки нет необходимости.
Теперь все готово чтобы корректно задавать временные позиции таймера, после нажатия решетки, программа записывается в постоянную память МК.
Дисплей
В приборе в качестве дисплея используются семь светодиодных 7-сегментных индикаторов с общим анодом. Если яркость свечения индикаторов будет недостаточной, можно изменить номинал резисторов, ограничивающих ток через сегменты. Однако не забывайте, что величина импульсного тока для каждого вывода микроконтроллера не должна превышать 40 мА (индикаторы тоже имеют свой рабочий ток, о его величине не стоит забывать). На схеме автор указал номинал этих резисторов 100 Ом. Незначимые нули при отображении результата измерения гасятся, что делает считывание показаний более комфортным.
Niftyimages
В сервисе доступны следующие тарифы:
- Starter для начинающих. За $20 в месяц вы получаете 50 000 просмотров. Подписка на год стоит $192.
- Pro для продвинутых пользователей. 250 000 просмотров за $80 в месяц или $768 за подписку на год.
- Enterprise для больших компаний. 1 миллион просмотров за $250 в месяц, но подписка на год не предусмотрена.
Есть бесплатная пробная версия, в которой доступно 10 тысяч просмотров — ее мы и будем тестировать.
Настройки удобные. В панели слева сначала выбираем базовые параметры: устанавливаем дату события и время, задаем часовой пояс. После этого настраиваем шрифты. Вариантов много. Указываем нужный размер, цвет шрифта и фона. Цвет надписей и цифр тоже меняется. В конце выбираем язык таймера и при необходимости загружаем собственный фон.
В конструкторе можно посмотреть, как будет выглядеть таймер. На нем нет водяного знака компании.
Мы обратили внимание, что дни, минуты и секунды указаны в родительном падеже, а часы — в именительном. Поэтому, чтобы избежать разнобоя в склонении, надписи под цифрам лучше убрать

Теги, значения и атрибуты кода на сайте редактировать нельзя. Поэтому копируем его, вписываем нужные значения и вставляем конечный вариант кода в шаблон письма.
7 ситуаций, когда поможет таймер обратного отсчета
Мы создавали онлайн таймер для максимально точных расчетов, когда нужно уложиться в определенный временной промежуток и не потерять ни секунды. Таймер на сайте будет полезным, если вы засекаете время:
- при готовке блюд, чтобы соблюсти рецепт;
- во время занятий спортом – тренируйтесь ровно столько, сколько нужно;
- для работы за компьютером – для глаз полезен 1 час работы и 15 мин. отдыха;
- чтобы не опоздать на важную встречу, свидание, урок, автобус;
- за развлечениями – узнайте, сможете ли вы за 1 мин. одеться, прочитать 200 слов, собрать из LEGO башню, пройти 10 лестничных пролетов и т.д.;
- для грамотного тайм-менеджмента и планирования задач во время дня;
- когда нужно кормить ребенка, принимать лекарства, делать укол.
Таймер онлайн во весь экран гораздо удобней мобильного приложения – страница быстро загружается, а севшая батарея смартфона не станет проблемой.
Использование таймера
Если в компьютере или мобильном устройстве нет под рукой таймера, можно запустить онлайн-таймер прямо на нашем сайте с монитора ПК.
Функцию таймера удобно использовать для:
домашних тренировок и дозирования физической нагрузки;
при работе над какими-либо задачами;
при приготовлении кулинарных блюд, где важно строго придерживаться рецептуры;
актуален данный сервис для спортсменов — благодаря таймеру можно засекать определенные промежутки времени для эффективного выполнения упражнения.
Онлайн таймер со звуком – удобный сервис, который круглосуточно под рукой. Пользуясь любым браузером, можно настроить таймер в онлайн-режиме без необходимости загружать программу для компьютера или гаджета. Запрограммированный таймер на нашем сайте позволит выставить время от секунды и дольше — верхний предел отсутствует.
История таймера
Удивительно, но первый таймер появился в Древнем Китае более 2,5 тыс. лет назад. Он представлял собой палочку из смолы и опилок, которую поджигали с одного конца, на другом конце был грузик – при перегорании нити крепления он падал со звоном. Тогда же Платон в Греции изобрел аналог для приглашения учеников на уроки, схожими разработками занимался и Леонардо да Винчи.
Первый механический таймер появился в середине 1800-х годов, это был традиционный, и используемый сегодня будильник, стрелки которого переводятся на нужное время. Уже к концу XX века возник электронный таймер – наиболее точное устройство, применяемое сейчас в смартфонах.
Sendtric
Сервис специализируется на таймерах обратного отсчета. Плюс в том, что он абсолютно бесплатный. Единственный доступный язык интерфейса — английский, но это не сказывается на простоте в использовании. Все настройки интуитивные и понятные.
Вариантов дизайна нет, но есть возможность выбрать цвет фона, текста и самого таймера. Нажимаем кнопку «Generate» и получаем код.

Редактировать код на сайте нельзя, поэтому копируем его в буфер обмена и вставляем в нужный блок шаблона письма. Не забываем про атрибут style с соответствующими значениями width и height, чтобы размер таймера менялся автоматически. Что примечательно — водяной знак под счетчиком отсутствует.
Бета-версия Pro находится в разработке. На сайте сервиса указано, что она останется полностью бесплатной. Неограниченное количество просмотров и созданных таймеров сохранится. В Pro версии будет расширенный редактор с возможностью подогнать размер, изменить фон или загрузить свой собственный. Появится превью и архив созданных таймеров, которые можно будет изменять.
































































