Как работать с таймером
Особенностью таймера является его полное отключение от электросети ПО окончании заданного временного интервала, и гальваническая развязка его схемы от электросети.
Так же, следует заметить, что источником питания электронной схемы таймера служит готовый компактный импульсный блок питания с выходным напряжением 5V, предназначенный для зарядки аккумуляторов сотовых телефонов.
Работают с данным таймером следующим образом. Сначала, переменный резистор, служащий для установки временного интервала устанавливают в нужное положение.
Затем, подключают нагрузку, включают таймер в электросеть, и после этого нажимают пусковую кнопку. При этом происходит как включение самого таймера, так и нагрузки. Что индицируется светодиодом.
Далее, таймер начинает отсчет времени, и как только оно истекает, он отключается нагрузку от сети и самого себя тоже.
Как уже сказано, время задается переменным резистором в пределах от 5 минут до 90 минут. Хотя, можно выбрать и другие пределы, или сделать установку времени фиксированной (например, если нет возможности установить ручку-регулятор времени, а конкретное назначение прибора требует отработки только одного конкретного временного интервала.).
Ждущий мультивибратор — одновибратор — формирователь импульсов.
Схемы формирователей импульсов на цифровых КМОП микросхемах, онлайн расчёт времязадающих цепей и длительности выходных импульсов. — Почему ждущий? — Почему, почему? Потому что не спит ни днём, ни ночью — он на дежурстве, он ждёт! И ожидает он не трамвая на остановке, а внешнего сигнала запуска для формирования одиночного выходного импульса фиксированной длительности, после чего возвращается в первоначальное состояние самопроизвольно, без каких-либо воздействий и утомительных уговоров. — А почему одновибратор? — Ну, так как, почему? Выдержан, характер нордический, в генерацию, подобно мультивибратору, не впадает, имеет одно устойчивое состояние. Говорили ж Вам — он на дежурстве, он ждёт! — «Говорили ж бабы Вам, пиво с водкой, не для дам!». Второе-то состояние – неустойчивое! — А тут уж, мил-человек, ничего не попишешь, в конце концов, он — одновибратор. У каждого свои недостатки.
Генератор на 120 Гц
На рисунке 4 показана схема генератора частоты 120 Гц. Частота стабилизирована кварцевым резонатором Q1 на 32768 Гц, с его выхода внутри микросхемы D1 импульсы поступают на двоичный счетчик. Коэффициент деления частоты задан диодами VD1-VD2 и резистором R1, которые обнуляют счетчик каждый раз, когда его состояние достигает 272. При этом, 32768 / 272 = 120,470588.
Это не совсем 120 Гц, но близко. К тому же, подбором емкостей конденсаторов С1 и С2 можно немного изменить частоту кварцевого генератора и получить результат более близкий к 120 Гц.
Рис. 4. Принципиальная схема генератора сигнала частотой 120 Гц.
Напряжение источника питания может быть от 3 до 15V, в зависимости от напряжения питания схемы, вернее, от необходимой величины логического уровня. Выходные импульсы во всех схемах несимметричные, это нужно учитывать при конкретном их применении.
Схема генератора на 50 Гц
Рис. 1. Принципиальная схема генератора сигнала частотой 50 Гц.
На рисунке 1 показана схема генератора частоты 50 Гц. Частота стабилизирована кварцевым резонатором Q1 на 32768 Гц, с его выхода внутри микросхемы D1 импульсы поступают на двоичный счетчик. Коэффициент деления частоты задан диодами VD1-VD3 и резистором R1, которые обнуляют счетчик каждый раз, когда его состояние достигает 656. При этом, 32768 / 656 = 49,9512195.
Это не совсем 50 Гц, но очень близко. К тому же, подбором емкостей конденсаторов С1 и С2 можно немного изменить частоту кварцевого генератора и получить результат более близкий к 50 Гц.
Детали
Если нужно чтобы схема периодически включала и выключала нагрузку, с равными периодами включенного и выключенного состояния, нужно вывод 10 микросхемы подключить к плюсу питания.
Питается таймер от источника постоянного тока напряжением 5,5V, в качестве которого используется стандартное зарядное устройство для смартфонов.
Но источник питания может быть и другим, напряжением от 3 до 18V, при этом реле должно быть с обмоткой на соответствующее напряжение.
Выходной каскад можно сделать и по любой другой схеме, например, на оптопаре, ключевом полевом транзисторе, тиристоре или симисторе, все зависит от конкретного применения схемы.
Федотов А. Г. РК-02-18.
Трехфазные коммутаторы
Трехфазные силовые переключатели широко применяются в схемах управления мощными асинхронными электродвигателями, их назначение – переключение обмотки со «звезды» на «треугольник». Такая реализация позволяет существенно снизить пусковой ток. На рисунке показана схема такого подключения.
Схема переключения обмоток электродвигателя
Обозначения на схеме:
- А, В, С – фазы питания;
- С1, С2, С3, С4, С5, С6 – выходы обмоток электродвигателя;
- SA – трехполюсный силовой коммутатор.
Запуск электродвигателя происходит, когда его обмотки соединены «звездой», при входе в штатный режим, осуществляется переключение на «треугольник».
https://youtube.com/watch?v=VRBp-D_2YfA
https://youtube.com/watch?v=l_gZlHAO9rQ
https://youtube.com/watch?v=k4jN9gvdBpM
Принципиальная схема
Теперь о схеме. Она выполнена на трех микросхемах, — одной CD4060B и двух CD4040B. Первая содержит 14-разрядный счетчик с неполным числом выводов от разрядов, и инверторы для задающего генератора.
Рис. 1. Принципиальная схема универсального таймера на CD4060B и диодах.
Две другие микросхемы -двоичные 12-разрядные счетчики с полным числом выводов от разрядов. Работа таймера стабилизирована кварцевым резонатором Q1.
Он стандартный часовой, на частоту 32768 Гц. Он задает частоту встроенного мультивибратора микросхемы D1. Таким образом, на вход счетчика D1 поступает частота 32768 Гц.
Счетчик D1 14-разрядный, поэтому его максимальный коэффициент деления (при снятии частоты с его 14-разряда) составляет 16384, поэтому на его выходе будет частота 2 Гц. Но для формирования секундных интервалов нужен 1 Гц.
Проблема решена следующим образом. Импульсы частотой 2 Гц поступают на 24-разрядный счетчик, собранных на двух 12-разрядных на микросхемах D2 и D3.
Но, первый выход, первый разряд, счетчика D2 для задания временного интервала перемычками не используется, это вывод 9 D2, который никуда не подключен.
При этом весовой коэффициент «1» присвоен выходу с коэффициентом «2» (вывод 7), и далее сдвиг на один разряд. Таким образом, первый разряд D2 служит дополнительным делителем на 2 чтобы из частоты 2 Гц сделать период в одну секунду.
Далее все понятно. Перемычки — диоды устанавливаются так, чтобы получить нужный интервал (как это рассчитывается написано выше). Запуск — обнулением кнопкой S1 (кнопка без фиксации, отсчет начинается с момента её отпускания).
В этот момент на всех выходах счетчиков D2 и D3 нули Все диоды открыты, и на затворе VТ1 — нуль. Транзистор закрыт. Пока идет отсчет времени некоторые из диодов — перемычек закрываются, но все равно, хотя бы одни остается открытым. Но, как только заданное время проходит, все установленные диоды — перемычки оказываются открытыми.
Напряжение на C3 поднимается до логической единицы. Она поступает на вывод 12 D1, обнуляя его и останавливая его работу. Счет прекращается, а единица с С3 поступает на затвор VТ1 через резистор R5, и открывает его. Схема будет находиться в таком состоянии до обнуления кнопкой S1 или выключения питания.
Лыжин Р. РК-06-2019.
Использование в быту
Переключатели не так часто используются в быту, как выключатели, но, тем не менее, есть задачи, в которых без них обойтись невозможно. Например, когда необходимо управлять освещением с разных мест. Переключатели могут быть установлены на входе в комнату и возле кровати (чтобы не подниматься выключать свет) или в разных концах длинного коридора.
Реализация такой схемы управления довольно простая, ее изображение показано на рисунке ниже.
Схема включения освещения с двух разных мест
Обозначения на рисунке:
- А, В – переключатели;
- L – осветительный прибор.
При необходимости управлять освещением из большего количества мест, схему можно незначительно усложнить, добавив в нее промежуточный коммутатор.
Управление освещением из трех разных мест
Обозначения на рисунке:
- A,B – двухпозиционные коммутаторы;
- С – промежуточный двойной переключатель двух направлений;
- L1 – осветительный прибор.
Заметим, что взяв данную схему за основу, можно управлять освещением с трех и более мест. Для этого достаточно добавить в нее необходимое количество промежуточных коммутаторов, подключаются они так же, как и устройство «С» на представленной выше схеме.
CD4060 пример – регулируемый таймер
Вот практический пример, который мы можем построить с помощью микросхемы 4060:
Чтобы построить эту схему нам понадобится:
- Микросхема 4060 (CD4060BE)
- Поворотный переключатель
- Резистор 100 кОм (R1)
- Конденсатор 0,22 нФ (С1)
- Резистор 1 МОм (R2)
- NPN-транзистор BC337 (VT1)
- Диод 1N4148 (VD1)
- Резистор 1 кOм (R3)
- Электромагнитное реле
При указанных значениях C1 и R2 мы получим частоту:
f (Гц) = 1 / ( 2,3 * 0,0000022 Ф * 100000 Ом) = 1,98 Гц
Итак, у нас примерно 2 тактовых импульса в секунду. И таким образом мы можем получить временную задержку перед тем как каждый выход станет высоким:
- Q3 становится высоким после 23 = 8 тактовых импульсов = 4 секунды
- Q4 становится высоким после 24 = 16 тактовых импульсов = 8 секунд
- Q5 становится высоким после 25 = 32 тактовых импульса = 16 секунд
- Q6 становится высоким после 26 = 64 тактовых импульсов = 32 секунды
- Q7 становится высоким после 27 = 128 тактовых импульсов = 1 минута и 4 секунды
- Q8 становится высоким после 28 = 256 тактовых импульсов = 2 минуты и 8 секунд
- Q9 становится высоким после 29 = 512 тактовых импульсов = 4 минуты и 16 секунд
- Q11 становится высоким после 211 = 2048 тактовых импульсов = 17 минут и 4 секунды
- Q12 становится высоким после 212 = 4096 тактовых импульсов = 34 минуты и 8 секунд
- Q13 становится высоким после 213 = 8192 тактовых импульсов = 1 час, 8 минут и 16 секунд
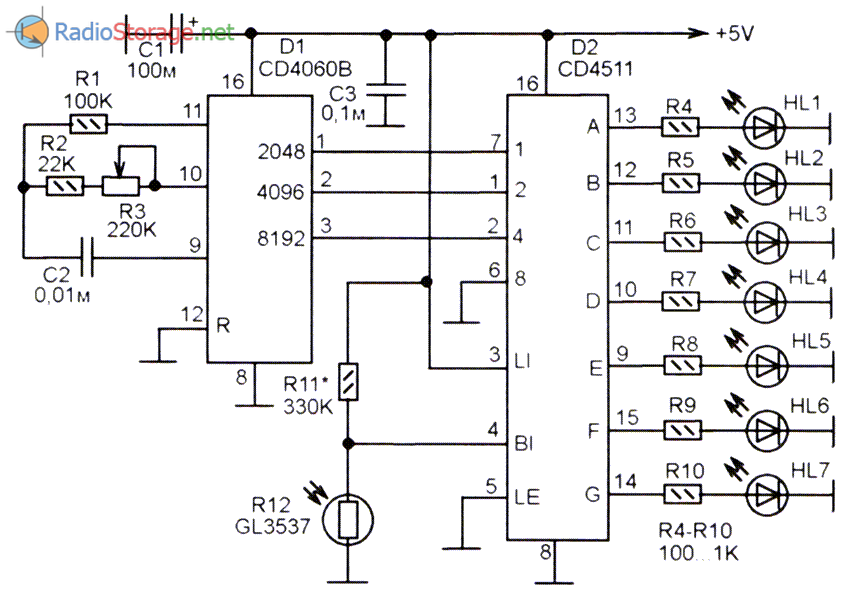
Принципиальная схема
Принципиальная схема показана на рисунке 1. Схема выполнена на двух микросхемах. На микросхеме D1 выполнен генератор двоичного трехразрядного кода.
Микросхема D1 CD4060B, микросхема, состоящая из 14-разрядного двоичного счетчика и мультивибратора. Внешними элементами мультивибратора является RC-цепь C2-R2-R3-R1.
При помощи переменного резистора R3 можно регулировать частоту импульсов, генерируемых мультивибратором, чтобы можно было таким образом регулировать скорость изменения двоичного трехразрядного кода на трех старших выходах счетчика D1.

Рис. 1. Схема автоматического ночника на цветных светодиодах.
Трехразрядный двоичный код с выходов счетчика D1 поступает на вход дешифратора на микросхеме D2. Дешифратор D2 типа CD4511, он десятичный, и предназначен для работы со светодиодным семисегментным цифровым индикатором с общим катодом.
Здесь нужно объяснить почему используется только три его входа. Дело в том. что если использовать все четыре входа, то двоичные коды на входе будут соответствовать цифрам от 0 до 15, а дешифратор CD4511 может обрабатывать коды цифр только от 0 до 9.
Поэтому, в диапазоне от 10 до 15 на выходе дешифратора будут нули, и все светодиоды не будут гореть. Поэтому получается большая периодическая пауза в работе ночника, что крайне не приятно.
Здесь же используются только три разряда, а старший разряд дешифратора соединен с общим минусом, то есть, на него подан нуль Поэтому на него поступают коды цифр от 0 до 7. и никакой паузы в работе не наблюдается.
К выходам дешифратора подключены семь светодиодов. разных цветов. Конечно, цвета повторяются, потому что семи разных цветов нет, есть красный желтый, зеленый, синий, белый.
Ну и еще два каких-то. например, еще один зеленый и еще один красный. Желательно чтобы все светодиоды были повышенной яркости свечения.
Однако, даже у однотипных светодиодов, но разных цветов, яркость свечения может сильно отличаться. Последовательно светодиодам включены токоограничивающие резисторы R4-R10. Подбирая сопротивления этих резисторов можно уровнять яркости свечения светодиодов разных цветов.
Но делать сопротивления этих резисторов меньше 100 ом не желательно, потому что начинается нагрев микросхемы D2. Оптимальное сопротивление лежит где-то между 100 ом и 1 кОм/
Чтобы ночник автоматически включался с наступлением темноты, в его схеме есть фотореле. Оно состоит из фоторезистора R12 и резистора R11. Вместе они образуют управляемый светом делитель напряжения, поступающего на вывод 4 микросхемы D2.
Вывод 4 микросхемы CD4511 служит для выключения индикации. При подаче на него логического нуля на всех выходах микросхемы устанавливаются логические нули, и все светодиоды не светятся.
Как использовать CD4060
Прежде всего, нам необходимо подключить вывод VDD к положительной клемме питания, а вывод GND — к отрицательной клемме питания. Мы можем использовать источник питания с напряжением от 3 до 15 В. Хотя некоторые версии микросхемы 4060 поддерживают напряжение до 20В. Все это можно уточнить в datasheet на CD4060
Чтобы активировать генератор, подключите резистор Rt к выводу REXT, конденсатор Ct к выводу CEXT и резистор R2 к выводу CLK и соедините все оставшиеся свободные выводы Rt, Ct и R2 вместе:
Блок питания 0…30 В / 3A
Набор для сборки регулируемого блока питания…
Подробнее
Расчет частоты работы генератора можно рассчитать по следующей формуле:
f (Гц) = 1 / ( 2,3 * Ct * Rt )
Обратите внимание, что сопротивление резистора Rt должно быть намного ниже сопротивления R2, чтобы формула была правильной. Если мы хотим сбросить счетчик обратно на ноль, то на вывод RST (сброс) необходимо подать высокий уровень
В обычной ситуации, чтобы микросхема работала на RST должен быть низкий уровень
Если мы хотим сбросить счетчик обратно на ноль, то на вывод RST (сброс) необходимо подать высокий уровень. В обычной ситуации, чтобы микросхема работала на RST должен быть низкий уровень.
Используйте любой из Q-контактов в качестве выходного сигнала для управления всем тем, чем вы хотите управлять. Выход становятся высокими после того, как:
- Q3 становится высоким после 23 = 8 тактовых импульсов
- Q4 становится высоким после 24 = 16 тактовых импульсов
- Q5 становится высоким после 25 = 32 тактовых импульсов
- Q6 становится высоким после 26 = 64 тактовых импульсов
- Q7 становится высоким после 27 = 128 тактовых импульсов
- Q8 становится высоким после 28 = 256 тактовых импульсов
- Q9 становится высоким после 29 = 512 тактовых импульсов
- Q11 становится высоким после 211 = 2048 тактовых импульсов
- Q12 становится высоким после 212 = 4096 тактовых импульсов
- Q13 становится высоким после 213 = 8192 тактовых импульсов
Детали
Микросхему CD4060B можно заменить другим аналогом типа хх4060 (например, NJM4060) или заменить схемой из счетчика К561ИЕ16 и отдельного мультивибратора на любой КМОП микросхеме с числом инверторов не менее двух.
Можно даже использовать микросхему К176ИЕ12 в типовой схеме включения, снимая импульсы частотой 2 Гц с её вывода 6. Но. при этом нужно будет соединенные вместе выводы 6 и 8 D3 отключить от вывода 10 D2, и подключить к выводу 4 D2. А продолжительность индикации станет в два раза больше.
Микросхему CD4017B можно заменить другим аналогом типа хх4017, либо отечественной микросхемой К561ИЕ8 или К176ИЕ8. Микросхема CD4001В — прямой аналог нашей К561ЛЕ5, или К176ЛЕ5.
Следует знать, что у микросхемы HCF4026BEY есть довольно много аналогов, но, к сожалению, не полных. HCF4026BEY относится к высокоскоростной логике КМОП, поэтому данный частотомер может измерять частоту до 10 МГц.
Если же вам посчастливится приобрести микросхему CD4026, которая по выводам и схеме включения полностью аналогична HCF4026BEY, — знайте, что прибор не сможет измерять частоты более 2 МГц, так как CD4026, согласно паспортным данным, на частотах более 2 МГц работать не может.
Семисегментные светодиодные индикаторы можно использовать любые, важно только чтобы они были с общим катодом. Если же вы располагаете индикаторами исключительно с общим анодом, — нужно будет сделать промежуточные транзисторные ключи — инверторы, что существенно усложнит схему (во всяком случае по числу корпусов полупроводников)
Резисторы R6-R54 можно и не устанавливать, — на выходах микросхем HCF4026BEY имеются какие-то токоограничительные схемы, но яркость свечения сегментов индикатора получается неравномерной. Так что с резисторами и индикация лучше и меньше нагрев корпусов HCF4026BEY.
Схема входного узла частотомера — примитивная, и лучше её заменить каким-то более совершенным узлом, обеспечивающим большую чувствительность.
В литературе есть множество описаний различных частотомеров, и подходящий узел найти можно. При этом совсем не обязательно чтобы в схеме узла был триггер Шмитта, — он есть в микросхеме HCF4026BEY, и здесь достаточно ограничиться только усилителем-ограничителем, фомирующим импульсы произвольной формы.
Питаться частотомер может от лабораторного источника напряжением 12V.
Думаю, микросхемам HCF4026BEY, или другим хх4026, можно найти применение практически во всех схемах, где должны работать уже давно снятые с производства К176ИЕ4, то есть везде, где нужен десятичный счетчик с выходом на цифровой семисегментный индикатор.
Иванов А. РК-06-08.
Одновибратор на логических элементах К155ЛА3
Одновибратором именуют генератор, вырабатывающий одиночные электрические импульсы. Алгоритм работы одновибратора таков: при поступлении на вход одновибратора электрического сигнала, схема выдает на выходе короткий импульс, продолжительность которого определяется номиналами RC цепи.
После окончания формирования выходного импульса, одновибратор вновь возвращается в свое первоначальное состояние, и процесс повторяется при поступлении нового сигнала на его входе. Поэтому данный одновибратор еще именуют ждущим мультивибратором.
На практике применяется множество разновидностей одновибраторов, таких как одновибратор на транзисторах, операционных усилителях и одновибратор на логических элементах.
Вычисления параметров
Временной интервал нужно выразить в секундах. Минимальный интервал составляет 1 секунду, максимальный -8388607 секунд, что немного более 97 суток.
Время задается установкой перемычек, каждая из которых представляет собой диод типа 1N4148 или аналогичный Перемычек может быть от одной до 23-х.
Но и этого мало. Нужно вычислить места установки перемычек, которые пронумерованы в весовых числах двоичного кода. Процесс, на самом деле не такой сложный, как может показаться.
Допустим, нужно задать время 6 суток, 21 час, 1 минуту и 5 секунд. Если это выразить в секундах, то получается 594065 секунд. Ищем близкое, но меньшее значение, написанное на схеме, это 524288. Делаем вычитание, 594065 — 524288 = 69777.
Далее, ищем число близкое к 69777, это 65536. Вычитаем, 69777 — 65536 = 4241. Снова ищем близкое число, и это 4096. Вычитаем 4241 -4096 = 145. Снова ищем близкое, -128.
Вычитаем, 145 — 128 = 17. И опять близкое, — 16, вычитаем, 17 -16 = 1. Ну и последнее действие, 1 -1 =0.
Таким образом, вычитали числа 524288, 65536. 4096, 128, 16, 1. Вот на эти числа и устанавливаются перемычки — диоды. В данном конкретном случае это шесть диодов VD1 — VD6.
Все это конечно сложно, но если делать эти вычисления не слишком часто, то вполне оправдывается простотой и высокой точностью данного таймера.
Предназначение и принцип действия ОИН-1
Устройство ограничителя импульсных напряжений необходимо для предохранения сети с показателем 380/220 В. Это классическое напряжение для работы электросетей. Резкие перепады напряжения могут образовываться из-за ударов молний. Из-за грозы также образуется контактная разность в почве.
Как выглядит устройство
Также напряжение может меняться из-за всплеска в электросети. Они образуются при подключении или выключении различных приборов в одну сеть. Резкие скачки могут образовываться при присоединении мощных электрических приборов или каких-нибудь систем.
Принцип действия прибора: изнутри ОИН-1 оснащен варистором. По принципу работы они похожи на разрядники, которые применялись раньше.
УЗИП в щитке
В таком случае устройство будет устанавливаться параллельно предохраняемой электроцепи.
Если же по каким-то причинам величина напряжения в сети станет больше разрешенной, прибор просто замкнет проводку, таким образом предупредив угрозу от включенных за ним бытовых приборов.
Чтобы понять, исправен прибор или нет, необходимо обратить внимание на цвет индикатора. Если он зеленый, то модуль будет в исправном состоянии, а если красный, то его необходимо поменять
Генератор на 120 Гц
На рисунке 4 показана схема генератора частоты 120 Гц. Частота стабилизирована кварцевым резонатором Q1 на 32768 Гц, с его выхода внутри микросхемы D1 импульсы поступают на двоичный счетчик. Коэффициент деления частоты задан диодами VD1-VD2 и резистором R1, которые обнуляют счетчик каждый раз, когда его состояние достигает 272. При этом, 32768 / 272 = 120,470588.
Это не совсем 120 Гц, но близко. К тому же, подбором емкостей конденсаторов С1 и С2 можно немного изменить частоту кварцевого генератора и получить результат более близкий к 120 Гц.
Рис. 4. Принципиальная схема генератора сигнала частотой 120 Гц.
Напряжение источника питания может быть от 3 до 15V, в зависимости от напряжения питания схемы, вернее, от необходимой величины логического уровня. Выходные импульсы во всех схемах несимметричные, это нужно учитывать при конкретном их применении.
Схема генератора на 60 Гц
На рисунке 2 показана схема генератора частоты 60 Гц. Частота стабилизирована кварцевым резонатором Q1 на 32768 Гц, с его выхода внутри микросхемы D1 импульсы поступают на двоичный счетчик.
Рис. 2. Принципиальная схема генератора сигнала частотой 60 Гц.
Коэффициент деления частоты задан диодами VD1-VD2 и резистором R1, которые обнуляют счетчик каждый раз, когда его состояние достигает 544. При этом, 32768 / 544 = 60,2352941. Это не совсем 60 Гц, но близко.
К тому же, подбором емкостей конденсаторов С1 и С2 можно немного изменить частоту кварцевого генератора и получить результат более близкий к 60 Гц.
Описание работы одновибратора на логических элементах
Одновибратор состоит из двух логических элементов микросхемы К155ЛА3: первый из них применен в роли 2И-НЕ элемента, второй подключен как инвертор. Подача входного сигнала осуществляется посредством кнопки SA1. Кнопка в данной схеме применяется только в качестве имитации входного сигнала. В действующих же устройствах на данный вход обычно поступает сигнал с каких-либо узлов схемы.
Для наглядности работы одновибратора, к его выходу можно подключить светодиод через токоограничивающий резистор. Чтобы видеть свечение светодиода, нужно чтобы выходной импульс был достаточно продолжительный, поэтому выберем конденсатор емкостью 500 мкф.
Принципиальная схема
Входные импульсы нужно подавать на вход С (выв. 1). Важная особенность данного входа в наличии на нем триггера Шмитта, что, в случае с частотомером, позволяет значительно упростить схему входного усилителя-формирователя, исключив из него схему триггера Шмитта. В простейшем случае можно ограничиться обычным транзисторным ключом. Но и это не все.
Вход С счетчика можно закрыть подав логическую единицу на вывод 2 микросхемы. Таким образом, внешнее ключевое устройство, пропускающее импульсы на вход счетчика в период измерения, уже тоже не нужно.
Выключить индикацию можно подав логический ноль на вывод 3.

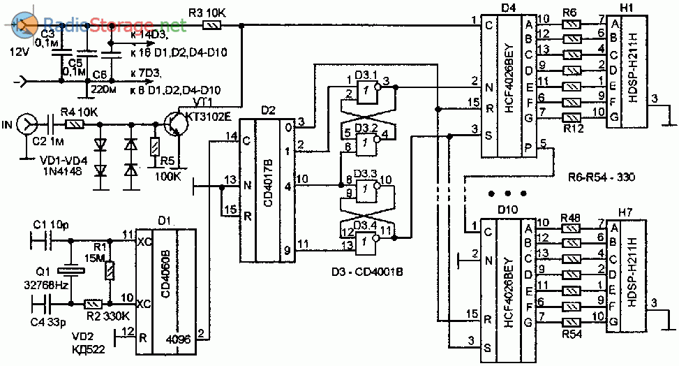
Рис. 1. Принципиальная схема частотомера 1Гц-10МГц на зарубежных микросхемах.
Таким образом, схема устройства управления классического частотомера существенно упрощается.
На рисунке 1 приводится экспериментальная схема частотомера, измерительный счетчик которого выполнен на микросхемах HCF4026BEY, а остальная часть на CD40.
Частотомер может измерять частоту от 1 Гц до 10 МГц (до 9999999 Гц). При питании от источника 12V это максимальная входная частота для HCF4026BEY.
Входной усилитель выполнен на транзисторе VТ1 по схеме ключа. Он преобразует входной сигнал в импульсы произвольной формы. Прямоугольность импульсам придает триггер Шмитта, имеющийся на входе С внутри микросхемы D4.
Диоды VD1-VD4 ограничивают величину амплитуды входного сигнала, частоту которого нужно измерить. Нагружен ключ VТ1 на резистор R3, с которого усиленный и ограниченный сигнал поступает на вход семидекадного измерительного счетчика D4-D10.
Генератор опорных импульсов сделан на микросхеме D1, — CD4060B. Это уже хорошо известная микросхема, состоящая из многоразрядного двоичного счетчика и инверторов для построения мультивибратора на RC-цепи или на кварцевом резонаторе. В данном случае используется резонатор на 32768 Нестандартный часовой резонатор.
При делении его частоты на 8192 (снята с выхода с весовым коэффициентом 4096) на выводе 2 D1 получается частота 4 Гц. Эта частота поступает на схему управления, состоящую из десятичного счетчика D2 и двух RS-триггеров на микросхеме D3.
Работает схема управления нижеследующим образом. Допустим счетчик D2 был в нулевом положении. Логическая единицы с его вывода 3 обнуляет все счетчики D4-D10.
Далее, с приходом очередного импульса, на его выводе 2 появляется единица. Она переключает RS триггер D3.1-D3.2 в состояние с логическим нулем на выходе D3.1.
Этот нуль поступает на вывод 2 D4 и открывает вход счетчика D4. В течение ближайших четырех импульсов, поступающих от D1 (то есть, в течение одной секунды), будет происходить счет импульсов измеряемой частоты.
Затем, с приходом 4-го импульса, возникнет логическая единица на выводе 10 D2. Эта единица установит триггер D3.1-D3.2 в состояние логической единицы.
Вход счетчика D4 будет закрыт, — на этом завершится время измерения. А триггер D3.3-D3.4 будет установлен в состояние логической единицы на выходе D3.4. Эта единица поступит на выводы 3 всех микросхем D4-D10 и разрешает индикацию.
Индикаторы зажигаются и показывают результат измерения. Индикация прекращается с приходом 9-го импульса. Триггер D3.3-D3.4 возвращается в исходное положение и выключает индикацию. Затем, D2 устанавливается в ноль, и весь процесс повторяется.
Таким образом, частотомер работает по, так называемой, медленной схеме, в которой периоды измерения и индикации разнесены по времени. Период измерения составляет одну секунду, период индикации чуть больше, -1,25 секунды.
Теперь подробнее о деталях. Кварцевый резонатор часовой на частоту 32768 Гц. Вместо него можно использовать импортный часовой резонатор на 16384 Гц (такие резонаторы бывают в китайских кварцевых будильниках), но частоту 4 Гц нужно будет снимать не с 2-го вывода D1, а с 1-го.
Детали и налаживание
Фотореле настраивают подбором сопротивления резистора R1. так чтобы в темноте светодиоды включались, а в светлое время выключались.
Можно сказать еще о двух входах дешифратора CD4511, которые здесь не используются. Вывод 3. — при подаче нуля на него на всех выходах устанавливаются единицы (будут гореть все светодиоды независимо от входного кода). Вывод 5. -при подаче единицы на него микросхема запоминает последнее состояние и отображает его, не реагируя на входной код, пока на вывод 5 снова не будет подан логический ноль.
Рис. 2. Печатная плата для схемы самодельного светодиодного ночника.
Большинство деталей размещено на печатной плате, показанной на рисунке 2. За пределами платы только переменный резистор R3 для регулировки скорости переключения светодиодов.
Андреев С. РК-04-2019.
Многопозиционные коммутаторы модульного типа
Кулачковый пакетный переключатель — наиболее распространенный тип данных устройств, как и другие коммутаторы, он применяется для управления различными видами электрических нагрузок.
Кулачковые переключатели
Сфера применения кулачковых коммутаторов довольно обширна, приведем несколько примеров их использования:
- коммутационные щиты управления переменным и постоянным током;
- системы аварийного выключения, автоматического ввода резерва, переключения режимов работы электродвигателей;
- управление трансформаторными подстанциями и освещением;
- оборудование для подстанций (управление заземлителями, секционными выключателями, разъединителями и т.д.);
- переключение режимов нагревательного оборудования (включение, выключение, переключение электронагревательных элементов нагрузки);
- выбор режима работы электросварочного оборудования и т.д.
Кулачковые переключатели состоят из нескольких пакетов (каждый из которых отвечает за коммутацию одной линии), помещенных в один корпус. На нижнем рисунке показано устройство такого пакета.
Пакет кулачкового коммутатора
Обозначения на рисунке:
- a — зафиксированные контакты (4 шт.), к которым подключаются провода;
- b – специальный выступ «кулачек», который позволяет удерживать и перемещать шток;
- c – группа передвижных контактов (в данном типе их две);
- d – два направляющих паза (позволяют штоку совершать поступательные движения);
- e – покрытые изолирующей оболочкой два штока;
- f – контакты (8 шт.), как правило, изготовленные из сплава, содержащего серебро;
- g – пакет;
- h – две резьбовых шпильки (фиксируют пакет и крышку);
- I – ротор;
- J – четыре пружины (возвращают шток в замкнутое положение);
- k- соединяющий рукоять с ротором вал;
- l – четыре винта для зажима проводов кабеля.
Заметим, что пакетный рубильник (кулачковый коммутатор) может быть на несколько положений, включая нулевое, то есть когда контакты разъединены. На рисунке показано состояние коммутатора в нейтральном положении.
Схематическое изображение переключателя в нулевом положении
Коммутатор ABB в режиме нулевого положения
Заметим, что все основные характеристики коммутаторов указываются на корпусе устройств, там отображаются:
- тип коммутатора;
- номинальный ток, на который рассчитан переключатель;
- схема и таблица коммутации;
- класс защиты.
Ниже показана схема и таблица коммутации, изображенная на корпусе переключателя направления вращения SPAMEL.
Схема и таблица коммутации переключателя SPAMEL
Благодаря такой таблице наглядно видно, в каком положении, какие группы контактов соединяются.
Схема генератора на 100 Гц
На рисунке 3 показана схема генератора частоты 100 Гц. Частота стабилизирована кварцевым резонатором Q1 на 32768 Гц, с его выхода внутри микросхемы D1 импульсы поступают на двоичный счетчик. Коэффициент деления частоты задан диодами VD1-VD3 и резистором R1, которые обнуляют счетчик каждый раз, когда его состояние достигает 328. При этом, 32768 / 328 = 99,902439.
Рис. 3. Принципиальная схема генератора сигнала частотой 100 Гц.
Это не совсем 100 Гц, но близко. К тому же, подбором емкостей конденсаторов С1 и С2 можно немного изменить частоту кварцевого генератора и получить результат более близкий к 100 Гц.
Сфера применения
Ограничитель типа ОИН-1 используется достаточно часто. Его подключают в вводные щитки или для учёта потребителей. Желательно подключать его до счетчика, чтобы обезопасить и его.
Маркировка от производителя
Если необходимо построить дом и подсоединить всю территорию усадьбы к источнику электрической энергии – в техническом плане для такого подключения уже прописана норма установки ОИН-1 для защиты от скачков напряжения. Но это указание выполняется в основном, как прописано в правилах устройства электроустановок – при воздушном вводе провода.
Вам это будет интересно Как составлять схемы
Схема генератора на 60 Гц
На рисунке 2 показана схема генератора частоты 60 Гц. Частота стабилизирована кварцевым резонатором Q1 на 32768 Гц, с его выхода внутри микросхемы D1 импульсы поступают на двоичный счетчик.
Рис. 2. Принципиальная схема генератора сигнала частотой 60 Гц.
Коэффициент деления частоты задан диодами VD1-VD2 и резистором R1, которые обнуляют счетчик каждый раз, когда его состояние достигает 544. При этом, 32768 / 544 = 60,2352941. Это не совсем 60 Гц, но близко.
К тому же, подбором емкостей конденсаторов С1 и С2 можно немного изменить частоту кварцевого генератора и получить результат более близкий к 60 Гц.





























































