Мигающий светодиод как сигнализация
Купить моргающий диод для авто – избавить себя от кропотливого просиживания над обработкой платы. Это не всегда верно, но в данном случае очень подходит
Важно разобраться, почему почему мигает светодиод
На вид такой моргающий LED-индикатор невозможно отличить от обычного светодиода, который светится постоянно. При подаче напряжения он начинает мигать пару раз в секунду. Наличие мультиметра также поможет различить полупроводниковые приборы. В прямом направлении моргающий диод демонстрирует небольшое сопротивление, а в обратном – светодиод с обычным показателем падения напряжения.
Как сделать светодиодную мигалку своими руками
Существует множество схем, с помощью которых можно заставить мигать светодиод. Мигающие устройства можно изготовить как из отдельных радиодеталей, так и на основе различных микросхем. Сначала мы рассмотрим схему мигалки мультивибратора на двух транзисторах. Для ее сборки подойдут самые ходовые детали. Их можно приобрести в магазине радиодеталей или «добыть» из отживших свой срок телевизоров, радиоприемников и другой радиоаппаратуры. Также во многих интернет магазинах можно купить наборы деталей для сборки подобных схем led мигалок.
На рисунке изображена схема мигалки мультивибратора, состоящая всего из девяти деталей. Для ее сборки потребуются:
- два резистора по 6.8 – 15 кОм;
- два резистора имеющие сопротивление 470 – 680 Ом;
- два маломощных транзистора имеющие структуру n-p-n, например КТ315 Б;
- два электролитических конденсатора емкостью 47 –100 мкФ
- один маломощный светодиод любого цвета, например красный.
Не обязательно, чтобы парные детали, например резисторы R2 и R3, имели одинаковую величину. Небольшой разброс номиналов практически не сказывается на работе мультивибратора. Также данная схема мигалки на светодиодах не критична к напряжению питания. Она уверенно работает в диапазоне напряжений от 3 до 12 вольт.
Схема мигалки мультивибратора работает следующим образом. В момент подачи на схему питания, всегда один из транзисторов окажется открытым чуть больше чем другой. Причиной может служить, например, чуть больший коэффициент передачи тока. Пусть первоначально больше открылся транзистор Т2. Тогда через его базу и резистор R1 потечет ток заряда конденсатора С1. Транзистор Т2 будет находиться в открытом состоянии и через R4 будет протекать его ток коллектора. На плюсовой обкладке конденсатора С2, присоединенной к коллектору Т2, будет низкое напряжение и он заряжаться не будет. По мере заряда С1 базовый ток Т2 будет уменьшаться, а напряжение на коллекторе расти. В какой-то момент это напряжение станет таким, что потечет ток заряда конденсатора C2 и транзистор Т3 начнет открываться. С1 начнет разряжаться через транзистор Т3 и резистор R2. Падение напряжения на R2 надежно закроет Т2. В это время через открытый транзистор Т3 и резистор R1 будет течь ток и светодиод LED1 будет светиться. В дальнейшем циклы заряда-разряда конденсаторов будут повторяться попеременно.
Если посмотреть осциллограммы на коллекторах транзисторов, то они будут иметь вид прямоугольных импульсов.
Когда ширина (длительность) прямоугольных импульсов равна расстоянию между ними, тогда говорят, что сигнал имеет форму меандра. Снимая осциллограммы с коллекторов обоих транзисторов одновременно, можно заметить, что они всегда находятся в противофазе. Длительность импульсов и время между их повторениями напрямую зависят от произведений R2C2 и R3C1. Меняя соотношение произведений можно изменять длительность и частоту вспышек светодиода.
Для сборки схемы мигающего светодиода понадобятся паяльник, припой и флюс. В качестве флюса можно использовать канифоль или жидкий флюс для пайки, продающийся в магазинах. Перед сборкой конструкции необходимо тщательно зачистить и залудить выводы радиодеталей. Выводы транзисторов и светодиода нужно соединять в соответствии с их назначением. Также необходимо соблюдать полярность включения электролитических конденсаторов. Маркировка и назначение выводов транзисторов КТ315 показаны на фото.
Проще всего определить катод светодиода, рассматривая прибор на просвет. Катодом является электрод с большей площадью. Минусовой вывод «электролита» обычно помечен белой полосой на корпусе прибора.
В зависимости от задач, которые ставит перед собой радиолюбитель, схему мигалки можно собрать «навесу», соединяя выводы радиодеталей между собой с помощью отрезков тонкого провода. В этом случае может получиться конструкция наподобие той, что показана ниже на фото.
Собираем мигалку «на коленке»
Если нужно собрать мигалку для последующего применения, то монтаж можно выполнить на куске жесткого картона или изготовить печатную плату из текстолита.
Мерцания выключенной лампы
Причина мерцания чаще всего кроется в использовании выключателя с подсветкой
Важно знать, что для реализации этой функции в конструкции выключателя предусмотрена неоновая маломощная лампочка, которая подключена параллельно с клавишей включения/отключения LED -лампы
При выключенном приборе ток идет через лампочку подсветки и затем поступает на вход драйвера, и через диодный мостик на сглаживающий конденсатор, который постепенно заряжается. Как только разность потенциалов на его входе и выходе достигнет некой величины, срабатывает схема стабилизации, и напряжение поступает на светодиоды, заставляя их заработать на долю секунды, в течение которой конденсатор успевает разрядиться.
Демонтаж подсветки
Самый простой способ — убрать лампочку подсветки. К сожалению, он годится не для всех выключателей: существуют современные модели, в которых это невозможно. Кроме того, иногда подсветка нужна: она дает возможность быстро найти выключатель в темной комнате.
Жесткое подключение
Лампочка подсветки подключается независимо от LED-лампы к фазовому и нулевому проводу. Так она будет работать постоянно, независимо от того, включен светильник или нет, а сам светильник навсегда избавится от мерцания.
Недостаток метода — потребуется прокладка дополнительного провода, что не всегда удобно.
Замена обычного выключателя проходным
В этом случае при одном положении переключателя будет работать светильник, а при другом — загораться подсветка. Метод потребует покупки переключателя, но полностью исключает возможность мерцания, даже если его причина не связана с подсветкой.
Шунтирование светильника
То есть, подключение параллельно с ним нагрузки с меньшим сопротивлением. Основной ток в этом случае будет идти через нагрузку, а того тока, что останется на долю светильника, не хватит, чтобы зарядить конденсатор.
В качестве шунтирующей нагрузки можно использовать:
- Простую лампочку накаливания. Метод подходит для случая, когда имеется несколько светильников, включенных параллельно, например, в люстре: вместо одного из них просто ставится обычная лампа. Способ решения проблемы прост, но у него есть недостатки: в этом случае об экономии энергопотребления можно забыть. Кроме того, современные осветительные приборы далеко не всегда рассчитаны на такой аксессуар, как лампа накаливания, разогревающаяся до высоких температур.
- Резистор с сопротивлением 1 мОм и мощностью около 2 Вт. Резистор изолируется термоусадкой и подключается прямо в распределительной коробке, между нулем и фазой, параллельно светильнику. Метод имеет примерно те же недостатки, что и в предыдущем случае: приводит к дополнительным затратам электроэнергии, которая пойдет на нагрев резистора. Кроме того, небезопасно такое наличие источника тепла в распределительной коробке вблизи проводов.
- Конденсатор, емкость которого находится в пределах от 0, 01 мкФ до 1 мкФ, а напряжение — 630 В. Это самый экономичный и безопасный способ шунтирования. Во-первых, являясь реактивным сопротивление, конденсатор никак не повлияет на показания счетчика и, во-вторых, не будет нагреваться. Чем больше емкость конденсатора, тем надежнее шунтирование, но с увеличением мощности увеличиваются и размеры радиодетали. Конденсатор нужен керамический или бумажный, электролитические не годится, поскольку они восприимчивы к резким изменениям напряжения и могут взорваться. Если же в качестве шунта выбирается именно электролитический конденсатор, его запас напряжения должен быть достаточно велик.
Если мигает при отсутствии подсветки
В этом случае следует проверить, не пролегают ли в одной штробе другие провода, кроме тех, что подводят питание к LED -светильнику. Дело в том, что питающий провод большой длины может стать своеобразной антенной, а лежащие рядом провода под напряжением создавать слабое электрическое поле. В результате на контактах фильтрующей емкости создается напряжение, приводящее к включению светодиодов.
Существует еще одна причина, почему мигает светодиодная лампа во включенном состоянии, связанная с недостатками проводки: неверное включение светильника в сеть. Необходимо, чтобы фазовый провод был заведен на выключатель, а нулевой — на лампу, в противном случае схема, ответственная за пуск лампы, будет постоянно под потенциалом, и избежать мерцания не удастся.
Свое электричество и своя вода
Живя за городом, и имея рядом со своим домом или дачей, небольшую речку или ручей, всегда можно обеспечить себя не только водой, но и своим электричеством. Конечно можно приобрести комплект микро – ГЭС, которое достаточно широко представлены на отечественном рынке, но можно изготовить подобное устройство и своими руками. Конструкция может быть простой или сложной, все зависит от потребности в электрической энергии, а также от вида водоема, т.е. способности воды создавать напор в заданном направлении.
Для изготовления простейшей конструкции потребуется автомобильный генератор, велосипедное или иное колесо, пара шкивов разного диаметра или звездочек, а также металлический профиль (уголок), какой есть в наличии.
Из металлического профиля изготавливается конструкция крепления колеса и генератора. Колесо можно расположить параллельно или перпендикулярно плоскости воды, это зависит от вида водоема. На колесе крепятся лопасти, изготавливаемые из металла, пластика, фанеры или иного материала. На ось колеса крепится шкив (звездочка) большего диаметра.
Монтируется генератор, на его вал крепится шкив (звездочка) меньшего диаметра. Шкивы соединяются посредством ременной передачи, звездочки – посредством цепи. К выводам генератора подсоединяются провода. Колесо помещается в воду. Установка готова к работе.
Светодиодная мигалка — мультивибратор
- Принцип работы мультивибратора
- Мультивибратор в своем исполнении
Здравствуйте дорогие друзья и все читатели моего блога popayaem.ru. Сегодняшний пост будет о простом но интересном устройстве. Сегодня мы рассмотрим, изучим и соберем светодиодную мигалку, в основе которой лежит простой генератор прямоугольных импульсов — мультивибратор.
Все это будет дальше по тексту, а пока я хочу рассказать небольшом изменении на блоге.
Заходя на свой бложик, мне всегда хочется сделать что-нибудь эдакое, что-то такое , что сделает сайт запоминающимся. Так что представляю вашему вниманию новую «секретную страницу» на блоге.
Эта страница отныне носит название — «».
Вы наверное спросите: «Как же ее найти?» А очень просто!
Причем стоит только подвести курсор мыши к этой надписи , как уголок начинает еще больше отслаиваться, обнажая надпись — ссылку «».
Эта ссылка ведет на секретную страницу, где вас ждет небольшой, но приятный сюрприз — подготовленный мной подарок. Более того, в дальнейшем на этой странице будут размещаться полезные материалы, радиолюбительский софт и что-нибудь еще — пока еще не придумал. Так что, периодически заглядывайте за уголок — вдруг я что-то там припрятал.
Ладно, немножко отвлекся, теперь продолжим…
Вообще схем мультивибраторов существует много, но наиболее популярная и обсуждаемая это схема нестабильного симметричного мультивибратора. Обычно ее изображают таким образом.
Вот к примеру эту мультивибраторную мигалку я спаял гдето год назад из подручных деталек и как видите — мигает. Мигает несмотря на корявый монтаж, выполненный на макетной плате.
Эта схема рабочая и неприхотливая. Нужно лишь определиться как же она работает?
Принцип работы мультивибратора
Если собрать эту схемку на макетной плате и замерить напряжение мультиметром между эмиттером и коллектором, то что мы увидим? Мы увидим, что напряжение на транзисторе то поднимается почти до напряжения источника питания, то падает до нуля. Это говорит о том, что транзисторы в этой схеме работают в ключевом режиме. Замечу , что когда один транзистор открыт, второй обязательно закрыт.
Переключение транзисторов происходит следующим образом.
Когда один транзистор открыт, допустим VT1, происходит разрядка конденсатора C1. Конденсатор С2 — напротив спокойно заряжается базовым током через R4.
Конденсатор C1 в процессе разрядки держит базу транзистора VT2 под отрицательным напряжением — запирает его. Дальнейшая разрядка доводит конденсатор C1 до нуля и далее заряжает его в другую сторону.
https://youtube.com/watch?v=QkFSKdWpOi4
Теперь напряжение на базе VT2 возрастает открывая его.Теперь уже конденсатор C2, некогда заряженный, подвергается разрядке. Транзистор VT1 оказывается запертым отрицательным напряжением на базе.
И вся эта свистопляска продолжается по в режиме нон стоп, пока питание не вырубишь.
Мультивибратор в своем исполнении
Сделав однажды мультивибраторную мигалку на макетке, мне захотелось ее немножко облагородить — сделать нормальную печатную плату для мультивибратора и заодно сделать платку для светодиодной индикации. Разрабатывал я их в программе Eagle CAD, которая не намного сложнее Sprintlayout но зато имеет жесткую привязку к схеме.
Печатная плата мультивибратора слева. Схема электрическая справа.
Печатная плата. Схема электрическая.
Рисунки печатной платы с помощью лазерного принтера я распечатал на фотобумаге. Затем в полном соответствии с народной технологией ЛУТ вытравил платки. В итоге после напайки деталей получились вот такие платки.
Честно говоря , после полного монтажа и подключения питания случился небольшой баг. Набранный из светодиодов знак плюса не перемигивал. Он просто и ровно горел будто мультивибратора и нет вовсе.
Оказалось, что два светодиодных плеча сомкнуты перемычкой, видимо когда залуживал платку немного переборщил с припоем. В итоге светодиодные «плечики» горели не по переменке а синхронно. Ну ничего, несколько движений паяльником исправили ситуацию.
Результат того, что получилось я запечатлел на видео:
По моему получилось не плохо.
Обычный светодиод мигает
Схема мигающего светодиода
Схема, изображенная рисунком, использует для работы лавинный пробой транзистора. КТ315Б, используемый в качестве ключа, имеет максимальное обратное напряжения между коллектором и базой 20 вольт. Опасного в таком включении мало. У модификации КТ315Ж параметр составляет 15 вольт, гораздо ближе выбранному напряжению питания +12 вольт. Транзистор использовать не стоит.
Лавинный пробой нештатный режим p-n перехода. За счет превышения обратного напряжения между коллектором и базой происходит ионизация атомов ударами разогнавшихся носителей заряда. Образуется масса свободных заряженных частиц, увлекаемых полем. Очевидцы утверждают: для пробоя транзистора КТ315 требуется обратное напряжение, приложенное между коллектором и эмиттером, амплитудой 8-9 В.
Пара слов о работе схемы. В первоначальный момент времени начинает заряжаться конденсатор. Подключен на +12 вольт, остальная часть схемы оборвана – закрыт транзисторный ключ. Постепенно разница потенциалов повышается, достигает напряжения лавинного пробоя транзистора. Напряжение конденсатора резко падает, параллельно подключены два открытых p-n перехода:
- Транзисторный находится в режиме пробоя.
- Светодиод открыт за счет прямого включения.
В сумме напряжение составит порядка 1 вольта, конденсатор начинает разряжаться через открытые p-n переходы, только напряжение падает ниже 7-8 вольт, везение кончается. Транзисторный ключ закрывается, процесс повторяется заново. Схеме присущ гистерезис. Транзистор открывается при более высоком напряжении, нежели закрывается. Обусловлено инерционностью процессов. Видим, как работает светодиод.
https://youtube.com/watch?v=YcahQ5PduNw
Номиналы резистора, ёмкости определяют период колебаний. Конденсатор можно взять значительно меньше, включив меж коллектором транзистора и светодиодом небольшое сопротивление. Например, 50 Ом. Постоянная разряда резко увеличится, проверить светодиод визуально будет проще (возрастет время горения). Понятно, ток не должен быть слишком большим, максимальные значения берутся из справочников. Не рекомендуется вести подключение светодиодных светильников из-за низкой термостабильности системы и наличия нештатного режима транзистора. Надеемся, обзор получился интересным, картинки доходчивыми, объяснения ясными.
Моргающий световой сигнал находит широкое применение – от особого режима работы фонарей до индикации сложной аппаратуры. В его основе все чаще используется мигающий светодиод, как надежная и долговечная альтернатива любым другим видам светоисточников.
Рассмотрим, каков его принцип действия, какие готовые решения подобного прибора доступны сегодня на рынке, как сделать, чтобы лед-элемент, функционирующий в обычном режиме, стал работать в мерцающем ритме, какова общая сфера их применения, а также как своими руками на их основе изготовить гирлянды и бегущие огни.
Готовые мигающие светодиоды
Мигающие светодиоды от различных производителей по сути представляют собой функционально завершенные, готовые к применению в различных областях схемы. По внешним параметрам они мало чем отличаются от стандартных лед-устройств. Однако в их конструкцию внедрена схема генераторного типа и сопутствующих ему элементов.
Среди главных преимуществ готовых мигающих светодиодов выделяются:
- Компактность, прочность корпуса, все компоненты в одном корпусе.
- Большой диапазон напряжения питающего тока.
- Многоцветное исполнение, широкое разнообразие ритмов переключения оттенков.
- Экономичность.
Схемы использования
Самый простой вариант схемы, выпускаемых сегодня мигалок на базе светодиодов, изготовление которых возможно своими силами радиолюбителям, включает:
- Транзистор малой мощности.
- Конденсатор полярного типа на 16 вольт и 470 микрофарад.
- Резистор.
- Лед-элемент.
При накоплении заряда осуществляется лавинообразный его пробой с открытием транзисторного модуля и свечением диода. Устройство такого типа часто используется в елочной гирлянде. Недостатком схемы является необходимость применения особого источника питания.
Популярная схема мультивибратора
Схема мигающего светодиода на симметричном мультивибраторе надежно работает сразу после включения питания. В ней удается легко регулировать периоды свечения и отключения светодиодов. Она хорошо подходит для имитации работы сигнализации автомобиля или в качестве реле поворотов для велосипеда.
В данном случае конденсаторы С1 и С2 последовательно заряжаются через резисторы R2 и R3 соответственно. При достижении определенного напряжения на базе одного из транзисторов он открывается и происходит разряд соответствующего конденсатора. При этом протекает ток через светодиод в коллекторе открытого транзистора. Процесс повторяется.
Частота и длительность мигания светодиода определяется элементами С1, R2 и С2, R3. Сопротивление резисторов можно изменять в пределах (5,1 – 100)кОм, а емкость конденсаторов — в пределах (1 – 100)мкФ. Подбирая названные элементы, можно добиться предпочтительного результата. Сначала устройство собирают на макетной плате, где удобно заменять и подбирать элементы схемы.
Все элементы – практически любого типа. Подойдет светодиод типа АЛ 3075, который очень похож на светодиоды сигнализаций. Различные вариации на базе схемы симметричного мультивибратора позволяют получить необходимый результат в зависимости от конкретных требований к схеме.
Например, светодиод может быть только один. Во втором плече мультивибратора в качестве нагрузки будет достаточно резистора порядка 500 Ом при напряжении питания до 12В.
В данном примере мы заменили транзисторы КТ315 « обратной» проводимости или n-p-n на комплементарные транзисторы КТ361 «прямой» проводимости или p-n-p. При этом понадобилось изменить полярность питания, светодиодов и конденсаторов. Кроме того, в схему добавлен переменный резистор, который позволяет регулировать частоту мигания светодиодов в определенных пределах.
В этом примере исключены нагрузочные резисторы. Они не нужны, так как при питании порядка 2,4 или 3 вольта и падении напряжения на открытом транзисторе 0,7 В светодиоды не будут перегружены.
В каждое плечо мультивибратора можно включить по два светодиода параллельно. При этом они будут загораться в обратном порядке, то есть тогда, когда соответствующие транзисторы будут закрываться. Однако в этом случае парные светодиоды могут светиться с разной яркостью из-за различия параметров.
В этой схеме включено по три светодиода в каждом плече схемы, и через них будет протекать одинаковый ток. Можно включать последовательно и ленту светодиодов, однако при этом придется поднимать напряжение питания схемы. Для простоты можно считать, что на одном из них падает порядка 1,5 В. При этом нужно использовать транзисторы и конденсаторы, рабочее напряжение которых выше напряжения питания схемы.
Включить светодиодную ленту, не повышая напряжение питания, можно с помощью этой схемы. При этом заметно возрастает ток через транзисторы, так что пришлось добавить выходные каскады на транзисторах средней мощности.
Эта схема позволяет реализовать «бегущие огни» довольно простым способом. Элементы R1-R4 и С1-С4 подобраны так, чтобы светодиоды мигали последовательно. Подбирая их, можно менять световые эффекты. Переменные резисторы R6,R7 позволяют регулировать частоту мерцания светодиодов.
Принцип действия светодиода
Прежде, чем подключить светодиод, необходимо знать минимум теории. В районе p-n перехода за счёт существования дырочной и электронной проводимости образуется зона с нестандартными для толщи основного кристалла энергетическими уровнями.
При рекомбинации носителей заряда освобождается энергия, и если величина её равна кванту света, то спай двух материалов начинает лучиться. Оттенок зависит от некоторых величин, а соотношение выглядит следующим образом:
E = h c / λ, где h = 6,6 х 10-34 – постоянная Планка, с = 3 х 108 – скорость света, а греческой буквой лямбда обозначается длина волны (м)
Из этого утверждения следует, что может быть создан диод, где разница энергетических уровней составляет Е.
Это и будет искомое. Именно так изготавливаются светодиоды. А в зависимости от разницы уровней, цвет может быть синим, красным, зелёным и пр.

КПД светодиодов сравнительно мал (для полупроводниковой техники) и редко дотягивает даже до 45%.
Но при всем этом удельное превращение электрической энергии в полезную световую просто потрясающее.
Каждый Вт энергии может давать фотонов в 6-7 раз больше, нежели спираль накала в тех же условиях потребления. Это объясняет, почему светодиоды сегодня занимают прочную позицию в осветительной технике.
Именно по этой же причине и создание мигалки на основе этих полупроводниковых элементов несравненно проще. Достаточно сравнительно малых напряжений, чтобы схема начала работать.

Амплитуда.
Скважность.
Частота следования.
Как это сделать? Очевидно, что подключение светодиода к сети 220В будет не лучшей идеей.
Имеются подобные схемы, но заставить их мигать достаточно сложно, потому что элементная база для этого ещё не создана.
Обычно светодиоды работают от гораздо более низких питающих напряжений. Из них самыми доступными являются:
Напряжение +5 В присутствует в устройствах заряда телефонных аккумуляторов, а также iPad и других гаджетов.
Правда, выходной ток в этом случае невелик, но в большинстве случаев это и не нужно. Кроме того, +5 В можно найти на одной из шин блока питания персонального компьютера.
В этом случае с ограничением по току никаких проблем не будет. Провод в этом случае красного цвета, а землю ищите на чёрном.
Напряжение от +7 до +9 В часто встречается на зарядных устройствах ручных радиостанций, в обиходе называемых рациями.
Великое множество фирм, и у каждой свои стандарты
На наш взгляд схема подключения светодиода будет лучше всего работать от +12 В.
Это стандартное напряжение в микроэлектроники, его можно встретить во многих местах. Также компьютерный блок содержит вольтаж -12 В. Изоляция жилы синяя, а сам провод оставлен для совместимости со старыми приводами.
В нашем случае он может понадобиться в том случае, если не окажется под рукой элементной базы для питания +12 В. Тогда будет достаточно найти комплементарные транзисторы и включить их вместо исходных. Номиналы пассивных элементов остаются теми же. Сам светодиод также включается обратной стороной.
Номинал -3,3 В на первый взгляд кажется невостребованным.

Однако! Падение напряжения в прямом направлении не должно превышать 3 В (обратное включение не понадобится, но в случае неправильной полярности максимальный вольтаж составляет 5).
Теперь, когда устройство светодиода нам вполне понятно, а условия горения известны, приступим к реализации нашей задумки. А именно – заставим элемент мигать.
Простой способ
При помощи этого метода получится создать конструкцию при напряжении от 3 до 12 вольт. Как сделать самому мигающий светодиод, рассказано ниже. Для сборки потребуются следующие компоненты:
- Резистор 6.8 – 15 Ом (2 шт).
- Резисторы с сопротивлением 470 – 680 Ом (2 шт).
- Маломощные транзисторы со структурой «n-p-n» (2 шт).
- Электроконденсаторы с ёмкостью 47 – 100 мкФ (2 шт).
- Маломощный светодиод, цвет не имеет значение (1 шт).
- Паяльник, припой и флюс.
Напомним, перед началом работы рекомендуется зачистить выводы всех радиодеталей, а после залудить их. Не забываем о полярности включения электролитических конденсаторов. Ниже приведена схема подключения всех вышеуказанных компонентов. Создав правильную конструкцию напряжение на R2 перестанет доходить до Т2, в это время открытым останется Т3 и R1, именно через них пройдёт ток и дойдёт до светодиода. За счёт того, что подача тока осуществляется циклично, светодиод будет мигающий.
Три красных светодиода.
Моргающий светодиод
Для создания данной модели понадобиться все вышеуказанные компоненты, а также одна обычная пальчиковая батарейка. Ниже предоставлена элементарная схема сборки. В данной системе подключения имеются несколько цепочек заряда конденсаторов – это R1C1R2 и R3C2R2. После того, как С1 и С2 имеют необходимый заряд они открываются, второй конденсатор соединён с батарейкой. Их суммарное напряжение проходит через Т2 и проникает в светодиод, за счёт этого он начинает светиться, как только напряжение исчезает он тухнет, а С1 и С2 теряют энергию. Как только напряжение к ним возвращается, происходит новый круг подачи тока в светодиод, и он снова начинает светиться. Таким образом, за счёт батарейки и небольших познаний физики, можно в домашних условиях создать моргающий светодиод.
Создание мигающего светодиода.
Мигалка
Взглянув на эту схему, любой человек хоть не много понимающий в механике найдёт сразу две ошибки. Первая заключается в том, что эмиттер и коллектор подключены не правильно, а вот вторая это «висящая» база. Несмотря на две технические особенности светодиод будет работать. Точка соединения КТ315 служит динистором, за счёт того, что в нём накапливается много напряжения, он отдаёт её транзистору, а тот, в свою очередь, открывается. Затем ток направляется к светодиоду и происходит свечение. По мере отступления напряжения он угасает. Далее всё происходит циклично. В таблице приведены основные параметры серийно выпускаемых МСД, взятые из Интернет – файлов Datasheet.
Таблица основных параметров серийно выпускаемых мигающих светодиодов.
В данной статье указаны сразу несколько методов создания мигающих светодиодов. Благодаря этому, можно легко починить игрушку ребёнка, освещение в доме и новогоднюю гирлянду. Углубив свои познания в технике, создание светодиодов можно применить в других механизмах, например в разработке светового сигнала при открытии или не полном закрытии дверцы холодильника, если в подъезде темно, то подобная мигающая конструкция поможет гостям найти звонок или выключатель.
Будет интересно Схема подключения проходного двухклавишного выключателя
Продвинутые техники могут создать сигнальный поворотник для велосипеда, это поможет пешеходам узнать, в каком направлении будет двигаться транспортное средство. В общем, мест для применения моргающих светодиодов огромное количество. Для их применения нужны элементарные познания, необходимые материалы и умелые руки!
Необходимые материалы и радиодетали
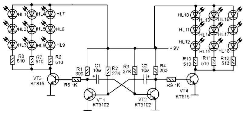
Чтобы собрать классический светодиодный мультивибратор на 12 В своими руками, понадобятся следующие радиокомпоненты:
- транзисторы КТ361 – 2 штуки (КТ315 но придется поменять полярности питания, конденсаторов и светодиодов);
- электролитические конденсаторы емкостью 47-50 мкФ и номиналом от 16 В – 2 штуки;
- светодиоды на 3 В – 2 штуки (желательно разноцветные);
- резисторы на 300 Ом – 2 штуки;
- резисторы на 27 кОм – 2 штуки;
- провода для соединения деталей.
Чтобы отличить транзисторы КТ361 от легендарных КТ315, достаточно взглянуть на их маркировку. У тех, которые нужны для сборки мультивибратора по приведенной схеме, буква расположена посредине корпуса. У КТ315 – в уголке. Заменить эти детали можно более современными аналогами, для чего достаточно воспользоваться специальными ресурсами в сети интернет. Можно конечно использовать и КТ315, но в этом случае полярность питания, конденсаторов, светодиодов нужно будет поменять местами.
Если резисторов с указанными значениями под рукой не оказалось, то можно взять несколько штук с меньшим сопротивлением. Соединив их последовательно (как на фотографиях), получим требуемые параметры. Учтите, что при источнике питания с другим напряжением (9 В или 4,5 В) понадобятся детали с меньшим номиналом.
Конденсаторы можно брать с другой емкостью. Это напрямую повлияет на частоту мигания светодиодов. Чем больше емкость, тем меньше частота переключения. Номинал конденсаторов обязательно должен быть больше, чем напряжение используемого источника питания.
Естественно, для успешной сборки схемы симметричного мультивибратора понадобится также минимальный набор для пайки.
Пошаговая сборка мультивибратора
Для начала рекомендуется собрать все необходимые радиокомпоненты и разложить их на столе так, как изображено на схеме. Если пайка осуществляется на плате, то этот шаг можно пропустить. При сборке мультивибратора навесным монтажом последовательность действий будет следующая.
Сначала соединяются между собой светодиоды, и в цепь добавляется основное сопротивление на 27 кОм. При этом учитывается полярность источников света. У классических светодиодов отрицательный вывод видно при визуальном осмотре элемента – внутри он существенно шире положительного. Между собой спаиваются именно «минусовые» ножки. Резисторы монтируются между светодиодами так, как показано на фото.
Далее к положительным выводам светодиодов припаиваются сопротивления на 300 Ом. Они нужны для того, чтобы ограничить ток и сберечь элементы от сгорания.
Далее черед за электролитическими конденсаторами. Стоит помнить, что у них тоже есть положительные и отрицательные выводы. «Минус» обычно можно рассмотреть на корпусе – он отмечен светлой полосой и соответствующими символами. На этом этапе сборки нам нужны положительные выводы – они припаиваются к сопротивлениям на 300 Ом, как показано на фото.
Самые сложные детали в данной схеме (для начинающих радиолюбителей) – это транзисторы. Чтобы упростить монтаж и ничего не перепутать, элементы рекомендуется сразу разложить так, как показано на фото. Транзистор левого плеча мультивибратора обращаем буквенной маркировкой вверх, а правого – вниз.
При таком расположении направленные друг к другу нижние ножки будут эмиттерами. Их необходимо соединить между собой. На этот же участок будет подаваться питание со знаком «плюс».
Далее необходимо соединить коллекторы транзисторов с положительными выводами конденсаторов. Для удобства рекомендуется соответствующим образом выгнуть средние ножки у деталей (у КТ361 это и есть коллекторы).
Последним шагом будет соединение баз транзисторов с отрицательными выводами конденсаторов из противоположных плеч мультивибратора. К местам пайки этих узлов подводятся также сопротивления, которые были ранее смонтированы в цепи (на 27 кОм). Базы у обеих транзисторов при таком позиционировании окажутся сверху, что также облегчит работу с ними.
Теперь осталось только подсоединить провода от блока питания. Положительный вывод припаивается на линию соединения эмиттеров транзисторов, а отрицательный – между светодиодами. При включении блока питания мультивибратор сразу же должен начать работать без какой-либо дополнительной настройки.
Если светодиоды в выключенном состоянии гаснут не до конца, то в начало цепи можно добавить небольшой токоограничивающий резистор. Если блок питания регулируемый – достаточно немного убавить напряжение, и все заработает.
https://youtube.com/watch?v=nyWEyYGoOjY





































































