Как работает датчик освещённости
Задача фотореле — включить осветительный прибор, когда во дворе становится сумеречно и выключить его с наступлением рассвета. В основе прибора — светочувствительный элемент (фотодиод, газоразрядник, фототиристор, фоторезистор), который на свету изменяет свои характеристики. Например, в фоторезисторе уменьшается сопротивление, ток легко проходит через этот элемент и замыкает контакт, выключающий освещение.

Дополнительные элементы прибора помогают избежать ошибочного включения/выключения, настроить чувствительность сенсора, усилить сигнал от датчика и т. д.
Нюансы монтажа датчика освещенности
Светоконтролирующий прибор обычно монтируется поблизости с подсоединяемым к нему светильником. Для каждой модели схема подключения выбирается в соответствии с инструкцией в техпаспорте. Ее перед началом работ следует изучить в обязательном порядке.
Особых навыков для выполнения монтаж не требуется. Надо лишь все рассчитать так, чтобы осветительные электроприборы не перегрузили линию. Фотореле нагрузки на сеть практически не дает. Однако УЗО в щитке и сам фотодатчик должны быть подобраны исходя из количества и мощности подключаемых лампочек.
Для самостоятельной установки фотореле достаточно обладать минимальными познаниями в области электромонтажа и соблюдать простейшие правила безопасности его выполнения
Существует несколько простых норм монтажа фоточувствительных реле:
- Подключать сумеречный выключатель и всю линию осветительных устройств после него рекомендуется на отдельную линию от электрощитка со своим защитным автоматом.
- Категорически запрещается устанавливать фотодатчик вверх ногами. С одной стороны он должен быть открыт солнечному свету, а с другой стороны на него должен падать свет от ламп искусственного освещения.
- Нельзя этот электроприбор монтировать возле легковоспламеняющихся материалов, вблизи нагревательного оборудования и химически активных сред.
- Если к фотореле подключается много лампочек , то в схеме необходимо предусмотреть магнитный пускатель.
Главное – свет от любых светильников не должен попадать на фотоэлемент. Иначе он постоянно будет работать не так, как положено. Фотодатчик реагирует на любой свет
Неважно, искусственное это освещение либо естественное от солнца
Схема подключения осветительных приборов к фотореле (прямая либо через пускатель) выбирается в зависимости от суммарной мощности подключаемых светильников
На корпусе фотореле есть план с цветовым обозначением всех проводов, исходящих из него. Как правило, коричневый идет на фазу со щитка («L»), синий на ноль («N»), а красный или черный – на светильник уличного освещения. Необходимо лишь зачистить концы этих жил и подключить все в соответствии с приложенной электросхемой.
Если у фотодатчика два контакта, то один из них подсоединяется к фазе со щитка, а второй идет на светильник. Ноль в этом случае отсутствует.
В ситуации подключения уличного освещения через магнитный пускатель, он подсоединяется к фотореле так же, как лампочка. А сами осветительные приборы запитываются уже от него.
В этом случае реле замыкает не питающую лампы цепь, а только пускатель. Через выключатель в такой схеме проходит минимальный ток, поэтому подойдет более дешевый и маломощный прибор. Вся нагрузка здесь перекладывается на внешний контактор.
О том, как выбрать светильники для организации уличного освещения на солнечных батареях, подробно изложено в следующей статье, с которой мы советуем ознакомиться.
Что такое электромагнитное реле, устройство, назначение
Электромагнитное реле — коммутирующее устройство, которое для работы использует электромагнитное поле. Состоит оно из электромагнитной катушки и подвижного якоря, подвижных и неподвижных контактов. Якорь и катушка закреплены на основании. Якорь подпружинен и расположен так, чтобы неподвижные контакты с неподвижными имели точки соприкосновения.
Устройство электромагнитного реле
Как работает электромагнитное реле? При подаче напряжения на обмотку в ней возникает электромагнитное поле. Закрепленный подвижно якорь притягивается к сердечнику катушки, контакты переключаются (смыкаются/размыкаются). В этом и состоит работа реле — перекидывать контакты. К ним подключена разная нагрузка и, в результате срабатывания, изменяется цепи, по которым протекает электрический ток.
При снятии питания электромагнитное поле исчезает, якорь под действием пружины возвращается в исходное состояние. Соответственно и схема возвращается в исходное состояние. По принципу действия очень похоже на работу обычного выключателя. С той лишь разницей, что кнопки нет и «управляются» контакты автоматически, а вместо лампочки может быть участок цепи или какое-то устройство.
Для чего нужно реле в электросхемах
На рисунке выше представлена простейшая схема с электромагнитным реле. Есть кнопка, при помощи которой подается питание на катушку. К контактам подключен исполнительный орган, например, электрическая лампа. При нажатии кнопки питание подается на катушку, якорь притягивается к сердечнику катушки, и давит на контакты. Они замыкаются, на лампочку поступает напряжение и она загорается. При снятии питания с катушки, пружина оттягивает якорь в исходное положение, цепь питания лампочки разрывается и она тухнет. Этот пример показывает, для чего и как используют электромагнитные реле.
Фотореле, их виды, применение, схема подключения
Фотореле применяемое для уличного освещения, изобрели сравнительно недавно, но оно уже прочно вошло в практику городских коммунальных служб. Популярность этот прибор завоевал благодаря своим отличным эксплуатационным свойствам: надежность в работе и значительная экономия электроэнергии.
Если говорить конкретнее, то выгода от использования фотореле для уличного освещения заключается в том, что при наступлении темного времени суток та или иная зона освещается в автоматическом режиме. Фотореле с большой точностью может определить начало включения и отключения световых приборов, при этом за счет работы потенциометра автоматически контролирует уровень освещения.
Применяют фотореле также и в осветительных системах фасадов зданий, дворов, загородных домов, автостоянок, зоны видимости видеокамер при наступлении темноты, чтобы автоматизировать освещение витрин магазинов, вывесок и рекламных щитов.
Как устроено фотореле для уличного освещения
Зачастую фотореле уличного освещения называют – автомат уличного освещения. Основным его компонентом является фотодатчик, в качестве которого используется фотодиод. Фотодатчик может находиться в корпусе или снаружи. При первом варианте все устройство монтируют на улице. Во втором случае фотодатчик – на улице, а электронный блок устанавливают в электрическом щитке в помещении.
Большинство таких приборов на корпусе имеют механический выключатель и регулятор порога срабатывания для задания величины освещенности, при которой включается свет.
При этом, таймер можно запрограммировать так, чтобы его включение происходило в назначенный день недели.
Фотореле с выносным фотоэлементом (рис. 1)
Фотореле, имеющее регулировку порога срабатывания (рис. 2)
Фотоэлемент внутри корпуса, снабженный таймером (рис. 3)
Фотоэлемент внутри корпуса (рис. 4)
К основным техническим характеристикам относятся:
- номинальное напряжение сети
- номинальная частота сети
- коммутируемый ток
- диапазон срабатывания
- мощность потребления от сети
- максимальный диаметр подключаемых проводов
- габариты
- масса
- допустимые колебания сети
- диапазон температуры окружающей среды
Принцип действия
Работа фотореле для уличного освещения основана на свойствах фотодатчика, который контролирует величину освещенности. Принцип действия заключается в том, что при недостаточном уровне света (при наступлении сумерек) контакты замыкаются, вследствие этого происходит включение системы освещения.
А на рассвете природная освещенность возрастает, что приводит к размыканию контактов и отключению источников искусственного света. Конструкция прибора для уличного освещения предусматривает возможность установки того диапазона чувствительности к свету, который будет наиболее рациональным к условиям его использования.
То есть, устройство действует в зависимости от интенсивности освещения.
Схема подключения
Схема подключения фотореле в едином пластмассовом корпусе для уличного освещения достаточно проста, что можно увидеть на (рис. 5). Внутри корпуса прибора есть две пары клемм. Одна из них подсоединяется к сети, а к другой подключают светильник. Из корпуса приборов, в которых клемм нет, выводятся три провода различного цвета.
Для их подсоединения вблизи фотореле устанавливают распределительную коробку. «Нулевой» провод подключаются к светильнику и к самому реле на прямую через скрутку или клемник, «земля» так-же через скрутку или клемник на прямую к светильнику, «фазный» провод через реле в разрыв.
Проще говоря перед нами схема подключения одноклавишного выключателя, только в роли выключателя у нас реле.
Монтаж фотореле
Правила размещения фотореле
- инструкцию читать надо, и не только когда ничего другого не остается: в ней масса полезных сведений от технических параметров продукта до схемы подключения;
- на фотореле не должен попадать искусственный свет, а также падать тень от предметов – веток, опор, столбов, зданий;
- нельзя переворачивать устройство и монтировать его вверх ногами – такое обращение повлияет на чувствительность и работоспособность в целом;
- если подобное не предусмотрено производителем, не нужно эксплуатировать фоточувствительные реле в химически активных средах, а также вблизи горючих поверхностей;
- выбирая место монтажа, следует учитывать степень защиты устройств от пыли, влаги и других факторов.
Варианты настроек подключения датчика света
Почти все устройства имеют автоматическую систему регулировки, позволяющую выбрать конкретный режим работы. Особенность данного элемента прибора состоит в том, что настраивать его приходится вручную. Для этого специальный регулятор поворачивают в нужном направлении и выбирают необходимую опцию.
 Фотореле используется для того, чтобы автоматизировать систему уличного освещения и в то же время сэкономить электроэнергию.
Фотореле используется для того, чтобы автоматизировать систему уличного освещения и в то же время сэкономить электроэнергию.
Фотореле может включать следующие регуляторы настроек:
- Порог реагирования. Эта настройка предусматривает увеличение или уменьшение чувствительности прибора. Рекомендуется понижать ее уровень зимой, особенно в снежную погоду, во избежание лишнего отражения света от снега, а также в местах с ярким уличным освещением, например, в мегаполисах.
- Секундное задержание на включение или отключение прибора. Если увеличить задержку на выключение, то удастся избежать ложных срабатываний, возникающих при попадании на фотореле случайного луча, например, света от фар автомобиля. Задержание включения предотвратит реакцию устройства на мимолетное затемнение прибора, например, от тучи или теней пролетающих птиц.
- Регулятор диапазона освещенности. При подключении фотореле, используя данную настройку, можно обеспечить необходимый уровень освещенности. При его нижней границе датчик срабатывает, включая подачу питания, и, наоборот, в верхних значениях отключает его. Диапазон может колебаться от 2 до 100 лк (2 лк – кромешная темнота) или от 20 до 80 лк, (в данном случае 20 лк – глубокие сумерки, когда очертания предметов еле видны).
Освоение и эффективное использование перечисленных настроек помогут обеспечить наиболее оптимальную работу фотореле, исключив ложные срабатывания, сделав тем самым освещение более комфортным, а потребление электроэнергии максимально экономным.
 Фотореле может включать множество регуляторных настроек.
Фотореле может включать множество регуляторных настроек.
Схемы подключения фотореле для уличного освещения
Главная функция фотореле – это подача электропитания с наступлением темноты и его отключение с рассветом. Таким образом, это автоматический выключатель, который действует без вмешательства человека. Роль кнопки отключения играет светочувствительный элемент. Схема подключения фотореле аналогична: на прибор идет подача фазы, прерывается на выходах, а при необходимости цепь замыкается, вследствие чего напряжение подается на лампы или прожекторы.
Для обеспечения работы фотореле тоже требуется электропитание, поэтому на определенные контакты подсоединяют ноль. Так как освещение предполагается в открытой местности, есть необходимость подключения заземления.
Важно правильно соединить проводники, выходящие из корпуса самого регулятора с лампой и сетью
К сожалению, нет универсальной схемы подключения, которая подошла бы ко всем типам фотореле, но определенные моменты характерны для всех операций. Их необходимо учитывать, особенно в случае установки фотореле своими руками.
Практически во всех моделях реле на выходе имеет три разноцветных провода, которые соответствуют таким обозначениям:
- черный – фаза;
- зеленый – ноль;
- красный – фаза, коммутирующая на источник света.
Для обеспечения дополнительных функций можно приобрести фотореле с датчиками движения или таймерами
Пошаговая инструкция подключения фотореле для уличного освещения
Приведенная ниже инструкция подскажет, как поэтапно, быстро и правильно подключить фотореле:
- Предварительная установка распределительного щитка. Обычно его монтируют на стене, в нем осуществляют соединение проводников.
- Подключение фотореле согласно схеме, которая находится в техдокументации, прилагаемой к самому устройству. Обычно в качестве крепежа используют кронштейн. Его устанавливают в месте, где на реле будут попадать прямые лучи солнца, но при этом изолированы другие источники света.
- Корректировка системы с использованием регулятора, то есть выбор параметров реагирования прибора на конкретные условия изменения освещенности.
- Установка регулятора производится на внешней части устройства с соответствующими техническими характеристиками: диапазон чувствительности – 5-10 лм; мощность – 1-3 кВт, порог допустимого тока – 10А.
Если прибор монтируют в середине электрощитка со сложной конструкцией, куда не проникают солнечные лучи, то реле и выключатель устанавливают отдельно друг от друга. Соединяют части устройства между собой специальными кабелями.
Подключается фотореле согласно схеме, которая находится в техдокументации, прилагаемой к самому устройству
При установке уличного освещения рекомендуется соблюдать такие правила:
- Прибор с внешним фотоэлементом лучше размещать таким образом, чтобы исключить прямое попадание света от устанавливаемого светильника. В ином случае устройство будет работать с ошибками.
- Чтобы проверить, правильно подключена схема или нет, необходимо подсоединить пускатель к электросети. Результат будет ясен при срабатывании светильника.
Нюансы в схемах подключения датчика света
Тот факт, что фотореле подбирается с учетом предполагаемой нагрузки, может отразиться на стоимости изделия: в зависимости от мощности возрастает цена. Поэтому с целью экономии средств можно обеспечить подачу питания не через фотодатчик, а посредством магнитного пускателя. Это специальный прибор, предназначенный для частого срабатывания режимов вкл./выкл. Использование пускового механизма позволяет подключить питание, применив фоточувствительный элемент с минимальной нагрузкой.
Таким образом, фактически происходит включение исключительно магнитного пускателя, поэтому во внимание берется только мощность, потребляемая им. А вот уже на выводах магнитного пускателя допускается использование более мощной нагрузки. С целью экономии средств можно обеспечить подачу питания не через фотодатчик, а посредством магнитного пускателя
С целью экономии средств можно обеспечить подачу питания не через фотодатчик, а посредством магнитного пускателя
В том случае, когда, помимо датчика день/ночь, необходимо подсоединить устройства с дополнительными функциями, например, таймер либо датчик движения, то их устанавливают после монтажа фотореле. При этом порядок очередности дополнительных приборов неважен.
Если функция таймера или датчика движения предусмотрена в строении устройства, но она не нужна в конкретном случае, то эти приборы просто исключают из общей схемы, то есть к ним не подводят провода. При этом в случае надобности эти элементы устройства можно будет подключить.
Схема подключения
Чтобы своими руками произвести подключение фотореле вы можете обратиться к следующей схеме либо изучить документацию к прибору. В ней или на обратной стороне устройства обязательно должно быть схематичное изображение подключения.
Схема подключения фотореле
Это самая простая схема, согласно которой правильно собрать электроцепь самостоятельно не составит труда даже неопытному человеку. Расцветка выходящих проводов может быть любой, нулевой кабель чаще всего бывает синего цвета, фазный черного или коричневого, а красный – питающий, на лампу. Все соединения проводов рекомендуется производить в распределительной (монтажной) коробке (см. фото ниже), используя специальные зажимы или клемники.
 
На следующей схеме показано, как правильно подключить фотореле для уличного освещения с датчиком движения. На данной схеме дополнительно присутствует провод заземления (зеленый), выходящий из щита с нулевым и фазным. Датчик движения просто является дополнительным звеном, в цепи разрыва фазы.
Устанавливая датчик движения на улице, учитывайте те же условия, что и для монтажа фотореле
 
Если ваш выбор пал на фотореле для уличного освещения с выносным датчиком, то предлагаем ознакомиться со схемой его подключения:
Схема фотореле для уличного освещения с выносным датчиком
Блок реле (1) устанавливается в распределительный щит, фотоэлемент (2) крепится снаружи, в месте, исключающем попадание лучей светильника (3) и по возможности затеняющих предметов.
Еще один очень частый вопрос читателей – это подключение фотореле к фонарям с лампами ДРЛ (дуговая ртутная лампа).
Чаще всего такие лампочки устанавливаются в следующие осветительные приборы:
Светильники для ламп ДРЛ
Это могут быть приборы как для освещения городских улиц, так и приусадебных участков (фонари, прожекторы и т. п.). ДРЛ гораздо экономичнее чем лампы накаливания, поэтому их применение для уличного освещения более оправданно, особенно в паре с датчиком движения.
Чтобы правильно подключить фотореле к светильнику с лампой ДРЛ, нужно добавить в схему дроссель или ПРА (пускорегулирующий аппарат) либо приобрести светильник со встроенным пускателем.
Схема подключения светильника с лампой ДРЛ
Настройка параметров
Угол установки
Первое что нужно сделать – правильно отрегулировать зону обнаружения ДД. В современных моделях светильников детекторы представлены отдельными элементами, закрепленными на шарнире. Вот его вы как раз и должны настроить таким образом, чтобы инфракрасные лучи были направлены на максимально возможную площадь обнаружения. Тут важную роль играет не только угол установки, но и высота, на которой вы решите подключить датчик движения. Оптимальные и самые неудачные способы установки рассмотрены на схемах ниже:
Чувствительность
Второй параметр, который вы должны настроить – чувствительность, который обозначается на корпусе «SENS». Как правило, для регулировки используется колесико с диапазоном от min (low или -) до max (high или +). Настройка чувствительности датчика движения наиболее сложная. Вы должны отрегулировать параметр таким образом, чтобы детектор не срабатывал на мелких животных, но в то же время включал свет при обнаружении человека. В этом случае рекомендуется сразу же настроить SENS на максимум, подождать пока фонарь выключиться и проверить, как будет срабатывать сенсор.
Постепенно вам нужно будет уменьшать чувствительность до тех пор, пока не найдете «золотую середину»
Обращаем Ваше внимание на то, что если у вас во дворе есть большая собака, выполнить настройку датчика, чтобы он на нее не реагировал, вряд ли получится
Освещенность
Следующая настройка – порог освещенности, обозначенный на корпусе «LUX». Данный параметр необходим для того, чтобы настроить датчик на включение света только при наступлении темноты. К примеру, зачем освещению включаться при обнаружении движения в светлое время суток, все равно это ничего не даст. При первой настройке рекомендуется выставить максимальное значение LUX и при наступлении вечера отрегулировать подходящее время, при котором будет срабатывать сенсор.
Если на Вашем детекторе нет регулятора LUX, то можно дополнительно подключить датчик освещенности. В этом случае получится все равно настроить прожектор, чтобы он включался только ночью.
Время задержки
Ну и последний параметр – задержка включения, обозначенный «TIME». Время настраивать легче всего, диапазон может колебаться от 5 секунд до 10 минут. Тут Вы уже сами должны решить, на какое время лучше выставить задержку. Существуют датчики, у которых при каждом новом включении время задержки увеличивается. При первоначальной настройке рекомендуется выставить данный регулятор на минимальную отметку, чтобы можно было быстро выполнять проверку параметров.
Также немного полезной информации вы можете узнать, просмотрев данное видео:
Как выполнить регулировку
Вот и все, что хотелось рассказать вам о том, как настроить датчик движения для освещения. Такие детекторы можно устанавливать не только на улице, но даже и в квартире, к примеру, на лестничной площадке в подъезде. Надеемся, что предоставленная инструкция по настройке детектора с двумя и тремя регуляторами была для Вам полезной!
Будет интересно прочитать:
- Схема подключения прожектора к сенсору и фотореле
- Как сделать освещение забора
- Как сделать светодиодный прожектор своими руками
Разновидности фотореле
Фотореле со встроенным чувствительным элементомРеле с выносным фотоэлементомФотореле с таймеромс регулятором чувствительности реле с датчиком присутствия
857c5c3a-1136-4bbe-8e59-4a75118e0259
Фотореле ФР-601 2200ВА IP44 серый
- Основные характеристики
- Тип товараВыключатель сумеречный
- Способ монтажаНакладной
- Тип датчикаВстроенный датчик освещенности
- Подходит для степени защиты (IP)IP44
- Серия производителяФР
- Сведения РАЭК
- Код545895
- КлассEC000189
- НаименованиеIEK Фотореле ФР 601 серый, макс. нагрузка 2200 ВА IP44 IEK
- Дополнительные характеристики
- Задержка отключения, сНет
- Макс. коммутационная мощность (подключ. нагрузка)2 200
- ЦветСерый
- МатериалПластик
- Номин. напряжение230
- Тип поверхностиГлянцевый
- Вид/марка материалаПрочее
- Не содержит (без) галогеновНет
- Защитное покрытие поверхностиНеобработанная
- ПрозрачныйНет
- Тип контактовПрочее
- ВращениеНет
- Емкостная (C-) нагрузкаНет
- Тип датчикаВстроенный датчик освещенности
- Единица измеренияшт
- Тип позицииСкладская
- Кол-во в транспортной упаковке20
4e4b5181-9d94-42f5-ad27-57fd3c3ebb81
Фотореле AZ-112 выносн. фотодатчик, 1 модуль, DIN
- Основные характеристики
- Тип товараВыключатель сумеречный для распределительного щита
- Номин. напряжение230
- Модульная ширина2
- Кнопка вводаНет
- Сведения РАЭК
- Код623662
- КлассEC001645
- НаименованиеФотореле (автомат светочувствительный) AZ-112, выносной герметичный фотодатчик, 230В 16А 1NO IP20
- Дополнительные характеристики
- Диапазон регулировки освещенности, лк2…100
- Номин. коммутируем. ток, А16
- Макс. мощность ламп накаливания, Вт2000
- Макс. мощность люминесц. ламп, ВА1 000
- Макс. мощность люминесц. ламп (параллельно компенсир.), ВА750
- Макс. мощность люминесц. ламп (включение попарно), ВА1 000
- Номин. напряжение датчика освещенности, В24
- Способ монтажа датчика освещенностиВстраиваемый (-ая)
- Степень защиты (IP) датчика освещенностиIP65
- Степень защиты IPIP20
- Номинальная частота, Гц50
- Макс. коммутируем. ток при cos Ф = 0,62
- С программируемым ночным отключениемНет
- Макс. длина провода датчика освещенности, м50
- Класс защиты датчика освещенностиII
- Способ монтажаDIN-рейка
- Глубина монтажная, мм65
- Единица измеренияшт
- Тип позицииСкладская
- Кол-во в транспортной упаковке1
1d0d776a-45fd-4c19-a541-010543f9ae6a
Фотореле ФР-16В 10А IP40
- Основные характеристики
- Тип товараФотореле
- Тип датчикаВстроенный датчик
- Сведения РАЭК
- Код1782106
- Класс
- НаименованиеФотореле ФР-16В (встроенный датчик)
- Дополнительные характеристики
- Степень защиты IPIP40
- Ширина устройства68
- Тип позицииЗаказная
- Кол-во в транспортной упаковке1
72d2b5bc-663a-457c-9e41-06f13b451384
Датчик фотоэлектрический NO PNP
- Основные характеристики
- Макс. выход. ток 100
- Время срабатывания2
- Тип товараСканер оптический, мощный
- Серия производителяOsiSense XU
- Сведения РАЭК
- Код52296
- КлассEC001821
- НаименованиеSE Датчик фотоэлектрический NO PNP XUX5APANT16
- Дополнительные характеристики
- Предварительное уведомление о недостаточностиНет
- С временными функциямиНет
- Макс. дистанция переключения, мм3000
- Тип напряжения DC (постоян.)
- Тип подключенияВинтовой зажим
- Материал корпусаПластик
- Конструкция корпусаПрямоуг. параллелепипед
- С рефлекторомНет
- Количество полупроводниковых выходов с сигнальными функциями1
- Тип переключающего (коммутационного) выходаPNP
- Тип функционал. переключателейНормально открытый (НО) контакт
- Длина датчика, мм77
- Ширина датчика, мм31
- Высота датчика, мм92
- Материал оптической поверхностиПластик
- Частота коммутируем. тока250
- С функцией контроля нижестоящих коммутационных аппаратовНет
- Номин. напряжение питания цепи управления Us постоян. тока DC, В12
- С блокировкой перезапускаНет
- Подходит для функций безопасностиНет
- Степень защиты IPIP65
- Температура эксплуатации, °C-25
- Тип светаИнфракрасный свет
- Аналог. выход 0…10 ВНет
- Аналог. выход 0…20 мАНет
- Аналог. выход -10В…+10 ВНет
- Аналог. выход 4….20 мАНет
- С другим аналог. выходомНет
- Способ настройкиРучная настройка
- Категория взрывобезопасности по газуНет (без)
- С коммуникационным интерфейсом AS-InterfaceНет
- С коммуникационным интерфейсом CANOpenНет
- С коммуникационным интерфейсом DeviceNetНет
- С коммуникационным интерфейсом EthernetНет
- С коммуникационным интерфейсом INTERBUSНет
- С коммуникационным интерфейсом PROFIBUSНет
- С коммуникационным интерфейсом RS-232Нет
- С коммуникационным интерфейсом RS-422Нет
- Тип позицииЗаказная
- Кол-во в транспортной упаковке1
Области рационального применения фотореле
Типовые ситуации, в которых требуется присутствие данного устройства:
- Когда включение и выключение цепи производится при помощи сигнала малой мощности;
- Когда несколько цепей должны управляться одним сигналом.
Эффективность применения фотореле обуславливается также и их универсальностью (помимо стандартной аппаратуры контроля можно использовать компьютеры или ноутбуки). Это позволяет реализовывать также и логические управляющие команды типа «если…то…».
Рассмотрим использование фотореле для уличного освещения. Технология их применения основана на использовании триггерных FEТ-переключателей.

В приведенной блок-схеме используется серия К МДП-транзисторов. В отличие от твердотельных реле, схема управляет фотодиодами напрямую. Это обеспечивает гораздо более высокие скорости переключения, поскольку время отключения питания при включении светодиода некритично. Из-за отсутствия механических составляющих поддерживается высокая компактность устройства, однако физический изоляционный барьер здесь отсутствует, а потому необходимо использовать только низковольтный управляющий сигнал.
Поскольку фотореле является альтернативой уже существующей панели дистанционного управления освещением, то прежде всего стоит подумать — а так ли уж необходима подобная замена. Если существующая система полностью соответствует электрическим нормам, то перед нагрузкой достаточно просто добавить релейную панель, и полный контроль за осветительной цепью будет обеспечен. В небольшом корпусе может быть размещено до 64 фотореле вместе с источником низкого напряжения, а рядом можно расположить панель выключателя. Чем меньше число цепей, тем более экономичным становится применение релейной панели.
Фотореле можно использовать для управления однополюсными цепями 127/220 В переменного тока и двухполюсными (208…240 В) цепями переменного тока. Релейные панели наиболее экономичны при управлении меньшими нагрузками, но имеют один недостаток — они рассчитаны на ограниченное количество циклов включения/ выключения: от 20000 до 50000 (при нормальных обстоятельствах этого хватит примерно на 5 лет).
Общий вид блочной компоновки фотореле для уличного освещения и монтажная схема приведены на следующих рисунках.
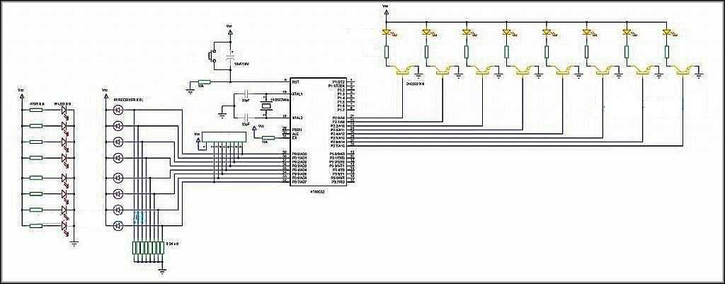
Некоторые нюансы имеются в использовании фотореле совместно с датчиками движения. Как правило, уличные фонари включаются на всю ночь. Но в ночное время уличные фонари не нужны, если нет движения. Поэтому всё чаще используют схемы, которые включают уличные фонари только при перемещения транспортного средства и некоторое время после него. Используется микроконтроллер AVR 8051 и несколько пар (чем больше, тем лучше) инфракрасных (ИК) датчиков.

Предлагаемая система состоит из микроконтроллера Atmega8, LDR, PIR-датчика и RTC. Эта система управляет уличным освещением, используя светозависимый резистор и ИК-датчик.
Уличные фонари включаются в зависимости от интенсивности светового потока, который воспринимается на LDR. Если такая интенсивность на фоторезисторах низкая, значение их сопротивления — высокое. С уменьшением общей освещённости это значение увеличивается, и, таким образом, определяет, когда уличные фонари должны включиться.
Ночью движение транспорта минимально. Это обстоятельство можно использовать для настройки контроллера. По наступлении пикового времени, когда трафика нет, фотореле отключит наружное освещение. При появлении единичного транспортного средства ИК-датчик подаст управляющий сигнал микроконтроллеру. Тот на 2…3 минуты включит освещение, после чего автоматически его выключит.



 Монтажная схема управления движением на базе фотореле
Монтажная схема управления движением на базе фотореле
Нюансы монтажа датчика освещенности
Светоконтролирующий прибор обычно монтируется поблизости с подсоединяемым к нему светильником. Для каждой модели схема подключения выбирается в соответствии с инструкцией в техпаспорте. Ее перед началом работ следует изучить в обязательном порядке.
Особых навыков для выполнения монтаж не требуется. Надо лишь все рассчитать так, чтобы осветительные электроприборы не перегрузили линию. Фотореле нагрузки на сеть практически не дает. Однако УЗО в щитке и сам фотодатчик должны быть подобраны исходя из количества и мощности подключаемых лампочек.

Существует несколько простых норм монтажа фоточувствительных реле:
- Подключать сумеречный выключатель и всю линию осветительных устройств после него рекомендуется на отдельную линию от электрощитка со своим защитным автоматом.
- Категорически запрещается устанавливать фотодатчик вверх ногами. С одной стороны он должен быть открыт солнечному свету, а с другой стороны на него должен падать свет от ламп искусственного освещения.
- Нельзя этот электроприбор монтировать возле легковоспламеняющихся материалов, вблизи нагревательного оборудования и химически активных сред.
- Если к фотореле подключается много лампочек , то в схеме необходимо предусмотреть магнитный пускатель.
Главное – свет от любых светильников не должен попадать на фотоэлемент. Иначе он постоянно будет работать не так, как положено. Фотодатчик реагирует на любой свет
Неважно, искусственное это освещение либо естественное от солнца

На корпусе фотореле есть план с цветовым обозначением всех проводов, исходящих из него. Как правило, коричневый идет на фазу со щитка («L»), синий на ноль («N»), а красный или черный – на светильник уличного освещения. Необходимо лишь зачистить концы этих жил и подключить все в соответствии с приложенной электросхемой.
Если у фотодатчика два контакта, то один из них подсоединяется к фазе со щитка, а второй идет на светильник. Ноль в этом случае отсутствует.
В ситуации подключения уличного освещения через магнитный пускатель, он подсоединяется к фотореле так же, как лампочка. А сами осветительные приборы запитываются уже от него.
В этом случае реле замыкает не питающую лампы цепь, а только пускатель. Через выключатель в такой схеме проходит минимальный ток, поэтому подойдет более дешевый и маломощный прибор. Вся нагрузка здесь перекладывается на внешний контактор.
О том, как выбрать светильники для организации уличного освещения на солнечных батареях, подробно изложено в следующей статье, с которой мы советуем ознакомиться.


























































