Каким бывает тюнинг приборной панели
Тюнинг этого элемента автомобиля можно условно отнести либо к функциональным улучшениям, либо к эстетическим. Часто автомобилисты, которые задумываются над улучшением приборной доски автомобиля, преследуют обе цели и хотят сделать панель как красивее, так и функциональнее.
Достаточно сложный, но интересный процесс тюнинга приборной панели в подробностях:
Функциональный тюнинг в первую очередь направлен либо на замену элементов управления или приборов автомобиля на более совершенные аналоги, либо попросту предусматривает добавление дополнительных приборов или элементов управления. Главной целью такого тюнинга является улучшение качества получения информации о состоянии автомобиля или о погодных или других условиях за бортом. Эстетический тюнинг же в свою очередь направлен исключительно на улучшение внешнего вида приборной панели. Естественно, что такие улучшения могут быть сделаны даже в ущерб функциональности, что далеко не всегда хорошо сказывается на автомобиле, но если человек хочет сделать что-то со своим авто, его сложно остановить.
Настройка велосипедного электронного цифрового спидометра
Как настроить спидометр на велосипеде? Довольно просто, если подойти к этому процессу с должной аккуратностью. Прежде всего, извлекаем элемент питания (если он установлен производителем). Это делаем для того, чтобы вернуть все заводские настройки в исходное положение.
Затем измеряем длину окружности переднего колеса. Сделать это можно двумя способами:
- Переворачиваем велосипед колесами вверх. Прикладываем гибкую рулетку вокруг шины. Записываем или запоминаем полученные измерения (обязательно в миллиметрах).
- Устанавливаем велосипед в вертикальное положение. Длинной линейкой измеряем диаметр переднего колеса (D). По формуле (всем хорошо знакомой со школьной скамьи) L=πD вычисляем длину окружности.
С помощью кнопок, установленных на корпусе прибора, вводим полученное значение. Теперь показания скорости будут точно соответствовать конкретному велосипеду. Небольшой погрешностью (которая появляется в результате продавливания шины под весом велосипедиста) можно пренебречь.
Далее, используя кнопку переключения режимов работы, устанавливаем точное время и пробег велосипеда (если он известен). После каждой поездки с помощью такого спидометра на велосипеде можно узнать: время начала и конца поездки, пробег, среднюю и максимальную скорости движения. Перед следующей поездкой показания обнуляем.
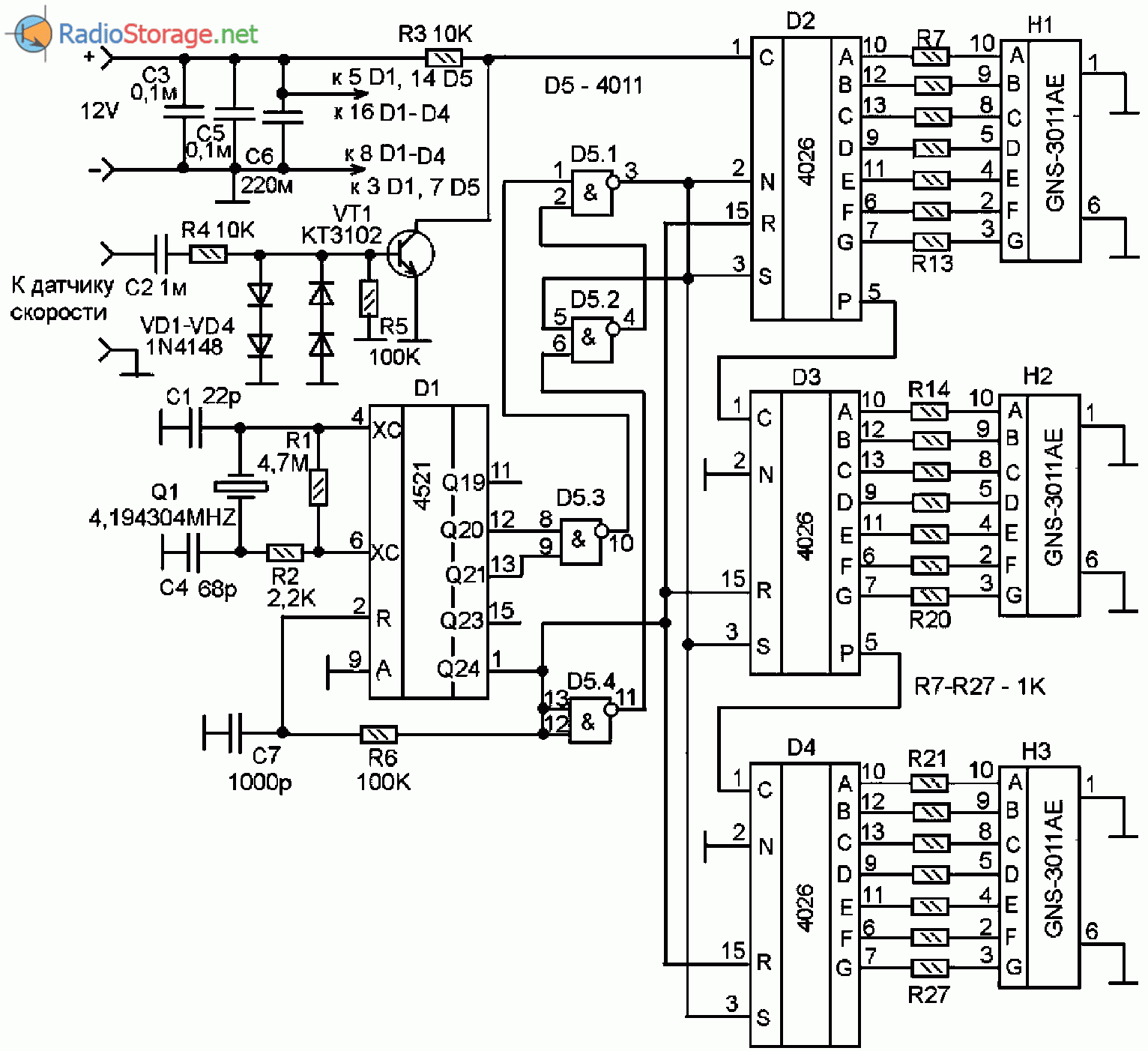
Принципиальная схема прибора
Прибор собран на микросхемах CD4521, CD4026 и CD4011. Все эти микросхемы, а так же, кварцевый резонатор и индикаторы можно приобрести на китайском сайте AliExpress (набираете в поиске, например, CD4521, и получаете несколько предложений). Во всяком случае, автор приобретал их именно через этот сайт, с почтовой доставкой.
Измерение частоты импульсов на выходе датчика скорости показало, что при скорости движения 10 км/час частота колеблется в пределах 27-30 Гц. То есть, при частоте на входе 27 Гц спидометр должен показать «10». Выходит, что период измерения должен быть 0,37 секунды.
Задающий генератор выполнен на микросхеме D1 типа CD4521. Эта микросхема содержит логические элементы для построения схемы мультивибратора и 24-х разрядный двоичный счетчик. Мультивибратор сделан кварцевый, с кварцевым резонатором на частоту 4,194304 МГц.
В результате на выводе 12 D1 логическая единица появляется первый раз через 0,125 секунды, на выводе 13 — через 0,25 секунды, на выводе 15 — через одну секунду, на выводе 1 — через две секунды.
Если объединить выводы 12 и 13 логическим элементом «2И-НЕ» (D5.3), то на его выходе будет появляться логический ноль через 0,25+0,125=0,375 секунды. То есть, чуть больше 0,37 секунды, что, учитывая допустимую погрешность спидометра, вполне приемлемо.
Измерительно — индикаторный счетчик выполнен на трех микросхемах CD4026, каждая из который представляет собой десятичный счетчик со встроенным дешифратором под семисегментный светодиодный индикатор с общим катодом.
Входные импульсы нужно подавать на вывод 1. Вход можно закрыть, подав логическую единицу на вывод 2 микросхемы. А выключить индикацию можно подав логический ноль на вывод 3.
Таким образом, чтобы начать период измерения, нужно на выводы 2 и 3 подать нули. При этом вход откроется, а индикация отключится. Чтобы начать период индикации нужно на эти же входы подать единицы, — вход закроется, а индикация включится. Поэтому у счетчика младшего разряда (D2) выводы 3 и 2 соединены.
А у остальных счетчиков выводы 2 соединены с общим минусом, чтобы их входы всегда были открыты.

Рис. 1. Принципиальная схема самодельного цифрового спидометра (частотомера).
Еще есть вывод 15 — обычный вход обнуления, для обнуления на него нужно подать единицу. Еще вывод 5 — вывод переноса для каскадирования, к нему подключается вход счетчика более старшего разряда.
Цикл начинается с нулевого состояния счетчика D1, и измерительных счетчиков. В момент обнуления RS-триггер D5.1-D5.2 установлен в состояние с логическим нулем на выводе 3 D5.1. При этом, измерительный счетчик подсчитывает импульсы, поступающие на его вход от датчика скорости. А индикаторы выключены.
Через 0,375 секунды на выходе D5.3 появляется логический ноль, и RS-триггер D5.1-D5.2 переключается в противоположное положение. Теперь на выводе 2 D2 и выводах 3 D2-D4 — логическая единица. Вход измерительного счетчика закрывается, и включаются индикаторы. Начинается период индикации.
Еще через 1,625 секунды появляется логическая единица на выводе 1 D1. Обнуляется измерительный счетчик, гасится индикация, обнуляется счетчик D1, и начинается следующий период измерения. Таким образом, период измерения длится 0,375 секунды, период индикации длится 1,625 секунды. А общий цикл составляет 2 секунды.
Если хотите ускорить работу, можно к входам D5.4 и R6 подключить вывод 15 D1 вместо вывода 1. Но тогда, субъективно, индикация скорости не такая четкая. Хотя, и показания меняются быстрее.
Спидометр, устройство и назначение
Причин, по которым автомобилисту нужно контролировать скорость транспортного средства, несколько. Главная — соблюдение скоростного режима и ПДД. Поскольку допустимая скорость по тем либо другим дорогам бывает различной, приходится постоянно сверяться с данными спидометра. Кроме того, в комплектацию спидометра входит одометр — счетный узел, который показывает расстояние, пройденное машиной за все время. С его помощью можно четко определить, когда делать замену, например, масла либо фильтров.
Данные о пробеге тоже являются не последним фактором во время приобретения подержанного автомобиля. К тому же, одометр способен показывать и промежуточные сведения о пройденном километраже. На транспорте, который не оборудован бортовым компьютером, подобная функция одометра позволяет рассчитывать расход топлива либо засекать расстояние, например, от работы до дома.
Устройство спидометра: а — скоростной узел, b — счетный узел; приводной вал (1), магнит (2), картушка (3), экран (4), спиральная пружина (5), ось (6), шкала (7), стрелка (8), длинный зуб триба (9), укороченный зуб триба (10), длинный зуб триба (11), зубья барабана (12), триб (13), барабан (14).
Сложности функционального тюнинга
Часто функциональный тюнинг ограничивается лишь заменой более старых или вышедших из строя приборов автомобиля более новыми и современными. Однако не стоит забывать и том, что к функциональному тюнингу стоит отнести и установку дополнительных элементов контроля автомобиля вроде иммобилайзера, бортового компьютера или встраиваемых дополнительных приборов. Основной проблемой при подобной доработке является не столько выбор комплектующих, сколько их грамотная установка. Чаще всего начинающим любителям тюнинга, которые в домашних условиях захотят провести такую установку, придется столкнуться с такой проблемой, как сложности в калибровке приборов. Представьте себе, что спидометр будет показывать неадекватную скорость движения автомобиля или датчик топлива обманет вас в самый неподходящий момент.
Исходный код программы (скетча)
Arduino
#include<LiquidCrystal.h>
LiquidCrystal lcd(A5,A4,A3,A2,A1,A0);
#include <Stepper.h>
const int stepsPerRevolution = 200; // число шагов на один оборот шагового двигателя, измените это число для своего двигателя
Stepper myStepper(stepsPerRevolution, 8, 9, 10, 11);
volatile byte REV;
unsigned long int rpm,RPM;
unsigned long st=0;
unsigned long time;
int ledPin = 13;
int led = 0,RPMlen , prevRPM;
int flag = 0;
int flag1=1;
#define bladesInFan 2
float radius=4.7; // в дюймах
int preSteps=0;
float stepAngle= 360.0/(float)stepsPerRevolution;
float minSpeed=0;
float maxSpeed=280.0;
float minSteps=0;
float maxSteps=maxSpeed/stepAngle;
void setup()
{
myStepper.setSpeed(60);
Serial.begin(9600);
pinMode(ledPin, OUTPUT);
lcd.begin(16,2);
lcd.print(«Speedometer»);
delay(2000);
attachInterrupt(0, RPMCount, RISING);
}
void loop()
{
readRPM();
radius=((radius * 2.54)/100.0); // преобразуем в метры
int Speed= ((float)RPM * 60.0 * (2.0 * 3.14 * radius)/1000.0);
// RPM умножаем на 60 чтобы перевести минуты в часы, диаметр шины — 2pi*r, r — радиус, деление на 1000 чтобы перевести скорость в км/ч
int Steps=map(Speed, minSpeed,maxSpeed,minSteps,maxSteps);
if(flag1)
{
Serial.print(Speed);
Serial.println(«Kmh»);
lcd.setCursor(0,0);
lcd.print(«RPM: «);
lcd.print(RPM);
lcd.print(» «);
lcd.setCursor(0,1);
lcd.print(«Speed: «);
lcd.print(Speed);
lcd.print(» Km/h «);
flag1=0;
}
int currSteps=Steps;
int steps= currSteps-preSteps;
preSteps=currSteps;
myStepper.step(steps);
}
int readRPM()
{
if(REV >= 10 or millis()>=st+1000) // данные будут обновляться каждые 10 считываний или через 1 секунду в неиспользуемом состоянии
{
if(flag==0)
flag=1;
rpm = (60/2)*(1000/(millis() — time))*REV/bladesInFan;
time = millis();
REV = 0;
int x= rpm;
while(x!=0)
{
x = x/10;
RPMlen++;
}
Serial.println(rpm,DEC);
RPM=rpm;
delay(500);
st=millis();
flag1=1;
}
}
void RPMCount()
{
REV++;
if (led == LOW)
{
led = HIGH;
}
else
{
led = LOW;
}
digitalWrite(ledPin, led);
}
|
1 |
#include<LiquidCrystal.h> LiquidCrystallcd(A5,A4,A3,A2,A1,A0); #include <Stepper.h> constintstepsPerRevolution=200;// число шагов на один оборот шагового двигателя, измените это число для своего двигателя SteppermyStepper(stepsPerRevolution,8,9,10,11); volatilebyteREV; unsignedlongintrpm,RPM; unsignedlongst=; unsignedlongtime; intledPin=13; intled=,RPMlen,prevRPM; intflag=; intflag1=1; #define bladesInFan 2 floatradius=4.7;// в дюймах intpreSteps=; floatstepAngle=360.0(float)stepsPerRevolution; floatminSpeed=; floatmaxSpeed=280.0; floatminSteps=; floatmaxSteps=maxSpeedstepAngle; voidsetup() { myStepper.setSpeed(60); Serial.begin(9600); pinMode(ledPin,OUTPUT); lcd.begin(16,2); lcd.print(«Speedometer»); delay(2000); attachInterrupt(,RPMCount,RISING); } voidloop() { readRPM(); radius=((radius*2.54)100.0);// преобразуем в метры intSpeed=((float)RPM*60.0*(2.0*3.14*radius)1000.0); // RPM умножаем на 60 чтобы перевести минуты в часы, диаметр шины — 2pi*r, r — радиус, деление на 1000 чтобы перевести скорость в км/ч intSteps=map(Speed,minSpeed,maxSpeed,minSteps,maxSteps); if(flag1) { Serial.print(Speed); Serial.println(«Kmh»); lcd.setCursor(,); lcd.print(«RPM: «); lcd.print(RPM); lcd.print(» «); lcd.setCursor(,1); lcd.print(«Speed: «); lcd.print(Speed); lcd.print(» Km/h «); flag1=; } intcurrSteps=Steps; intsteps=currSteps-preSteps; preSteps=currSteps; myStepper.step(steps); } intreadRPM() { if(REV>=10ormillis()>=st+1000)// данные будут обновляться каждые 10 считываний или через 1 секунду в неиспользуемом состоянии { if(flag==) flag=1; rpm=(602)*(1000(millis()-time))*REVbladesInFan; time=millis(); REV=; intx=rpm; while(x!=) { x=x10; RPMlen++; } Serial.println(rpm,DEC); RPM=rpm; delay(500); st=millis(); flag1=1; } } voidRPMCount() { REV++; if(led==LOW) { led=HIGH; } else { led=LOW; } digitalWrite(ledPin,led); } |
Виды спидометров
Первые спидометры появились в автомобилях еще в далеком 1901 году, но с тех пор они существенно изменились. На протяжении всего времени производители усовершенствовали эту деталь много раз, в результате чего современные автомобили оснащаются высокоточными, качественными измерителями скорости и пробега. Современные спидометры бывают двух типов:
- электрические;
- механические.
Оба варианта эффективно справляются со своей задачей, поэтому существенной разницы при выборе спидометра – нет
Но есть нюансы, на которые стоит обратить внимание. У каждого типа спидометра есть свои преимущества и недостатки, учитывая который стоит принимать окончательное решение
Автомобильный цифровой спидометр на PIC16F628. Схема
Приведенный в данной статье автомобильный цифровой спидометр, возможно, установить в автомобиле взамен заводского аналогового спидометра обрабатывающего сигналы, поступающие от стандартного датчика скорости.
Описание работы цифрового спидометра
Устройство спроектировано на основе широко известного микроконтроллера PIC16F628A. Для отображения измеренной скорости применен светодиодный индикатор имеющий высоту знака равного 25,4 мм с общим катодом (SC1021YWA – цвет свечения желтый). Данный цифровой спидометр подключается к тому же разъему, что и штатный аналоговый спидометр.
Путем нажатия на кнопку SA2 есть возможность менять степень свечения цифрового индикатора, каждое нажатие на SA2 сопровождается акустическим сигналом. Если дверь автомобиля закрыта не до конца на вход 2 PIC16F84A поступает низкий уровень напряжения. При скорости движения автомобиля более девяти километров в час, звучит прерывистый акустический сигнал и на дисплее на полную яркость высвечивается надпись «dor».
Питание схемы цифрового автомобильного спидометра осуществляется непосредственно от клеммы замка зажигания. Схема индикации построена так, что незначащие нули гаснут. С схеме применен звукоизлучатель с встроенным генератором, имеющий частоту звучания в районе 1400 Гц. и рассчитанный на работу от 5 вольт.
Существуют несколько видов датчиков скорости, все они отличаются друг от друга количеством импульсов на 1 километр пробега автомобиля. Прошивка, которую нужно записать в память PIC16F84A посредством pic программатора, обрабатывает входной сигнал 5 типов датчиков, вырабатывающие 2500, 4000, 6000, 8000 и 10000 импульсов на 1 километр пробега.
Чтобы активизировать необходимый режим, нужно установить перемычку SA1. Включить питание и нажать на 2 сек. кнопку SA2. Каждое нажатие будет соответствовать: от 1 (2500) до 5 (10000) и далее по кругу. Если после последнего нажатия прошло более 3 сек., то спидометр выдаст звуковой сигнал, указывая на то, что выбранный режим был записан в память микроконтроллера. После этого необходимо убрать перемычку SA1 и теперь спидометром можно пользоваться.
И еще, не забывайте следить за аккумулятором своего автомобиля. В случае его непредвиденной разрядки его можно зарядить автоматическим зарядником.
Скачать файлы к схеме (986,3 Kb, скачано: 2 654)
- «Схемотехника», 01/2007
- www.chipmk.ru
Рекомендации экспертов
Некоторые рекомендации экспертов касательно диагностики и ремонта АС:
- Диагностика причины выхода из строя узла должна начинаться с визуального осмотра датчика скорости, а также проводки, подключаемой к нему. Как показывает практика, часто причина кроется в обрыве проводки, в частности, в месте рядом со штекером.
- В том случае, если контроллер покрыт пылью или маслом, нужно произвести его демонтаж и тщательно протереть. Затем датчик можно поставить на место и попробовать проверить работоспособность АС. Есть вероятность, что после этих действий АС будет работать в нормальном режиме.
- Ездить с неработающим АС ни в коем случае нельзя, поэтому если обнаружены неполадки в его работе, а проверить самостоятельно не получается, необходимо обратиться за помощью к специалисту.
Извините, в настоящее время нет доступных опросов.
ЦИФРОВОЙ СПИДОМЕТР
|
Недавно собрал цифровой спидометр, подходящий для любого автомобиля, схема данного спидометра весьма популярна на страницах интернета, она содержит минимум деталей. Построен спидометр на микроконтроллере Pic16F84A, на фотография микроконтроллер в iso корпусе, так как в дип корпусе в магазине не оказалось. Сигнал поступает от датчика скорости на 6 импульсов за оборот, в данном случае использовал датчик скорости от ВАЗ-2110. Также прилагаю программу, файлы разводки печатной платы в формате lay. Ниже приведены, схема, фотографии моего исполнения и небольшой видеофрагмент работы спидометра.
Для программирования нужно все, что находится между строчками с «тире», в любом текстовом редакторе сохранить в виде файла с расширением .hex, и дальше программатором – «прошить» в микропроцессор. В качестве индикаторов использованы три семисегментных блока SA08-11 с высотой знака 20.3 мм фирмы «Kingbright». Цвет – ярко красный. Напомню, что семисегментники в данном случае берутся с общим анодом. Индикаторы включены по схеме динамической индикации, их аноды управляются через ключи на транзисторах КТ646. Можно применять и другие, например, КТ815. Одноименные (a, b, c, d, e, f, g) катоды соединяются параллельно у всех трех индикаторов. При правильной сборке, цифровой спидометр начинает работать сразу без каких либо настроек. Автор конструкции: Иван Федоров. |
Не забудьте поделиться с друзьями
Это тоже полезно посмотреть:
|
Стоит ли устанавливать игры на SSD диск?
|
|
ЧИСТКА И РЕМОНТ НОУТБУКА ASUS
Самостоятельный ремонт ноутбука ASUS X50SL — очищаем от пыли вентилятор с радиатором процессора и ставим новые драйвера. |
Устройство для проверки электронных спидометров
В статье приведено описание простого генератора на 555-ом таймере, с помощью которого можно проверить работоспособность и правильность показаний электронных спидометров, использующих в качестве датчика оборотов электронный датчик Холла.
Во многих современных автомобилях, таких как «ГАЗель» (ГАЗ 2705, 33021), «Волга», КРАЗ и других используются электронные спидометры с микроамперметром и шаговым двигателем. Такие спидометры работают в комплекте с электронным датчиком Холла, установленным на коробке передач. При движении автомобиля датчик приводится во вращение от шестерни вторичного вала коробки передач. За один оборот вала датчика вырабатывается шесть импульсов электрического тока.
Эти импульсы поступают в схему спидометра. Индикатором скорости в спидометре является микроамперметр. Кроме того, усиленные импульсы отдатчика подаются на шаговый электродвигатель, который вращает барабанчики указателей пройденного пути.
Согласно технической документации, с которой можно ознакомиться в , для проверки исправности такого спидометра необходимо с генератора сигналов Г5-54 подать на вход подключения к спидометру датчика Холла импульсы прямоугольной формы положительной полярности амплитудой 6…7 В, длительностью 200…250 мкс и частотой 100…200 Гц. Если же пользователю или слесарю автопарка не важна высокая точность проверки показаний спидометров, а необходимо лишь иногда проверять их работоспособность, то с этой задачей может легко справиться предлагаемая автором конструкция простого генератора прямоугольных импульсов.
Принципиальная электрическая схема генератора показана на рис.1. Он собран на микросхеме универсального таймера 555. Схема включения типовая. Номиналы элементов С2, R2-R4 подобраны таким образом, чтобы получить на выходе меандр частотой 100…200 Гц. Требуемую частоту импульсов собранного генератора можно отрегулировать подстроечным резистором R3. Схема рассчитана на использование в автомобилях с напряжением бортовой сети 12 В. Если же напряжение бортовой сети автомобиля составляет 24 В (например, в КРАЗ), то схему необходимо дополнить интегральным стабилизатором DA2, включив его в разрыв цепи питания так, как показано на схеме пунктиром.
Конструкция и детали Все элементы схемы собраны на печатной плате из односторонне фольгированного стеклотекстолита размерами 30×20 мм. Чертеж печатной платы и схема расположения элементов показаны на рис.2. Для удобства повторения чертеж показан со стороны фольги. В конструкции применены выводные радиокомпоненты, устанавливаемые вертикально. Особых требований к ним не предъявляется. К точкам XT 1-ХТЗ припаивают проводники, на другом конце которых устанавливают разъем, аналогичный разъему подключения датчика Холла. На этот разъем выведены все необходимые для работы генератора цепи: плюс/минус питания и вход спидометра. Печатную плату устанавливают в подходящем электрически изолированном корпусе. Автор использовал для этой цели отрезок пластикового кабельного короба сечением 25×16 мм.
Сборка, наладка и использование Правильно собранный генератор в наладке не нуждается
Следует обратить внимание на правильность соединения выводов разъема, так как при случайном попадании питающего напряжения на выход генератора он выйдет из :;0 строя. Для настройки устройства нет необходимости использовать радиоизмерительные приборы
Достаточно иметь заведомо исправный спидометр. Устройство подключают вместо датчика Холла и подстроечным резистором R3 добиваются желаемого показания спидометра, например 60 км/ч. Если диапазона регулирования окажется недостаточно, то для увеличения граничной частоты генератора следует немного уменьшить сопротивление резистора R4, а для ее уменьшения – увеличить.
Конструкция, достоинства и недостатки механического велосипедного спидометра
Вам будет интересно:Как выбрать проектор для домашнего кинотеатра?
Механический спидометр на велосипеде старого советского образца представлял собой ролик, плотно прилегающий к шине переднего колеса и соединенный тросиком с указателем скорости. Небольшая «восьмерка» или налипшая грязь приводили к тому, что показания становились недостоверными или вообще способствовали выходу прибора из строя.
Конструкция современных механических спидометров достаточно проста и надежна. Такое приспособление состоит всего из трех частей:
- привода;
- троса;
- стрелочного прибора.
К несомненным достоинствам таких измерителей скорости относятся:
- отсутствие элементов питания;
- независимость показаний от влияния электромагнитных полей.
Основные недостатки механического спидометра для велосипеда:
- Изделие не универсально и предназначено для установки только на велосипед с определенным размером переднего колеса. Поэтому перед приобретением необходимо обязательно внимательно ознакомиться с инструкцией по эксплуатации.
- Такие спидометры можно устанавливать не на все модели велосипедов.
- Для надежной и долгосрочной работы устройства тросик необходимо периодически смазывать.
Работа схемы
Схема аналогового спидометра на основе платы Arduino представлена на следующем рисунке.

В схеме мы будем использовать ЖК дисплей 16×2 для отображения скорости в цифровой форме и шаговый мотор, с помощью вращения которого будет показываться скорость в аналоговой форме.
ЖК дисплей подключен к следующим контактам платы Arduino:
RS — A5
RW — GND
EN — A4
D4 — A3
D5 — A2
D6 — A1
D7 — A0
Резистор 2,2 кОм используется для установки яркости ЖК дисплея. Модуль инфракрасного датчика (IR sensor module), который используется для определения числа оборотов лопастей вентилятора, подключен к контакту D2 платы Arduino, который в данном случае используется как вход внешнего прерывания 0 (interrupt 0).
В качестве драйвера мотора мы использовали модуль L293N. Контакты IN1, IN2, IN3 и IN4 драйвера шагового двигателя непосредственно подключены к контактам D8, D9, D10 и D11 платы Arduino.
Подмотка спидометра — Схема-авто — поделки для авто своими руками
Довольно востребованное устройство среди автолюбителей — подмотчик спидометра. Схемы таких устройств можно реализовать на основе микросхем генераторов или логики. Сегодня представлю две простые схемы подмотчиков, который позволяет отмотать пройденные километры вашего железного коня.
Как подмотать спидометр своими руками
Первая схема построена на популярной микросхеме NE555 или просто таймер 555.

Ничего сложного, стандартный вариант подключения. Номиналы используемых компонентов можно отклонить в большую или меньшую сторону на 10-15%.
Сам таймер стоит копейки, имеет множество аналогов, в том числе и отечественный аналог КР1006ВИ1. Переменный резистор на 10 килоом отвечает за частоту импульсов, конденсатор 200 пик — за их длительность.
Вторая схема построена на логической микросхеме (CD4011). Тут в обвязке еще меньше компонентов, помимо самой логики использован еще один компонент — силовой транзистор обратной проводимости. Выбор транзистора не критичен, его можно заменить на отечественные КТ815, КТ805, КТ819, КТ829, или из линейки импортных MJE13003, 13005, 13007, 13009, BD139 (последний является полным аналогом нашего КТ815Г)
Кстати, Если вы хотите купить готовую подмотку то заходите на сайт www.podmotki.ru. На нём вы найдёте множество вариантов на все виды автомобилей.
.Автор; АКА КАСЬЯН
GPS Speedometer, Distance Meter (измеритель расстояния)
Приложение позволяет измерять скорость движения при ходьбе, беге или езде на велосипеде, автомобиле, а также пройденное расстояние. Если скорость выше предельно допустимой, GPS Speedometer подает вибрационный или звуковой сигнал.
При помощи настроек можно:
- изменить единицы расстояния или скорости – мили или км;
- настроить значение допустимой скорости для уведомления;
- включить или отключить вибрацию и/или звонок;
- поменять мелодию и громкость оповещения;
- включить режим День / Ночь;
- работать с программой в фоновом режиме;
- изменить язык интерфейса.
В приложении имеется реклама.
Pro-версия приложения отсутствует.



























———————————————— :020000040000FA :10000000850186018B018101640083160030850023 :100010000130860046308100831202309400423065 :10002000920002309100FE3093000A308E008F0063 :10003000900078308C008B109F3081000B118B1C4E :100040002E288E0B2D280A308E008F0B2D280A307B :100050008F00900B2D280A3090008B100B1D1F284D :100060000310940C141C38280830940014308400B9 :100070008501840300088600140885008C0B1C2869 :100080008D0110084C2092000F084C2091000D1497 :100090000E084C20930015280A3C031D51280D1C06 :1000A00054280D1456200800FE3008000F3982072E :1000B00002349E3424340C349834483440341E3492 :1000C000003408347E34BE34DE34EE34F634FA3490 :02400E00F23F7F :00000001FF ————————————————


Данная статья описывает преимущества SSD накопителей для приложений и игр. Также здесь выполняется сравнение между достоинств данного накопителя с устаревшим аналогом.
































