Принципиальная схема
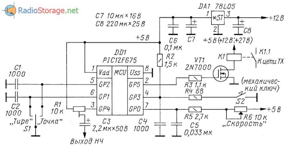
Оба устройства выполнены на восьмиразрядном микроконтроллере PIC12F675 . В первом варианте использован внутренний калиброванный RC-генератор микроконтроллера частотой 4 МГц, обеспечивающий достаточную стабильность скорости передачи по времени и малое энергопотребление. Скорость передачи регулируется от 17 до 50 слов в минуту (60.200 знаков/мин) переменным резистором R6.

Рис. 1. Схема телеграфного ключа на микроконтроллере, предназначен для индивидуальных тренировок и обучения.

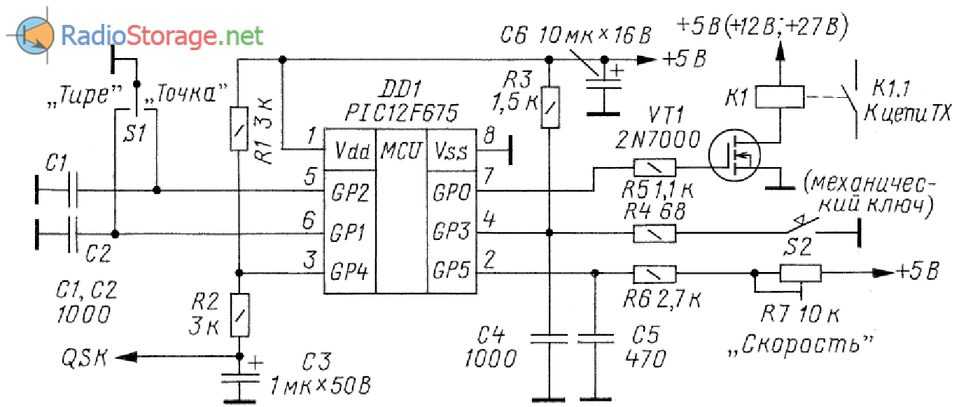
Рис. 2. Схема телеграфного ключа на микроконтроллере для встраивания в трансивер.
Во втором варианте ключа пределы изменения скорости передачи такие же, а регулируется она переменным резистором R7.
Алгоритм работы ключа определён программой, записанной в память микроконтроллера. Строго выдерживается стандартное соотношение длительностей точек, тире и пауз 1:3:1.
Для прослушивания сигнала к НЧ-выходу ключа можно подключить либо внешний усилитель, либо компьютерную микротелефонную гарнитуру с сопротивлением головных телефонов 100.600 Ом.
Тональный сигнал имеет фиксированную частоту около 750 Гц. В предлагаемых вариантах ключа нет возможности записывать и передавать макросы (по мнению автора, с этим лучше справляется компьютер), но есть ямбический режим. Принято считать, что существуют два ямбических режима — А и В. Режим А предназначен для работы на двухрычажном манипуляторе.
Нажатие обоих рычагов приводит к чередованию тире и точек, начиная со знака, рычаг которого нажат первым. При использовании однорычажного манипулятора ямбический режим А не действует.
Ямбический режим В отличается только наличием памяти знака, которая действует и при использовании однорычажного манипулятора. В обоих вариантах ключа предусмотрены оба ямбических режима.
Возможна работа и с традиционным ключом Морзе (так называемым «коромыслом») S2. Ключ, собранный по схеме на рис. 1, потребляет от стабилизатора DA1 в режиме ожидания ток 1,24 мА, при передаче серии точек со скоростью примерно 100 знаков/мин — 3 мА, при длительном нажатии — 6 мА.
Его работоспособность сохраняется при понижении напряжения питания до 3 В. Тон сигнала при этом повышается до 800 Гц, а скорость передачи фактически остаётся прежней.
Как прошивать ключи?
Многие чипы для домофонов выполнены в форме таблетки. Чтобы дверь открылась, поверхность «таблетки» прикладывается к считывающему устройству. Внутри такого механизма отсутствует магнитное поле, а функционирует прибор за счёт энергонезависимой памяти. Символы цифрового шифра вводятся в неё в определённой последовательности. Перезапись ключей такого типа происходит при помощи дубликатора tmd, считывающего шифр и воссоздающего его на базе чистого ключа. Система RFID устроена таким образом, что передаёт шифр при помощи определённой радиочастоты.
Схема чипа содержит колебательный контур, при активации которого информация из памяти через пространство передаётся на считывающий механизм. Сигнал, вызывающий колебания контура, поступает непосредственно с дубликатора или домофонной антенны. Дальнейший принцип копирования шифра в память и его воспроизведение оттуда происходит по аналогии с функционированием классического контактного устройства. Единственный отрицательный аспект заключается в том, что дубликатор прописывает в памяти только конкретный тип цифрового сигнала. Но есть и универсальные устройства, которые можно настроить на взаимодействие с любым видом цифровых данных.
Аппаратная часть
Для набора кода понадобится библиотека LiquidCrystal_I2C.h в Arduino IDE. Библиотека позволяет подключить ЖК-дисплей к Ардуино. Встроенная библиотека LiquidCrystal_I2C позволяет легко отображать символы на ЖК-дисплее.
Следуйте приведенным ниже инструкциям, чтобы установить новую библиотеку в свою среду разработки Arduino.
- Сначала загрузите файлы из Github .
- Извлеките из архивов каждую папку.
- Скопируйте ZIP-файлы в папку Ардуино.
- Откройте Ардуино и добавьте Keypad.zip:: Меню эскиза> Включить библиотеку> Добавить. ZIP-библиотеку.
- Добавить библиотеку клавиатуры: меню «Эскиз»> «Включить библиотеку»> «Клавиатура».
Копирование идентификатора
Самые простые системы Mifare можно взломать, сделав дубликаты ключей. SMKey отлично подойдет для такой цели. Копирование ключей Mifare происходит следующим образом:
- Копировальщик делает дубликаты меток с закрытыми отделами.
- Полученные данные после используются для переноса на заготовки под ключ, заменяющие оригинальные брелоки.
Процесс копирования
Изначально на основании всей информации из считывателя рассчитывается криптоключ. Mifare-ключи не нужно подбирать, поэтому процесс осуществляется гораздо быстрее чем обычно. При помощи программы производится копирование основных меток MF Classic 1K и Ultralight. Частота выполнения процедуры составляет 13,56 МГц.
Метки MF Classic копируются, после чего программа-дубликатор брелоков от домофона Mifare записывает все полученные данные на заготовленный брелок. MF Zero и MF OTP считаются самыми популярными моделями для заготовок. Они позволяют однократно записать UID, благодаря чему можно обходить фильтры систем считывание идентификационных данных Iron Logiс. Дублированные метки Ultralight переписываются на заготовки типа MF UL.
Вся дублированная база данных может храниться на пользовательском компьютере с целью создания следующих дубликатов ключей. Это делается при помощи особой программы iKeyBase, работающей под основными операционными системами.
Программирование ключа домофона
Намеренно испортить ключ домофона довольно сложно, но возможно. Итак, что может произойти? Магнитный ключ для домофона (дубликат) понадобится, если бесконтактные карточки или браслеты сломались из-за изломов или перегибов. Размагничивание подобных ключей от нахождения рядом с телефоном или пластиковыми картами невозможно.
Испортить «таблетки» можно путём воздействия сильного напряжения, например, поместив их в микроволновку. Они достаточно прочные, редко выходят из строя. Однако если у вас несколько ключей для разных подъездов, их можно объединить, используя так называемый универсальный домофонный ключ.
Три способа изготовить копию ключа :
- Изготовление домофонных копий проводится специализированной организацией или у мастера, который сделает это за несколько минут при предъявлении оригинала. Сделать дубликат быстро и качественно можно в офисе StarNew в Москве (м. Дубровка), где вы легко подберёте заготовку на любой вкус и возраст: это могут быть изображения мультяшных героев, стильная кожаная обработка, пластик.
- Изготовить ключ домофона можно самостоятельно. Для этого нужно знание основ программирования и электромеханики. Однако наличие дубликатора значительно упрощает задачу. Он считывает код оригинального ключа от домофона, а затем записывает его на заготовку. Копия ключа получится, если знать модель и марку домофона. Большой выбор дубликаторов, заготовок на сайте.
- Возможно переписать индивидуальный код в чип таблетки самостоятельно. Как программировать копию ключа от домофона смотрите в видео
Чем больше квартир мы посещаем (родители, близкие люди), тем больше ключей для подъездных дверей требуется. Можно использовать один домофонный ключ, прописав его в считывателе кодовых замков или внеся его в список всех контроллеров. Подобрать заготовку, домофонный ключ, подходящий к нему дубликатор поможет таблица.
Предназначение дубликатора домофонных ключей
С помощью микроконтроллера Arduino можно копировать домофонный ключ, если случайно его потерял.
RFID – радиочастотная идентификация. Устройство выполняет ту же функцию, что и штрих-код или магнитная полоска на задней стороне кредитной карты. Он предоставляет уникальный идентификатор для этого объекта. И так же, как штрих-код или магнитная полоса, RFID должен быть отсканирован для получения информации.
RFID используется в этом проекте для чтения данных из RFID-меток и отправки информации в энергонезависимую память MCU.
Идентификатор, считываемый из тегов, сравнивается с хранимой информацией, и если он совпадает, то дверь открывается.
Электронный замок с ключём-таблеткой i-Button (DS1990A)
Рейтинг: 5 / 5
- Подробности
- Категория: схемы на PIC
- Опубликовано: 02.04.2017 08:17
- Просмотров: 1766
Здесь представлена схема электронного замка, в котором в качестве ключа используется устройство DS1990A(Touch Memory). Touch Memory типа DS1990A представляет собой пассивное устройство (без внутреннего источника питания), которое имеет записанное с помощью лазера ПЗУ(ROM), содержащее уникальный серийный номер.
Для считывания данных с DS1990A используется 1-проводная шина фирмы DALLAS. DS1990A является подчинённым устройством, а мастером является обычно микропроцессор(микроконтроллер). Питание DS1990A во время обмена данными производится от 1-проводной шины. Эквивалентная схема интерфейсной части DS1990A показана на рисунке:

Оставлять комментарии могут только зарегистрированные пользователи
Производство дубликатора домофонных ключей своими руками
Копировальщик домофонных ключей при желании можно изготовить своими руками. Для этой цели понадобится микроконтроллер Ардуино. Чтобы изготовить такое устройство, потребуется следующий комплект устройств:
- модуль Arduino Nano, на который будет осуществляться запись информации, и её дальнейшая обработка;
- плата RFID RC522, предназначенная для считывания кодов модуля и перераспределения информации в микроконтроллер;
- LED элементы для монитора (2 шт.);
- резисторы величиной 330 Ом;
- клавиатурный блок 4*4;
- ЖК экран LCD16X2BL;
- адаптер для ЖК дисплея I2C (LCM1602), преобразующий монитор в формат совместимости с модулем Arduino Nano;
- пьезоэлектрический зуммер.
ЖК дисплей объединён с контактной группой адаптера с помощью 16 контактов с нумерацией на каждом из модулей.
От модуля rf ID RC522 отходят несколько проводков разного цвета к адаптеру монитора:
- чёрный — к контакту GND;
- красный — к контакту VCC (+).
Провода, обеспечивающие управление, припаиваются в контактам SCL и SDA. LED механизмы объединяют с резисторами ограничения тока.
Как функционирует дубликатор ключей от домофона
Копировщик rfid ключей — электронный механизм, позволяющий считывать специальный шифр, записанный на магнитном носителе. Его дубликат в случае утери магнитного ключа легко получить, перезаписав на чистый магнитный носитель.
Чтобы понимать, как работает дубликатор домофонных ключей, нужно обратить внимание на его конструкцию. Внешне механизм похож на корпусный блок с несколькими комплектующими
В его составе есть:
- контактная пластина, обеспечивающая связь ключа со считывающим механизмом;
- приёмная антенна моделей домофонных ключей бесконтактного типа;
- клавиши и кнопки для эффективного управления, помогающие выбирать режим работы, включать и отключать рабочее устройство;
- индикаторы (например, жидкокристаллический экран с отображением символов или световая индикация);
- гнездо, через которое осуществляется питание устройства.

Классический программатор домофонных ключей сконструирован на базе микроконтроллера с несколькими функциональными деталями внутри:
- ячейка памяти;
- устройство, усиливающее сигнал;
- система питания;
- выводы по сигналам, отражающим состояние рабочего устройства.
Принцип работы программатора таков:
- активация микроконтроллера происходит после поступления электропитания на дублирующее устройство, а на его экране появляется один из 2-х возможных режимов: ожидание/выбор программы;
- электронный чип подносят к устройству и активируют приём сигнала специальной кнопкой;
- происходит считывание последовательного сигнального кода с помощью контроллера с последующей его записью в памяти;
- далее прибор для копирования домофонных ключей должен записать считанный сигнал на чистую магнитную «таблетку» и для этого её подносят непосредственно к устройству;
- с помощью дубликатора закодированный сигнал в нужной последовательности записывается в память магнитного носителя.
Все вышеперечисленные действия реализуются всего за несколько секунд. Чтобы проверить корректность записанного сигнала, чип тестируют непосредственно на домофоне.
Как работает
Каждый ключ Mifare оснащен индивидуальным номером идентификации, памятью с возможностью перезаписывания. Идентификационный номер не нуждается в защите и не является секретным. В некоторых случаях указывается на брелоке или карте. Доступ к памяти ключа надежно защищен.
Считывание данных из карты памяти и запись информации на нее осуществляется исключительно при наличии специальных кодов доступа. Данные, которые передаются между ключом и считывателем зашифрованы. Считыватели одновременно распознают как UID-код, так и информацию, расположенную в зашифрованной памяти. Недорогие системы доступа не обладают такой возможностью и считывают только UID.
UID – это не секретный идентификатор, поэтому сделать дубликат ключа не составит труда. Нужно лишь переписать данные UID, которые обеспечивают доступ в данное место. Дорогие считывающие системы поддерживают работу с двумя способами идентификации одновременно – с памятью и UID, поэтому копирование Mifare, взлом или кража данных в таких системах становится практически невозможной задачей.
3Запись идентификатора ключа Dallasс помощью Arduino
Теперь напишем скетч для записи данных в память ключа iButton.
Скетч записи ключа iButton с помощью Arduino (разворачивается)
#include <OneWire.h> // подключаем библиотеку
const int pin = 10; // объявляем номер пина
OneWire iButton(pin); // объявляем объект OneWire на 10-ом пине
// номер ключа, который мы хотим записать в iButton:
byte key_to_write[] = { 0x01, 0xF6, 0x75, 0xD7, 0x0F, 0x00, 0x00, 0x9A };
void setup(void) {
Serial.begin(9600);
pinMode(pin, OUTPUT);
}
void loop(void) {
delay(1000); // задержка на 1 сек
iButton.reset(); // сброс устройства 1-wire
delay(50);
iButton.write(0x33); // отправляем команду "чтение"
byte data; // массив для хранения данных ключа
iButton.read_bytes(data, 8); // считываем данные приложенного ключа, 8х8=64 бита
if ( OneWire::crc8(data, 7) != data ) { // проверяем контрольную сумму приложенного ключа
Serial.println("CRC error!"); // если CRC не верна, сообщаем об этом
return; // и прерываем программу
}
if (data & data & data & data & data & data & data & data == 0xFF) {
return; // если ключ не приложен к считывателю, прерываем программу и ждём, пока будет приложен
}
Serial.print("Start programming..."); // начало процесса записи данных в ключ
for (int i = 0; i }
// Инициализация записи данных в ключ-таблетку iButton:
void send_programming_impulse() {
digitalWrite(pin, HIGH);
delay(60);
digitalWrite(pin, LOW);
delay(5);
digitalWrite(pin, HIGH);
delay(50);
}
Не забудьте задать номер своего оригинального ключа в массиве key_to_write, который мы узнали ранее.
Загрузим этот скетч в Arduino. Откроем монитор последовательного порта (Ctrl+Shift+M). Подключим к схеме ключ, который будет клоном оригинального ключа. О результате программирования монитор последовательного порта выведет соответствующее сообщение.
Если данный скетч не сработал, попробуйте заменить код после Serial.print(«Start programming…») и до конца функции loop() на следующий:
Дополнительный скетч записи ключа iButton с помощью Arduino (разворачивается)
delay (200);
iButton.skip();
iButton.reset();
iButton.write(0x33); // чтение текущего номера ключа
Serial.print("ID before write:");
for (byte i=0; i<8; i++){
Serial.print(' ');
Serial.print(iButton.read(), HEX);
}
Serial.print("\n");
iButton.skip();
iButton.reset();
iButton.write(0xD1); // команда разрешения записи
digitalWrite(pin, LOW);
pinMode(pin, OUTPUT);
delayMicroseconds(60);
pinMode(pin, INPUT);
digitalWrite(pin, HIGH);
delay(10);
// выведем ключ, который собираемся записать:
Serial.print("Writing iButton ID: ");
for (byte i=0; i<8; i++) {
Serial.print(key_to_write, HEX);
Serial.print(" ");
}
Serial.print("\n");
iButton.skip();
iButton.reset();
iButton.write(0xD5); // команда записи
for (byte i=0; i<8; i++) {
writeByte(key_to_write);
Serial.print("*");
}
Serial.print("\n");
iButton.reset();
iButton.write(0xD1); // команда выхода из режима записи
digitalWrite(pin, LOW);
pinMode(pin, OUTPUT);
delayMicroseconds(10);
pinMode(pin, INPUT);
digitalWrite(pin, HIGH);
delay(10);
Serial.println("Success!");
delay(10000);
Здесь функция writeByte() будет следующей:
int writeByte(byte data) {
int data_bit;
for(data_bit=0; data_bit<8; data_bit++) {
if (data & 1) {
digitalWrite(pin, LOW);
pinMode(pin, OUTPUT);
delayMicroseconds(60);
pinMode(pin, INPUT);
digitalWrite(pin, HIGH);
delay(10);
} else {
digitalWrite(pin, LOW);
pinMode(pin, OUTPUT);
pinMode(pin, INPUT);
digitalWrite(pin, HIGH);
delay(10);
}
data = data >> 1;
}
return 0;
}
Временную диаграмму работы скетча записи идентификатора ключа показывать бессмысленно, т.к. она длинная и не поместится на рисунке. Однако файл *.logicdata для программы логического анализатора прикладываю в конце статьи.
Ключи для домофона бывают разных типов. Данный код подойдёт не для всех ключей, а только для RW1990 или RW1990.2. Программирование ключей других типов может привести к выходу ключей из строя!
При желании можно переписать программу для ключа другого типа. Для этого воспользуйтесь техническим описанием Вашего типа ключа (datasheet) и изменить скетч в соответствии с описанием. Скачать datasheet для ключей iButton можно в приложении к статье.
Кстати, некоторые современные домофоны читают не только идентификатор ключа, но и другую информацию, записанную на оригинальном ключе. Поэтому сделать клон, скопировав только номер, не получится. Нужно полностью копировать данные ключа.
Виды домофонных ключей
Чаще всего ключи от домофона представлены двумя видами: контактные и бесконтактные. В провинциальных городах ещё можно встретить третий вид – оптический, то есть пластина с отверстиями, насверленными в определенном порядке. Эта разновидность ключей домофона вышла из употребления, так как откроет такую дверь даже ребёнок.
| Вид | Модель | |
| Контактные | Таблетка
Touch Memory (TM) или iButton |
Dallas, Vizit, Eltis, Z-5R, Cyfral, Metakom |
| * Резистивные (считывают сопротивление | Cyfral | |
| * Оптический (встречаются очень редко, не защищают, так как легко вскрыть такую дверь) | Cyfral | |
| Бесконтактные | Капельки, брелоки, браслеты | Proximity (MiFare, EM-Varin, HID)
Vicinity |
| Магнитные карты (встречаются в банках) | Wiegand | |
| (российское производство) | Сейф-Сервис |
Небольшие населённые пункты чаще используют контактные домофонные ключи в форме таблеток, представляющие собой постоянное запоминающее устройство (ПЗУ) с идентификатором.
Бесконтактные домофонные ключи не нужно подносить к двери, они открывают её с расстояния при помощи посылаемых электронных сигналов. Такой домофонный ключ встречается в общественных местах или офисных помещениях. Его преимущество заключается в свободе рук, отсутствии поиска электронных ключей в кармане.
Описание работы дубликатора
При запуске копировальщик достаёт из eeprom последний сохранённый туда ключик и показывает на дисплее количество ключей в EEPROM, шифр ключа и его тип. Максимум в дубликатор можно сохранить 20 разных ключей. Rgb диод светит зелёным, т.е ключ уже можно писать на болванку. Если в EEPROM было пусто, на экране будет соответствующая надпись, в ожидании чтения ключа. Чтобы выбрать из EEPROM другой ключ , достаточно покрутить энкодер вправо или влево.
Если вы хотите сохранить в EEPROM прочитанный ключ, просто удерживайте нажатым энкодер несколько секунд. Если в EEPROM уже записаны все 20 ключей, то самый старый из них затирается. Если повторно пытаться сохранить в EEPROM ключ, который там уже есть — запись не происходит, а просто выбирается индекс уже сохраненного ключа.
Для перевода в режим записи жмём на кнопку энкодера — светится красный диод. Ключ который отображается на дисплее будет записан на болванку.
Теперь немного про ключи цифрал и метаком. Для копирования таких ключе нужна спец болванка тм-01а. Дубликатор умеет делать финализацию таких ключей, и они ничем не будут отличаться от исходных.
Но и это ещё не всё! Я прикинул, а что если сделать эмулятор rfid ключа? У меня есть девайс, который может хранить до 20 разных ключей, в нем есть мозги и рамка, как в обычном ключе. С манчестерским кодом я уже разобрался…. Короче, жмём на кнопку энкодера и переключаемся в третий режим — blueMode. Достаточно поднести дубликатор к домофону и … опа.. дверь открывается! Магия!
ПОДДЕРЖАТЬ АВТОРА
Если вам понравился проект — поддержите автора!
Если вам нравится самоделка, но чувствуете, что сил сделать самому пока не достаточно — можете заказать самоделку в авторском исполнении.
- Дубликатор 3200 руб
- Комплект для самостоятельной сборки 2300 руб
Доставка в ваш город составляет примерно 250 руб и уже входит в стоимость.
Заказать самоделку
В заказе будет особая авторская прошивка. Вырученные средства пойдут на на закупку материалов для новых проектов, оборудования для съемки, содержание сайта и доменного имени.
Бесконтактные копировщики
Бесконтактные дубликаторы представлены 3-мя модификациями.
- Программаторы tmd, формирующие стандарт радиочастотной идентификации Indala, HID, EM-Marin.
- Дубликаторы, сочетающиеся с устройствами стандарта ТКРФ и ТЕХ-КОМ.
- Копировальщики, которые поддерживают стандарт Mifare.
Универсальные механизмы программирования
Программировать дубликаты ключей можно на универсальных устройствах. С их помощью можно не только создать копию цифрового ключа, но и получить набор дополнительных полезных функций:
- база памяти;
- возможность обновления;
- генерация символьных шифров.
Обновляющая функция позволяет подстраивать программную базу под новые, оригинальные модификации чипов, чтобы в дальнейшем устройство могло делать их дубликаты. База памяти обеспечивает возможность создавать дубликаты ключей без наличия оригинального устройства. Код ключа попадает во встроенную базу после первой же прошивки. В дальнейшем его можно будет найти и использовать для создания других дубликатов.
Генерирование кодов помогает записывать оригинальные символьные шифры на домофонный ключ. Такой вариант подходит для крупных корпораций, сотрудники которых получают на руки ключ с уникальным шифром для открывания дверей. Он позволяет проконтролировать время и число посещений конкретным человеком производственных объектов.
Программная часть
Мы подключим клавиатуру для отображения номеров на ЖК-дисплее для Arduino и скопируем ключ, который вводим с клавиатуры.
Keypad.h – это библиотека, которая позволяет Arduino читать клавиатуру с матричным типом.
В этом проекте используется клавиатура 4 × 4.
В таблице показано соединение между платой Arduino и клавиатурой. Штыри клавиатуры подключены к цифровым выходным выводам Arduino. Pin D6 использовался для зуммера, потому что это был штырь ШИМ.
| Вывод клавиатуры | Контакт Arduino |
|---|---|
| 1 | D2 |
| 2 | D3 |
| 3 | D4 |
| 4 | D5 |
| 5 | A0 |
| 6 | D7 |
| 7 | D8 |


Затем добавим RFID. В этом случае плата RFID использует протокол связи SPI, где Arduino будет действовать, как ведущий и считыватель RFID в качестве подчиненного. Считыватель карт и теги предназначены для связи с частотой, равной 13,56 МГц.
Это важный шаг, поскольку он помогает нам считывать данные с карты, и он будет решать, соответствует ли идентификатор информации, хранящейся в EEPROM. Если он соответствует, он даст нам доступ и отобразит «Unlocked». В противном случае на ЖК-дисплее отобразится «Заблокировано».


Следующий шаг – добавить зуммер и 2 светодиода для имитации системы контролируемого доступа. Ознакомьтесь с приведенной ниже диаграммой. Зуммер установлен так, что он гудит всякий раз, когда мы получаем доступ (разблокирован). Красный светодиод всегда горит, когда он заблокирован, но зеленый светодиод загорается, когда он разблокирован.
Чтобы защитить модули, нужно использовать 3D-печать корпуса. Если у вас нет 3D-принтера, вы можете просто использовать пластиковый корпус, который позволяет вам вставлять все компоненты внутрь. Это очень полезно, потому что модули будут размещены внутри, а единственными частями вне коробки будут светодиоды, клавиатура и ЖК-дисплей.

www.deviceplus.com/how-tos/arduino-guide/make-your-own-arduino-rfid-door-lock/


















































