Эффективное и экономное использование
Мы разобрались какую оптимальную температуру должен поддерживать кондиционер летом. Настроить кондиционер и наслаждаться комфортом достаточно просто, однако, это может «влететь в копеечку». Климатическое оборудование потребляет большое количество электричества.
И если вы не хотите, чтобы счет за электроэнергию увеличился в несколько раз, то стоит соблюдать несколько простых правил:
- Занавешивайте шторы. Это позволит защитить комнату от нагрева солнцем, а значит на охлаждение комнаты понадобится меньше энергии.
- Устанавливайте минимальную скорость потока воздуха. Да, в этом случае комната охладиться чуть медленнее, но 15-20 минут, точно не будут критичными. Обязательно закрывайте окна и двери в помещении.
- Настройте угол наклона горизонтальных жалюзи параллельно полу. В этом случае Охлажденный воздух будет опускаться вниз, а горячий подниматься наверх. Это позволит быстрее привести комнату к нужному температурному режиму
Если в вашей модели нет возможности отрегулировать жалюзи, то установите защитный экран прямо под кондиционером.
В этом случае поток воздуха будет рассеиваться сразу, что увеличит эффективность работы кондиционера.

Стоимость защитных экранов небольшая — от 1000 рублей. Но можно изготовить его самостоятельно из оргстекла или плексигласа.
Основные представления об обогревательной функции кондиционера
Принцип работы сплит-системы на обогрев – это понижение (!) температуры воздуха, забранного с улицы. Будет сделан забор воздуха, к примеру, с температурным значением -16, а отдан обратно в еще более холодном состоянии, доходящий до -25. Разница используется для теплоотдачи: полученный теплый воздух попадает внутрь помещения.
Однако хватит ли у прибора сил на полноценное осуществление такой задачи? Важно знать: если температура на улице окажется значительно ниже нулевой, то у компрессора просто не хватит сил подогревать воздух – начнется работа на износ. А если техника работает на максимуме, это уже чревато риском поломки
Итак, первое условие – это температура за окном. Использование кондиционера в качестве обогревателя уместно для регионов с мягким климатом. А для большей части нашей страны такую технику стоит использовать только в межсезонье, в осенний или весенний период.
Работа кондиционера на обогрев зимой может быть опасной и перемерзанием шланга дренажа. В этом случае конденсат начнет стекать в здание. Сегодня производственники пытаются решить проблему установкой в технике обогревателя на 20 Ватт. Хорошо действует и блокировочная система: техника отключается при резком снижении температуры.
Принципиальная схема
Принципиальная схема разделена на блоки.

Принципиальная схема термометра на PIC16F628 и DHT11 Блок питания Приводит входное напряжение к значению 5 вольт. Использует стабилизатор напряжения LM7805. ICSP Это 5-пиновый разъем, подключенный к выводам программирования микроконтроллера. Мы используем этот разъем для прошивки микроконтроллера. DHT11 Это 3-пиновый разъем, к которому подключен датчик. Средний вывод подключен к микроконтроллеру для передачи данных. MCU Это PIC16F628, который принимает данные от DHT11 и выводит их на LCD дисплей. Дисплей LCD дисплей (2 строки по 16 символов), который показывает влажность и температуру воздуха.
Микроконтроллер у нас будет работать от внутреннего тактового генератора с частотой 4 МГц. Поэтому на схеме нам не нужен кварцевый резонатор.
Eagle сгенерировала нам следующий перечень элементов: Термометр на PIC16F628 и DHT11. Перечень элементов
| Позиционное обозначение | Номинал | Элемент | Корпус | Библиотека | Лист |
| C1 | 0.1uF | C-EU025-050X050 | C025-050X050 | rcl | 1 |
| C2 | 100uF | CPOL-EUE2.5-5 | E2,5-5 | rcl | 1 |
| C3 | 0.1uF | C-EU025-050X050 | C025-050X050 | rcl | 1 |
| C4 | 100uF | CPOL-EUE2.5-5 | E2,5-5 | rcl | 1 |
| C5 | 0.1uF | C-EU025-050X050 | C025-050X050 | rcl | 1 |
| D1 | 1N4004 | 1N4004 | DO41-10 | diode | 1 |
| IC2 | 7805TV | 7805TV | TO220V | linear | 1 |
| IC3 | PIC16F628 | DIL18 | DIL18 | ic-package | 1 |
| JP1 | ICSP | PINHD-1X5 | 1X05 | pinhead | 1 |
| JP2 | 16×02 LCD | PINHD-1X16 | 1X16 | pinhead | 1 |
| JP3 | DHT11 | PINHD-1X3 | 1X03 | pinhead | 1 |
| R1 | 10K | R-EU_0204/7 | 0204/7 | rcl | 1 |
| R2 | 5K | TRIM_EU-LI10 | LI10 | pot | 1 |
| R3 | 4K7 | R-EU_0204/7 | 0204/7 | rcl | 1 |
| S1 | Reset | TAC_SWITCHPTH | TACTILE-PTH | SparkFun | 1 |
| X1 | 7-35vDC | W237-10 | W237-102 | con-wago-500 | 1 |
Теперь, когда мы разобрались с аппаратной частью, пришло время заняться программным обеспечением.
Описание устройства
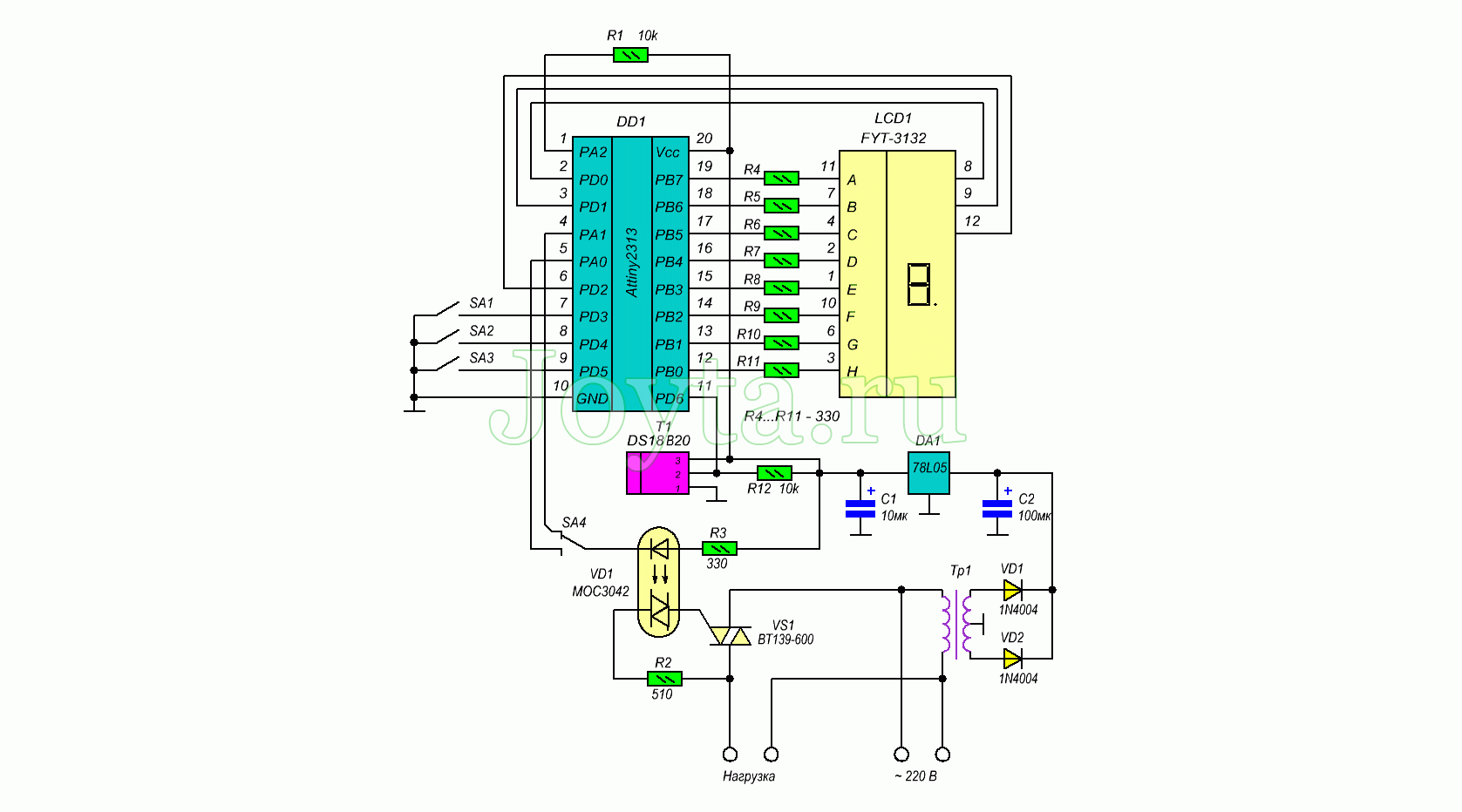
Этот электронный термостат на микроконтроллере достаточно прост и не требует много радиокомпонентов. Основа его — микроконтроллер Attiny2313, функция которого — опрос датчика температуры DS18B20, управление исполнительным устройством и вывод информации на экран трехразрядного светодиодного индикатора с общим анодом. Диапазон поддерживаемой температуры термостата можно уставить в диапазоне от 0 до 99,9 градуса.
Цифровой мультиметр AN8009
Большой ЖК-дисплей с подсветкой, 9999 отсчетов, измерение TrueRMS…
Подробнее

Переключатель SA4 предназначен для переключения режима управления исполнительным устройством. В одном положении переключателя SA4, при повышении температуры выше заданного порога, включается исполнительное устройство, например, вентилятор для охлаждения, а при снижении температуры отключается. В другом же положении SA4, при понижении фактической температуры ниже установленного значения, включается обогреватель для поддержания температуры, при повышении же температуры нагреватель отключается.
В дежурном режиме на светодиодном индикаторе отображается фактическая температура. Шаг отображения температуры составляет 0,1 градуса, а при температурах ниже минус 9,9 градуса с шагом в 1 градус, так как первый разряд индикатора отображает знак минус.
↑ Схема моего терморегулятора
Теперь есть «время на подумать» и поискать вдохновения в Интернете для разработки полноценного терморегулятора. Что в итоге я выяснил: • компрессор может работать часами, но не сутками, ему нужен отдых; • после выключения компрессора, нужно минимум 5-10 минут перед повторным запуском.
В остальном, есть простор для творчества.
Тут всё просто. Есть реле RL1 на ток в 16А на каждую группу, управляющую компрессором. Ключ Q1 управляет этим реле, получая команды от микроконтроллера U1. МК тактируется от кварца в 4 МГц.
Кнопки управления всего две, это «PLUS» и «MINUS», подтянуты они к плюсу питания и зашунтированы ёмкостями С4 и С5, для избавления от дребезга контактов.
Используется цифровой термодатчик U1 ds18b20, работающий по однопроводному протоколу.
Вся индикация — на семисегментном LED индикаторе с общим анодом, работающим в динамическом режиме. Светодиод «WORK» это индикатор состояния компрессора, который показывает, включен он или нет.
Питание взял от готового импульсника, на выходе которого, снимается 12В на реле и 5В на всё остальное.
Осталось ознакомиться со схемой холодильника и приступить к разработке логики управления компрессором.
В итоге, клеммы с термостата SK будут отключены и перенаправлены на контакты моего реле.
Выбор кондиционера с функцией обогрева
Итак, на что надо обратить внимание, выбирая кондиционер с функцией обогрева:
- на мощность потребления электрического тока;
- на диапазон температур в плане теплового выделения;
- на производительность тепловой энергии;
- на класс энергоемкости агрегата;
- на наличие специальной функции, которая отвечает за разморозку внешнего блока сплит-системы.
Учитывается также объем обогреваемой комнаты и назначение самого помещения. К примеру, если это офис, где работает большое количество человек, то на обогрев будет уходить меньше затрачиваемой энергии, то есть, КПД приближается к максимально возможному показателю.
Но даже при правильном подходе к выбору, подходить к работе кондиционера в режиме обогрева надо с позиции грамотно проведенного включения. В этом плане прибор без обогрева проще, потому что у него всего один режим. Поэтому рассмотрим, как правильно включить сплит-систему на обогрев помещений.
Комфортное пребывание в комнате с кондиционером
Температура является самым важным фактором, но не единственным, на который влияет включенный в помещении кондиционер.
Кроме поддержания температуры на заданном значении, кондиционер осушает воздух. Это приводит к тому, что слизистая носа и горла могут пересыхать. У некоторых людей это вызывает дискомфорт в виде насморка и першения в горле.
Оптимальной влажностью воздуха считается 40-60%. Она измеряется при помощи гигрометра. Современные приборы помимо влажности сообщают и о других важных составляющих микроклимата
Избежать этого можно, если установить в комнате увлажнитель воздуха. Также рекомендуется пить больше воды, это защитит ваши слизистые от пересыхания.
Аппаратная часть
Первая умная вещь, которую стоит сделать при создании гаджета, это нарисовать его структурную схему. Это поможет вам увидеть, что вам необходимо, и как это реализовать. Ниже приведена структурная схема нашего термометра.
Структурная схема термометра на PIC16F628, DHT11 и LCD (может показаться избыточным, составлять структурную схему для каждой мелочи, но это может быть полезно)
Мы хотим, чтобы DHT11 передавал данные микроконтроллеру.
Мы хотим, чтобы микроконтроллер обрабатывал данные и отображал их на LCD дисплее.
Мы хотим, чтобы у нас была возможность прошивать микроконтроллер через ICSP.
Советы по эксплуатации
Важно знать и такие нюансы: первые несколько минут прибор должен работать в качестве кондиционера, а не обогревателя. Это нужно для того, чтобы согрелся наружный блок и оттаял возможно образовавшийся в дренаже лед
Следующие разы этот момент будут регулировать вентиляционные обороты. Также во многих моделях предусмотрена специальная функция DeIce, которая позволит не перепутать режим правильного включения.
А вот еще несколько советов, которые помогут улучшить работу техники.
- Подогрев дренажа позволит воде не замерзнуть и уберет конденсат.
- При остановленном компрессоре можно включить подогреватель, который подогреет масло и предотвратит его загустение. В этом случае хладагент не сможет вытечь в картер.
- Если в устройстве наружного блока есть контролер вентилятора, то он нагонит актуальную температуру и предотвратит обмерзание внутреннего блока.
Можно ли включать на обогрев кондиционер зимой
До пользования режимом обогрева и его включения, посмотрите, имеет ли кондиционер такую функцию и может ли она включиться. Эта информация указывается в инструкции и на самом приборе. Режим подогрева обозначается солнечной пиктограммой.
В случае предусмотрения режима, благодаря которому можно начать обогреваться и подогреть помещение лучше центрального отопления, нужно посмотреть на показатель нижнего температурного порога, при котором можно включать обогрев.
Это важно, прежде чем оборудовать помещение системой кондиционирования и обогревателем, начать распространение тепла по дому. Обычно информация того, как включить оборудование и им начать отапливать комнату, также есть в инструкции
Обратите внимание! В дополнение к теме, до скольки градусов можно использовать кондиционер, стоит указать, что каждый термометр имеет свою погрешность. Иногда она может достигать 2-3 градуса
Поэтому лучше не использовать сплит-систему при показе критической отметки, не отапливаться.
↑ Файлы
Здравствуй, читатель! Меня зовут Игорь, мне 45, я сибиряк и заядлый электронщик-любитель. Я придумал, создал и содержу этот замечательный сайт с 2006 года. Уже более 10 лет наш журнал существует только на мои средства.
— Спасибо за внимание! Игорь Котов, главный редактор журнала «Датагор»
Здравствуй, читатель! Меня зовут Игорь, мне 45, я сибиряк и заядлый электронщик-любитель. Я придумал, создал и содержу этот замечательный сайт с 2006 года. Уже более 10 лет наш журнал существует только на мои средства.
— Спасибо за внимание! Игорь Котов, главный редактор журнала «Датагор»
Здравствуй, читатель! Меня зовут Игорь, мне 45, я сибиряк и заядлый электронщик-любитель. Я придумал, создал и содержу этот замечательный сайт с 2006 года. Уже более 10 лет наш журнал существует только на мои средства.
— Спасибо за внимание! Игорь Котов, главный редактор журнала «Датагор»
Здравствуй, читатель! Меня зовут Игорь, мне 45, я сибиряк и заядлый электронщик-любитель. Я придумал, создал и содержу этот замечательный сайт с 2006 года. Уже более 10 лет наш журнал существует только на мои средства.
— Спасибо за внимание! Игорь Котов, главный редактор журнала «Датагор»
Здравствуй, читатель! Меня зовут Игорь, мне 45, я сибиряк и заядлый электронщик-любитель. Я придумал, создал и содержу этот замечательный сайт с 2006 года. Уже более 10 лет наш журнал существует только на мои средства.
— Спасибо за внимание! Игорь Котов, главный редактор журнала «Датагор»
Здравствуй, читатель! Меня зовут Игорь, мне 45, я сибиряк и заядлый электронщик-любитель. Я придумал, создал и содержу этот замечательный сайт с 2006 года. Уже более 10 лет наш журнал существует только на мои средства.
— Спасибо за внимание! Игорь Котов, главный редактор журнала «Датагор»
На этом всё
Благодарю за внимание! И да прибудут с вами интересные статьи на Датагоре!
Математическая модель переноса тепла при экранировании внутренней поверхности многослойных строительных конструкций
В последнее время появилось множество работ по исследованию прихода солнечной радиации, связанных с освоением экологически чистых возобновляемых источников энергии. В условиях постепенного истощения дешевых запасов ископаемого органического топлива и все большего антропогенного загрязнения окружающей среды исследования в области использования солнечной энергии приобретают все большую актуальность.
Фотоэлектрический метод преобразования солнечной энергии до сих пор не получил широкого использования из-за достаточно высокой стоимости солнечных батарей (3-4 $ за 1 Ватт пиковой установленной мощности), хотя технические усовершенствования в этой области привели к снижению удельных капиталовложений на 1 кВт мощности оборудования станции и на вырабатываемую энергию. За последние 20 лет эффективность полупроводниковых элементов выросла в среднем в 5 раз. Современные фотоэлементы хорошо «усваивают» даже рассеянную радиацию, поэтому нет необходимости в поступлении прямого солнечного света.
Более распространенными являются системы отопления и горячего водоснабжения с использованием солнечных коллекторов
В бывшем СССР вопросам развития гелиотехники уделялось определенное внимание, несмотря на явно заниженные цены на традиционные энергоресурсы. Но основные работы и исследования проводились для южных республик, где наиболее благоприятные климатические условия для использования солнечной энергии
Сегодня в России существует достаточно развитая научно-техническая база, в том числе научно-производственные фирмы и объединения, готовые к массовому выпуску высокотехнологической продукции, необходимой для развития солнечной энергетики. Существует и потенциальный потребитель — сельскохозяйственные, удаленные от центральных сетей, труднодоступные регионы, районы с напряженной экологической обстановкой и др. Поэтому необходимы данные о приходе солнечной радиации на различно ориентированные поверхности для оценки эффективности работы гелиоустановки, определения ее оптимального угла наклона и ориентации.
Лабораторией возобновляемых источников энергии МГУ им. М.В.Ломоносова и лабораторией возобновляемых источников энергии и энергосбережения Объединенного института высоких температур РАН совместно была выполнена работа по ранжированию территории России на приоритетные для использования солнечной энергии зоны . Сегодня в России действует 129 актинометрических станций, причем среднее расстояние между ними 500-1000 км, а это приводит к ошибкам в определении потенциальной доступности солнечной энергии. Недостаточность данных о солнечной радиации авторы предлагают компенсировать использованием международных баз данных, например NASA SEE (США) , созданной на основе многолетних измерений радиационного баланса поверхности земного шара с помощью спутников и модельных расчетов. База данных NASA SEE основана на 10-летних (июль 1983г. — июнь 1993г.) рядах спутниковых измерений радиационного баланса земной поверхности. Значения месячных сумм солнечной радиации, падающей на горизонтальную поверхность, рассчитывались по результатам измерений с использованием различных моделей распространения солнечного излучения в атмосфере. Учитывались особенности различных климатических зон земного шара, состояние облачности, загрязнение атмосферы аэрозолями. Отработка и апробация методики пересчета осуществлялась с привлечением данных наземных измерений, выполненных для того же временного диапазона, в том числе, для нескольких российских метеостанций.
Сравнение данных NASA и наземных измерений 50 актинометрических станций России, а также сравнение данных NASA и актинометрических наблюдений метеообсерватории МГУ им. М.В.Ломоносова показали, что относительные отклонения данных NASA от результатов наземных измерений по средним суммам солнечной радиации для большинства «солнечных» месяцев и регионов России не превышает 10-15%, что позволяет рекомендовать их для инженерных расчетов эффективности использования солнечных установок. Построены карты среднедневной суммы суммарной солнечной радиации, приходящей на различным образом ориентированные поверхности и для различных периодов года, а также карты падающей солнечной радиации на оптимально ориентированные поверхности, т.е. поверхности на которые приходит максимальный поток. Анализ полученного картографического материала показал, что на территории России имеют место регионы с высокими значениями солнечной радиации, часто вне прямой зависимости от широты.
Преимущества и недостатки работы сплит-системы для обогрева
Отапливать или нет с помощью кондиционера — каждый пользователь решает сам в частном порядке. Но если решение оказалось положительным, то можно быть уверенным – воздух не пересушится, как при использовании отопительных приборов. Есть и другие плюсы:
- экологичность применения (нет выброса СО2);
- тепла будет выдаваться в три раза больше, чем расходоваться электричества.
Но кроме улучшения микроклимата есть и свои «подводные камни». О них обязательно следует знать при постоянном использовании.
- Износ устройства произойдет в 3-5 раз быстрее. Это произойдет из-за загустевшего масла, которое потеряет свои свойства.
- Идет тенденция на замену хладагента – в применении будет ходить более безопасный для озонового слоя R410. Это требует установку более совершенных компрессоров.
- Производительность прибора станет в два раза меньше номинальной.
- Кондиционер для отопления зимой чаще выходит из строя.
Микропроцессорный регулятор мощности для паяльника на PIC16F628A
Update
Обратите внимание, что прошивка из этого поста — не самая свежая. Лучше брать прошивку из поста «Снова о регуляторе мощности
Универсальная прошивка для любого включения светодиодов».
Что он может:
- 20 уровней регулировки с запоминанием уровня
- фазовое управление мощностью
- линейная регулировка мощности (не фазы)
- наличие режима форсированного разогрева в течении 5 или 10 минут
- плавное включение нагрузки
- автоматическое отключение нагрузки через 30 мин
- наличие режима без отключения нагрузки
- линейная шкала на светодиодах
- управление мощностью и выбор режимов осуществляется двумя кнопками
- в схеме использован микропроцессор PIC16F628A.
Принципиальная схема контроллера
Регулятор мощности, принципиальная схема, PIC16F628A
Перечень элементов
| Обозначение | Номинал | Примечание |
| C1 | 1n | |
| C2 | 10µ x 10V | |
| C3 | 1n | |
| C4 | 1n | 600V |
| C5 | 100n | |
| DA1 | PC817 | |
| DA2 | MOC3020 | MOC3020-MOC3023 |
| DD1 | PIC16F628A | |
| R1 | 2k2 | |
| R2 | 220k | |
| R3 | 220k | |
| R4 | 1k | |
| R5 | 22k | |
| R6 | 220 | |
| R7 | 39 | |
| R8 | 220 | |
| R9 | 220 | |
| R10 | 220 | |
| R11 | 220 | |
| R12 | 220 | |
| R13 | 220 | |
| R14 | 220 | |
| R15 | 220 | |
| R16 | 220 | |
| R17 | 220 | |
| R18 | 220 | |
| R19 | 220 | |
| VD1 | 1N4148 | |
| VD2 | 1N4148 | |
| VD3 | 1N4148 | |
| VD4 | 1N4148 | |
| VD5 | 1N4148 | |
| VS1 | MAC15N | MAC16N |
| VT1 | 2SC828 |
Благодаря наличию оптронов цифровая часть гальванически развязана с сетью, но, тем не менее, в схеме присутствует высокое напряжение, поэтому при повторении конструкции необходимо соблюдать технику безопасности!
Осцилограммы на выводах процессора. Смещение импульсов друг относительно друга на осцилограмме соответствует второй ступени регулировки мощности (горит 1 светодиод) Ширина импульса на RA4 около 170uS, на RB3 около 1.5mS
Прошивка
Версия 2: (доступно зарегистрированным пользователям)
Обратите внимание, что более свежая и функциональная прошивка есть здесь
Правильно выставленные фьюзы — залог успеха:
CONFIG = 0x2150 или CONFIG = 0x3F50 (если считать неопределенные биты 9-12 за «1»)
| CP | — | — | — | — | CPD | LVP | BOREN | MCLRE | FOSC2 | !PWRTE | WDTE | FOSC1 | FOSC0 |
| 1 | x | x | x | x | 1 | 1 | 1 |
Для прользователей IC-PROG установка фьюзов должна выглядеть так (сам не проверял, подтвердите или поправьте в комментах кто пробовал)
FOSC
=100 (INTOSC internal oscillator: I/O function on RA6/OSC2/CLKOUT pin, I/O function on RA7/OSC1/CLKIN)WDTE = (WDT. Disabled)PWRTE = (Power-up Timer Enable bit. Enabled)MCLRE = (RA5/MCLR Pin Function Select bit. RA5/MCLR is digital I/O)LVP = (Low Voltage Programming Enable bit. RB4/PGM is digital I/O, Low Voltage Programming is off)
Как и любая цифровая схема, данный регулятор не нуждается в налаживании, и в случае правильной сборки и исправных деталей начинает работать сразу. Но, как оказалось, это только в теории. На практике бывает, что контроллер в лучшем случае не работает вообще, и в этом случае проблему отыскать сравнительно легко. Это или фьюзы неверно выставлены, ошибка в монтаже или еще что-то подобное, глобальное.
Гораздо хуже, когда процессор вроде работает, есть индикация, но в нагрузке творится что-то непонятное. В таком случае очень полезно посмотреть осциллограммы на входах и выходах процессора RA4 и RB3.
К сожалению, не у всех под рукой есть осциллограф. С расчетом именно на такой случай я добавляю тестовую прошивку, которая позволит определить, есть ли на входе RB3 сигнал с частотой 100Гц с детектора нуля.
Прошивка
Версия 1 от 09.04.13: (доступно зарегистрированным пользователям)
Данная прошивка предназначена только для указанной цели, больше ничего она не делает. Фьюзы для этой прошивки такие-же, как и для основной прошивки. Она работает с рассчетом, что используется внутренний тактовый генератор на 4MHz. Результат работы выводится на светодиодный индикатор.
Значения отдельных светодиодов индикатора указаны на рисунке ниже:
Фактически индикаторы означают следующее: 0-20 Hz
— импульсов скорее всего нет вообще<93 Hz — импульсы следуют с сильно низкой частотойс 94 по 106 Hz — норма (с учетом погрешности калибровки внутреннего генератора на 4MHz)>108 Hz — импульсы следуют слишком часто
Возможна ситуация, когда горит одновременно несколько светодиодов, что означает, что обнаружены импульсы, следующие с разными интервалами (частотами), чего в нормально работающем детекторе нуля не должно быть, максимум — пара соседних из «нормального» интервала
Наконец регулятор обзавёлся печатной платой, которую разработал и любезно предоставил RN3QNR
Печатная плата в формате .LAY: (доступно зарегистрированным пользователям)
Выглядит в собранном виде это так:
Для регулятора готова новая прошивка, которая позволяет работать в одном из двух режимов. Параметры каждого из режимов (время и мощность форсированного разогрева, время до отключения и мощность при отключении) могут быть выставленны индивидуально в режиме настроек.
Читайте про новую прошивку здесь
Даташиты
www.linker.ru
↑ Изучение холодильного вопроса и временное решение
Еда начинает портиться! Звать мастера, чтобы он провозился с холодильником пару недель (а у меня в городе такие мастера и есть) — не вариант, что делать? Надо периодически выдёргивать вилку из розетки, имитируя работу термостата! Меня хватило на один день этого мазохизма, поэтому мне нужно удобное решение и собрал я за вечер обычный микроконтроллерный таймер-реле включения/выключения буквально на подносе и это не шутка.
Работает! Его задача — тупо включать компрессор на 15 минут и выключать на 45. Питание взял от импульсника из сломанного DVD плеера, в нём удачно обнаружились два выхода 12 и 5 Вольт. Реле врезал в удлинитель и прижал всё колонками. Изящное временное решение вышло!
Какую температуру выставить для сна?
Правильно выставленная температура на кондиционере может обеспечить вам комфортный сон. Во многих современных моделях есть «режим сна», достаточно его включить и можно ложиться спать. Нужная температура будет выставлена автоматически.
Если же его нет, то настройки необходимо выставить вручную:
- Повысить температуру на 1-2 градуса выше дневной. Ночью тело человека остывает и требуется дополнительный обогрев.
- Настроить жалюзи так, чтобы потоки воздуха не шли на кровать.
- Выставить скорость вращения вала на минимум. Кроме соблюдения температурного режима это сделает работу кондиционера тише, что также способствует комфортному сну.
Если исходить из общих рекомендаций, то получается, что оптимальной температурой для сна будет 25-27 градусов.
«Режим сна» работает по следующему принципу. Во-первых, он сбрасывает скорость вращения вентилятора на минимум. Во-вторых, направляет жалюзи так, чтобы потоки воздуха шли параллельно полу. В-третьих, повышает температуру до нужного уровня.

Единственная проблема, которая может возникнуть во время сна — это проветривание. Выставив, оптимальную температуру кондиционера для ночи, не стоит забывать о том, что окна должны быть закрыты, в противном случае оборудование будет работать на износ.
Если приток чистого воздуха очень важен, то можно оставить небольшую щель в окне, но это допустимый максимум.

Еще один вариант решения данной проблемы — проветривание комнаты непосредственно перед сном. Во сне, человек потребляет значительно меньше кислорода и этого должно хватить на всю ночь.
Дистанционное управление
Дистанционный выключатель устройств управляемый пультом бытовой техники Иногда бывает, что приходится управлять какой то нагрузкой, включать ивыключать, при этом желательно пользоваться уже готовым пультом дистанционного управления. Здесь описывается несложное устройство, при помощи которого можно включать и выключать нагрузку, питающуюся от электросети, используя …
1 752 0
Дистанционный выключатель света для деревенского хозяйства (TX118SA-4, RX480R)
Если вы живете в сельской местности, то у вас наверняка есть некоторый земельный участок, на котором расположен не только основной дом, но и какие-то хозяйственные постройки. Проблема возникла с желанием как-то упорядочить управление освещением, как в отдельных частях участка, так и в некоторых …
1 627 0
Радиовыключатель с обратным откликом на модулях RX480E-4и TX118SA-4
Сейчас можно очень простым способом на основе двух радиомодулей RX480E-4 и TX118SA-4 сделать дистанционный выключатель или переключатель. В отличие от ИК радиоканал хорош и тем, что проходит сквозь стену и обладает значительно большей дальностью. Но это создает и определенные неудобства, особенно …
1 867 0
Схема управления сервоприводом поворота камеры (CD4001)
Для того чтобы поворачивать камеру видеонаблюдения можно использовать сервопривод SG90, внутри которого расположен электродвигатель и редуктор, а так же схема его управления. Для управления нужно подавать на вход этой схемы импульсы, следующие с частотой около 50 Гц, но угол поворота будет …
1 1146 0
Схема радиоуправляемого удлинителя на четыре розетки (RX480-E)
Самодельный удлинитель на четыре розетки, которые коммутируются по радиоканалу, электронное реле с дистанционным управлением. Существуют такие удлинители, предназначенные для компьютеров, у них обычно довольно просторный металлический или пластмассовый корпус, в котором расположено несколько …
1 1128 2
Приставки к УКВ радиостанции для дистанционного управления
Схемы простых приставок к УКВ радиостанциям для организации системы дистанционного управления игрушками, исполнительными устройствами. В настоящее время гражданская радиосвязь на диапазоне 433-446 МГц развивается очень бурно. В магазинах электроники или средств связи в свободной продаже всегда …
1 1129 0
Схема дистанционного управления автоответчиком (КР1008ВЖ18)
Знакомая многим ситуация, — телефонный звонок, и вам нужно что-то записать, например, адрес, куда нужно подойтиили наименование товара, который нужно купить…, да мало ли чего. Вы, жонглируя телефонной трубкой, карандашом и блокнотом, все это записываете. А затем, с большим трудом пытаетесь разобрать записанное …
0 558 0
Дистанционное управление на ИК-лучах (HT12E, HT12D, NE555)
Схема дистанционного управления на микросхемах HT12E и HT12D фирмы Holtek, которые представляют собой кодер и декодер. Эти микросхемы служат для передачи команд на некоторое расстояние, по ИК-каналу или радиоканалу (в зависимости от типа приемника и передатчика). Установкой перемычек между выводами …
2 1937 0
Дистанционное управление с помощью рации или радиостанции
Схемы простых приставок к рации или радиостанции, которые позволят превратить их в систему дистанционного управления. В настоящее время населению доступны самые разнообразные средства радиосвязи,- это сотовые телефоны, беспроводные телефонные аппараты, карманные УКВ-радиостанции, не требующие …
1 973 0
Приемник луча от лазерной указки для дистанционного управления (К561ТМ2, IRF840)
Схема самодельного лазерного реле, которое управляется от лазерной указки, в схеме использованы К561ТМ2, IRF840. Во многих магазинах продаются лазерные указки. Практически, это карманныйфонарик с полупроводниковым лазером вместо лампочки. Прямое назначение предмета -именно указка, лазер …
0 3271 0
1 …
Как включить кондиционер на обогрев
Если приобретенный вами кондиционер работает на обогрев, то перед тем как его включить, надо убедиться, что температура на улице не ниже того предела, который установлен производителем. Это важный момент, от которого будет зависеть, как долго компрессор может поддерживать тепло. То есть, будет ли он соответствовать своему эксплуатационному ресурсу.
Что касается включения, то все манипуляции проводятся на пульте дистанционного управления сплит-системы. У разных производителей разная последовательность нажатия определенных кнопок, поэтому два часто встречающихся варианта.
Первый вариант включения кондиционера
- Надо найти кнопку под названием «MODE» и нажать на нее.
- На дисплее появятся несколько разных значков. Выбрать надо «солнышко». На некоторых пультах вместо значков появляются слова, выбрать надо «HEAT». Выставляем клавишей этот значок или слово и нажимаем на него.
- Через несколько минут надо проверить, пошел ли из внутреннего блока теплый воздух. Если «ДА», то фиксируем установленную позицию кнопкой «OK».
Второй вариант
Не на всех пультах дистанционного управления сплит-систем есть кнопка «MODE». Поэтому ее искать не надо и нажимать тоже. Просто находим кнопку, под или над которой установлены значки: капелька, снежинка, солнышко или лопасти вентилятора. Подгоняем под солнышко и нажимаем, тем самым включая функцию на обогрев. Ничего фиксировать не надо, режим уже включен и он начал действовать. Просто через пару минут надо проверить, идет ли теплый воздух или нет.
Кстати, если он не пошел, то это или кондиционер неисправен, тогда придется обратиться в сервисную компанию, или у него нет такой функции. В последнем случае надо просто ознакомиться с инструкцией. И сделать это лучше при покупке сплит-системы.
Итак, теплый воздух из внешнего блока кондиционера поступает в комнату. Остается лишь зафиксировать температурный режим. Для этого на пульте с помощью кнопок «+» и «-» надо поднять показатель до +24С. Это считается оптимальный вариант. Хотя все будет зависеть от собственных предпочтений и влажности воздуха внутри комнаты.
Современный кондиционер с функцией обогрева – это неплохой вариант отопления квартир в межсезонье. Но эффективнее будет установить тепловую пушку небольшой мощность. Вот у кого КПД равно 100%. То есть, альтернатива сплит-системе есть и не одна. Так что надо подумать над этим. И выбрать более эффективный вариант.
Принципиальная схема
Принципиальная схема разделена на блоки.
Принципиальная схема термометра на PIC16F628 и DHT11
- Блок питания
- Приводит входное напряжение к значению 5 вольт. Использует стабилизатор напряжения LM7805.
- ICSP
- Это 5-пиновый разъем, подключенный к выводам программирования микроконтроллера. Мы используем этот разъем для прошивки микроконтроллера.
- DHT11
- Это 3-пиновый разъем, к которому подключен датчик. Средний вывод подключен к микроконтроллеру для передачи данных.
- MCU
- Это PIC16F628, который принимает данные от DHT11 и выводит их на LCD дисплей.
- Дисплей
- LCD дисплей (2 строки по 16 символов), который показывает влажность и температуру воздуха.
Микроконтроллер у нас будет работать от внутреннего тактового генератора с частотой 4 МГц. Поэтому на схеме нам не нужен кварцевый резонатор.
Eagle сгенерировала нам следующий перечень элементов:
| Позиционное обозначение | Номинал | Элемент | Корпус | Библиотека | Лист |
|---|---|---|---|---|---|
| C1 | 0.1uF | C-EU025-050X050 | C025-050X050 | rcl | 1 |
| C2 | 100uF | CPOL-EUE2.5-5 | E2,5-5 | rcl | 1 |
| C3 | 0.1uF | C-EU025-050X050 | C025-050X050 | rcl | 1 |
| C4 | 100uF | CPOL-EUE2.5-5 | E2,5-5 | rcl | 1 |
| C5 | 0.1uF | C-EU025-050X050 | C025-050X050 | rcl | 1 |
| D1 | 1N4004 | 1N4004 | DO41-10 | diode | 1 |
| IC2 | 7805TV | 7805TV | TO220V | linear | 1 |
| IC3 | PIC16F628 | DIL18 | DIL18 | ic-package | 1 |
| JP1 | ICSP | PINHD-1X5 | 1X05 | pinhead | 1 |
| JP2 | 16×02 LCD | PINHD-1X16 | 1X16 | pinhead | 1 |
| JP3 | DHT11 | PINHD-1X3 | 1X03 | pinhead | 1 |
| R1 | 10K | R-EU_0204/7 | 0204/7 | rcl | 1 |
| R2 | 5K | TRIM_EU-LI10 | LI10 | pot | 1 |
| R3 | 4K7 | R-EU_0204/7 | 0204/7 | rcl | 1 |
| S1 | Reset | TAC_SWITCHPTH | TACTILE-PTH | SparkFun | 1 |
| X1 | 7-35vDC | W237-10 | W237-102 | con-wago-500 | 1 |
Теперь, когда мы разобрались с аппаратной частью, пришло время заняться программным обеспечением.
Выводы и полезное видео по теме
Как правильно использовать кондиционер:
Правильно настроенный кондиционер создаст комфортные температурные условия в комнате. При этом можно не будет не беспокоиться о том, что кто-то простынет.
Однако, более сложные манипуляции с климатическим оборудованием, например, установку зимнего комплекта, стоит доверить специалистам. В этом случае вы будете уверены, что все сделано правильно, и ваш кондиционер не выйдет из строя раньше времени.
Если у вас есть вопросы или можете дополнить наш материал интересными сведениями по теме статьи, пожалуйста, оставляйте свои комментарии, задавайте вопросы – блок для связи расположен под статьей.


























































