В чем «фишка» этого усилителя?
В чем «фишка» этого усилителя?
Схема совсем не нова. Она известна еще из даташитов 90-х годов. Но интересность схемы заключается в том, что оба ОУ усиливают один и тот же сигнал. Но это не мостовое включение. Выходные сигналы обоих ОУ находятся в фазе, благодаря чему их выходные токи складываются.
Такое включение решает проблему малого выходного тока многих ОУ. Это заметно увеличивает количество ОУ, которые могут быть использованы в усилителе. Теперь достаточно, чтобы каждый операционный усилитель мог обеспечивать выходной ток в 35-40 мА, вместо 70-80 в случае одного ОУ на канал.
Основа устройства
Начинающие радиолюбители в первую очередь задаются вопросом: из чего можно собрать простой усилитель звука в домашних условиях. Работа устройства основывается на транзисторах или микросхемах, либо возможен редкий вариант — на лампах. Рассмотрим подробнее каждый из них.

Транзисторы
Преимущества транзисторов в малом потреблении электроэнергии. Устройство выдает отличные показатели звука, легко встраивается в любую технику и не требует дополнительной настройки. К тому же нет необходимости в поиске и использовании сложных микросхем.

Лампы
На сегодняшний день устаревший метод сборки, основанный на лампах дает качественное звучание, но обладает рядом недостатков:
- повышенная энергоемкость
- габариты
- вес
- стоимость комплектующих

Микросхемы
Микросхему серии TDA и аналогичную можно приобрести в магазинах или воспользоваться микросхемой от ненужного телевизора.


Собираем усилитель звука на TEA2025B
Теперь, когда все дополнительные элементы собраны, мы можем сосредоточить внимание на микросхеме TEA2025B
Посмотрев внимательней на схему, мы обнаружим один положительный момент. Шесть электролитических конденсаторов имеют одинаковый номинал – 100 мкФ. Это замечательно, ведь часто во многих микросхемах «обвязка» состоит из радиодеталей разного номинала, что создает некоторое неудобство.
Обратите внимание, хотя микросхема и рассчитана на питания максимум 12 В, но электролитические конденсаторы следует применять с напряжением не менее 25 В
Для регулировки уровня громкости одновременно обоих каналов применяют сдвоенный переменный резистор с логарифмической зависимостью. Тогда постоянные резисторы, которые приведены на фото выше — не нужны.
С разводкой печатной платы я не заморачивался и сделал ее по-быстрому в программе Sprint Layout. Если Вам не лень сделать более качественную разводку с нуля, то можете поделиться ей с остальными начинающими электронщиками. Выслать ее можно на мою почту, а я приложу ее к данной статье. Думаю, все скажут спасибо.
Теперь осталось сделать самое приятно – впаять все радиодетали в печатную плату и подключить выводы штекера и динамиков.
Я надеюсь, теперь вы сможете сделать любой усилитель своими руками.
Скачать разводку платы TEA2025B_
↑ Усилительные схемы на ИС LM386
↑ Усилитель с коэффициентом усиления 200
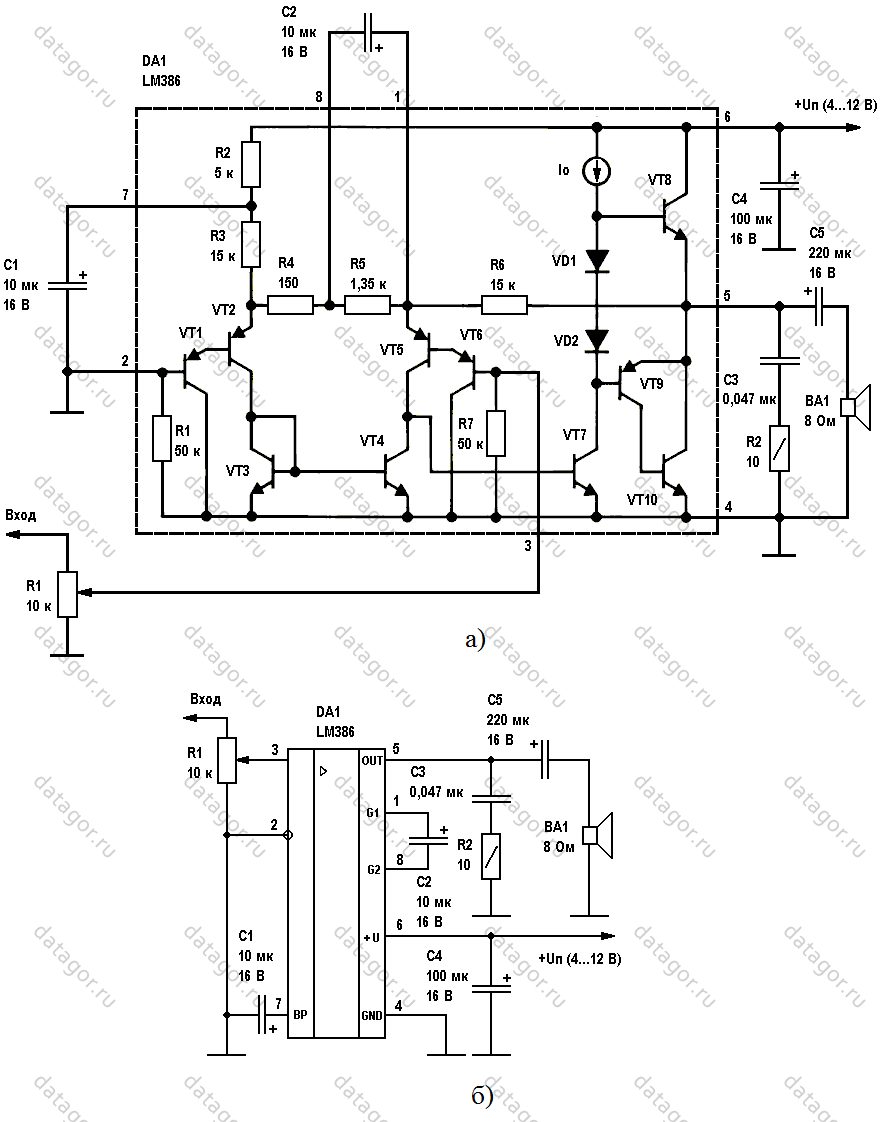
Принципиальная схема усилителя с коэффициентом усиления Ku=200 (46 дБ), изображена на рис. 2 а, б. На первом из них (рис. 2 а) показана функциональная схема ИС LM386, позволяющая лучше понять работу усилителя, а на втором (рис. 2 б) микросхема изображена в виде «чёрного ящика», по ней легче выполнять разводку печатной платы и проверку правильности установки смонтированных на ней элементов.

Рис. 2. Усилитель с коэффициентом усиления 200
Резистор R1 служит регулятором громкости, конденсатор C1 является фильтрующим
Конденсатор C2 шунтирует выводы 1 и 8 микросхемы DA1 по переменному току, благодаря чему достигается максимальный коэффициент усиления; конденсатор C4 служит для развязки по питанию, что важно в условиях работы с разряженной батареей, когда её внутреннее сопротивление увеличивается
Цепочка C3, R2 предназначена для повышения стабильности при работе усилителя на ёмкостную нагрузку. Иногда её установкой пренебрегают, что не является преступлением, но нежелательно, поскольку может преподнести «сюрприз» в самый неподходящий момент. Нагрузка ВА1 подключена к выходу ИС через разделительный конденсатор С5.
↑ Усилитель с минимальным количеством внешних элементов и коэффициентом усиления 20
На рис. 3 показана схема с минимальным количеством элементов, имеющая коэффициент усиления по напряжению Ku=20 (26 дБ). Здесь выводы 1 и 8 микросхемы оставлены свободными, исключён из схемы фильтрующий конденсатор, подключаемый к выводу 7. В результате весь усилитель содержит всего семь элементов, включая и динамическую головку ВА1.
Рис. 3. Усилитель с минимальным количеством внешних элементов и коэффициентом усиления 20
↑ Усилитель с коэффициентом усиления 50
Ещё один вариант схемы приведён на рис. 4. При значениях элементов, показанных на этой схеме, обеспечивается усиление по напряжению Ku=50 (34 дБ).
Рис. 4. Усилитель с коэффициентом усиления 50
По сравнению с предыдущей схемой добавлено три элемента: два конденсатора и резистор. В табл. 2 приведены значения резистора R2 для получения других коэффициентов усиления по напряжению.
↑ Усилитель с подъёмом низких частот
Примером усилителя, в котором производится формирование требуемой частотной характеристики, является схема, показанная на рис. 5. Здесь усиление по напряжению изменено шунтированием внутреннего резистора обратной связи (R6), доступного через выводы 1 и 5 микросхемы LM386. Шунтирование цепочкой R2, C2 позволяет получить подъем частотной характеристики около 6 дБ на частоте 85 Гц, что может быть использовано для улучшения звучания малогабаритных акустических систем.
Коэффициент усиления по напряжению усилителя на частоте 1 кГц составляет Ku=10 (20 дБ).
Рис. 5. Усилитель с подъёмом низких частот
↑ Принципиальная схема усилителя для АМ радиоприёмника
Ещё один пример применения ИС в качестве усилителя для малогабаритного АМ радиоприёмника показан на 6. В этой схеме радиовещательный сигнал после детектора поступает через конденсатор С1, устраняющий передачу постоянной составляющей на регулятор громкости R1.
Рис. 6. Принципиальная схема усилителя для АМ радиоприёмника
Сигнал со среднего вывода R1 поступает на неинвертирующий вход микросхемы DA1 через развязывающую цепочку – фильтр нижних частот R2, C2, устраняющий попадание остатков высокочастотного напряжения. Для этих же целей на выходе усилителя включена цепочка L1, C7. Дело в том, что усилитель на микросхеме DA1 довольно широкополосный (полоса пропускания составляет около 300 кГц) и без принятия подобных мер служит отличным источником радиоизлучений в длинноволновом и средневолновом диапазонах волн.
Резистор R3, включённый параллельно катушке L1, служит для устранения нежелательных резонансов в звуковом диапазоне частот. Коэффициент усиления по напряжению усилителя максимален (Ku=200).
Наряду с оксидным конденсатором С6 включён керамический конденсатор С5, используемый для высокочастотной развязки по цепи источника питания; не забыт в этой схеме и фильтрующий конденсатор, подключаемый к выводу 7 микросхемы (С3).
Катушка L1 представляет собой ферритовую бусинку с пропущенным проводом внутри (Ferrite Bead).
Какой транзистор выбрать
При использовании TIP31 и TIP32 транзисторы моего прототипа работали без теплоотводов в диапазоне напряжений питания от 9 В до 21 В. Эти комплементарные транзисторы в корпусах TO-220 при естественном воздушном охлаждении допускают рассеяние мощности до 2 Вт, в то время как в моей схеме при нагрузке 8 Ом и питании 21 В на них выделяется максимум 1.3 В. Технически тут все нормально, однако транзисторы настолько горячи, что до них невозможно дотронуться. Поэтому, все же было бы неплохо воспользоваться небольшими навесными радиаторами с пружинными зажимами. При 8-омном динамике и напряжениях питания менее 18 В теплоотводы не нужны. Максимальная мощность, отдаваемая моим прототипом, аппроксимируется следующим выражением, полученным на основании эмпирических данных:
Используя эту формулу, вы можете определить, что мой прототип при питании напряжением 9 В отдает в нагрузку 8 Ом респектабельные 350 мВт. Это совсем немало для небольших радио проектов. На другом полюсе – при напряжении питания 21 В и нагрузке 8 Ом – формула предсказывает мощность 2.5 Вт, и это ровно то, что я измерил в точке начала ограничения. В этом тесте я использовал синусоидальный сигнал частотой 1 кГц.
Как ни странно, похоже, что своей устойчивостью схема обязана низкой граничной частоте силовых транзисторов. Я пробовал использовать более быстрые транзисторы (44H11 и 45H11), но получил возбуждение вблизи 700 кГц, несмотря на то, что SPICE моделирование предсказывало противоположное! Подозреваю, что более высокочастотные транзисторы просто не успевали внести дополнительный фазовый сдвиг вблизи частоты единичного усиления ОУ LM358 (1 МГц). (Это не более чем мое предположение). Выбор намного более быстрых транзисторов, таких как 2N2219 и 2N2905, возвращал схеме устойчивость, скорее всего потому, что присущий LM358 спад уже наступал к тому времени, когда транзисторы начинали сдвигать фазу. В этом случае результаты находились в согласии со SPICE. SPICE предупреждает, что совсем медленные транзисторы, такие как старинные 2N3055, будут еще более неустойчивыми. Одним словом, нужно экспериментировать!
При напряжении питания Vcc ниже 12 В рассеиваемая транзистором мощность становится меньше 350 мВт, и многие малосигнальные приборы будут хорошо работать без теплоотвода.
Усилитель на микросхеме lm386 — Обзор характеристик
lm386 усилитель является, пожалуй, самым дешевым кит-набором, который можно найти на китайском рынке.
В комплекте идут:
- Плата;
- Конденасаторы;
- Разъем 3.5;
- Резисторы;
- Светодиод;
- Микросхема lm386;
- Разъем для питания 12В;
- Переменный резистор;
- Регулировка.
Сбор усилителя
Как показывает схема платы, на ней должен быть два резистора на 4 кило Ома. А также резистор 4R7.
Все имеющиеся резисторы нужно проверить на соответствие с требованиями на плате, чтобы правильно их припаять. После чего останется установить на плату конденсаторы.
Три электролита можно расположить по кружочкам, которые указаны на плате. Самый маленький на 10 микрофарат, второй на 100 микрофарат и третий на 1000.
Керамические конденсаторы нужно установить в лунки, рядом с которыми написано СВ.
Теперь можно перевернуть плату и перед пайкой нанести флюс в основания усиков. После чего их все нужно аккауратно запаять. Усики можно откусить и теперь настало время вставить конденсаторы.
Важно знать, что минусовая ножка конденсатора отмечена минусом, а на плате место для отрицательной ножки закрашено в темный цвет. Установка светодиода
Снова же смотрим подсказку полярности на плате. Там все нарисовано. На самом диоде короткая ножка есть минусовая, длинная — плюсовая
Установка светодиода. Снова же смотрим подсказку полярности на плате. Там все нарисовано. На самом диоде короткая ножка есть минусовая, длинная — плюсовая.
Как и в предыдущем случае все надо зафлюсовать и затем запаять, откусив после этого все лишние ножки.
К этому моменту должны остаться следующие детали:
- Микросхема;
- Разъем;
- Резистор;
- Разъем для питания;
- Джамперы.
Чтобы припаять кроватку для микросхемы обратите внимание на ключ в виде полукруга. Нужно будет найти такой же полукруг на схеме
Этим местом и надо совместить кроватку и плату. С обратной стороны необходимо прихватить кроватку.
Все остальные детали нужно будте прихватить точно также, установить плату и аккуратно все запаять.
В самом конце паечного процесса останется еще три места для Джамперов. Затем отмойте плату от флюса и наденьте колпачок регулировки.
Вставить микросхему нужно также ориентируясь на ключ в виде полукруга на ее кроватку.
Тест усилителя
Для опыта использовались
- телефон;
- проводки с джеком 3.5;
- колонка
Джампер, рядом с которым маркировка SP — минус. К этому джамперу и следует подключить динамик. Если вы не уверены в том, где минус, а где плюс, тогда подсоедините коннектор к проводу не припаивая, чтобы успеть его вытащить в случае возникновения ЧП.
Питание в 12 Вольт следует подключить к разъему входного питания. Уменьшите звук на минимум и включите блок питания, чтобы усилитель ожил.
В динамике раздастся щелчок, а светодиод на плате загорится. Это значит, что все было сделано правильно.
Теперь подключите телефон к усилителю и включите музыку. Динамик мощностью 5 Ватт выдает хороший и чистый звук. Если сделать громкость максимальной, то это не очень сильно отразится на качестве звука. Поэтому прослушивать музыку дома можно без проблем. Тем более, что выходная мощность усилителя также составляет 5 Ватт.
Характеристики
| Напряжение питания | DC9-15V, рекомендуется 12 В |
| Выходная мощность | может быть подключена к динамикам 4-8 Ом, максимальная стерео система 2×35 Вт (14,4 В 4 Ом) |
| Сопротивление | 4-8 Ом |
| Вход аудио | 3,5 мм аудио вход |
| Защита | защита от обратного питания, короткое замыкание, перегрузка, перегрев |
| Размер платы | 55,12 мм * 45,21 мм |
| Ручка открытия потенциометра | 7мм |
| Размеры | 55,12 * 59,09 * 50 мм (длина * ширина * высота) |
Илья. Орел.
Этот усилитель я заказывал в Китае, быстро очень пришел. Ни одна деталь набора не была потеряна. Плохо то, что не предоставлена схема сборки усилителя, до всего надо было додумываться самостоятельно. Поэтому если вы новичок и не умеете заниматься пайкой, то вам точно этот усилитель заказывать не следует.
Владимир. Владимир.
Кит попался отличным, претензий к деталям нет, все сели как надо — ровно и без проблем. Относительно звука, если честно, то я ожидал более громкий звук, так как часто приходится работать в гараже а данный усилок не совсем справляется со своей задачей на улице. Для дома или другого закрытого помещения усилитель подойдет хорошо, особенно для небольшой компании, которые просто хотят послушать музыку без какой-либо серьезной аппаратуры.
↑ Список источников
1. LM386 — Low Voltage Audio Power Amplifier . 2. Дайджест КВ+УКВ // Радиоаматор, 2009, №2, с. 56 (Как получить усиление 74 дБ от микросхемы LM386). 3. Мосягин В. Узконаправленный микрофон // Радио, 2002, №5, с. 54, 55. 4. Merryfield T. Super-Ear Audio Telescope // Everyday Practical Electronics, 2005, №6, p. 388 – 392. 5. Stewart J. The Big Ear // Nuts & Volts, 2008, №10, p. 34 – 39. 6. Фолкенберри Л. Применения операционных усилителей и линейных ИС. – М.: Мир, 1985. 572 с. (с. 250 — 254). 7. Дайджест (Тест микрофонного эффекта конденсаторов) // Радиохобби, 2000, №5, с. 25. 8. Большая статья о маленьком усилителе на микросхеме TDA2822M. Датагорская статья. 9. Справочник. Микросхема УМЗЧ LA4525. Микросхема УМЗЧ LA4534M // Радиоконструктор, 2008, №9, с. 20 — 22. 10. Мосягин В.В. Юному радиолюбителю для прочтения с паяльником. (Серия «СОЛОН – радиолюбителям», выпуск 17). – М.: СОЛОН – Пресс, 2003. – 208 с. 11. Мосягин В.В. Секреты радиолюбительского мастерства. (Серия «СОЛОН – радиолюбителям) – М.: СОЛОН – Пресс, 2005. – 216 с.
Как сделать рупор
1. Для стенок рупора D острогайте еловую доску до толщины 6 мм, выпилите из нее заготовку размером 102×381 мм и разделите ее на четыре части по 89 мм. Разметьте на одной из этих частей сужения и скосы с обеих сторон (рис. 3).
2. Чтобы правильно и точно опилить скосы на каждой из стенок D, изготовьте приспособление из куска фанеры размером 203×457 мм. Наклоните диск пильного станка на угол 43° и сделайте на одной кромке скос. Подготовьте четыре обрезка размерами 25×50 мм, которые будут служить упорами, и приклейте к каждому из них полоску двухстороннего скотча. Прикрепите два обрезка к несущей доске приспособления (фото А) так, чтобы они удерживали заготовку стенки при опиливании первого скоса.
Совместите линию разметки скоса на стенке рупора D с краем скоса несущей доски и зафиксируйте положение заготовки упорами из обрезков.
Прижимайте заготовку стенки D толкателем к несущей доске приспособления и упорам, опиливая первый скос.
3. Опилите на стенках рупора D первый скос под углом 43° (фото В). Затем приклейте к несущей доске другую пару обрезков-упоров, ориентируя заготовку для опиливания второго скоса (фото С). После этого сделайте второй скос на всех четырех стенках рупора.
Не меняя наклон пильного диска и не сдвигая продольный упор станка, разверните заготовку стенки D на 180°, зафиксируйте ее положение второй парой упоров и сделайте скос на противоположном конце.
Усилитель звука на микросхеме LM386-1 с усилением 74 dB
В приведена схема интегрального усилителя в несколько необычном включении, позволяющем получить от микросхемы LM386-1 усиление до 74 dB. Схема – несложная, видимо, поэтому к ней отдельно не разрабатывается печатная плата, тем более что конструкторы встраивают такой усилитель в свои конструкции, где монтаж производится с другими деталями на общей плате.
Схема усилителя приведена на рис. 1. Его усиление меняется дискретно путём установки на место Rx резистора сопротивлением из таблицы 1, напротив значения сопротивления резистора приведено значение, получаемого, при этом, усиления.
Все резисторы усилителя мощностью рассеяния 0,125 Вт, неполярный конденсатор С3 – типа К10-17 или аналогичный импортный, полярные конденсаторы К50-16, К50-35 или аналогичные импортные 100 мкФ х 16 В. Динамическая головка ВА1 – с сопротивлением обмотки 8 Ом.
Монтажная плата, на которой собран усилитель, имеет размеры 32,5×22,5 мм и выполнена из фольгированного стеклотекстолита толщиной 1,0…1,5 мм (рис. 2). Если УЗЧ будет эксплуатироваться в условиях сильных РЧ наводок (обычная ситуация у радиолюбителя – коротковолновика), целесообразнее выполнить усилитель на плате из материала, фольгированного с двух сторон.
При этом фольга со стороны расположения деталей является экраном и соединяется с общим проводом усилителя. Для исключения замыкания выводов деталей, не соединённых с общим проводом, отверстия со стороны расположения деталей на плате зенкуются. Диаметр отверстий под выводы деталей – 0,6…0,7 мм, зенковка производится сверлом большего диаметра (2…7 мм).
По углам платы имеются отверстия для крепления платы к корпусу, например, приёмника, причём, совсем не обязательно крепить её винтами, можно просто припаять плату с помощью отрезков жёсткого лужёного провода, в этом случае, целесообразно диаметр отверстий для крепления делать не более 1 мм. Отрезки провода для крепления платы припаиваются к её общему проводу.
Поскольку микросхема включена по схеме с повышенным коэффициентом усиления, целесообразно (если входной сигнал подаётся через провод длиной более 5…10 см), экранировать провод, припаяв его оплётку с двух сторон к фольге общего провода платы, как показано на рис. 3.
Несмотря на то, что микросхема LM386-1 обладает повышенным уровнем собственных шумов, её очень часто используют конструкторы в своих разработках из-за малого количества сопутствующих деталей для получения полноценного усилителя, но коэффициент усиления такого усилителя в предлагаемых стандартных схемах включения составляет от 20 до 200 раз (26…46 dB) – возможно, такой, заложенный в ИМС коэффициент усиления и призван маскировать её собственный шум, но конструкторы, в частности JF10ZL, решили, всё-таки, “разогнать” усиление ИМС до 70.. .74 dB (3000…5000 раз).
При максимальном усилении (74 dB) отмечается склонность усилителя к самовозбуждению и, хоть это зависит от экземпляра микросхемы, УЗЧ становится капризным к изменениям напряжения питания, повышенному внутреннему сопротивлению источника питания. При использовании ИМС в предельном по усилению режиме, желательно либо стабилизировать напряжение питания УЗЧ (при сетевом питании), либо использовать свежие гальванические батареи (при автономном использовании усилителя).
Полезным будет и увеличение ёмкости блокировочных конденсаторов по напряжению питания (С5, С6). Часто встаёт вопрос: чем отличаются микросхемы с маркировками (LM)386N, (LM)386N-1, (LM)386N-3, (LM)386N-4? Первая – более старая версия второй, которая работает при низких напряжениях питания (4…12 В) – данные на неё приводятся при напряжении питания 6 В, номинальное напряжение питания для третьей – 9 В, четвёртая работает при более высоких напряжениях (5…18 В), номинальное напряжение питания 16 В и номинальное сопротивление нагрузки для неё составляет 32 Ом, для предыдущих – 8 Ом.
Сборка и тестирование
Односторонняя печатная плата для усилителя LM386 показана на рис. 3, а компоновка ее компонентов – на рис. 4. После сборки схемы на плате поместите ее в подходящую коробку. Закрепите разъем CON1 на передней панели для входа и громкоговоритель LS1 на задней стороне коробки. Подключите VR1 на передней панели для управления громкостью.
Рис. 3: Схема печатной платы усилителя звука на базе LM386
Рис. 4: Компонентная схема печатной платы
Загрузите PDF-файлы для печатных плат и компонентов: нажмите здесь
Перед использованием этого проекта, проверьте его с помощью батареи 6 В. Подключите 8-омный динамик мощностью в один ватт к выходному контакту 5 от IC1 до C3. Включите S1 и удерживайте VR1 в среднем положении
Теперь возьмите отвертку и осторожно коснитесь ее на контакте 3 входной клеммы IC1. Вы должны услышать жужжащий звук из динамика
Это подтвердит, что ваша схема работает и готова к использованию.
Летние скидки до 50% — Электроника для самоделок вкитайском магазине.
Запись. LM386 обеспечивает мощность от 250 милливатт до одного ватта в зависимости от напряжения питания и нагрузки. Обратитесь к его спецификации для деталей.
Блок питания
Источник питания 2 х 24 В трансформатор, 35 В после выпрямителя, мощность 250 ВА. Мост выпрямителя на 25 А и 4 конденсатора по 10000 мкФ. Предохранитель 3,5 А.
На печатной плате УМЗЧ питание фильтруется через конденсаторы 220 мкФ и обычные 100 нФ. Шнуры питания представляют собой медный кабель диаметром 1 мм, более толстый кабель не потребовался из-за небольшого падения напряжения.
Скажете мало? Давайте предположим, что провода диаметром 1 мм. Площадь поперечного сечения Пи х r2 = 0,7853 мм2. А 1 метр кабеля 0,75 мм2 имеет около 0,046 Ом. Тогда 10 см этого кабеля будет иметь 0,0046 Ом соответственно. Тепло, выделяемое на таком кабеле, в основном зависит от тока. Максимум от БП будет 4 А. Потери мощности dP в проводе с сопротивлением R0:
dP = I2 х R0, то есть dP в случае 4 A = 16 х 0,0046 = 0,0736 Вт. Всего 70 милливатт!
Кабели идущие к печатной плате, представляют собой медную витую пару 0,5 мм. Использование экранированного кабеля вызывало трудности при подключении к розеткам. Экранированный кабель очень жесткий, поэтому заменили его здесь витой парой, по шумам разница не заметна (вероятно из-за коротких участков). Также этот усилитель не ловит звонящий мобильный телефон, что очень хорошо.
Полезное: Большие самодельные акустические колонки на 1000 Вт
Выходной сигнал подводится через 1 мм кабели к банановым разъемам. Это самые универсальные гнёзда, они также отличаются высокой прочностью.
В динамиках отказались от кроссовера, лишь оставили конденсатор перед твиттером как незаменимый элемент, защищающий головку от сгорания. Этот конденсатор (2,7 мкФ) обрезает частоты с наклоном 6 дБ. В этом случае я отказался от конденсатора на входе. Также есть фильтр нижних частот перед усилителем, где сигнал поступает на печатную плату. Он отключает НЧ 6 дБ / октаву и состоит из последовательного резистора 22 кОм и параллельного конденсатора 5 нФ. Защитный конденсатор на входе (3,3 мкФ) остался.
Как собрать усилитель звука
Начинающим радиолюбителям нет смысла браться за повторение сложных транзисторных схем с высокими параметрами. Для регулировки таких конструкций потребуется сложная измерительная аппаратура. Самым простым вариантом для начинающих будет повторение схем, выполненных на интегральных компонентах. Для начала можно своими руками собрать простой усилитель звука небольшой мощности.
Микросхема LM386 работает в широком диапазоне питающего напряжения и обеспечивает мощность до 1,2 ватта на нагрузку 8 Ом. Коэффициент искажений сигнала не превышает 0,2%. Переменный резистор 4,7 кОм позволяет изменять коэффициент усиления от 20 до 200. Самодельное устройство можно собрать на макетной плате или навесным монтажом.
Разметка, складывание и склеивание подставки под телефон
Требуется отметить все линии сгиба кончиком ножниц, а затем сложить деталь в соответствии с фотографиями. Приклеить задние клапаны вниз, а затем протолкнуть вверх через отверстие в верхней части платформы, пока клапаны деталей не совместятся. Затем приклеить все пять клапанов с трех сторон. Клапан на дне не приклеивается. Он просто упирается в подставку, когда все остальное приклеено.
Увидели кусок пены или пенопласта в двери? Будьте осторожны, работают грабители
Райан Гослин: 5 звезд, которые начинали карьеру в «Клубе Микки Мауса»
Морская свинка думает, что она тоже кошка-сфинкс
↑ Универсальный усилитель на ИС LM386
Показанная на рис. 11 схема универсального УМЗЧ на ИС LM386 открывает простор для творчества, поскольку предоставляет готовый функциональный узел для широкого спектра применений (см. табл. 3). Исключён фрагмент. Полный вариант статьи доступен меценатам и полноправным членам сообщества. Читай условия доступа.
Рис. 11. Универсальный усилитель на ИС LM386
↑ Детали универсального усилителя и монтажная плата
Применены резисторы типа МЛТ, МОН, С2-33Н мощностью 0,25 или 0,125 Вт. Конденсаторы керамические КМ-5, КМ-6, К10-17, К10-47, а также плёночные К73-9, К73-17 или К73-24; оксидные конденсаторы К50-35. Динамическая головка – широкополосная, с сопротивлением 8 Ом, мощностью 0,5…3 Вт, например 1ГДШ-6-8. Все детали могут быть заменены импортными аналогами. Детали
DA1 – Микросхема LM386N (L), корпус DIP8-300 – 1 шт., SCS-8 Розетка dip узкая – 1 шт., R1 – Рез.-0,25W-4,7 кОм (Жёлтый, фиолетовый, красный, золотистый) – 1 шт., R2 – Рез.-0,25W-10 кОм (Коричневый, чёрный, оранжевый, золотистый) – 1 шт., R3 – Рез.-0,25W-680 Ом (Голубой, серый, коричневый, золотистый) – 1 шт., R4 – Рез.-0,25W-300 Ом (Оранжевый, чёрный, коричневый, золотистый) – 1 шт., R5 – Рез.-0,25W-160 Ом (Коричневый, голубой, коричневый, золотистый) – 1 шт., R6 – Рез.-0,25W-51 Ом (Зелёный, коричневый, чёрный, золотистый) – 1 шт., R7 – Рез.-0,25W-47 Ом (Жёлтый, фиолетовый, чёрный, золотистый) – 1 шт., R8 – Рез.-0,25W-15 Ом (Коричневый, зелёный, чёрный, золотистый) – 1 шт., R9 – Рез.-0,25W-4,7 Ом (Жёлтый, фиолетовый, золотистый, золотистый) – 1 шт., R10 – Рез.-0,25W-10 Ом (Коричневый, чёрный, чёрный, золотистый) – 1 шт., R – Переменный резистор 10 кОм под гайку СП3-4ам – 1 шт., C1 – Конд.X7R 0,22 мкФ керам.имп (EIA Code 224); К10-17 б-Н90-10% 0,22 мкФ – 1 шт., C2 – Конд.X7R 1000пФ керам.имп (102); КМ-6 б- 1000 пФ – 1 шт., C3, C4 – Конд.10/16V 0511 +105С – 1 шт., C5, C9 – Конд.X7R 0,047 мкФ керам.имп (473); К10-17-1а-Н90 0,047 мкФ – 2 шт., C7 – Конд.X7R 0,033 мкФ керам.имп (333); К10-47-100В 0,033 мкФ – 1 шт., C6, C8, C10 – Конд.220/16V 0611 +85°C – 3 шт., J1…J9 – Вилка на плату PLS-2 – 9 шт., Печатная плата 75Ч25 мм – 1 шт.
На рис. 12 показана монтажная плата усилителя.
Рис. 12. Монтажная плата универсального УМЗЧ на LM386
Для экспериментов с усилителем подходит лабораторный источник питания на основе аккумуляторной батареи .
Рабочая точка и смещение базы
Для того, чтобы транзистор не искажал входной сигнал, нужно его для начала чуть-чуть приоткрыть.
Это можно сделать при помощи делителя напряжения из двух резисторов R1 и R2. Этот делитель напряжения позволяет приоткрыть транзистор VT1 для того, чтобы входной сигнал не тратил свою электрическую энергию на его открытие.
Как определяется класс усилителя
Класс усилителя определяется его рабочей точкой. Рабочая точка выбирается с помощью вольтамперной характеристики транзистора. Чем выше напряжение подается на вход транзистора, тем больше ток, тем выше рабочая точка.
Например, точка по центру это А класс.
А класс самый качественный из усилителей. Он усиливает как положительные, так и отрицательные полуволны входного сигнала. В то же время, у этого класса есть существенный недостаток. Это ограничение мощности и снижение энергоэффективности. Дело в том, что пока на вход УНЧ не поступает входной сигнал, он работает все время, пока он включен.
Получается, что при это расходуется лишняя электроэнергия. Поэтому, еще рабочая точка называется точкой покоя, когда усилитель не усиливает входной сигнал.
Еще есть B класс, AB и D. Они отличаются друг от друга по эффективности усиления и наличию искажений. Все зависит от используемой схемы.
Например. D класс вообще не открывает транзистор, однако с точки зрения энергоэффективности – это самый лучший выбор. Транзистор в покое не потребляет ничего, он включается только при подаче входного сигнала. И при этом если на вход подается аналоговый звуковой сигнал, то он искажается. Такой класс не подойдет для схемы, которую разбираем в этой статье.
Поэтому, схемотехники и инженеры изобрели цифровые усилители. У них аналоговый сигнал преобразовывается в цифровой, и только потом подается на вход усилителя. Транзистор не искажает входной цифрой сигнал. После усиления сигнал снова преобразовывается в аналоговый с наименьшими потерями и искажениями.
А режим АВ применяется в схемах, где есть несколько транзисторов, которые работают на свои полуволны. Есть схемы, где один транзистор усиливает только положительные полуволны, а второй только отрицательные. Такие усилители называются двухтактными.
От чего зависит мощность схемы
У этой схемы есть ограничения. Можно поменять VT1 КТ315 на более мощный, у которого коэффициент усиления будет выше, но этот лимит усиления не бесконечный.
В первую очередь, все зависит от используемого транзистора. Если поменять его на более мощный, то и усиление будет выше. Но следует помнить, что чем мощнее транзистор, тем мощнее нужен входной сигнал. К тому же, придется сделать перерасчет всех компонентов. И подключать предусилитель, собирать схему блока питания, а это уже будет совсем другая схема.
У транзисторов есть ряд параметров, которые влияют на схему. Это коэффициент усиления по току (h21э), напряжению, мощности. А также важный параметр — это рассеиваемая мощность на коллекторе. С повышением мощности потребуется радиатор для отвода тепла.













































































