Уникальная разработка
В современном мире особым спросом пользуются светодиодные модели светильников. Светодиод представляет собой уникальную разработку, которая с успехом прижилась на рынке осветительных приборов и смогла вытеснить многих своих предшественников.
Принцип действия такого рода светильников основан на применении полупроводников, которые излучают свечение. В результате применения в производстве этого принципа стало возможным изобретение экономичных и долго работающих осветительных приборов.
Светильники линейки Армстронг, являясь светодиодными изделиями, обладают всеми преимуществами, что присущи этому роду осветительных приборов.
Ремонт светильника Армстронг

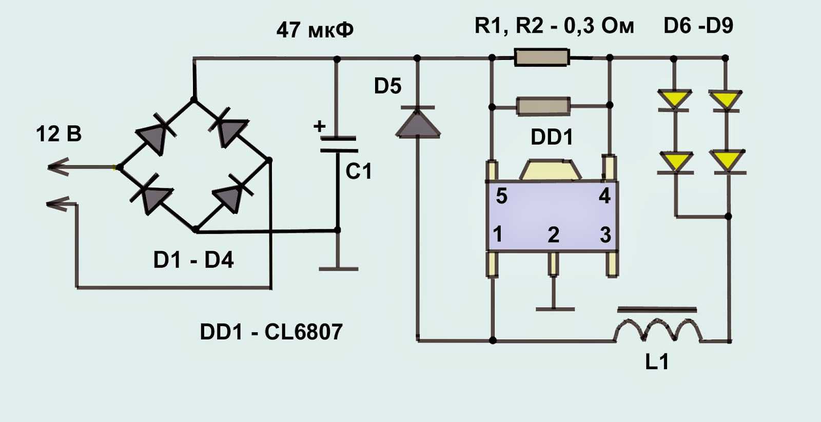
Ремонт осложняется тем, что в светодиодном светильнике Армстронг лампа перегореть не может. Нужно искать причину глубже. При наличии необходимых знаний, починка не предоставит сложностей.
Причиной выхода из строя осветительного прибора может стать неисправность блока питания либо светодиода в одной из лент.
При выходе из строя драйвера первое, на что следует обратить внимание, – предохранитель, варистор и фильтрующий конденсатор на входе. Определить неисправность предохранителя очень просто при визуальном осмотре
Если нить в стеклянной колбе находится в обрыве – необходима замена
Определить неисправность предохранителя очень просто при визуальном осмотре. Если нить в стеклянной колбе находится в обрыве – необходима замена.
При поломке варистора на его корпусе образуется трещина и прогар. Конденсатор вспухает либо лопается и заливает электролитом плату. Обе эти неисправности легко устранить заменой сгоревших компонентов и очисткой платы от нагара или следов электролита.
При выходе из строя светодиода необходимо выявить ленту, на которой он выгорел. Определить неисправный диод можно при визуальном осмотре. На нём появляется маленькая чёрная точка. После нахождения виновника неисправности лента отпаивается, аккуратно снимается с алюминиевой подложки и заменяется аналогичной.
Разновидности по типу лампы
Лампы в светильнике для подвесного потолка Армстронг могут быть светодиодными или люминесцентными.
Люминесцентные
- Т8.
- Т5 – этот используется реже.
Расположение светильников на потолке в офисе Для того чтобы такой осветительный прибор работал правильно, его нужно правильно смонтировать, запускать и эксплуатировать. Элементы, которые подают напряжение бывают двух типов:
- Электромеханические блоки – они передают импульс для поддержания свечения лампы. Но у них низкая частота излучаемого света, а это приводит к тому, что у людей, которые много находятся в помещении с таким освещением, устают глаза. Такие лампы дешевле, но используются зачастую только в складских помещениях.
- Электронные – они дороже, но частота мерцания у них настолько ускорена, что незаметна человеческому глазу. Проблема с ними в том, что такие лампы чувствительны к перепадам напряжения, поэтому лучше сразу установить стабилизатор для входящего напряжения.
Рассеиватель типа «колотый лед»
Светодиодные
Это, на данный момент, самые экономные приборы. У них срок службы в сравнении с люминесцентными выше, а также их эксплуатация дешевле. Свет в этом случае появляется за счет полупроводников, они имеют ряд неоспоримых преимущества, среди них:
- Небольшой вес.
- Компактность.
- Мощность освещения.
- Простота монтажа.
- Стойкость к изменениям напряжения в сети.
- Отсутствие мерцания, которое негативно сказывается на глазах человека.
Панель расссеивателя для потолочного светильника Количество энергии, которое уйдет на освещение таким прибором комнаты будет как минимум в 2 раза меньше, чем при использовании люминесцентных ламп. Светодиодные элементы подключаются непосредственно к преобразователю, что исключает необходимость постоянной замены отдельных элементов.
Светильник Армстронг нестандартной формы на потолке в офисе
Что нужно переделать?
Внимательно посмотрев на схемы, даже неопытному электрику станет понятно, как подключить светодиодную лампу вместо люминесцентной. В светильнике с ПРА нужно выполнить следующие действия:
- Отключить защитный автомат и убедиться в отсутствии напряжения.
- Снять защитную крышку, получив доступ к элементам схемы.
- Из электрической цепи исключить конденсатор, дроссель, стартер.
- Отделить провода, идущие к клеммам патронов и подключить их напрямую к фазному и нулевому проводу.
- Остальные провода можно удалить или заизолировать.
- Вставить лампу Т8 G13 со светодиодами и произвести пробное включение.
Контакты в виде штырьков для подключения светодиодной лампы Т8 отмечены на её цоколе символами «L» и «N».
Переделать люминесцентный светильник с электронным балластом ещё проще. Для этого достаточно выпаять или перекусить кусачками провода, идущие к балласту и выходящие из него. Затем фазовый и нулевой провод соединить с проводами левого и правого патронов светильника. Место соединения заизолировать, вставить LED-лампу и подать напряжение питания.
https://youtube.com/watch?v=q8Jv3N3uxK8
Намного проще выполнить установку и подключение светодиодной лампы Т8 в фирменных светильниках Philips. Нидерландская компания максимально упростила задачу своим потребителям. Чтобы установить светодиодную лампу длиной 600 мм, 900 мм, 1200 мм или 1500 мм, нужно будет выкрутить стартер, а на его место вкрутить заглушку, которая поставляется в комплекте. Разбирать корпус светильника и демонтировать дроссель в этом случае не нужно.
При выборе светодиодной лампы Т8 G13 стоит обращать внимание на исполнение цоколя. Он может быть поворотным или иметь жёсткое соединение с корпусом
Наиболее универсальными принято считать модели с поворотным цоколем. Их можно вкрутить в любой переделанный светильник, как с вертикальными, так и с горизонтальными прорезями в патроне. А ещё, регулируя угол наклона лампы, можно изменить направление светового потока.
http://rozetkaonline.ru/podkljuchenie-i-ustanovka/item/174-skhema-podklyucheniya-svetodiodnykh-lamp-vmesto-lyuminestsentnykhhttp://odinelectric.ru/osveshhenie/istochniki-sveta/kak-zamenit-lyuminestsentnuyu-lampu-na-svetodiodnuyuhttp://svetosmotr.ru/kak-peredelat-svetilnik-dnevnogo-sveta-v-svetodiodnyj/http://strojdvor.ru/elektrosnabzhenie/zamena-lyuminescentnyx-lamp-v-svetilnikax-na-svetodiodnye/http://ledjournal.info/vopros-otvet/zamena-ljuminescentnyh-lamp-na-svetodiodnye.html
Последовательное и параллельное подключение двух и более источников света
Для того чтобы подключить самую простую лампочку накаливания, как в принципе и любую другую, нужно подключить её один контакт к фазе, а другой к нулю, самому распространённому в бытовых условиях стран СНГ переменному напряжению 220 вольт.
Параллельное подключение устройств освещения подразумевает под собой подключение двух и более источников светового потока в параллель, то есть одни контакты ламп подключаются только к фазе, а все другие только к нулю, как показано на рисунке 1.
Через каждую лампочку пройдёт ток, который будет зависеть от её мощности, так же как и яркость светового потока, излучаемого ими, будет тоже зависеть от мощности каждой лампы. Естественно, что ток I будет равен сумме всех трёх токов, поэтому диаметр сечения основных проводников следует выбирать согласно ему. Это подключение считается самым распространённым и приемлемым, так как к нему можно будет, при необходимости в будущем, добавлять источники света и они не будут влиять на уже установленные.
При последовательном соединении, изображённом на рисунке, ток, протекающий по одной лампочке, будет зависеть от мощности, каждого источника света, а напряжение на них будет разделено на количество ламп и при данном входящем напряжении 220 вольт, будет равняется 110 вольт на каждом источнике света.
Такое подключение нужно обязательно выполнять со светильниками, которые имеют равную мощность. Рассмотреть это можно на примере двух ламп накаливания. Так как если подключить одну лампу 20 Ватт, а другую, например, на 200 Ватт, то лампа с меньшей мощностью тут же выйдет из строя, так как по ней пройдёт ток такой же, как и во второй лампе мощностью 200 Ватт, а это в 10 раз больше её номинала. Такое подключение может быть использовано для увеличения срока службы ламп накаливания, например, в подъездах и на лестничных клетках. Подключив две лампы на 220 вольт и мощностью, например, по 60 Ватт, они будут гореть вполсилы и прослужат очень долго. Нужно учесть, что это возможно только при подключении ламп накаливания. Последовательное подключение двух и более светодиодных ламп (светильников) и экономичных ламп нецелесообразно, так как они и так обладают довольно большим сроком службы.
Подключение лампы на один выключатель или на несколько
Как подключить лампу через выключатель? Главным нюансом при подключении является то, что нулевой провод питания непосредственно подключается к сети 220 вольт, а через выключатель разрывается фаза. Это делается для того чтобы можно было смело решать проблемами с патроном осветительного прибора, отключив лишь выключатель. Если подключение двух выключателей выполнить последовательно, то только при нажатии обеих клавиш лампа загорится. Такие виды подключения выключателей освещения очень редко используются, только при определённых индивидуальных условиях.
Интереснее является подключение так называемого проходного выключателя.
Суть такой схемы подключения одной лампы заключается в том, что включение и отключение лампы может быть произведено как от первого, так и от второго выключателя, вне зависимости в каком положении каждый из них. Например, это удобно, допустим, в длинном коридоре при входе в него человек нажимает на клавишу выключателя 2, и спокойно идёт по освещённому помещению, дойдя до конца коридора, не нужно возвращаться для выключения света, а можно лёгким нажатием выключателя 1, установленного в конце коридора, произвести отключение данного источника света. При таком подключении фаза тоже проходит через выключатели.
Усовершенствование освещения путём установки датчика движения
Главная функция установки датчика движения и подключения его к системе освещения, это автоматическое включение освещения без нажатия на клавишу выключателя освещения. То есть человек зашел помещение или в зону срабатывания датчика и свет включился, после ухода свет самостоятельно (автоматически) выключился. При выборе датчика движения необходимо в первую очередь учесть максимальную мощность ламп освещения.
Схема подключения датчика движения тоже не вызывает особых сложностей. Её можно устанавливать как с выключателем, так и без него. Просто при включении контакта выключателя датчик движения выводится из сети освещения, и осветительный прибор включается напрямую без датчика.
В любом случае работая с напряжением обязательно выполнять требования техники безопасности, а в частности:
- проверять наличие и отсутствие напряжения на токоведущих элементах, к которым человек дотрагивается при монтаже;
- автоматы питания освещения должны быть под замком;
- работы производить исправным инструментом.
Расчет количества светодиодных панелей на комнату
Чтобы рассчитать какое число Led панелей потребуется для комфортного освещения того или иного помещения, воспользуйтесь таблицей.
В ней приведены суммарные мощности светильников на 10м2 освещаемого помещения. А также зависимость этих показателей от типа самой комнаты: спальня, ванная, гостиная, кухня и т.п.
Например для кухни площадью 10м2 вам понадобится Led панели общей мощностью минимум в 40Вт. Если это будут 10 ваттные модели, то их потребуется 4шт.
При этом, не забывайте про цвет свечения: холодный – теплый – нейтральный.
Он подходит не для всех помещений. А при использовании в некоторых, и вовсе может вызвать проблемы со зрением.
Подобрать качественные светильники под нужный вам размер, ознакомиться с ценами и заказать их с доставкой домой можно здесь.
https://youtube.com/watch?v=e_eKe1r-Vaw
Популярные производители светодиодов
Светодиодные лампы в фары выпускают уже очень многие производители, но лучше останавливать свой выбор на проверенных временем. Не стоит экономить и покупать дешёвые подделки, лучше уж купить качественную лампу от достойного производителя, который гарантирует и яркое свечение, и длительный срок службы.
Среди популярных производителей лед ламп для фар явно лидируют такие как:
компания NIGHTEYE. Одним из последних её продуктов стали светодиодные лампы H4, предназначающиеся для передних фар NIGHTEYE H4. Цена в данном случае оправдана качеством на сто процентов. В комплекте изначально идёт две лампочки, каждая имеет яркость по 4000 Лм. А использование источников освещения возможно на фарах любой конфигурации. Также огромным плюсом идёт номинальное время эксплуатации, приравниваемое к 100 000 часам. Фактически этой отметки достичь не удалось, но на практике показатели работоспособности приближены к номинальным.
компания hlxg. Обо всей линейке диодных автомобильных фар пользователи отзываются положительно. Наиболее распространена у данной компании LED-лампа H4 на 50 Вт. Дело в том, что конструкция самой лампы соответствует огромному количеству автомобильных фар и установка довольна проста. Но нужно учесть, что ставить эти лед лампочки на фары с безлинзовыми дефлекторами не стоит, так как по освещённости не получится достичь эффекта 6000 К. Но с линзами эффект будет совершенно противоположным – на самой неосвещённой трассе с этими диодами любой водитель будет чувствовать себя уверенным. Рассчитана на 30000 часов.
компания DXZ успела также себя зарекомендовать с положительной стороны. Так, например, комплект лед ламп DXZ BrightLux H4 отличается приличной яркостью: при мощности 45 Ватт выходит реальная яркость в 6000 Лм и цветовая температура при этом достигает 6500 К. Корпус ламп выполняется из авиационного алюминия, способного обеспечить максимальную защиту от влаги и пыли. Работоспособность рассчитана на 50 000 часов.
компания Auxmart уже давно излюблена многими водителями. Так, например лампы для фар Auxmart H7 призваны разрешить все проблемы с плохой освещённостью трассы. Каждый элемент способен выдавать 4000 Лм и имеет хорошую фокусировку на дорожном полотне. При переключении с дальнего света на ближний направленный пучок отлично рассеивается и собирается, чётко выделяются границы. И как утверждают многие водители, качество фар никак не влияет на яркость ламп
Но в случае с этими фарами на яркость нужно обратить особое внимание в связи с тем, что цветовая температура 6500 К может слепить водителей, что требует зачастую дополнительной регулировки.
компания ZDATT. Особое внимание стоит уделить комплекту фар ZDATT H7 COB
В данном случае большое преимущество отведено увеличению рабочих температур. Нижняя граница так и осталась -40, а вот верхняя граница увеличена от 80 до 150 градусов. Этот факт позволяет со стопроцентной уверенностью заявить, что перегрев не возможен при работающих вентиляторах охлаждения. Мощность комплекта составляет 80 Ватт, при этом каждая лампа выдаёт по 4000 Лм с температурой в 6000 К. Рассчитана на 30 000 часов.
Принцип действия
Принцип работы лампочки на светодиодах представляется как ряд преобразований, обеспечивающих свечение входящих в ее состав излучателей. При подаче питающего напряжения на цоколь сначала оно поступает на драйвер, назначение которого как раз и состоит в приведении высокого напряжения к приемлемому для LED ламп виду.
Чтобы кратко описать этот способ энергообеспечения, достаточно обратиться к следующей схеме:
Если выражаться простыми словами – ее работа может быть представлена так:
- Сначала переменное напряжение подается на диодный мост, где частично выпрямляется.
- Следующая за ним электролитическая емкость предназначена для сглаживания пульсаций.
- После этого полностью выпрямленное напряжение подается на контроллер, управляющий работой LED лампы.
- С электронного модуля оно через развязывающий импульсный трансформатор поступает непосредственно на светодиоды.
Важно!
При ответе на нередко задаваемый вопрос: для чего нужна такая развязка, ответим – ее наличие частично снижает угрозу поражения высоким напряжением при работе с цоколем лампы.
Принцип действия LED лампочки на 12 Вольт намного проще, поскольку для преобразования напряжения потребуется типовой блок питания и ничего больше. А это, в конечном счете, снижает стоимость всего изделия в целом.
Характеристики люминесцентных светильников
В качестве заключения поговорим про характеристики люминесцентных светильников. Это важная часть статьи, прочитав которую вы сможете без проблем подобрать лампу точно под свои потребности.
При выборе компактной люминесцентной лампы обращаем внимания на следующий список характеристик:
Выходная мощность. Компактная лампа в силу своей специфики потребляет в пять раз меньше энергии на каждый люмен светового потока, чем обыкновенная лампа. Поэтому рассчитать требуемую мощность не составит никаких проблем. Нужно воспользоваться следующей формулой: мощность обычной лампы / 5 + 20%. Зачем прибавлять дополнительные проценты?
Цветовая температура. Глаз человека способен различить несколько оттенков света. В зависимости от цветовой температуры потока, оттенок может меняться от теплого желтого до холодного сине-белого. Показатель измеряется в кельвинах и обозначается большой буквой К.
- Подвесные светильники — примеры установки, размещения и дизайна источников света своими руками (110 фото)
-
Светильник настольный: дизайн, особенности размещения и идеи по установке
-
Люстра своими руками — инструкции по изготовлению и мастер-класс по созданию дизайнерских моделей
Для каждого типа помещения необходимо подобрать максимально эффективную, с точки зрения работы, температуру света. Например, лампы с холодной цветовой температурой прекрасно подойдут для кухни или ювелирной мастерской, а вот теплый свет, создавая ощущения уюта и комфорта, лучше подойдет для спален или гостиных.
Скорость запуска. Практически ни одна люминесцентная лампа не выдает всю мощность мгновенно. Лампы с «плавным» стартом имеет больший ресурс службы, чем их аналоги с мгновенным запуском. Поэтому такие светильники распространены в помещениях, где нет необходимости быстро что-то подсветить и освещение редко выключается. К таким помещениям относятся, например, склады.
Срок службы. При правильном использовании ресурс люминесцентных светильников превышает ресурс лампы накаливания в 10 раз. Такие светильники работают по 8-10 тыс. часов, что равняется приблизительно 8-11 лет. Естественно, далеко не всегда удается достичь похожих результатов.
Чем чаще происходит включение или отключение света, тем меньше прослужит лампа. Каждое включение/выключение сокращает срок службы светильника на несколько часов. В отличие от ламп накаливания, перепады напряжения люминесцентным светильникам не страшны.
Плюсы и минусы светильников армстронг
Выбирать светильник армстронг следует, предварительно изучив все достоинства и недостатки данного устройства. К преимуществам такого осветительного прибора относятся:
простота установки;
обеспечение высокой работоспособности людей
- возможность доступа к коммуникациям (к проводке и крепежу);
- обеспечение высокой работоспособности людей за счет равномерности светового потока;
- срок эксплуатации составляет от 3-х лет и более (около 50000 часов);
- обеспечение теплоотвода;
- минимизация механических повреждений благодаря дополнительным средствам защиты;
- отсутствие шума;
- отсутствие электромагнитных помех во время использования;
- простая замена элементов и ламп, вышедших из строя.
- Несмотря на большое количество положительных моментов использования светильников армстронг, можно выделить следующие их недостатки:
- достаточно высокая цена;
- модели данных светильников имеют заурядное внешнее оформление, что исключает возможность их применения в качестве декорирующего элемента в интерьере помещения;
становится утомительным
- холодный световой поток спустя некоторое время становится утомительным;
- светодиоды со временем теряют свою яркость, обуславливая потребность в их замене. Кроме этого, рекомендуется обновлять не только лампочки, но и само устройство.
Процесс монтажа
Минимальное расстояние между уровнем чистового потолка армстронг и чернового основания – 20 см, меньше не допускается, так как стандартные растровые светильник не удастся встроить. Прежде чем проводить монтаж следует проверить, есть ли дополнительные укрепляющие подвесы на участках установки светильников.
Допускается если на 2 ячейках под светильник 1 крепление, но при этом каждый отдельный квадрат должен иметь по 4 подвеса. Если исполнители сэкономили, то в процессе установки прибора следует дополнительно зафиксировать его к черновому потолку на специальных тросах-подвесах. За счет этого удастся уменьшить давление на подвесную конструкцию реечного потолка.
Перед закреплением светильника следует снять с него лампы, отражатели, рассеиватели, на корпусе остается только пусковое оборудование. Такие манипуляции помогут уменьшить вес светильника, и монтаж его удастся осуществить самостоятельно. Далее, каркас помещается в ячейку и совмещается с ней как элемент пазла.
Если монтируются нестандартные осветительные приборы, а точечные или подвесные, то для них в декоративной плите вырезают отверстие и туда вставляется прибор по аналогии с установкой их в гипсокартонные подвесные потолки.
Преимущества светодиодов
Кроме низкого потребления энергии есть и
другие достоинства:
- экологическая
безопасность; - небольшой
вес и размеры; - отсутствие
ультрафиолетового излучения; - мгновенное
загорание; - при
установке в салон не нагревается воздух; - длительный
срок эксплуатации (если лампа качественная); - возможность
выбрать практически любую цветовую температуру.
Недостатки
светодиодов
Большинство основным недостатком считает
высокую стоимость.
Есть и другие минусы:
- снижение
КПД в процессе эксплуатации; - необходимость
в дополнительной системе охлаждения; - ремонтонепригодность
(при выходе из строя одного элемента нужно менять прибор).
При отсутствии специальной системы управления интенсивность свечения снижается.
https://youtube.com/watch?v=T0IIosf5J3Q
Правовые
моменты
По закону устанавливать светодиодные автолампы
можно не на все транспортные средства.
Наказание не грозит, если:
- авто
выпущено со светодиодным освещением; - на
машине галогенное освещение, но конструкция не мешает установке светодиодного; - после
замены фар получено свидетельство, удостоверяющее безопасность эксплуатации
транспортного средства.
Во всех остальных случаях в КоАП
предусмотрен штраф 500 рублей.
Светодиодные лампы: их достоинства и особенности
Тенденция к монтажу в фары лампочек-светодиодов понятна, ведь они обладают рядом достоинств, которые выделяют их на фоне ксенона и галогена.
- Большой срок службы – до 40 лет. Этот показатель зависит от качества товара – на рынке часто встречаются китайские подделки.
- Низкая чувствительность к низким и высоким температурам.
- Стойкость к ударам и тряске.
- Высокая световая отдача – до 60 лм/Вт. (у обычной фары, для сравнения, в 2-3 раза ниже).
- Многообразие конструкций.
С ростом технологий изменяется и LED, в который добавляются всё более интересные функции.
Светодиоды активно внедряются в автомобилестроение. Элитные марки машин выходят с заводского конвейера уже со встроенным LED-освещением. Фары в таком транспорте – настоящий инженерный шедевр, поскольку настроить свет с диодов правильным образом – задача не из простых. Однако это не означает, что такие фары недоступны простому населению. Есть компании, которые успешно освоили их производство и наладили массовый выпуск. Уже существуют комплекты оптики для отечественных авто: «Лады», «Нивы» и других. Правда, цены на качественную продукцию могут быть приличными.
Эксплуатирование светодиодов в качестве головного света имеет ряд нюансов. Для хорошей работы им требуются мощный импульсный блок питания и специальная система охлаждения. Все эти приспособления делают фары громоздкими и дорогими. Стоимость их порой в полной комплектации достигает 40 тыс. рублей.
Ещё одна важная особенность LED’а в том, что при неправильной настройке оптики они будут крайне плохо работать, особенно это касается дальнего света. Налаживание системы фокусировки и рассеивания поможет добиться хорошего освещения.
Светодиоды также используются в качестве дополнительных фар, которые обычно устанавливаются на бампер или крышу автомобиля. Такое освещение часто применяется при езде по сельской местности, где нет фонарей и требуется более мощный свет. Светодиодные лампы в этом случае будут идеальным решением: они тратят мало энергии, не требуют сложного подключения.
При приобретении LED-ламп остерегайтесь некачественной продукции, которой кишит рынок, а также уловок продавцов. Например, на упаковке стоит этикетка, на которой указана мощность в 50 Вт, однако на деле мощность каждой отдельной фары будет только 25 Вт. Такое сложение, встречающее, как правило, на китайском секторе торговли, часто вводит покупателя в заблуждение
Помимо этого, обратите внимание на материал приборов: лучше, чтобы корпус был изготовлен из алюминия или подобных металлов
Схема подключения светодиодных ламп вместо люминесцентных
И еще раз, все достаточно просто, с одной стороны к ламам подводится фаза, а с другой ноль. При этом полярность не важна, так как подключается переменный ток, подсоединяйте так, как вам будет удобнее
Кроме того, не важно к какому из контактных штырьков подключается электрический провод, ведь их каждая пара, с каждой стороны LED лампы, замкнута
В случае переделки растрового люминесцентного светильника, мы просто берем провода, которые идут от цоколей g13 и обрезаем их, а затем все провода одной стороны подключаем на фазную клемму, а все провода другой, на нулевую. В итоге должно получится примерно следующая схема установки led ламп вместо ламп дневного света:
Как видите, технология простая, не нужно обладать каким-то особым образованием, чтобы перевести на светодиодные лампы, допустим, все люминесцентные светильники в офисе, на производстве или в магазине.
В результате такой переделки, вы получаете новый, современный светодиодный светильник, безопасный, с низким энергопотреблением и долгим сроком службы.
Источник
Световой поток
Измерение светового потока проводим в фотометрическом кубе, изготовленного в соответствии с ГОСТом. Он предназначен для измерения светового потока больших уличных прожекторов и потолочных светодиодных светильников Армстронг. Куб откалиброван эталонными источниками света. Перед измерениями всегда сначала устанавливается эталон и проверяется точность, затем проверяются образцы. Такая проверка позволяет избежать неточностей и отклонений.
Светопоток завышен у 6 моделей, только у Lezard он меньше на 7% от нормы. Обычно такой результат бывает из-за матового рассеивателя, на котором теряется от 25% до 35% света. А в характеристиках указывают световой поток для рассеивателя типа призма, микропризма или колотый лёд.
По поводу светодиодного потолочного светильника Foton подозреваю, что он не исправен, результат подозрительно низкий. Поэтому снова побеждает SmartBuy, он самый дешевый.
| — | Светопоток заявленный | Светопоток измеренный | Эффективность Лм/вт | Разница в % от заявленного |
| LuxLed | 4100лм | 3000 | 67 лм/вт | -27% |
| LedRay | 4400лм | 3830 | 72 лм/вт | -13% |
| Foton | 3400лм | 2240 | 57 лм/вт | -34% |
| Smartbuy | 3300лм | 2240 | 70 лм/вт | -32% |
| Lezard | 3400лм | 3150 | 70 лм/вт | -7% |
| Эра | 3300лм | 2780 | 75 лм/вт | -15% |
| СВО | 3200лм | 2560 | 64 лм/вт | -20% |
Выбор для вас
Встраиваемая модель
На сегодняшний день светильники модели Армстронг 4х18 разделяются по способу монтажа на следующие типы:
встраиваемые. Такие лампы получили свое название из-за того, что монтируются в поверхность потолка, не выступая над ним. Встраиваемые модели активно используются в офисах, поэтому их еще называют «офисные светильники». Потолочные конструкции подвесного типа могут удерживать на себе большое количество подобного рода осветительных приборов;
накладные. Особенностью подобных ламп является то, что она может устанавливаться на любые типы потолка (обычный или подвесной). Также могут встречаться в офисах, но гораздо реже.
Помимо этого, Армстронг 4х18 может различаться в зависимости от осветительного элемента:
Светодиодный тип
- светодиодный. Считается более современным вариантом. Такие лампы могут объединяться параллельно или последовательно, формируя линии. Им присущи все те преимущества, которые были описаны выше;
- люминесцентный. Такие лампы имеют модульное строение. В стандартных светильниках обычно используется четыре лампы. Обязательным элементом изделия является наличие пускорегулирующей аппаратуры. Эта аппаратура может быть электронной или электромеханической. Но у последних имеется существенный недостаток, заключающийся в наличии стробоскопического (пульсирующего) эффекта. Он возникает в момент включения светильника и со временем приводит к утомлению глаз.
Офисные помещения сегодня зачастую оборудуются светодиодными моделями. Благодаря им с потолка идет хороший световой поток, абсолютно безвредный и приятный для глаз человека.
Как видим, наиболее популярными моделями для потолка в офисе являются встраиваемые светодиодные светильники типа Армстронг 4х18.
А нужно ли менять люминесцентные лампочки на LED-лампы?
На сегодняшний день можно уверенно сказать, что LED-лампочки любого форм-фактора практически по всем показателям превосходят люминесцентные аналоги. Причём светодиодные технологии продолжают прогрессировать, а значит, изделия на их основе будут ещё более совершенными в будущем. В подтверждение сказанного ниже приведена сравнительная характеристика двух видов трубчатых ламп.
Люминесцентные лампы Т8:
- наработка на отказ составляет порядка 2000 ч. и зависит от количества включений, но не более 2000 циклов;
- свет распространяется во все стороны, в связи с чем они нуждаются в отражателе;
- постепенное увеличение яркости в момент включения;
- пускорегулирующий аппарат (ПРА) служит источником сетевых помех;
- деградация защитного слоя со снижением светового потока на 30%;
- стеклянная колба и пары ртути внутри неё требуют бережного отношения и утилизации.
Светодиодные лампы Т8:
срок службы не менее 10 тыс. ч. и не зависит от частоты вкл./выкл.;
имеют направленный световой поток;
мгновенно включаются на полную яркость;
драйвер не оказывает влияния на электросеть;
потеря яркости не превышает 10% за 10 тыс. часов;
имеют значительно меньшую мощность электропотребления;
полностью экологически безопасны.
Кроме того, светодиодные лампы Т8 обладают вдвое большей светоотдачей при равном энергопотреблении, реже выходят из строя и имеют гарантию от производителя. Возможность размещения внутри колбы разного количества светодиодов позволяет добиться оптимального уровня освещённости. Это означает, что взамен люминесцентной лампы Т8-G13-600 мм на 18 Вт можно установить светодиодную лампу такой же длины на 9, 18 или 24 Вт.
Сокращение Т8 указывает на диаметр стеклянной трубки (8/8 дюйма или 2,54 см), а G13 – это тип цоколя, указывающий на расстояние между штырьками в мм.
Взвесив все «За» и «Против», можно сделать вывод, что переделка люминесцентного светильника под светодиодную лампочку полностью оправдана, как с технической, так и с экономической точки зрения.
Прежде чем перейти к модернизации светильника с заменой люминесцентных ламп Т8 на светодиодные, сначала нужно как следует разобраться со схемами. Все люминесцентные светильники подключаются по одному из двух вариантов:
на базе ПРА, в составе которого дроссель, стартер и конденсатор (рис.1);
Как происходит крепление к потолку: монтаж
Во время монтажа пользуются такими инструментами:
- Клеммники.
- Пассатижи.
- Строительный нож.
- Отвёртка.
- Кабель с достаточной длиной.
- Распределительные коробы.
- Дрель.
Установка ЛЕД ламп: схема включения
Любое количество встроенных светильников с лампами предполагает применение негорючего кабеля ВВГ нг 2*1,5. Допустим вариант 3*1,5. Проводка с заземлением требует применения трёхжильного провода.
При использовании схем важно запомнить, что за чем идёт
Необходимый инструмент для включения в сеть
Распределительные коробки, провода и гофра – основные приспособления, которые применяются во время монтажа в таких ситуациях. Расположение и конфигурацию каждого светильника продумывают ещё на этапе проектирования.
Выбор провода
Стандартно рекомендуют для всех отрезков выбирать исключительно медную продукцию. Лучше пропаять и изолировать изделия, если на них встречаются скрутки первоначально
К каждому из светильников важно подвести отдельный гибкий провод. Медные гильзы или специальный «клеммник» помогают соединить элементы вместе
В последнем случае потом для изоляции используют ленту.
Разметка и прокладка кабеля
На этом этапе тоже нужно выполнить несколько действий.
Планирование общего пространства.
Потолки на нескольких уровнях предполагают выделение освещения по отдельным контурам. Для каждого из них управление организуется отдельным выключателем на 220 В. Надо заранее точно проработать монтажную схему.
Протяжка кабелей, их закрепление.
Для крепления рекомендуют выбирать металлические профили. Конструкция увеличивает надёжность благодаря стяжкам из пластмассы. Специальные петли формируют на местах, где крепятся световые точки. Их легко зацепить, достать через отверстия на потолке. Небольшое провисание таких компонентов вполне допустимо.
После монтажа потолочной поверхности схема крепления должна приобретать окончательный вид. По центру панелей лучше располагать светильники, когда речь идёт об алюминии, пластике. Дрель и специальная насадка под названием «коронка» помогут создать подходящие отверстия.
Монтаж в потолок типа ”Армстронг”
Здесь вообще не требуется какого-либо крепления. Если у вас до этого уже были смонтированы другие светильники с люминесцентными лампами, то порядок замены будет следующим.
В первую очередь отключаете напряжение на освещение. Далее демонтируете декоративную решетку поверх люминесцентных ламп.
Помните, что такие лампы, равно как и энергосберегающие и различного рода батарейки, нельзя просто так выбрасывать в мусор.
Отсоединяете провода питания со старого светильника.
Еще раз убеждаетесь индикаторной отверткой об отсутствии напряжения.
Не забывайте, что иногда выключателем света может разрываться не фаза, а ноль. При этом фазный провод будет напрямую приходить на лампочки. Это случается даже если изначально при монтаже вы все сделали правильно.
Почему так происходит подробно объясняется в статье ”Ошибки при подключении люстры”.
Демонтируете старый светильник с потолка Армстронг.
Подготавливаете драйвер нового для подключения. На его провода питания подключаете зажимы Ваго.
А уже через них, наверху подсоединяете эл.проводку 220В.
Сам драйвер с проводами можно просто спрятать за потолком.
Все что осталось, это подключить штекер питания с разъемом идущим от панели.
И вложить светодиодную панель в закладные.
Включаете выключатель и проверяете работоспособность освещения.








































































