Возможно, вам также будет интересно
Драйверы International Rectifier Фирма International Rectifier (IR) давно и хорошо известна в России как производитель силовых транзисторов и интегральных микросхем управления. Выпускаемые IR драйверы предназначены для работы в любых конфигурациях силовых каскадов в диапазоне мощности до 3–5 кВт. Технология производства микросхем управления HVIC вобрала в себя все достижения высоковольтных технологий, поэтому будет логично начать обзор
Классификация и общая схема выбора датчиков положения Бесконтактные датчики положения (часто их называют просто датчики положения или бесконтактные выключатели) пришли на смену традиционным концевым выключателям более 20 лет назад, и теперь они широко применяются во всех отраслях промышленности для определения положения механизмов, счета и позиционирования продукции. Датчики положения являются первичными источниками информации для систем автоматики,
Новые повышающе-понижающие регуляторы Cool-Power ZVS от Vicor с входным напряжением до 60 В
Самые распространённые схемы
Существует несколько классических стандартных схем, которые чаще всего применяются в импульсных преобразователях постоянного напряжения. Они обеспечивают разные величины соотношений между входным и выходным напряжением. Эти схемы раскрывают саму суть преобразователей и их принцип работы.
Понижающий преобразователь напряжения и его схема
Она используется для питания потребителей, нагрузка которых выражается большими токами и малым напряжением. Это первоочередная схема способная заменить классический низкочастотный преобразователь, в свою очередь, обеспечит увеличение КПД, уменьшит габариты и вес устройства. Транзистор VT выполняет роль электронного ключа, его работа лежит между двумя режимами осечки (полного закрытия) и насыщения (полного открытия). Расчет каждой детали производится непосредственно для конкретного потребителя и источника напряжения. Основным недостатком данной схемы является вероятность пробоя и появление полного большого входного напряжения на потребителе. Это, несомненно, приведёт к неисправности питаемого устройства.
Повышающий преобразователь и схема
Она может быть использована для получения напряжения на потребителе или на нагрузке больше чем на источники энергии. Применяется для подсветки дисплеев портативных компьютеров и для других электронных устройств где необходимо из небольшого напряжения сделать большее. Здесь имеет место процесс появления ЭДС самоиндукции, которая появляется после открытия транзистора. Вся накопленная энергия в дросселе попадает в нагрузку. При этом напряжение на выводах дросселя меняет свою полярность.
Инвертирующая схема
Может использоваться для получения напряжения, которое обладает обратной полярностью. При этом по значению U вых может быть меньше или больше U вх. Энергия, которая скапливается в дросселе направляется в нагрузку через сглаживающий конденсатор.
Как видно из этих схем все они не имеют гальванической развязки, то есть непосредственной изоляции вторичного выходного напряжения от входного.

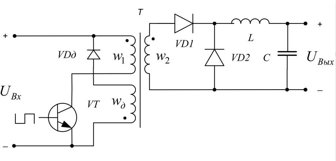
Вот одна из таких схем, содержащих трансформатор. Энергия, которая накапливается в магнитном поле первичной обмотки трансформатора, в нагрузку выводится через вторичную обмотку. Трансформатор в этом случае может быть и повышающим и понижающим. Применяется очень часто в сетевых источниках где есть необходимость снижения входного напряжения от нескольких сотен вольт до единиц или десятков.
В момент когда транзистор закрывается трансформатор своей индуктивностью может вызвать на коллекторе высоковольтный скачок или всплеск, что несомненно, очень плохо и может привести к пробою полупроводникового элемента. Для этого и устанавливается RC-цепочка из конденсатора и катушки индуктивности, которая может быть подключена параллельно ключу или первичной обмотке. Такой обратноходовой импульсный преобразователь широко используется во многих сетевых источниках электрического тока с небольшой мощностью порядка 100 Вт.

Еще одна схема с трансформатором и прямым включением диода изображена на схеме ниже.
Используется в источниках питания около 250 Вт. Все эти рассмотренные выше преобразователи называются однотактные, потому что за один период преобразования в нагрузку будет поступать только один импульс. Основное их преимущество — это простота схемы состоящей всего из одного транзистора, работающего в режиме ключа, а недостаток намагничивание сердечника которое не даёт в полном объёме использовать с максимальным КПД этот магнитный материал. Передача энергии потребителю и подготовка трансформатора к следующему циклу размагничивания осуществляется с некоторой паузой которая и снижает их выходную мощность.
Вот несколько практических реализованных в жизни схем, основой которого является импульсный преобразователь. Первая из них имеет регулировочный элемент, выполненный на микросхеме, в свою очередь, обе схемы выполнены на полевых транзисторах. Расчет их выполнен под напряжение для нагрузки от 5 до 12 Вольт.

Описание работы преобразователя напряжения с 12 на 5 вольт
Как уже было сказано ранее, схема построена на микросхеме MC34063, которая представляет собой контроллер, содержащий основные компоненты, необходимые для изготовления DC-DC преобразователей.
MC34063 содержит температурную компенсацию, источник опорного напряжения, компаратор и генератор с регулируемым заполнением. Кроме того, данная микросхема содержит схему ограничения тока и внутренний ключ, который может работать с токами до 1,5 А.
Для изготовления преобразователя требуется ОУ, дроссель, диод и несколько резисторов и конденсаторов. На рисунке ниже представлена полная принципиальная схема преобразователя.

Сердцем устройства является уже упомянутый ранее чип DD2 (MC34063), а так же дроссель L1 и диод Шоттки VD1. Диод выполняет очень важную роль — благодаря ему происходит закрытие контура для протекания тока от дросселя L1, возникающего после отключения внутреннего выходного ключа MC34063.
Блок питания 0…30 В / 3A
Набор для сборки регулируемого блока питания…
Подробнее
Конденсатор C3 определяет частоту работы внутреннего генератора DD2 и при емкости в 470pf частота будет составлять около 50 кГц. Резистор R5 отвечает за ограничение тока преобразователя и через него протекает весь импульсный ток, поступающий далее на дроссель L1. Ограничение тока установлено на уровне около 1,1 А.
Конденсатор C1 фильтрует напряжение питания. Выходной фильтр представляет собой конденсатор C4, а стабилитрон VD3 мощностью 1,3 Вт защищает схему от возможного кратковременного повышения напряжения.
Очень важным элементом является резистивный делитель напряжения R3, R7, так как он отвечает за величину выходного напряжения. Их соотношение подобрано таким образом, что при выходном напряжении 5В на входе 5 компаратора микросхемы DD2 было напряжение 1,25В.
Большим преимуществом данной схемы является возможность автоматического выключения питания после отключения нагрузки. За эту функцию отвечает транзистор VT1 и резисторы R1,R2. В выключенном состоянии резистор R1 обеспечивает правильную отсечку транзистора VT1. Запуск системы осуществляется через кратковременное нажатие кнопки SW1.
Преобразователь запускается, а транзистор VT2 далее поддерживает низкий уровень на базе VT1. Резистор R2 ограничивает ток базы транзистора VТ1.
Для контроля тока, потребляемого нагрузкой, используется операционный усилитель DD1 (LM358). Он работает в качестве неинвертирующего усилителя с коэффициентом усиления равным 1000. Коэффициент усиления определяется номиналами резисторов R8 и R9.
Конденсатор C2 фильтрует напряжение питания усилителя. Для управления транзистором VT2 используется делитель напряжения на резисторах R4 и R6, с коэффициентом деления 2.
Незначительное падение напряжения на измерительном резисторе (шунте) R11 порядка 5-6мВ приведет к открытию транзистора VT2 и поддержанию работы преобразователя. Таким образом, для поддержания работы преобразователя достаточно чтобы ток потребления был порядка 25-30мА. Светодиод VD2 выполняет роль индикатора питания, а его ток ограничен резистором R10.
Скачать рисунок печатной платы (80,4 KiB, скачано: 1 760)
Походы к выбору стабилизатора
Перечень параметров, по которым выбирают стабилизаторы, обязательно включает:
- мощность нагрузки или отдаваемый номинальный ток;
- выходное напряжение;
- тип сети (однофазная – трехфазная).
Большую помощь окажет информация о стабильности сети, уровне импульсных помех в ней.
При определении номинальной мощности суммируют мощности всех потребителей защищаемой сети. Для оценки мощности номинальной нагрузки токовую нагрузочную способность входного автомата умножают на 220 В.
При прочих равных условиях выбирают однофазные модели линейных стабилизаторов, учитывают, что модульные конструкции более удобны в обслуживании.
Учитывают эстетические параметры и количество выходных розеток, рисунок 5.
Рис.5. Вариант исполнения однофазного стабилизатора
Окончательный выбор целесообразно выполнять с учетом производителя и места изготовления. Для определения качества техники юго-восточного производства, выпускаемой без контроля со стороны ведущих западных компаний, имеет смысл изучить профильные форумы. Такой подход позволяет сделать адекватный вывод о качестве прибора.
Кроме технических параметров обязательно принимают во внимание доступность сервисного обслуживания. Следует учесть, что в продаже имеется большой выбор 220-вольтовых однофазных и 380-вольтовых трехфазных устройств
Стабилизаторы с широким диапазоном регулировки и выходным напряжением других номиналов часто поставляются под заказ
Следует учесть, что в продаже имеется большой выбор 220-вольтовых однофазных и 380-вольтовых трехфазных устройств. Стабилизаторы с широким диапазоном регулировки и выходным напряжением других номиналов часто поставляются под заказ.
Промышленность выпускает широкую гамму бытовых стабилизаторов напряжения, что позволяет произвести выбор конкретной модели устройства с учетом конкретной области применения.
Массовый характер рынка стабилизаторов определяет большое количество работающих на нем производящих предприятий, предлагающих свою продукцию через партнерскую сеть. Поэтому перед покупкой следует выполнить тщательный многокритериальный отбор продукта.
Чем импульсные стабилизаторы лучше линейных? Ответ Компании Rohm
Приведен обзор модульных импульсных стабилизаторов компании Rohm, которые обладают высоким КПД и просты в применении. Кроме того, подробно рассматриваются и сравниваются основные характеристики импульсных и линейных стабилизаторов.
Современная аппаратура становится все легче и компактнее благодаря применению интегральных схем высокой степени интеграции, передовых схемотехнических решений, использованию более емких и легких аккумуляторных батарей
В портативном приборе важно правильно организовать питание и достичь не только высокого КПД, но и обеспечить требуемое время жизни батареи. Для продления срока ее службы нужно организовать низкое собственное энергопотребление прибора, а значит, используемых компонентов
Кроме того, желательно применять переход в ждущий режим
тех цепей, которые не используются в данный момент. Всем этим требованиям отвечают модульные импульсные стабилизаторы компании Rohm. Рассмотрим их параметры в сравнении с параметрами линейных аналоговых стабилизаторов.
Сравнение импульсных
и линейных стабилизаторов
Преимущества линейных стабилизаторов известны: это простота, низкий уровень шума на выходе и низкая цена. Недостатком их является низкий коэффициент полезного действия (КПД). Линейные стабилизаторы — только понижающие. Когда нужно высокое напряжение для питания дисплея или отрицательное напряжение для аналоговых цепей — без импульсных стабилизаторов не обойтись. Преимуществом импульсных стабилизаторов является высокий КПД, но в то же время импульсный характер работы является причиной генерации импульсных шумов, наличие которых не позволяет использовать импульсные стабилизаторы повсеместно.
В таблице 1 приведено сравнение основных параметров стабилизаторов с точки зрения их применения в портативной аппаратуре.
Как видно из таблицы, и линейные, и импульсные стабилизаторы имеют свои достоинства и недостатки. Обычно в одном устройстве применяются и линейные аналоговые, и импульсные стабилизаторы. Линейный стабилизатор преобразует напряжение батареи в напряжение для питания логических цепей, а один или несколько
импульсных стабилизаторов обеспечивают другие номиналы напряжений для питания аналоговых цепей или ЖК-дисплеев.
Для того чтобы уменьшить токи утечки батареи, в портативных приборах принято отключать неиспользуемые в настоящий момент цепи. В импульсных стаби-
RPM7136 — ИК-фотоприемник от ROHM
Инфракрасный фотоприемник для ПДУ японской фирмы ROHM RPM7136 нельзя отнести к новинке, скорее это «рабочая лошадка», продукт, проверенный временем. Основные достоинства продукции ROHM — это надежность японского производителя, оцененная многими производителями РЭА и очень привлекательная цена. Применение фотоприемника:
• Телевизоры
• Музыкальные центры
• Кондиционеры
• Бытовая электрорадиоаппаратура
Особенности RPM7136:
• Малый ток потребления (0,85 мА)
• Наличие внутреннего фильтра
• Высокое подавление пульсаций
• Высокая помехоустойчивость к солнечному свету Фотоприемник применяется в системах дистанционного управления бытового назначения. RPM7136 — это модуль, в функции которого входит прием и обработка ИК оптического сигнала, он обеспечивает прием, усиление, фильтрацию и демодуляцию. Несущая частота, с которой работает данный модуль, составляет 36,0 кГц. Модульный фотоприемник допускает непосредственное подключение к микроконтроллеру. Напряжение низкого логического уровня составляет ,5 В, а высокого — 4,5 В. Модуль может поставляться с пятью типами держателей.
Предыдущая статья «Микроконтроллеры MCF5223X для сетевых приложений»
Следующая статья >> «Чем импульсные стабилизаторы лучше линейных? Ответ Компании Rohm.Продолжение»
Доработка мультиметра.
Мультиметр DT-830B сразу же заработал от модернизированной «Кроны». А вот тестер M890C+ пришлось немного доработать.
Дело в том, что в большинстве современных мультиметров задействована функция автоматического отключения питания. На картинке показана часть панели управления мультиметра, где обозначена данная функция.
Схема автоотключения (Auto Power Off) работает следующим образом. При подключении батареи, заряжется конденсатор С10. При включении питания, пока конденсатор C10 разряжается через резистор R36, на выходе компаратора IC1 удерживается высокий потенциал, что приводит к отпиранию транзисторов VT2 и VT3. Через открытый транзистор VT3 напряжение питания и попадает в схему мультиметра.
Как видите, для нормальной работы схемы, нужно подать питание на С10 ещё до того, как включится основная нагрузка, что невозможно, так как наша модернизированная «Крона», напротив, включится только тогда, когда появится нагрузка.
В общем, вся доработка заключалась в установке дополнительной перемычки. Для неё я выбрал место, где это было сделать удобнее всего.
К сожалению, обозначения элементов на электрической схеме не совпали с обозначениями на печатной плате моего мультиметра, поэтому точки для установки перемычки нашёл так. Прозвонкой выявил нужный вывод выключателя, а шину питания +9V определил по 8-ой ножке операционного усилителя IC1 (L358).
Импульсный стабилизатор напряжения и его принцип работы
Главным принципом работы считается то, что при закрытии электрической сети стабилизатор начнет накапливать электроэнергию. После размыкания сети накапливающий элемент выполнит передачу напряжения. Благодаря этому вы сможете избежать скачков и значительно понизить напряжение.
Накапливающий элемент может быть разным и все зависит от ряда факторов. Импульсные регуляторы могут работать двумя различными способами. Первый способ предполагает в себе использование ШИМ, а второй предполагает использование триггера Шмитта. Если вы не знаете, какие бывают стабилизаторы напряжения, тогда нужно прочесть соответствующую статью.
Стабилизированный источник питания 12В / 30А
Представляем мощный стабилизированный блок питания на 12 В. Он построен на микросхеме стабилизатора LM7812 и транзисторах TIP2955, что обеспечивает ток до 30 А. Каждый транзистор может давать ток до 5 А, соответственно 6 транзисторов обеспечат ток до 30 А. Можно изменением количества транзисторов и получить желаемое значение тока. Микросхема выдает ток около 800 мА.
На его выходе установлен предохранитель в 1 А для защиты от больших переходных токов. Нужно обеспечить хороший теплоотвод от транзисторов и микросхемы. Когда ток через нагрузку большой, мощность рассеиваемая каждым транзистором также увеличивается, так что избыточное тепло может привести к пробою транзистора.
В этом случае для охлаждения потребуется очень большой радиатор или вентилятор. Резисторы 100 Ом используются для стабильности и предотвращения насыщения, т.к. коэффициенты усиления имеют некоторый разброс у одного и того же типа транзисторов. Диоды моста рассчитаны не менее, чем на 100 А.
Примечания
Наиболее затратным элементом всей конструкции, пожалуй, является входной трансформатор, Вместо него возможно использование двух последовательно соединенных батарей автомобиля. Напряжение на входе стабилизатора должно быть на несколько вольт выше требуемого на выходе (12В), чтобы он мог поддерживать стабильный выход. Если используется трансформатор, то диоды должны выдерживать достаточно большой пиковый прямой ток, обычно, 100А или более.
Через LM 7812 будет проходить не более 1 А, остальная часть обеспечивается транзисторами.Так как схема рассчитана на нагрузку до 30А, то шесть транзисторов соединены параллельно. Рассеиваемая каждым из них мощность – это 1/6 часть общей нагрузки, но все же необходимо обеспечить достаточный теплоотвод. Максимальный ток нагрузки приведет к максимальному рассеиванию, при этом потребуется крупногабаритный радиатор.
Для эффективного отвода тепла от радиатора, может быть хорошей идеей применение вентилятора или радиатора с водяным охлаждением. Если блок питания нагружен на максимальную нагрузку, а силовые транзисторы вышли из строя, то весь ток пройдет через микросхему, что приведет к катастрофическому результату. Для предотвращения пробоя микросхемы на ее выходе стоит предохранитель в 1 А. Нагрузка 400 МОм только для тестирования и не входит в окончательную схему.
Вычисления
Данная схема отличная демонстрация законов Кирхгофа. Входящая в узел сумма токов, должна быть равна сумме токов выходящих из этого узла, а сумма падений напряжений на всех ветвях, любого замкнутого контура цепи должна быть равна нулю. В нашей схеме, входное напряжение 24 вольт, из них 4В падения на R7 и 20 В на входе LM 7812, т.е 24 -4 -20 = 0. На выходе суммарный ток нагрузки 30А, регулятор поставляет 0.866А и 4.855А каждый из 6 транзисторов: 30 = 6 * 4.855 + 0.866.
Ток базы составляет около 138 мА на транзистор, чтобы получить ток коллектора около 4.86А коэффициент усиления по постоянному току для каждого транзистора должен быть не менее 35.
TIP2955 удовлетворяет этим требованиям. Падение напряжения на R7 = 100 Ом при максимальной нагрузке будет 4В. Рассеиваемая на нем мощность, вычисляется по формуле P= (4 * 4) / 100, т.е 0.16 Вт. Желательно, чтобы этот резистор был мощностью 0.5 Вт.
Входной ток микросхемы поступает через резистор в цепи эмиттера и переход Б-Э транзисторов. Еще раз применим законы Кирхгофа. Входной ток регулятора состоит из тока 871 мА, протекающего по цепи базы, и 40.3мА через R = 100 Ом. 871,18 = 40,3 + 830. 88. Входной ток стабилизатора всегда должен быть больше выходного. Мы видим, что он потребляет только около 5 мА и практически не должен греться.
Тестирование и ошибки
Во время первого испытании, не надо подключать нагрузку. Вначале измеряем вольтметром напряжение на выходе, оно должно быть 12 вольт, или не сильно отличающаяся величина. Затем подключаем сопротивление около100 Ом, 3 Вт в качестве нагрузки.Показания вольтметра не должны измениться. Если вы не видите 12 В, то, предварительно выключив питание, следует проверить корректность монтажа и качество пайки.
Один из читателей, получил на выходе 35 В, вместо стабилизированных 12 В. Это было вызвано коротким замыканием силового транзистора. Если есть КЗ любого из транзисторов, придется отпаять все 6 для проверки мультиметром переходов коллектор-эмиттер.
Как устроен ШИМ контроллер
В стабилизированных и регулируемых источниках питания напряжение на выходе поддерживается методом широтно-импульсной модуляции (ШИМ). Суть метода в том, что первичная обмотка питается импульсами неизменной амплитуды и частоты. Для регулировки напряжения в зависимости от нагрузки или выбранного уровня изменяется ширина импульса. Трансформированные во вторичную обмотку импульсы затем выпрямляются и усредняются на выходном конденсаторе фильтра. Чем больше ширина импульса, тем выше усредненное напряжение. Если в результате увеличения тока нагрузки напряжение на выходе просело, ШИМ-контроллер сравнивает выходное напряжение с заданным и дает команду увеличить ширину импульсов. Если напряжение увеличилось, ширина импульсов уменьшается. Среднее напряжение также уменьшается.
Принцип регулирования выходного напряжения методом широтно-импульсной модуляции.
Культовой микросхемой для построения импульсных источников считается TL494. На ее примере можно разобрать принцип действия шим контроллера блока питания.
Распиновка TL494.
Назначение выводов микросхемы указано в таблице.
| Назначение | Обозначение | Номер вывода | Номер вывода | Обозначение | Назначение |
|---|---|---|---|---|---|
| Прямой вход усилителя ошибки 1 | IN1 | 1 | 16 | IN2 | Прямой вход усилителя ошибки 1 |
| Инверсный вход усилителя ошибки 1 | IN1 | 2 | 15 | IN2 | Инверсный вход усилителя ошибки 1 |
| Выход обратной связи | FB | 3 | 14 | Vref | Выход опорного напряжения |
| Управление временем задержки | DTC | 4 | 13 | ОТС | Выбор режима работы |
| Частотозадающий конденсатор | C | 5 | 12 | VCC | Напряжение питания |
| Частотозадающий резистор | R | 6 | 11 | С2 | Коллектор 2-го транзистора |
| Общий провод | GND | 7 | 10 | E1 | Эмиттер 1-го транзистора |
| Коллектор 1-го транзистора | C1 | 8 | 9 | E2 | Эмиттер 2 -го транзистора |
На выводы 7 и 12 подается напряжение питания +7..40 вольт. На выходе микросхемы установлены два транзистора, которые можно использовать для управления внешними ключами. Коллекторы (выводы 8 и 11) и эмиттеры (10 и 9) выходных транзисторов никуда не подключены. Их можно включать по схеме с открытым коллектором или с открытым эмиттером. Микросхема оптимизирована для управления ключами на биполярных транзисторах, но с использованием немного усложненных схемотехнических решений можно переключать и полевые транзисторы.
Структурная схема TL494.
Частоту генератора задают элементы, подключаемые к выводам 5 и 6. Напряжением на выводе 4 ограничивают ширину выходного импульса. Это необходимо для исключения «перехлеста» открытия транзисторов чтобы избежать ситуации, когда оба ключа оказываются открыты. Через этот вывод также можно организовать мягкий пуск БП. Вывод 13 служит для перевода микросхемы в однотактный режим. Если его подключить к общему проводу, импульсы на выводах обоих ключей станут одинаковыми. На выводе 14 постоянно присутствует образцовое напряжение, равное +5 вольтам. Оно может быть использовано в любых схемотехнических целях.
Выводы 1 и 2 служат прямым и инверсным выводами усилителя ошибки. Если напряжение на выводе 1 превышает напряжение на 2 ноге, то ширина выходных импульсов будет уменьшаться пропорционально разнице на этих выводах. Если напряжение на 2 выводе выше, чем на 1, то на выходе импульсы будут отсутствовать. Также работает второй усилитель ошибки (выводы 16 и 15). Выходы обоих усилителей соединены по схеме ИЛИ и подключены к ноге 3. Первый усилитель обычно используют для регулирования напряжения, второй – для регулирования тока.
Схема ИИП на TL494.
В качестве примера можно рассмотреть схему лабораторного источника на данной микросхеме. Здесь применены практически все технические решения, описанные выше. Регулируемая обратная связь, выполненная на операционных усилителях OP1..OP4, позволяет настраивать уровень выходного напряжения и ограничивать ток. Для создания импульсного напряжения используется полумостовой инвертор на биполярных транзисторах, подключенных к микросхеме посредством драйвера.
Для наглядности рекомендуем серию тематических видеороликов.
https://youtube.com/watch?v=6CVvEcL6mOw
https://youtube.com/watch?v=C8dgBhtvZQ0
https://youtube.com/watch?v=ZeqjPXw6XiU
Также при создании ИИП применяются и другие микросхемы-регуляторы ШИМ. Они могут отличаться от TL494 по функционалу и назначению выводов, но в них используются те же принципы. Разобраться в их работе не составит труда.



























































