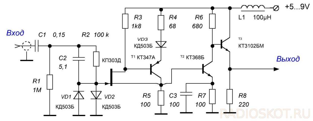
Схема входной цепи
Большое значение при измерениях частоты имеет качество входного каскада — формирователя сигнала. Он должен иметь высокое входное сопротивление чтобы не оказывать влияния на измеряемую цепь и преобразовывать сигналы любой формы в последовательность прямоугольных импульсов. В данной конструкции применена схема согласующего каскада с полевым транзистором на входе:

Эта схема частотомера, конечно, не лучшая из возможных, но всё-таки обеспечивает более-менее приемлемые характеристики. Она была выбрана в основном исходя из общих габаритов конструкции, которая получилась очень компактная. Вся схема собрана в пластиковом корпусе-футляре от зубной щётки:

Микросхемы и прочие элементы запаяны на узкой полоске макетной платы и все соединения сделаны с помощью проводов типа МГТФ. При настройке входного каскада-формирователя сигнала следует подбором сопротивлений R3 и R4 добиться установления напряжения 0,1. 0,2 вольт на истоке полевого транзистора. Транзисторы здесь можно заменить на аналогичные, достаточно высокочастотные.
ТЕХНИЧЕСКИЕ ХАРАКТЕРИСТИКИ PLJ-6LED
| Основные характеристики частотомера | |
| Диапазон частот | 0,1 — 65 МГц |
| Ручной режим диапазон частот | настройка значения промежуточной частоты 0 — 99,9999 МГц шаг 100 Гц |
| Точность | 10 Гц |
| Чувствительность | > 60 мВпп |
| Время теста | 0,10 с |
| Микроконтроллер, центральный чип | PIC16F648A |
| Опорный генератор | управляемый напряжением кварцевый генератор 13000 МГц (VC-TCXO) со стабильностью частоты ± 2.5 ppm |
| Автоматическое сохранение настроек | есть |
| Разъёмы |
DC IN (питание): HX2.54-2P socket RF IN (вход сигнала): HX2.54-2P socket ICSP (интерфейс программирования): 2.54-6P Pin |
| Общие характеристики | |
| Дисплей | LED, 0,56″, 6-ти символьный с подсветкой красного цвета |
| Питание | DC 8 — 15 В (с защитой от перефазировки) |
| Рабочий ток | 90 мА |
| Температура хранения | -30 — +60 °C |
| Рабочая температура | 0 — +40 °C |
| Габариты | 91 х 28 х 20 мм |
| Вес прибора | 46 г |
| Комплектация | частотомер PLJ-6LED – 1 шт |
Дополнения
Для питания частотомера можно использовать любой сетевой адаптер с выходным стабилизированным напряжением 9 вольт и током нагрузки не менее 300 мА. Либо установить в корпус частотомера стабилизатор на микросхеме типа КРЕН на 9 вольт и питать от адаптера с выходным напряжением 12 вольт, либо брать питание непосредственно от измеряемой схемы, если там напряжение питания не менее 9 вольт. Каждую микросхему необходимо зашунтировать по питанию конденсатором порядка 0,1 мкФ (можно подпаять конденсаторы прямо на ножки «+» и «-» питания). В качестве входного щупа можно использовать стальную иглу, припаянную к входной «площадке» платы, а «общий» провод снабдить зажимом типа «крокодил».

Данная конструкция была «создана» в 1992 году и успешно работает до сих пор. Андрей Барышев.
Источник
Встраиваемый частотомер до 65 МГц PLJ-6LED с 6 — разрядным цифровым дисплеем
Для измерения частот сигналов любой формы, в диапазоне от 100 кГц до 65 МГц, востребованном в радиолюбительской и ремонтной практике, удобно использовать простой, светодиодный, малогабаритный и точный цифровой частотомер на микроконтроллере PIC16F648A. Частоты, выходящие за пределы диапазона, используются редко: ниже 100 кГц — практически, звуковые, а выше 65 МГц — FM приемники и GSM. Благодаря коротким стойкам с резьбой прибор удобно встраивается в передние панели приборов.
Особенности измерений
Схема измерений такова, что многофункциональный частотомер из Китая может предлагать, что именно отображать на шкале: вычитаемое или прибавляемое значение частоты, сравнённое с введённым вручную. Частота, устанавливаемая для сравнения, в специальном режиме меню, может лежать в пределах от 0 до 99,9999 МГц. Точность установки — шаги через 100 Гц, а погрешность измерений — 10 Гц. Разумеется, что при установленной вручную частоте, равной нулю, прибор будет измерять «frequency» на входе без оглядки на какие-либо ориентиры частот.
Несколько слов о точности измерений
Частотомер на пике PIC16F648A и LED индикатором (в лексиконе радиолюбителей пик — PIC— контроллер) имеет кварцевый, температурно-компенсированный генератор частоты, управляемый напряжением, амплитудное значение которого мало и равно 2,5 мВ. Так как измеряемая частота сравнивается с частотой кварцевого генератора, которая, в некоторой степени, зависит от температуры, то для уменьшения погрешности используется схемотехническое решение VC-TCXO, корректирующее уход частоты кварца при изменении внешних условий.
Вариативность напряжений питания
Инструкция предлагает один диапазон питания: от 6 до 15 В. Подключение — интерфейс на плате. Если вам удобнее использовать напряжение 5 В от USB выхода устройства, то частотомер допускает это, в случае проведения определенной аппаратной настройки. У прибора имеется 6-pin программный вход (ICSP).
Частотомеры
Частотомеры, сделанные на основе микросхем К561 (CD40) или микроконтроллеров обычно предназначены для измерения частоты не более 1 Мгц. А частотомеры в составе мультиметров DT9206A всего до 20 кГц. Программные частотомеры, использующие в качестве входа звуковую карту компьютера — до 40 кГц. Но .
Схема самодельного частотомера без входного узла, выполненный на микроконтроллере AT-tiny2313 и жидкокристаллическом дисплее DV-162. Схема с минимальным набором навесных элементов. Модуль предназначен для встраивания в лабораторные генераторы, а так же для построения на его основе частотомера .
Принципиальная схема простого частотомера, построенного на микросхемах HCF4026BEY, диапазон измеряемых частот от 1Гц до 10МГц. Сейчас радиолюбителям стала доступна зарубежная элементная база, а, подчас, она бывает даже доступнее отечественной. Вот пример, — искал счетчики К176ИЕ4 чтобы сделать .
Действие цифрового частотомера основано на измерении числа входных импульсов в течение образцового интервала времени в 1 секунду. Исследуемый сигнал подают на вход формирователя импульсов, который собран на транзисторе VT1 и элементе DD3.1, который вырабатывает электрические колебания прямоугольной .
Не сложная схема самодельного пятиразрядного частотомера с пределами измерений от 1Гц до 99999Гц, выполнен на микросхемах CD4001, CD4026, CD4040. Принципиальная схема пятиразрядного частотомера 1Гц до 99999Гц (CD4001, CD4026, CD4040). Это простой частотомер для измерения частоты .
Принципиальная схема самодельной приставки к мультиметру для измерения частоты в пределах 5Гц-20МГц. В некоторых цифровых мультиметрах, например, MY64, MY68, М320, M266F имеется встроенная функция измерения частоты, благодаря чему мультиметр может использоваться как цифровой частотомер .
Этот частотомер может работать и как самостоятельное устройство, так и всоставе генератора ЗЧ в качестве его цифровой шкалы. Частотомер предназначен для измерения частоты в пределах до 100 кГц. (0-99999 Гц). Схема состоит из входного усилителя на транзисторе VТ1, измерительного счетчика .
Частотомер, схема которого приведена ниже, может быть использован в качестве цифровой шкалы для какого-то устройства, к примеру для лабораторного генератора звуковой частоты (ЗЧ). Он измеряет частоту от 1 до 99999 Гц. Входное напряжение сигнала должно быть не ниже 0,5-0,6V. Но, при использовании .
Микросхема ММ74С926 (или другие аналоги 74C926 представляет собой десятичный четырехразрядный счетчик, объединенный с системой индикации из дешифратора в код для семисегментного индикатора и схемы опроса для динамической индикации. На основе этой микросхемы можно строить различные приборы, в том .
Частотомеры, построенные по «медленной» схеме популярны среди радиолюбителей потому, что их схема проще и не требует применения регистров или триггеров для запоминая данных предыдущего измерения. Но, недостаток таких частотомеров вих медленности. Многоразрядный частотомер без переключателя .
Источник


















































