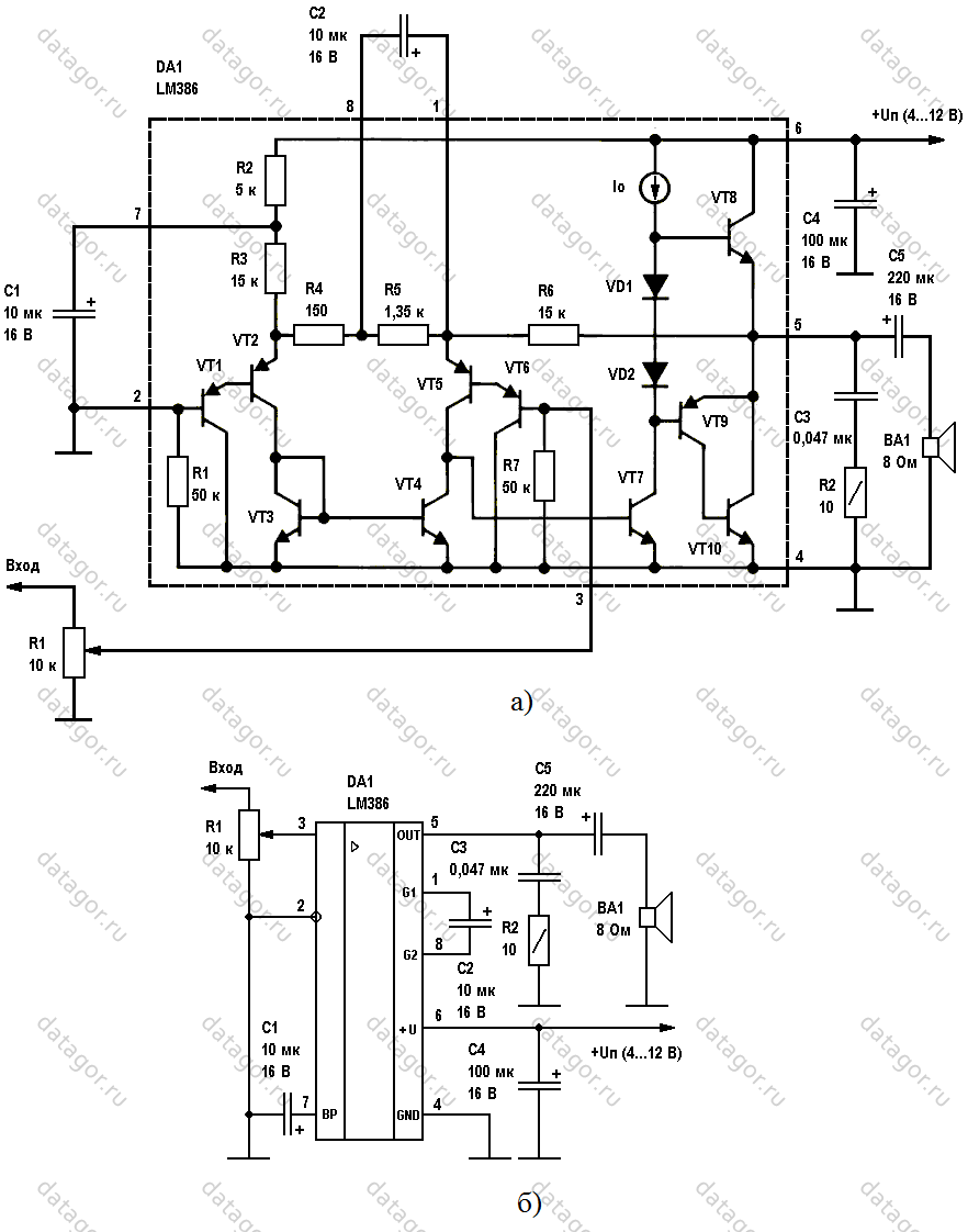
↑ Универсальный усилитель на ИС LM386
Показанная на рис. 11 схема универсального УМЗЧ на ИС LM386 открывает простор для творчества, поскольку предоставляет готовый функциональный узел для широкого спектра применений (см. табл. 3). Исключён фрагмент. Полный вариант статьи доступен меценатам и полноправным членам сообщества. Читай условия доступа.
Рис. 11. Универсальный усилитель на ИС LM386
↑ Детали универсального усилителя и монтажная плата
Применены резисторы типа МЛТ, МОН, С2-33Н мощностью 0,25 или 0,125 Вт. Конденсаторы керамические КМ-5, КМ-6, К10-17, К10-47, а также плёночные К73-9, К73-17 или К73-24; оксидные конденсаторы К50-35. Динамическая головка – широкополосная, с сопротивлением 8 Ом, мощностью 0,5…3 Вт, например 1ГДШ-6-8. Все детали могут быть заменены импортными аналогами. Детали
DA1 – Микросхема LM386N (L), корпус DIP8-300 – 1 шт., SCS-8 Розетка dip узкая – 1 шт., R1 – Рез.-0,25W-4,7 кОм (Жёлтый, фиолетовый, красный, золотистый) – 1 шт., R2 – Рез.-0,25W-10 кОм (Коричневый, чёрный, оранжевый, золотистый) – 1 шт., R3 – Рез.-0,25W-680 Ом (Голубой, серый, коричневый, золотистый) – 1 шт., R4 – Рез.-0,25W-300 Ом (Оранжевый, чёрный, коричневый, золотистый) – 1 шт., R5 – Рез.-0,25W-160 Ом (Коричневый, голубой, коричневый, золотистый) – 1 шт., R6 – Рез.-0,25W-51 Ом (Зелёный, коричневый, чёрный, золотистый) – 1 шт., R7 – Рез.-0,25W-47 Ом (Жёлтый, фиолетовый, чёрный, золотистый) – 1 шт., R8 – Рез.-0,25W-15 Ом (Коричневый, зелёный, чёрный, золотистый) – 1 шт., R9 – Рез.-0,25W-4,7 Ом (Жёлтый, фиолетовый, золотистый, золотистый) – 1 шт., R10 – Рез.-0,25W-10 Ом (Коричневый, чёрный, чёрный, золотистый) – 1 шт., R – Переменный резистор 10 кОм под гайку СП3-4ам – 1 шт., C1 – Конд.X7R 0,22 мкФ керам.имп (EIA Code 224); К10-17 б-Н90-10% 0,22 мкФ – 1 шт., C2 – Конд.X7R 1000пФ керам.имп (102); КМ-6 б- 1000 пФ – 1 шт., C3, C4 – Конд.10/16V 0511 +105С – 1 шт., C5, C9 – Конд.X7R 0,047 мкФ керам.имп (473); К10-17-1а-Н90 0,047 мкФ – 2 шт., C7 – Конд.X7R 0,033 мкФ керам.имп (333); К10-47-100В 0,033 мкФ – 1 шт., C6, C8, C10 – Конд.220/16V 0611 +85°C – 3 шт., J1…J9 – Вилка на плату PLS-2 – 9 шт., Печатная плата 75Ч25 мм – 1 шт.
На рис. 12 показана монтажная плата усилителя.
Рис. 12. Монтажная плата универсального УМЗЧ на LM386
Для экспериментов с усилителем подходит лабораторный источник питания на основе аккумуляторной батареи .
Практическое применение схем усилителей с использованием микросхемы LM386
На следующем рисунке показана типичная схема усилителя ИС LM 386, имеющая минимальное количество компонентов, необходимых для работы с внутренне установленным уровнем усиления 20. Используемый динамик — 2 Вт, 8 Ом. На вход Vin может подаваться сигнал от любого источника звука, такого как разъем для наушников сотового телефона, разъем RCA L или R проигрывателя CD/DVD либо любой другой аналогичный источник.
Контакт Vs должен быть подключен к источнику +12V постоянного напряжения от адаптера AC/DC или самодельного трансформаторного/мостового блока питания. Контакт № 4 должен быть подключен к земле или отрицательной клемме блока питания. Провод заземления или отрицательный провод от источника входного аудио сигнала, также должен быть подсоединен к вышеуказанному отрицательному полюсу блока питания.
Входной контакт №2 идет к потенциометру 10K, который становится регулятором громкости, один из его концевых выводов выбирается для приема входного сигнала, а другой конец подключается к земле, а центральный — к горячему концу ИС. Громкоговоритель подсоединен к разъему №8 через блокирующий конденсатор большой емкости, цепочка резистор/конденсатор, подключенный к контакту №5 и заземлению, включен для компенсации частоты и обеспечения большей стабильности схемы.
Следующая схема показывает конструкцию, аналогичную приведенной выше, за исключением того, что ее контакты 1 и 8 были подключены к конденсатору емкостью 10 мкФ, который, как объяснялось выше, помогает довести коэффициент усиления усилителя до 200.
Схемы приложений
Из приведенного выше обсуждения мы узнали, что LM386 — это универсальная ИС небольшого усилителя звука, которую можно быстро и с большой эффективностью применять во многих различных небольших схемах, связанных со звуком. Ниже приведены несколько схем приложений с использованием микросхемы LM 386, которые вы можете самостоятельно собрать и получать много удовольствия от прослушивания.
Схема усилителя микрофона собранного на микросхеме LM386
На следующем изображении показано, как описанный выше чип LM 386 может быть применен для создания простой, но мощной схемы микрофонного усилителя, как показано ниже.
Усилитель LM 386 с усилением низких частот
Пока мы знаем, что, подключив электролит емкостью 10 мкФ к контактам 1 и 8, можно увеличить фактическое усиление схемы до 200. Это происходит из-за того, что конденсатор соответствующим образом закорачивает встроенный в ИС резистор 1,35 кОм. На рисунке выше показан способ шунтирования этого резистора с помощью C4-R2, чтобы обеспечить усиление низких частот на 6 дБ при 85 Гц. Это компенсирует реальную неспособность микросхемы воспроизводить подходящий басовый эффект через обычно используемые недорогие 8-омные динамики.
Схема радио AM
На рисунке выше показано, как конструкция усилителя LM 386 может быть настроена как компактный усилитель для создания простого AM-радио. Здесь обнаруженная AM-передача подается на неинвертирующий вход ИС через потенциометр R3 регулировки громкости, и результирующая RF отключается через R1, C3.
Любые оставшиеся RF помехи не могут попасть в громкоговоритель через указанный ферритовый фильтр. В этой конструкции радиоприемника LM 386 AM коэффициент усиления напряжения микросхемы установлен на уровне 200 — C4. Вы также можете видеть, что схема питается через дополнительный блок питания стадии подавления пульсаций путем настройки C5 между выводом 7 и отрицательной линией.
Особенности
Одной из практических проблем усилителей класса В и АВ является подбор пар транзисторов, работающих в одном канале усиления. Располагаясь в схеме зеркально, два транзистора должны быть полностью идентичны друг другу. В противном случае, сигналы положительной и отрицательной полуволн будут воспроизводиться не симметрично, и это существенно повысит общий уровень искажений.
В реальной жизни абсолютная идентичность — понятие абстрактное, скорее имеет смысл рассуждать о степени похожести или, говоря техническим языком, о пределах допустимых отклонений транзисторов от заданных характеристик. Чем более похожи два транзистора друг на друга, тем меньше уровень искажений, и тем больше их совместная работа приближается к тому, что мы имеем в классе А, когда обе полуволны воспроизводит один транзистор.
Понимая, что даже при самом строгом отборе по параметрам отличия между двумя транзисторами в паре все же будут иметь место (пусть и в предельно малых значениях), мы вынуждены признать, что при прочих равных условиях один такой же транзистор работающий в классе А будет звучать чуть чище и чуть лучше, чем пара в классе АВ.
Совсем иная ситуация вырисовывается, когда речь заходит о работе на большой амплитуде сигнала и на нагрузке требующей высокой мощности. Имея высокий КПД класс АВ нуждается в менее мощном и громоздком блоке питания, нежели усилитель класса А, и тут уже поклонники однотактников вынуждены признать абсолютное и безоговорочное превосходство класса АВ.
Более того, разработчики имеют возможность гораздо свободнее экспериментировать с блоками питания, управляя характером и динамикой звучания путем подбора рабочих характеристик трансформатора и конденсаторов. Например, можно установить трансформатор с многократным запасом мощности, чтобы на пиках сигнала он не выходил из оптимального режима работы, или использовать улучшенные конденсаторы, способные мгновенно отдавать высокий ток.
Еще одна тонкость: работая в классе А, транзисторы выделяют большое количество тепла, что может негативно сказываться на качестве их работы, особенно при увеличении нагрузки. В классе АВ транзисторы греются в меньшей степени, вследствие чего они быстро приходят в рабочий режим и менее подвержены риску перегрева, снижающего качество звучания при работе усилителя на высокой громкости.
Как сделать самому
Усилитель звука в автомобиле можно сделать своими руками, используя готовые наборы. Это упростит проверку и наладку, сократит вероятность ошибок, способных привести к неправильной работе. Еще одно достоинство заключается в том, что не потребуются радиотехнические навыки.
Набор для самостоятельной сборки усилителя состоит из блоков ограничителя, предусилителя, усилителя мощности, кроссовера, стабилизатора и устройства управления. Другой вариант — сборка устройства из дискретных деталей по схеме.
Корпус
Он должен обеспечивать надлежащее охлаждение компонентов усилителя, которые могут нагреваться во время работы. Для этого следует предусмотреть щели или отверстия, которые должны располагаться как можно ближе к выходной микросхеме. Для улучшения охлаждения мощного усилителя устанавливается вентилятор, рассчитанный на 12 В. Он обеспечит дополнительную защиту от перегрева.
Корпус можно изготовить из фанеры или металла, например, листового алюминия или жести. В этом случае необходимо обеспечить изоляцию компонентов и платы устройства. Для улучшения экранирования можно соединить отрицательный полюс платы с корпусом. На нем нужно предусмотреть посадочные места под клеммы, которые прикрепляются с обратной стороны. Чтобы не ошибиться при подключении, следует нанести на корпус пояснительные надписи.
Усилитель для колонок
Вначале рекомендуется сделать фильтр питания с предохранителем. Его номинал составляет не менее 20 А. В состав самого фильтра входит дроссель, который можно взять с неисправной магнитолы, и конденсаторы. Они объединяются в батарею для повышения эффективности работы.
Емкость фильтра должна быть не менее 6000 мкФ. Чем она больше, тем лучше будет работать усилитель на большой громкости. Для автоматического включения устройства следует установить механическое или электронное реле управления. Обмотка подключается к массе и голубому с белой полосой проводу магнитолы. Контакты включаются в разрыв плюсового провода перед конденсатором фильтра.
Если собирается автоусилитель звука своими руками из готового набора, то следует соединить блоки в соответствии с инструкцией. Усилитель и предусилитель подключаются друг к другу прилагаемыми кабелями. К этим блокам подсоединяется стабилизатор питания или преобразователь напряжения, если для нормальной работы микросхемы необходимо более 14 В.
Если усилитель собирается на плате из отдельных деталей, то потребуется припаять их к нужным точкам. При подключении этого устройства напрямую к выходам динамиков магнитолы необходимо предусмотреть регулируемый делитель. Он не потребуется, если подключение осуществляется к линейному выходу низкого уровня. В разрыв выводов колонок включаются проволочные резисторы, необходимые для защиты и согласования. Их сопротивление — 1-2 Ом.
Замечания по конструкции
Хотя эти схемы были собраны и успешно испытаны на беспаечной макетной плате, учитывая их большое усиление, лучше всего было бы изготовить платы с добротным слоем земли, используя либо наклеивание фольги на текстолит, либо непосредственное соединение проводами компонентов, перевернутых выводами вверх
Следует отметить, что в этих схемах важно исключить возможность утечки по ВЧ с выхода (вывод 5) обратно в индуктивность на ферритовом стержне. Если используемая физическая топология схемы создает проблему воющего звука, было бы целесообразно последовательно с наушниками добавить дроссель индуктивностью от 1 до 10 мГн
Приемник хорошо работает со стандартными 32-омными стерео наушниками. Их можно включить параллельно, чтобы увеличить громкость, снизив сопротивление нагрузки до 16 Ом, или последовательно, чтобы увеличить сопротивление до 64 Ом. Это позволяют сделать стандартные стереофонические наушники сопротивлением 32 Ом при использованием выходного стерео разъема без подключения земляного провода.
Пуристы, вероятно, захотят добавить стабилизатор напряжения и точную варакторную подстройку, чтобы повысить удобство использования схемы, но я пришел к выводу, что даже в простейшей форме для нерегулярного прослушивания характеристик этой схемы более чем достаточно.
Микрофонный предварительный усилитель на 2-х транзисторах
Структура построения любого предусилителя очень сильно влияет на его шумовые характеристики
Если брать во внимание тот факт, что используемые в схеме предусилителя качественные радиодетали все равно в той или иной мере приводят к искажениям (шумам), то очевидно, что единственный выход получить более-менее качественный микрофонный усилитель — это сократить число радиокомпонентов схемы. Примером может послужить следующая схема двухкаскадного предварительного усилителя на транзисторах
Hantek 2000 — осциллограф 3 в 1
Портативный USB осциллограф, 2 канала, 40 МГц….
Подробнее
В данном варианте количество разделительных конденсаторов сведено к минимуму, поскольку транзисторы включены по схеме с общим эмиттером. Так же между каскадами существует непосредственная связь. Для стабилизации режима работы схемы, при изменении внешней температуры и напряжения питания, в схему добавлена ООС по постоянному току.
LM386 Часть 2
Ещё раз о покупке электронных комплектующих на Aliexpress. На этот раз LM386 в корпусе DIP8. Список сокращений: Кг (THD) — коэффициент гармоник ООС — отрицательная обратная связь ЗК — звуковая карта PC — персональный компьютер (англоязычное сокращение) 1. Покупка. После положительных результатов с модулями LM386 захотелось продолжить эксперименты. Были куплены 10 шт. LM386 в корпусе DIP8.
Микросхемы приехали. Вскоре состоялась проверка. Схема стенда — проще простого: всего-то надо подключить питание к выводам микросхемы и померить напряжение на выходе (вывод 5).
Если микросхема исправна, на 5-м выводе присутствует напряжение около половины питающего. Т.к. проверка выполнялась от 4В источника, на выходе ожидалось около 2В.
И тут сюрпрайз: +0,6В. Естественно, в стенде побывали все 10 штук микросхем. У всех — одинаковые симптомы. Сделал фото, открыл спор, через время получил обратно свой доллар.
Отзыв на али:
Дополнительная информация
2. Некоторые замечания о бракованных LM386.
Упрощённая схема LM386:
2.1. Резистор ООС между выводами 1 и 5 легко проверяется омметром: вместо 15 кОм было значение около 20 кОм.
2.2. Обозначение на корпусе: 18CXY LM386 M-82
— это БРАК!
Бракованные микросхемы отправились в мусорное ведро. На их замену с местном инет-магазине были куплены LM386 от производителя UTC. Фото не приводится, т.к. отсутствие полноценного макро объектива не позволяет отснять надписи на корпусе.
3. Продолжение экспериментов. Вновь прибывшие микросхемы также были проверены на стенде: +1,9В на выводе 5, т.е. всё ОК. Сопротивление резистора ООС — около 15 кОм, что вполне соответствует документации.
Спектр выходного сигнала. Условия замера: — питание 4В от LiIon аккумулятора через защитный диод Шоттки 1N5819
— экранированный корпус — оба входа закорочены на землю через 1 кОм
Если очень внимательно читать документацию на LM386, можно заметить, что входной сигнал подаётся на вывод 3 (неинвертирующий). Вывод 2 (инвертирующий вход), как правило, не используется.
Была собрана модель LM386 в симуляторе Multisim10. И проверены две схемы: — входной сигнал подаётся на вход 2 (инвертирующий)
— входной сигнал подаётся на вход 3 (неинвертирующий)
Можно заметить: Кг получился разный (0,28% и 0,44%). Было логично повторить замеры вживую.
Входной сигнал (10 мВ 1 кГц) — на вход 2 (инвертирующий):
Входной сигнал (10 мВ 1 кГц) — на вход 3 (неинвертирующий):
Выводы: — Кг по входам 2 и 3 примерно одинаковый, но при использовании входа 3 немного ниже — не всегда симуляторы дают адекватную оценку таких деликатных параметров, как Кг (THD)
4. Особенности питания LM386 от других источников.
Все замеры выше выполнены при использовании 4В источника (свежезаряженная LiIon аккумулятор, который при малых разрядных токах обеспечивает «чистое» питание 4,0..4,1В под нагрузкой). В цепи питания всегда присутствует защитный диод Шоттки 1N5819.
Падение напряжения на диоде около 0,2В никаким образом не влияет на работоспособность микросхемы.
Некоторые критики внимательные читатели могут заметить, что работоспособность LM386 гарантируется от 4В и выше. С этим никто не спорит.
Как обычно, хочется где-то съэкономить и\или упростить себе жизнь.
4.1. Питание от USB. Условия замера: — +5В подано через RC-фильтр (51 Ом и 47 мкФ) — использован только плюсовой провод от USB — входы закорочены на землю через резисторы 1 кОм
На спектре появилась «расчёска». (
4.2. Питание от повербанка Условия замера: — +5В подано через RC-фильтр (51 Ом и 47 мкФ) — входы закорочены на землю через резисторы 1 кОм
«Расчёска» также присутствует.
ВЫВОДЫ
: — покупать микросхемы необходимо у проверенных продавцов — использование LM386 предпочтительно от LiIon аккумулятора — в зависимости от задачи возможно использование входов 2 и 3 — Кг (THD) в пределах 0,1% при выходном напряжении 200 мВ (типичное значение чувствительности линейных входов звуковой аппаратуры и линейного входа ЗК)
Всем удачных разработок!
PS По незнанию в обзор были добавлены файлы .ovl По сути это текстовые файлы, которые создаёт и использует программа SpectraLab.
Объём этих файлов оказался настолько большим, что при попытке опубликовать обзор сайт выдал ошибку «Более 15000 символов». Поэтому пришлось удалить лишние строки кода из отчёта.
Для желающих скачать все исходные материалы данного обзора, ссылка на гуглодиск.
↑ Список источников
1. LM386 — Low Voltage Audio Power Amplifier . 2. Дайджест КВ+УКВ // Радиоаматор, 2009, №2, с. 56 (Как получить усиление 74 дБ от микросхемы LM386). 3. Мосягин В. Узконаправленный микрофон // Радио, 2002, №5, с. 54, 55. 4. Merryfield T. Super-Ear Audio Telescope // Everyday Practical Electronics, 2005, №6, p. 388 – 392. 5. Stewart J. The Big Ear // Nuts & Volts, 2008, №10, p. 34 – 39. 6. Фолкенберри Л. Применения операционных усилителей и линейных ИС. – М.: Мир, 1985. 572 с. (с. 250 — 254). 7. Дайджест (Тест микрофонного эффекта конденсаторов) // Радиохобби, 2000, №5, с. 25. 8. Большая статья о маленьком усилителе на микросхеме TDA2822M. Датагорская статья. 9. Справочник. Микросхема УМЗЧ LA4525. Микросхема УМЗЧ LA4534M // Радиоконструктор, 2008, №9, с. 20 — 22. 10. Мосягин В.В. Юному радиолюбителю для прочтения с паяльником. (Серия «СОЛОН – радиолюбителям», выпуск 17). – М.: СОЛОН – Пресс, 2003. – 208 с. 11. Мосягин В.В. Секреты радиолюбительского мастерства. (Серия «СОЛОН – радиолюбителям) – М.: СОЛОН – Пресс, 2005. – 216 с.
Как подключить?
Подключение предварительного усилителя к усилителю мощности осуществляется непосредственно к самому устройству. При этом недопустима установка коротко замкнутого контактного разъема в клеммы PRE OUT. Это является причиной повреждения. Чтобы не повредить предусилитель и получить максимально качественный звук системы, при подключении лучше придерживать инструкции конкретной модели
Важно правильно подключить источники сигналов к входам и выходам конкретного предусилителя, расположенным на задней панели. Как правило, для удобства пользователя они обозначены разным цветом
Штекер должны максимально плотно входить в гнезда устройств.
Если XLR-кабели симметричные, соединение устанавливается через входы CD. В таком случае для CD необходимо выбрать симметричный тип соединения, применяя меню настроек. После этого необходимо подключить кабели усилителя мощности к выходным разъемам предусилителя.
О том, какую функцию выполняет предварительный усилитель, смотрите в следующем видео.
↑ Усилительные схемы на ИС LM386
↑ Усилитель с коэффициентом усиления 200
Принципиальная схема усилителя с коэффициентом усиления Ku=200 (46 дБ), изображена на рис. 2 а, б. На первом из них (рис. 2 а) показана функциональная схема ИС LM386, позволяющая лучше понять работу усилителя, а на втором (рис. 2 б) микросхема изображена в виде «чёрного ящика», по ней легче выполнять разводку печатной платы и проверку правильности установки смонтированных на ней элементов.

Рис. 2. Усилитель с коэффициентом усиления 200
Резистор R1 служит регулятором громкости, конденсатор C1 является фильтрующим
Конденсатор C2 шунтирует выводы 1 и 8 микросхемы DA1 по переменному току, благодаря чему достигается максимальный коэффициент усиления; конденсатор C4 служит для развязки по питанию, что важно в условиях работы с разряженной батареей, когда её внутреннее сопротивление увеличивается
Цепочка C3, R2 предназначена для повышения стабильности при работе усилителя на ёмкостную нагрузку. Иногда её установкой пренебрегают, что не является преступлением, но нежелательно, поскольку может преподнести «сюрприз» в самый неподходящий момент. Нагрузка ВА1 подключена к выходу ИС через разделительный конденсатор С5.
↑ Усилитель с минимальным количеством внешних элементов и коэффициентом усиления 20
На рис. 3 показана схема с минимальным количеством элементов, имеющая коэффициент усиления по напряжению Ku=20 (26 дБ). Здесь выводы 1 и 8 микросхемы оставлены свободными, исключён из схемы фильтрующий конденсатор, подключаемый к выводу 7. В результате весь усилитель содержит всего семь элементов, включая и динамическую головку ВА1.
Рис. 3. Усилитель с минимальным количеством внешних элементов и коэффициентом усиления 20
↑ Усилитель с коэффициентом усиления 50
Ещё один вариант схемы приведён на рис. 4. При значениях элементов, показанных на этой схеме, обеспечивается усиление по напряжению Ku=50 (34 дБ).
Рис. 4. Усилитель с коэффициентом усиления 50
По сравнению с предыдущей схемой добавлено три элемента: два конденсатора и резистор. В табл. 2 приведены значения резистора R2 для получения других коэффициентов усиления по напряжению.
↑ Усилитель с подъёмом низких частот
Примером усилителя, в котором производится формирование требуемой частотной характеристики, является схема, показанная на рис. 5. Здесь усиление по напряжению изменено шунтированием внутреннего резистора обратной связи (R6), доступного через выводы 1 и 5 микросхемы LM386. Шунтирование цепочкой R2, C2 позволяет получить подъем частотной характеристики около 6 дБ на частоте 85 Гц, что может быть использовано для улучшения звучания малогабаритных акустических систем.
Коэффициент усиления по напряжению усилителя на частоте 1 кГц составляет Ku=10 (20 дБ).
Рис. 5. Усилитель с подъёмом низких частот
↑ Принципиальная схема усилителя для АМ радиоприёмника
Ещё один пример применения ИС в качестве усилителя для малогабаритного АМ радиоприёмника показан на 6. В этой схеме радиовещательный сигнал после детектора поступает через конденсатор С1, устраняющий передачу постоянной составляющей на регулятор громкости R1.
Рис. 6. Принципиальная схема усилителя для АМ радиоприёмника
Сигнал со среднего вывода R1 поступает на неинвертирующий вход микросхемы DA1 через развязывающую цепочку – фильтр нижних частот R2, C2, устраняющий попадание остатков высокочастотного напряжения. Для этих же целей на выходе усилителя включена цепочка L1, C7. Дело в том, что усилитель на микросхеме DA1 довольно широкополосный (полоса пропускания составляет около 300 кГц) и без принятия подобных мер служит отличным источником радиоизлучений в длинноволновом и средневолновом диапазонах волн.
Резистор R3, включённый параллельно катушке L1, служит для устранения нежелательных резонансов в звуковом диапазоне частот. Коэффициент усиления по напряжению усилителя максимален (Ku=200).
Наряду с оксидным конденсатором С6 включён керамический конденсатор С5, используемый для высокочастотной развязки по цепи источника питания; не забыт в этой схеме и фильтрующий конденсатор, подключаемый к выводу 7 микросхемы (С3).
Катушка L1 представляет собой ферритовую бусинку с пропущенным проводом внутри (Ferrite Bead).












































































